FIBROPOOL FH 270 Swimming Pool Heat Pump

WARNING
- Please install the unit in compliance with local CODES, regulations and standards;
- Please use a solid base, such as 2 pieces of 16” x 16” x 4” concrete blocks or an equipment base of 16” x 32 inches minimum size.
- Confirm power voltage and frequency; 208-240 volts, 60 Hz. 20 Amps.
- 2 Hot Leads, 1 Ground. No Neutral, Non GFCI. Within 50 feet of the breaker box, use 12 AWG gauge wire ( 12-2+ Ground), 50-150 feet distance from breaker box to the heater, pls use 10 AWG wire ( 10-2+Ground).
- The heater must be BONDED to a ground rod, using #8 AWG bare copper wire.
- An external timer or a service disconnect must be installed in accordance with local electric codes.
- 1 1/2” schedule 40 pvc must be used to connect plumbing.
- WATER AND ELECTRICITY DONT MIX. PLEASE USE ALL PRECAUTIONS AND DO NOT SHORT CUT ANY SAFETY PROCEDURES.
- Do not install this heater in an enclosed room. Without adequate air supply, the heater will not function well. If the unit was installed in a closed area or limited space, please consider the size of room and ventilation to prevent suffocation caused by refrigerant leakage.
- Be sure to Install a BONDING wire to a ground rod, using #8 AWG Bare Copper Wire
- Fibropool FH 270 is weatherproof and designed to be outdoors. But is is not designed to be below eaves of the roof, where water pours onto it. Please use common sense in choosing a location.
- Do NOT install this heater where there may be flammable gas.
- This heater is made of mostly metal alloys, and may have sharp edges, please use gloves while handling it.
- Heater weighs about 150 lbs. It is a 2 person handling size and weight.
System Specifications
Specifications
| Model | FH 270 | ||
| 82’F Air 82’F Water 82% RH | Max Heating capacity (Btu/h) | 70000 | |
| Max Power input (Btu/h) | 12132 | ||
| COP | 5.77 | ||
| 60’F Air 75’F Water 65%RH | Heating capacity (Btu/h) | 33440 | |
| Power input (Btu/h) | 8360 | ||
| COP | 4.01 | ||
| Power supply | 208-230V/60Hz | ||
| Max power input (Btu/h) | 13850 | ||
| Max current (A) | 17.7 | ||
| Setting temperature range (Heating) | 60°F~99°F | ||
| Setting temperature range (Cooling) | 50°F~82°F | ||
| Running (Air) temperature range | 23°F~109.4°F | ||
| Refrigerant type/quantity (Oz) | R410A/ 48 Ozs | ||
| Air side heat exchanger | Hydrophilic fin exchanger | ||
| Water side heat exchanger | Titanium tube heat exchanger | ||
| Water flow (gpm) | 33 GPM | ||
| Net dimension LxWxH (inch) | 37 x 14 x 32 | ||
| Packing dimension LxWxH (inch) | 41 x 17 x 33 | ||
| Net weight (lbs) | 146 lbs | ||
| Packing weight (lbs) | 196 | ||
| Noise level dB(A) | 47 | ||
| Water proof level | IPX4 | ||
| Water pipe connection | PVC Sch 40 1-1/2” | ||
| Inlet/Outlet | |||
| Model | FH 270 | ||
| 82’F Air 82’F Water 82% RH | Max Heating capacity (Btu/h) | 70000 | |
| Max Power input (Btu/h) | 12132 | ||
| COP | 5.77 | ||
| 60’F Air 75’F Water 65%RH | Heating capacity (Btu/h) | 33440 | |
| Power input (Btu/h) | 8360 | ||
| COP | 4.01 | ||
| Power supply | 208-230V/60Hz | ||
| Max power input (Btu/h) | 13850 | ||
| Max current (A) | 17.7 | ||
| Setting temperature range (Heating) | 60°F~99°F | ||
| Setting temperature range (Cooling) | 50°F~82°F | ||
| Running (Air) temperature range | 23°F~109.4°F | ||
| Refrigerant type/quantity (Oz) | R410A/ 48 Ozs | ||
| Air side heat exchanger | Hydrophilic fin exchanger | ||
| Water side heat exchanger | Titanium tube heat exchanger | ||
| Water flow (gpm) | 33 GPM | ||
| Net dimension LxWxH (inch) | 37 x 14 x 32 | ||
| Packing dimension LxWxH (inch) | 41 x 17 x 33 | ||
| Net weight (lbs) | 146 lbs | ||
| Packing weight (lbs) | 196 | ||
| Noise level dB(A) | 47 | ||
| Water proof level | IPX4 | ||
| Water pipe connection | PVC Sch 40 1-1/2” | ||
| Inlet/Outlet | |||
The technical specification of our heat pumps is provided for information purpose only. We reserve the right to make change without notice in advance
Performance varies greatly depending on the weather conditions.
- Ratings based un US Dept Of Energy guidelines, 82-82-82 / 80-80-80/ 78-78-78
- US Dept Of Energy recommends pool water temperatures 78, 80, or 82
- Noise at 4 feet ) comply with Directives EN ISO 3741 and EN ISO 354
Unit Dimensions
Model: Fh 270

Exploded View

| 1 | Front plate | 9 | Middle plate | 17 | Chassis component |
| 2 | Fan | 10 | Water flow switch | 18 | Silencer cotton |
| 3 | Stand pillar | 11 | Titanium heat exchanger | 19 | Motor |
| 4 | Protection net 1 | 12 | Right plate | 20 | Motor support |
| 5 | Protection net 2 | 13 | Controller box | ||
| 6 | Evaporator | 14 | Handle | ||
| 7 | Electrical box | 15 | Cooper pipe component | ||
| 8 | Top cover | 16 | Compressor |
Installation Instructions
WARNING: Installation must be carried out by a qualified person
This section is provided for information purpose only and may vary depending on your location/ regulations/ available space for installation
Pre-Requirements
Needed equipment for installation of heat pump:
Suitable power supply cable for unit’s power. Usually 12-2+Ground protected by flexible conduit A by-pass kit ( 3 way valve) , PVC pipe and fittings, Pipe cleaner/ primer, Medium Bodied Glue Electrical tools, and a ,multimeter
A service disconnect or timer within 6 feet of the heater
An equipment pad, 16” x 32” x 4” thick or 2 pieces of concrete blocks, 16 x 16 x 4 inches each
Location
Please comply with the following rules about heat pump location choosing.
- Make sure the heater is not directly below the roof drains, such as gutter drain, or
- Be sure that the heater does not submerge in water in heavy
- Be sure to install the drain adapters into the heaters, and attach the hose to direct the condensation Heater will produce gallons of water from condensation, every day.
- Confirm the unit is under well-ventilated conditions; fan discharge grill vent is not blocked ( Fan blows )
- Keep at least 12 inches of clearance on the two short sides and the long radiator
- Keep at least 3 feet of clearance on the fan side of the
- Keep the unit as far as possible away from children’s reach and within 25 feet of the pool
DRAIN ADAPTERS
Please install the darin adapters beneath the heater prior to installation.. You can add 5/8 hose to the adapters to direct the condensation water.

PLUMBING
- A typical installation on a pool with a small pump, such as ½, ¾ hp pump with 1 1/2” pvc or flexible pipes, just requires pipes to go in from the bottom and exit thru top.
- For stronger systems, with 1.0 Hp and larger pumps, and 2 inch plumbing systems, a bypass system should be installed.
- If The heat pump is connected to a filtration circuit with a by-pass valve; The bypass valve should be partially opened (throttled), while all the other valves should be completely opened. We suggest to open bypass 50% then adjust until the lowest volume of water going through the heater, but no error messages ( EE-3, PL, EE1) are present. This will give enough water to the heater, and not restrict your flow.
- The old system BYPASS path usually consists of 3 valves. The New FIBROPOOL BY PASS VALVE is just 1 valve. That makes it possible to adjust water flow which passes through heat pump .

Installation of a Single Heater
Parallel Installation for 2 Units 
PIPE CONNECTIONS
- FH 270 Features 1 1/2” SAE machine threads. They are NOT the typical pipe threads. You can use the included unionized fittings with o rings, WITHOUT thread tape, or you can use the conical hose adapters, WITH thread tape.
- All fittings and pipes used must be 1 1/2” Sch 40 ( Schedule 40) PVC pipe
- Tighten all fittings by hand only. If using the threaded hose adapters, give a ¼ turn with pliers after hand tight. Excessive tightening will crack fittings.
- A minimum of 6 inches of straight pipe must be used before any elbows/ fittings etc.
- Please support the pipes in the air, as gravity will eventually bend and break the fittings.
- If using flexible hoses, be sure to tighten the clamps well.
- Be sure to check your fittings and glue them properly, using pipe cleaner and a good grade Medium bodied glue.
- Heaters have heat exchanger coils, therefore they increase back pressure.
- If your pool pump is larger than 1 horsepower, you should use a bypass valve. This will help water flow of your system to continueas original plumbing. You simply need to get a 3 way valve, and a Tee. Refer to diagrams for the bypass set up.
- If you have 2 inch plumbing, use our 2 inch bypass valve and a 2 inch TEE, then use reducers to 1 1/2” pipe to connect to the heater. This way you will not compromise the water flow.
- Be sure that WATER IN pipe is connected to the bottom, and WATER OUT pipe is on Top. Reversal will result in flow error codes.
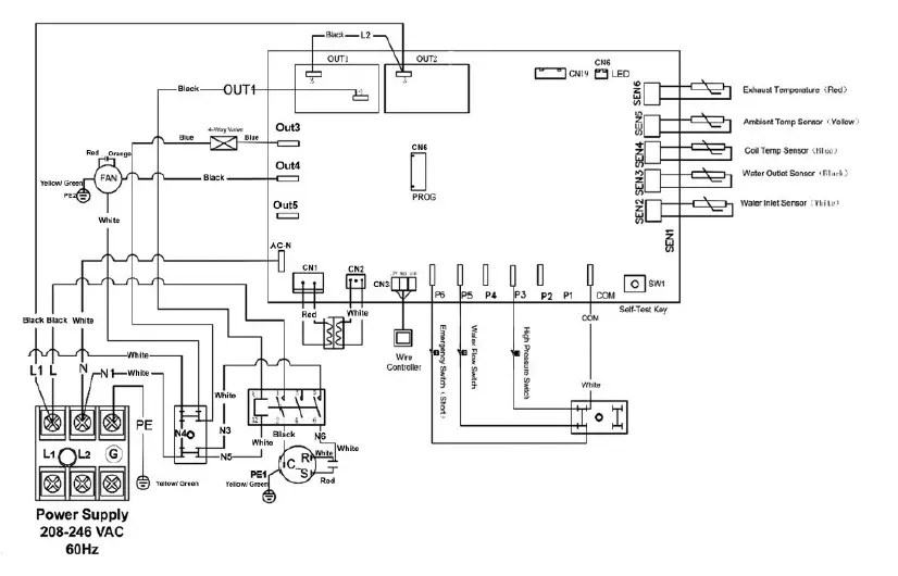
ELECTRICAL CONNECTIONS
Power Supply Wires Size
| Model | Power Supply Wires | |||
| Power Supply | Cable Diameter | Specification | ||
| Fh 270 | 208-240V/60Hz | 3×4.0mm (3×0.157inch) | AWG 12 | |
WARNING: Power supply of heat pump must be disconnected before any operation.
- Step 1: Detach front panel by a screwdriver.
- Step 2: Insert cable into heat pump electrical connector port. This port is designed for outdoor SO cords (waterproof flexible cords.) If using a flexible conduit, simply remove the adapter, and install conduit adapter.
- Step 3: Connect power supply cable to terminal block according to the diagram below.

- FH 270 does NOT have a NEUTRAL connection Therefore, Do NOT use a GFCI breaker.
- FH 270 requires equipotential bonding. Please connect an #8 AWG bare copper wire to a ground rod. This is required for safety and corrosion prevention of the heaters metal chassis.
Running Test
Inspection Before Running Test
- Check electrical connecors, terminal screws. Be sure all are tight
- Check voltage at the power supply, 208-240 volts must be observed.
- Check Bonding wire’s tightness and attachment to the ground rod.
- Check plumbing connections, make sure all glued, tight and In from BOTTOM, OUT from TOP Turn on the pump
Wait about 1 minute, for all the air to purge from the system
Turn on the heater
Push the ON OFF button on the heater, Making sure the SUNSHINE sign is on top.
ALLOW ABOUT 5 MINUTES, FOR THE FAN TO START BLOWING COLD AIR, CONDENSATE WATER TO START DRIPPING.
This is the indication of the heater working.If all is well, leave your heater running. Your heater will only be on while your pump is ONIn and out temperatures maybe very close or even the same, but this depends on many factors including a strong pump pushing the water too fast to register. Real indication of heating is cold air and condensation.
Control Function Description

- “ON/OFF”key:Turn ON/OFF the heat
- “MODE”key:Press MODE key to select :
AUTO mode – Triangle Sign COOLING mode – Snowflake sign HEATING mode – Sunshine Sign
- CLOCK key:Time setting ( NOT AVAILABLE ON MOST MODELS)
Press this key, then SET. Use the up and down arrows to set the current time. Use M button to swap between hour/ minute settings There is NO TIMER. This is only to set the time. You DON’T have to set the time, it does not effect the operation of the heater at all.
- UP AND DOWN “5”and“6”key:
Press “5”and“6”key to set the target temperature in the main interface.
- “SET” key:
Press this key to enter the fault query state, and then press this key to query other fault displays in the current state.
Press and hold SET key to enter parameter state, then press “MODE” key to enter the setting.
You can set the parameters by pressing “5”“6” key, press “SET” key to set other parameters.exit the parameter setting state automatically if there is no operation within 5 seconds.
FOR A HOMEOWNER, ALL YOU NEED TO SET IS THE HEATING AND COOLING TEMPERATURES. YOU DON’T NEED TO GO INTO ADJUSTING PROGRAMS. SIMPLY, PRESS MODE TO GO TO HEATING, USE THE ARROWS UP AND DOWN . THATS ALL
THE FACTORY SETTINGS ON THE SYSTEM ARE DELICATE. AND THERE IS NO FACTORY RESET OPTION. THEREFORE, WE DO NOT RECOMMEND A HOMEOWNER TO ATTEMPT TO CHANGE OPERATIONAL SETTINGS.
SYSTEM PARAMETERS
| No | Parameter Name | Range | Default | Remark |
| 0 | Memory Function during power off | 0 (no) /1 (yes) | 1 | Adjustable |
| 1 | Timer Cycle- Daily | 0 (no) /1 (yes) | 1 | Adjustable |
| 2 | X(Temp- Difference between compressor Start – desired setting( accuracy) | 2-10°C (35.6-50°F) | 3℃ (37.4℉) | Adjustable |
| 3 | Y(Temp Difference between compressor Stop and Desired temperature ( Accuracy) | 0-3°C (32-37.4°F) | 0℃ (32℉) | Adjustable |
| 4 | Defrost duration | 30-90 Min | 40Min | Adjustable |
| 5 | Defrosting trigger coil temperature | -30°C~0°C ( “-” and “°C” not display) | -1℃ (only display “1”) | Adjustable |
| 6 | Defrosting – off coil temp. | 2-30°C (35.6-86°F) | 15℃ (59℉) | Adjustable |
| 7 | Max Defrost Duration | 1-12Min | 8Min | Adjustable |
| 8 | Compressor exhaust gas protection | 90-120℃ (194-248℉) | 110℃ (230℉) | Adjustable |
| 9 | Max desired temperature | 25~40℃ (77-104℉) | 40℃ (104℉) | Unvalid |
| 10 | Water pump running mode – DISABLED 2021 | 0(Special)\1(Normal) | 1 | N/A |
| 11 | Pump Firemans Switch timer – DISABLED 2021 | 3-20MIN | 15 | N/A |
| 12 | Second anti- freezing mode | 0(HP)/1(Electric heater) | 1 | fixed |
| 13 | Heat- Cool Mode Selection | 0(cooling only)\1(cooling and heating)\2(heating only) | 1 | Adjustable |
| 14 | High pressure switch | 0: Alarm when closed 1: Alarm when open 2: Invalid | 1 | |
| 15 | Low pressure switch | 0: Alarm when closed 1: Alarm when open 2: Invalid | 2 | |
| 16 | Water flow switch | 0: Open when abnormal 1: Close when abnormal 2: Invalid | 1 | |
| 17 | Emergency switch | 1: Enable 2: Disable | 2 | |
| 18 | Electric heater over heat protection | 1: Alarm when open 2: Invalid | – | |
| 19 | Inlet water temp. | -9~99℃ | Measured | |
| 20 | Outlet water temp. | -9~99℃ | Measured | |
| 21 | Coil temp | -9~99℃ | Measured |
***************************************WE DO NOT RECOMMEND CHANGING FACTORY SETTINGS. THERE IS NO FACTORY SETTINGS- RESET BUTTON. THE ONLY OPTION IS TO REPROGRAM THESE FUNCTIONS INDIVIDUALLY OR REPLACE THE MOTHERBOARD. IN MOST CASES, THE ERROR/ PROBLEM WILL GO AWAY BY RESTARTING THE SYSTEM. JUST TURN OFF THE BREAKER FOR 45 SEONDS AND TURN IT BACK ON. THIS WILL ERASE THE SENSORS’ MEMORIES.*************************************************************
To resolve a problem, we need to identify whether it is a mechanical problem, or performance.
POOL NOT HEATING:
- In and out difference too small: Either the air humidity is too low, or the pool pump is pushing too hard. Difference 0-4 degrees accepted. Higher the humidity ( 80% or higher), higher the difference.
- initial heating takes time. Allow a few days for the water to heat up, while leaving the pool pump and heater on 24-7. And cover the pool with any type of cover.
- Heater is not working: there are 3 basic indicators of the heaters operation. 1- heater blowing cold air 2- compressor pressure goes up by about 0.5 MPA 3- heater dripping water from the condensation lines after 10-15 minutes. If any of these conditions are observed, the heater is working. The problem is performance, not functionality
- Heater is not leaking water from the bottom: Heat pumps will create quite a bit condensation, which will drain from the bottom of the heater.
- The air is too dry: Pool heat pumps are optimized for 80% humidity. If the humidity is much less, best thing is to install a set of micron misters. A set can be purchased for about 20-30 dollars from hardware stores. Which screws into the garden hose and sprays mist . Place the heads near the coils, this way the incoming air will draw moisture into the heater coils and heat exchange rate will increase, thus resuting in better output
- Pool pump’s timer setting is too short: Pool heaters need pool pumps circulation. If the pump doesnt run long enough, neither will the heater. Please adjust the timer settings on your pump or remove the timer for heating.
- The fan is not coming on, the pressure is not going up on the pressure gauge: When the thermostat calls for heat, the fan will come on within 4 minutes, and within 45 seconds, the compressor will kick in. If this doesnt happen, and the pool water temperature is much lower than the desired temperature, there is a mechanical issue of an error message on the screen. Be sure that there is no error messages on the screen. This may require a phone call to us at Fibropool Co. 1.228.313.7874
- Pool is too big for the heater, for your climate zone: There is not much can be done, except adding a second heater into the system.
- Air is too cold: Heat pumps absorb heat from the air. If the air too cold- below 60F, the performance will be very little. Your only option is to wait for warmer weather.
HEATER IS GIVING WATER FLOW ERROR (PL)
- Pool pump is OFF
- Pool pump is really weak
- Pool filter is dirty
- Plumbing is connected backwards, cold water is connected to top
- By pass valve is set incorrectly, not allowing water to flow thru the
HEATER IS VIBRATING/ SHAKING HEAVILY
- Loose or broken Fan blade
NO DISPLAY
- Digital display is This happens mostly if the protective cover is broken or missing, making the controller NOT weather proof.
- The incoming power is not 220 volts. Reading between L1 and L2 should be between 208-240
- Motherboard’s fuse is
ERROR CODES
| ERROR CODE | DESCRIPTION | POSSIBLE CAUSES | ACTION |
|
PL |
Water f low sw itch failure | Insufficient Water Flow / Plumbing Connected backw ards/ Flow sw itch Failure / Motherboard Failure | *Make Sure the w ater is circulating back to Pool. *Check the plumbing lines, make sure the w ater IN from the f ilter is connected to the bottom port. |
| PC | Level 1 anti-f reeze protection in Winter | The Air temperatures too low and unit is on standby | *Wait for outside air temperatures to increase |
| PC | Level 2 anti-f reeze protection in Winter | The Air temperatures too low and unit is on standby | *Wait for outside air temperatures to increase |
|
P1 |
Coil temp sensor failure |
Softw are Crash/ Sensor failure | +Turn the heater off at the breaker for 45 seconds and restart *Replace the Sensor |
|
P2 | Compressor exhaust gas temp. sensor failure |
Softw are Crash/ Sensor failure | *Turn the heater off at the breaker for 45 seconds and restart *Replace the Sensor |
|
P3 |
Inlet w ater temp sensor failure |
Softw are Crash/ Sensor failure/ Open circuit | *Turn the heater off at the breaker for 45 seconds and restart *Check the w ire and connection * Replace the sensor * Replace the Motherboard |
|
P4 |
Outlet w ater temp sensor failure |
Softw are Crash/ Sensor failure/ Open circuit | *Turn the heater off at the breaker for 45 seconds and restart * Check the w ire and connection *Replace the sensor *Replace the Motherboard |
|
P6 | Excessive Temperature Difference for IN and OUT sensors | Low w ater f low /Motherboard failure | *Check w ater circulation *Check w ater temperature * Replace motherboard |
|
P7 |
Ambient temp sensor failure |
Softw are Crash/ Sensor failure | *Turn the heater off at the breaker for 45 seconds and restart *Replace the Sensor |
|
P8 |
Excessively LOW outlet w ater temp in cooling mode | Low w ater f low rate/ Water inlet w ater temp too low / Motherboard failure | *Turn the heater off at the breaker for 45 seconds and restart *Check the w ater f low through the heater *Adjust the set temp to a higher level *Replace motherboard |
|
P9 |
Low Freon pressure | Low refrigerant / Capillary block / Pressure sw itch connections / The pressure sw itch failure / Motherboard Failure | *Add Refrigerant *Replace the capillary *Repair the sw itch w ires *Replace the pressure sw itch *Replace the Motherboard |
|
E2 | Excessive Temperature Difference for IN and OUT sensors | Low w ater f low / inlet w ater temp is too low / Motherboard failure | *Check w ater circulation * Check w ater temperature *Replace motherboard |
|
E3 |
Excessively high compressor tempertures | *Low w ater f low rate *Low refrigerant * Water temp is set too high *Pressure sw itch Wiring Failure *The pressure sw itch failure. *Motherboard failure | *Check pool’s w ater circulation * If using a bypass valve, increase the f low to the heater * Drain and recharge the refri *Reduce desired temp setting * Check the w iring of the sw itch * Replace the pressure sw itch * Replace the Motherboard |
|
E4 |
High Freon pressure | *Low w ater f low rate *Overcharged refrigerant * Water temp is set too high *Pressure sw itch Wiring Failure *The pressure sw itch failure. *Motherboard Failure | *Check pool’s w ater circulati * *If using a bypass valve, increase the f low to the heater *Drain and recharge the refrigerant *Reduce desired temp setting * Check the w iring of the sw itch * Replace the pressure sw itch * Replace the Motherboard |
|
E8 |
Communication failure | *Digital controller Failure *Communication line is disconnected, damaged or unplugged f rom the motherboard *Motherboard Failure |
*Replace the Digital Controller *Repair/ reinstall/ plug the w ire. *Replace the Motherboard |
MAINTENANCE
- You should leave the heater on all the time, during the season. Just adjust the temperature and leave it on. Electronic circuits should stay dry and warm with electricity.
- Clean your pool’s filtration system regularly to avoid the damage of the unit because of a dirty or clogged filter.
- Winterize properly by making sure there’s no water left in the heaters tank. Or take it indoors in the winter.
- After the unit is conditioned in winter season, it is preferred to cover the unit with the special winter heat pump cover.
- Please keep the coils clean, by using “Foaming air conditioner coil cleaner”, available at hardware stores.
- Winterization: If the unit is not running during winter months, please disconnect power supply and pipes, and let out drain water from unit by tilting the heater on the pipes side by 45 degrees, or using a shop vac.
- Winterization: if you want to move the unit indoors, just disconnect everything and take it into your garage.

FIBROPOOL FH 270 Swimming Pool Heat Pump













