STIEBEL ELTRON DHB-E SLi Electronic Control Instantaneous Water Heater

Product Information
The product is a water heater that requires installation and registration. The user manual provides safety instructions and guidelines for installation, operation, maintenance, and troubleshooting. The product comes with a special spray regulator that provides optimal water flow.
Product Usage Instructions
Registration
Register the product for quick help in case of service needs. Simply scan the QR code or visit www.stiebel-eltron.com/registration.
Safety
Refer to the safety guidelines provided in the user manual. The manual includes safety symbols and hazard warnings. Follow all national and regional regulations and requirements.
Only a qualified contractor should carry out installation, commissioning, maintenance and repair of the appliance.
General safety instructions
We guarantee trouble-free function and operational reliability only if original accessories and spare parts intended for the appliance are used.
Material losses
Observe the max. permissible inlet temperature. Higher temperatures may damage the appliance. You can limit the inlet temperature by means of a central thermostatic valve (see chapter “Appliance description / Accessories”).
- WARNING Electrocution
This appliance contains capacitors which are discharged when disconnected from the power supply. The capacitor discharge voltage may briefly reach > 34 V DC.
Instructions, standards and regulations
Note
Observe all applicable national and regional regulations and instructions.
The specific electrical resistance of the water must not fall below that stated on the type plate. In a linked water network, factor in the lowest electrical resistance of the water (see chapter “Specification / Data table”). Your water supply utility will advise you of the specific electrical water resistance or conductivity.
Intended use
This appliance is intended for domestic use. It can be used safely by untrained persons. The appliance can also be used in a non-domestic environment, e.g. in a small business, as long as it is used in the same way. This appliance is suitable for heating domestic hot water or for reheating preheated water. The appliance is designed for one hand washbasin. Any other use beyond that described shall be deemed inappropriate. Observation of these instructions and of instructions for any accessories used is also part of the correct use of this appliance.
General safety instructions
- DANGER Scalding
The tap can reach temperatures of up to 55 °C. There is a risk of scalding at outlet temperatures in excess of 43 °C.
Appliance description
- WARNING Injury
The appliance may be used by children aged 3 and up and persons with reduced physical, sensory or mental capabilities or a lack of experience and know-how, provided that they are supervised or they have been instructed on how to use the appliance safely and have understood the resulting risks. Children must never play with the appliance. Children must never clean the appliance or perform user maintenance unless they are supervised. - DANGER Electrocution
Any damaged power cables must be replaced by a qual-ified electrician. This prevents potential hazards from arising. - Material losses
Protect the appliance and tap against frost. - Only use the special aerator provided. Prevent scale build-up at the tap outlets (see chapter “Cleaning, care and maintenance”).
Test symbols
See type plate on the appliance. certificate has been issued for these appliances, as verification of their suitability regarding noise emissions.
Installation
Use appropriate plumbing fittings and follow the installation instructions provided in the user manual. Ensure that the water supply network’s specific water resistance is not below the specified limit. Refer to the technical data table for more information.
Installation site
Install the appliance in a room free from the risk of frost and near the draw-off tap. Ensure that the lateral fixing screws for the cover are always
accessible. The appliance is suitable for under sink installation (water connections at the top) and over sink installation (water connections at the bottom).
- DANGER Electrocution
The adjusting screw for setting the flow rate is ‘live’, and the IP25 protection is only given when the appliance back panel is fitted. - Always fit the appliance back panel.
Installation options
Under sink installation
Non-pressurised, with non-pressurised tap
Pressure-tested, with pressure-tested tap
Appliance installation
Note
- Mount the appliance on the wall.
The wall must have a sufficient load-bearing capacity.
- Undo the cover fixing screws by two turns.
- Undo the snap fastener using a screwdriver.
- Remove the appliance cover with the heater towards the front.
- Using pliers, break out the knock-out for the power cable in the appliance cover. Correct the contours with a file if necessary.

- Use the appliance back panel as a drilling template.
- Secure the appliance back panel to the wall with suitable rawl plugs and screws.

- Route the power cable through the cable entry in the back panel.
- Hook in the appliance cover with the heater at the bottom.
- Click the heater into place using the snap fastener.
- Secure the appliance cover with the cover fixing screws.
Tap installation
- Install the tap. For this, also observe the tap operating and installation instructions.
Material losses
- When making the connections, counter the torque on the appliance using a size 14 spanner.
Pressure-tested tap
Note
- Fit the 3/8 connection hose provided and the 3/8 tee.
Oversink installation, non-pressurized, with non- pressurized tap
Tap installation
- Install the tap. For this, also observe the tap operating and installation instructions.
Material losses
- When making the connections, counter the torque on the appliance using a size 14 spanner; see chap-ter “Installation alternatives / Under sink installation”.
Appliance installation
- Fit the appliance to the tap with the water connections.
Connecting the power supply
- DANGER Electrocution
Carry out all electrical connection and installation work in accordance with regulations. - DANGER Electrocution
Ensure that the appliance is earthed.
Ensure the appliance can be separated from the power supply by an isolator that disconnects all poles with at least 3 mm contact separation. - DANGER Electrocution
The appliances are delivered with a power cable (DEM 3 with plug). Connection to a permanent power supply is possible, provided the fixed cable has a cross-section that is at least equal to that of the standard power cable of the appliance. A maximum cross-section of 3 x 6 mm² may be used. - If the appliance is installed over the sink, route the power cable behind the appliance.
- Material losses
When making the connection to a standard safety socket (in the case of a power cable with plug), ensure that the socket is freely accessible after the appliance has been installed. - Take note of the type plate. The specified voltage must match the mains voltage.
- Connect the power cable as shown in the wiring diagram (see chapter “Specification / Wiring diagram”).
Settings
Set the power-on level and volume flow limit as per the instructions provided in the Installation section of the user manual.
The appliance heating system switches on automatically as soon as you open the DHW valve at the tap or activate the sensor of a sensor tap. The water is heated. The water temperature can be adjusted at the tap:
For initial flow rate and flow rate limiting, see chapter “Specification”.
Increasing the temperature
- Reduce the flow rate at the tap.
Reducing the temperature
- Open the tap further or add more cold water.
Following an interruption of the water supply
See chapter “Commissioning / Recommissioning”.
Cleaning, Maintenance, and Troubleshooting
Clean and maintain the product regularly to ensure optimal performance. Refer to the Cleaning, Maintenance, and Troubleshooting sections of the user manual for more information. In case of any issues, follow the troubleshooting guidelines to identify and resolve the problem.
SPECIAL INFORMATION
- The appliance may be used by children aged 3 and up and persons with reduced physical, sensory or mental capabilities or a lack of experience and know-how, provided that they are supervised or they have been instructed on how to use the appliance safely and have under-stood the resulting risks. Children must never play with the appliance. Children must never clean the appliance or perform user maintenance unless they are supervised.
- The tap can reach temperatures of up to 55 °C. There is a risk of scalding at outlet temperatures in excess of 43 °C.
- Ensure the appliance can be separated from the power supply by an isolator that disconnects all poles with at least 3 mm contact separation.
- The specified voltage must match the mains voltage.
- Connect the appliance permanently to fixed wiring, exception DEM 3.
- In the case of damage, the power cable must only be replaced by a qualified contractor authorized by the manufacturer using the original spare part.
- Secure the appliance as described in chapter “Installation / Installation”.
- Observe the maximum permissible pressure
(see chapter “Specification / Data table”). - The specific water resistivity of the mains water supply must not be undershot (see chapter “Installation / Specification / Data table”).
- Drain the appliance as described in chapter “Installation / Maintenance / Draining the appliance”.
Note
Read these instructions carefully before using the appli-ance and retain them for future reference.
Pass on the instructions to a new user if required.
General information
Safety instructions
Structure of safety instructions
- KEYWORD Type of risk
Here, possible consequences are listed that may result from failure to observe the safety instructions. - Steps to prevent the risk are listed.
Symbols, type of risk
Keywords
Other symbols in this documentation
Note
Notes are bordered by horizontal lines above and below the text. General information is identified by the symbol shown on the left.
- Read these texts carefully.

- This symbol indicates that you have to do something. The ac- tion you need to take is described step by step.
Units of measurement
Note
Unless specified otherwise, all dimensions are given in mm.
Appliance description
The electronically controlled mini instantaneous water heater maintains a constant outlet temperature up to its output limit, irrespective of the inlet temperature. This appliance has been factory-set to the outlet temperature required for washing hands. Once this temperature has been reached, the PCB automatically reduces the output. The output is matched to the required temperature, this prevents the temperature being exceeded. The appliance heats the water directly at the draw-off point as soon as the tap is opened. The short pipe runs ensure that energy and water losses are minimal. The DHW output depends on the cold water temperature, the heating output and the flow rate. The bare wire heating system is suitable for hard and soft water areas. This heating system has a low susceptibility to scale build-up. The heating system ensures quick and efficient DHW provision at the hand washbasin. Your qualified contractor can adjust the maximum temperature and flow rate (see chapter “Commissioning / Settings”). Fitting the special aerator supplied provides an optimum water jet.
Standard delivery
The following are delivered with the appliance:
- Sieve inside the cold water inlet
- Special aerator
- Connection hose 3/8, 500 mm long, with gaskets
- Tee 3/8*
- Company logo for over sink installation
- for the connection as pressure-tested appliance
Accessories
Special aerator
Note
Fitting the special aerator supplied provides an optimum water jet.
Non-pressurized taps
- WSN 10 / WSN 20 – Sensor tap for washbasins
- MAW Wall mounted tap for over sink installation
- MAZ Twin lever basin tap
- MAE Mono lever basin tap
Pressure-tested tap
- WSH 10 / WSH 20 – Sensor tap for washbasins
ZTA 3/4 – central thermostatic valve
Thermostatic valve for central premixing, for example for operating an instantaneous water heater with a solar thermal system.
Cleaning, care and maintenance
- Never use abrasive or corrosive cleaning agents. A damp cloth is sufficient for cleaning the appliance.
- Check the taps/valves regularly. Limescale deposits at the spouts can be removed using commercially available descaling agents.
- Have the electrical safety of the appliance regularly checked by an electrician.
- Regularly descale or replace the special aerator (see chapter “Appliance description / Accessories”).
Troubleshooting
If you cannot remedy the fault, notify your qualified contractor. To facilitate and speed up your request, provide the serial number from the type plate (000000-0000-000000).
Preparations
- Flush the water line thoroughly.
Water installation
A safety valve is not required.
Taps
- Use suitable taps (see chapter “Appliance description / Accessories”).
Commissioning
Initial start-up

- Fill the appliance by running the tap several times until the pipework and appliance are free of air.
- Carry out a tightness check.
- Insert the power cable plug, if present, into the standard safety socket or set the fuse/MCB.
- Check the function of the appliance.
- In the case of over sink installation, affix the company logo supplied over the existing company logo.
Appliance handover
- Explain the appliance function to users and familiarize them with its operation.
- Make users aware of potential dangers, especially the risk of scalding.
- Hand over these instructions.
Recommissioning
- Material losses
Following an interruption of the water supply, recommission the appliance by carrying out the following steps, in order to prevent irreparable damage to the bare wire heating system. - Isolate the appliance from the power supply. Pull the power cable plug, if present, from the socket, or remove the fuse/reset the MCB.
- See chapter “Initial start-up”.
Settings
You can alter the maximum flow rate and temperature.
- DANGER Electrocution
The flow rate and temperature may only be adjusted if the appliance is isolated from the power supply. - Isolate all poles of the appliance from the power supply.
- DANGER Electrocution
The adjusting screw for changing the flow rate and the potentiometer for setting the temperature are live if the appliance has not been isolated from the power supply.
- Remove the appliance cover.
Setting the maximum temperature
Factory setting: 38 °C
- Using a screwdriver, set the potentiometer to the maximum required temperature.
- Fit the appliance cover.
Limiting the flow rate
Factory setting: Maximum flow rate
- Using the adjusting screw, set the maximum required flow rate:
- Lowest flow rate = wind the screw in as far as it will go. – Highest flow rate = wind the screw out as far as it will go.
- Fit the appliance cover.
Shutting down
- Isolate the appliance from the power supply by means of the fuse/MCB in your fuse box or by pulling the power cable plug from the socket.
- Drain the appliance (see chapter “Maintenance”).
Troubleshooting
LED indicators
- Illuminates red in the case of a fault
- Illuminates yellow during heating operation
- Flashes green if the PCB is receiving power
Activating the safety pressure limiter
- 1-pole safety pressure limiter DEM 4 / DEM 6
- 2-pole safety pressure limiter DEM 3 / DEM 7
Maintenance
- DANGER Electrocution
Before any work on the appliance, disconnect all poles from the power supply.
Draining the appliance
- DANGER Scalding
Hot water may escape during the draining process.
If the appliance needs to be drained for maintenance or to protect the whole installation when there is a risk of frost, proceed as follows:
- Close the shut-off valve in the cold water inlet line.
- Open the draw-off valve.
- Undo the water connections on the appliance.
Cleaning the strainer
You can clean the fitted strainer after removing the cold water supply pipe.
Tests in accordance with VDE 0701/0702
Earth conductor check
- Check the earth conductor (in Germany e.g. DGUV A3) on the earth conductor contact of the power cable and on the appli-ance connector.
Insulation resistance
Due to the electronic control of this appliance, an insulation resistance test to VDE 0701/0702 cannot be carried out.
- To check the effectiveness of the insulating properties of the appliance, we recommend conducting a differential cur-rent test of the earth conductor current / leakage current to VDE 0701/0702 (Fig. C.3b).
Appliance storage
- Store the dismantled appliance in a room free from the risk of frost, as water residues remaining inside the appliance can freeze and cause damage.
Replacing the power cable for the DEM 6
- If replacing the cable for the DEM 6, use a power cable with 4 mm² cross-section.
Specification
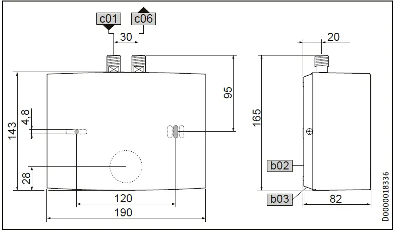
Dimensions and connections


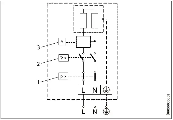
Wiring diagram
DEM 3
1/N/PE ~ 200-240 V
- Safety pressure limiter
- Pressure differential switch
- PCB with outlet temperature sensor
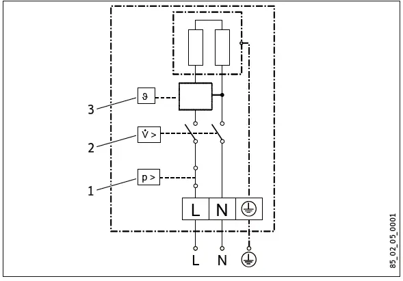
DEM 4 and DEM 6
1/N/PE ~ 200-240 V
- Safety pressure limiter
- Pressure differential switch
- PCB with outlet temperature sensor
Material losses
- In the case of a permanent power supply, connect the power cable according to the designations on the socket terminals.
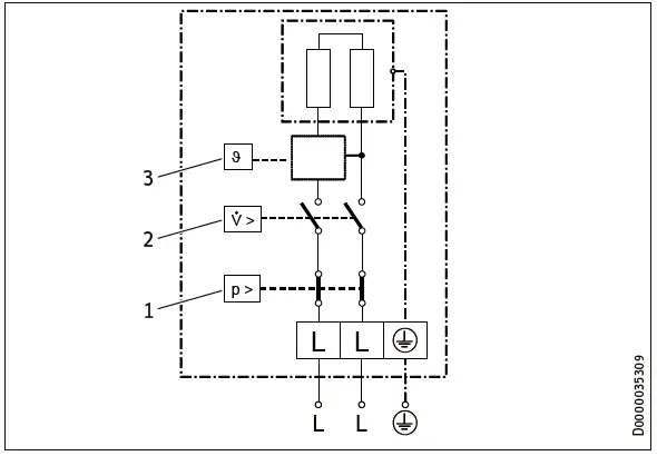
DEM 7
2/PE ~ 380-415 V
- Safety pressure limiter
- Pressure differential switch
- PCB with outlet temperature sensor
Increasing the temperature
At 230 V / 400 V, the following water temperature increases occur:
- X Flow rate in l/min
- Y Temperature increase in K
- 1 3.5 kW – 230 V
- 2 4.4 kW – 230 V
- 3 5.7 kW – 230 V
- 4 6.5 kW – 400 V

Application areas
For the specific electrical resistance and specific electrical conductivity, see “Data table”.
Energy consumption data
Product datasheet: Conventional water heaters to regulation (EU) no. 812/2013 and 814/2013 / (S.I. 2019 No. 539 / Schedule 2)
| DEM 3 | DEM 4 | DEM 6 | DEM 7 | |||
| 231001 | 231002 | 231215 | 232769 | |||
| Manufacturer | STIEBEL ELTRON | STIEBEL ELTRON | STIEBEL ELTRON | STIEBEL ELTRON | ||
| Load profile | XXS | XXS | XXS | XS | ||
| Energy efficiency class | A | A | A | A | ||
| Energy conversion efficiency | % | 39 | 39 | 39 | 40 | |
| Annual power consumption | kWh | 478 | 478 | 478 | 467 | |
| Default temperature setting | °C | 38 | 38 | 38 | 38 | |
| Sound power level | dB(A) | 15 | 15 | 15 | 15 | |
| Special information on measuring efficiency | None | None | None | None | ||
| Daily power consumption | kWh | 2.200 | 2.200 | 2.200 | 2.130 |
Data table
| Electrical details | |||||||||||||||
| Rated voltage | V | 200 | 220 | 230 | 240 | 200 | 220 | 230 | 240 | 200 | 220 | 230 | 240 | 380 | 400 |
| Rated output | kW | 2.7 | 3.2 | 3.53 | 3.8 | 3.3 | 4.0 | 4.4 | 4.8 | 4.3 | 5.2 | 5.7 | 6.2 | 5.9 | 6.5 |
| Rated current | A | 13.3 | 14.5 | 15.2 | 15.8 | 16.7 | 18.2 | 19.1 | 20.0 | 21.6 | 23.6 | 24.7 | 25.8 | 15.5 | 16.3 |
| MCB/fuse rating | A | 16 | 16 | 16 | 16 | 20 | 20 | 20 | 20 | 25 | 25 | 25 | 32 | 16 | 20 |
| Frequency | Hz | 50/60 | 50/60 | 50/60 | 50/60 | 50/60 | 50/60 | 50/60 | 50/60 | 50/60 | 50/60 | 50/60 | 50/60 | 50/- | 50/- |
| Phases | 1/N/PE | 1/N/PE | 1/N/PE | 2/PE | |||||||||||
| Specific resistance ρ15 ≥ (at ϑcold ≤25 °C) | Ω cm | 1000 | 1000 | 1000 | 1000 | ||||||||||
| Specific conductivity σ15 ≤ (at ϑcold ≤25 °C) | μS/cm | 1000 | 1000 | 1000 | 1000 | ||||||||||
| Specific resistance ρ15 ≥ (at ϑcold ≤50 °C) | Ω cm | 1300 | 1300 | 1300 | 1300 | ||||||||||
| DEM 3 | DEM 4 | DEM 6 | DEM 7 | |||||||
| Specific conductivity σ15 ≤ (at ϑcold ≤50 °C) | μS/cm | 770 | 770 | 770 | 770 | |||||
| Max. mains impedance at 50Hz | Ω | 0.091 0.083 | 0.079 | 0.076 | 0.072 0.065 0.063 | 0.06 | 0.056 | 0.051 0.049 | 0.047 | |
| Max. mains impedance at 380 V / 50Hz | Ω | 0.236 | ||||||||
| Max. mains impedance at 400V / 50Hz | Ω | 0.225 | ||||||||
| Connections | ||||||||||
| Water connection | G 3/8 A | G 3/8 A | G 3/8 A | G 3/8 A | ||||||
| Application limits | ||||||||||
| Max. permissible pressure | MPa | 1 | 1 | 1 | 1 | |||||
| Max. inlet temperature for reheating | °C | 50 | 50 | 50 | 50 | |||||
| Values | ||||||||||
| Max. permissible inlet temperature | °C | 55 | 55 | 55 | 55 | |||||
| Temperature setting range. DHW | °C | 30-50 | 30-50 | 30-50 | 30-50 | |||||
| ON | l/min | >1.5 | >1.8 | >2.2 | >2.2 | |||||
| Pressure drop at flow rate | MPa | 0.05 | 0.06 | 0.07 | 0.07 | |||||
| Flow rate for pressure drop | l/min | 1.5 | 1.8 | 2.2 | 2.2 | |||||
| Flow rate limit at | l/min | 2.0 | 2.2 | 3.2 | 3.2 | |||||
| DHW delivery | l/min | 2.0 | 2.5 | 3.2 | 3.7 | |||||
| Δϑ at DHW delivery | K | 25 | 25 | 25 | 25 | |||||
| Hydraulic data | ||||||||||
| Rated capacity | l | 0.1 | 0.1 | 0.1 | 0.1 | |||||
| Versions | ||||||||||
| Oversink installation | X | X | X | X | ||||||
| Undersink installation | X | X | X | X | ||||||
| Open vented type | X | X | X | X | ||||||
| Sealed unvented type | X | X | X | X | ||||||
| Protection class | 1 | 1 | 1 | 1 | ||||||
| Insulation block | Plastic | Plastic | Plastic | Plastic | ||||||
| Heating system heat generator | Bare wire | Bare wire | Bare wire | Bare wire | ||||||
| Cap and back panel | Plastic | Plastic | Plastic | Plastic | ||||||
| DEM 3 | DEM 4 | DEM 6 | DEM 7 | ||
| Colour | white | white | white | white | |
| IP-Rating | IP25 | IP25 | IP25 | IP25 | |
| Dimensions | |||||
| Height | mm | 143 | 143 | 143 | 143 |
| Width | mm | 190 | 190 | 190 | 190 |
| Depth | mm | 82 | 82 | 82 | 82 |
| Length of connecting cable | mm | 700 | 700 | 700 | 700 |
| Weights | |||||
| Weight | kg | 1.5 | 1.5 | 1.5 | 1.5 |
Guarantee
The guarantee conditions of our German companies do not apply to appliances acquired outside of Germany. In countries where our subsidiaries sell our products a guarantee can only be issued by those subsidiaries. Such guarantee is only grant-ed if the subsidiary has issued its own terms of guarantee. No other guarantee will be granted.
We shall not provide any guarantee for appliances acquired in countries where we have no subsidiary to sell our products. This will not affect warranties issued by any importers.
Environment and recycling
We would ask you to help protect the environment. After use, dispose of the various materials in accordance with national regulations.
Deutschland
STIEBEL ELTRON GmbH & Co. KG
Dr.-Stiebel-Straße 33 | 37603 Holzminden
Tel. 05531 702-0
Fax 05531 702-480
[email protected]
www.stiebel-eltron.de


























