STIEBEL ELTRON DHF 13 C Compact Instantaneous Water Heater

Product Information
The product is a DHF C water heater manufactured by Stiebel Eltron. The user manual provides information on the installation, operation, maintenance, and troubleshooting of the water heater. The water heater can be installed under a sink, and it is suitable for use with single-lever or double-handle faucets. The water heater has safety features such as the ability to shut off automatically in case of overheating or lack of water flow. The product comes with a warranty and customer service support.
Product Usage Instructions
- Installation: The installation section of the user manual provides detailed instructions for installing the water heater. It is recommended that a professional plumber installs the water heater.
- Operation: Before using the water heater, ensure that all safety precautions have been taken. The user manual provides information on safety symbols and warnings that users should be aware of. To operate the water heater, turn on the water supply and plug in the unit. The heater will automatically heat the water to the desired temperature. Users can adjust the temperature using the single-lever or double-handle faucet.
Product Maintenance
Regular maintenance is recommended to keep the water heater functioning properly. The user manual provides information on cleaning, care, and maintenance of the water heater. Users should also refer to the troubleshooting section of the manual for any issues that may arise.
Troubleshooting
- If the water heater is not functioning properly, refer to the troubleshooting section of the user manual. The manual provides information on common problems and their solutions.
SPECIAL INFORMATION
- The appliance may be used by children aged 3 and older and persons with reduced physical, sensory or mental capabilities or a lack of experience and know-how, provided that they are supervised or they have been instructed on how to use the appliance safely and have understood the potential risks. Children must never play with the appliance. Cleaning and user maintenance must not be carried out by children without supervision.
- During operation, the tap can reach temperatures in excess of 60 °C. There is a risk of scalding at outlet temperatures in excess of 43 °C.
- The appliance is not suitable for supplying a shower (shower operation).
- Ensure the appliance can be separated from the power supply by an isolator that disconnects all poles with at least 3 mm contact separation.
- The specified voltage must match the power supply.
- The appliance must be connected to the earth conductor.
- The appliance must be permanently connected to fixed wiring.
- Secure the appliance as described in chapter “Installation / Installation”.
- Observe the maximum permissible pressure (see chapter “Installation / Specification / Data table”).
- Drain the appliance as described in chapter “Installation / Maintenance / Draining the appliance”.
- This appliance is not approved for reheating preheated water.
OPERATION
General information
- The chapters “Special Information” and “Operation” are intended for appliance users and qualified contractors.
- The chapter “Installation” is intended for qualified contractors.
Note
- Read these instructions carefully before using the appliance and retain them for future reference.
- Pass on these instructions to a new user if required.
Safety instructions
Structure of safety instructions
KEYWORD Type of risk
- Here, possible consequences are listed that may result from failure to observe the safety instructions.
- Steps to prevent the risk are listed.
Symbols, type of risk
![]()
- Injury
- Electrocution
- Burns
- (burns, scalding)
Keywords
KEYWORD Meaning
- DANGER: Failure to observe this information will result in serious injury or death.
- WARNING: Failure to observe this information may result in serious injury or death.
- CAUTION: Failure to observe this information may result in non-serious or minor injury.
Other symbols in this documentation
Note
- General information is identified by the adjacent symbol.
- Read these texts carefully.
Symbol /Meaning
![]()
- Material losses
- (appliance damage, consequential losses and environmental pollution)
- Appliance disposal
This symbol indicates that you have to do something. The action you need to take is described step by step.
Units of measurement
Note: All measurements are given in mm unless stated otherwise.
Safety
Intended use
- This pressure appliance is designed to heat DHW. The appliance can supply one or more draw-off points.
- The appliance is intended for domestic use. It can be used safely by untrained persons. The appliance can also be used in non-domestic environments, e.g. in small businesses, as long as it is used in the same way.
- Any other use beyond that described shall be deemed inappropriate.
- Observation of these instructions and of the instructions for any accessories used is also part of the correct use of this appliance.
Note: This appliance is not approved for reheating preheated water.
General safety instructions
CAUTION: Burns
- During operation, the tap can reach temperatures in excess of 60 °C.
- There is a risk of scalding at outlet temperatures in excess of 43 °C.
WARNING: Injury
The appliance may be used by children over 3 years of age and persons with reduced physical, sensory or mental capabilities or a lack of experience and expertise, provided that they are supervised or they have been instructed on how to use the appliance safely and have understood the potential risks. Children must never play with the appliance. Cleaning and user maintenance must not be carried out by children without supervision.
Material losses
- The user should protect the appliance and its tap against frost.
Test mark
- See the type plate on the appliance.
Appliance description
- The hydraulically controlled instantaneous water heater heats the water as it flows through the appliance. When a tap is opened, the appliance starts heating automatically at the selected output as soon as the starting flow rate is exceeded (see chapter “Installation / Specification / Data table”). You can adjust the DHW amount and temperature at the tap by mixing in cold water.
- You can choose between 2 output stages. At stage 2, the hydraulic control system regulates the electrical output automatically in two output stages, subject to the flow rate.
- The flow meter compensates for pressure fluctuations. The flow meter ensures largely stable temperatures. The control unit limits the flow rate, thereby ensuring an adequate increase in the DHW temperature at all times.
Heating system
- The tubular heater heating system has a pressure-tested copper cylinder. The heating system is suitable for soft water areas (for application range, see chapter “Installation / Specification / Data table”).
Settings

- Partial output:
- This setting is suitable for hand washing at a basin, for example.
- At low flow rates, the appliance starts heating at half the selected output.
- Full output:
- This setting is suitable for showers and washing up, for example.
- At low flow rates, the appliance starts heating at half the selected output and at higher flow rates, the full selected output.
Click the output selector into the required position.
For starting flow rates, see chapter “Specification / Data table / ON”.
Recommended tap/valve settings
Note
- If the outlet temperature is not high enough when the draw-off valve is fully open at full output, then more water is flowing through the appliance than can be heated by the heating system (appliance is at its output limit).
- Reduce the water volume at the draw-off valve.
- Low draw-off rate = high outlet temperature
- High draw-off rate = low outlet temperature
Twin lever tap
Output stage /Application range
- Partial output: Washbasin
- Full output: Bath, sink
Add cold water if the temperature is too high when the tap is fully open.
Mono lever tap
Output stage /Application range
- Full output: All
- Turn the tap lever to the highest temperature.
- Fully open the tap.
- Increase the outlet temperature by closing the tap slowly.
- Reduce the outlet temperature by adding cold water or opening the tap further, if possible.
Recommended setting for operation with a thermostatic valve
- Set the output selector to full output.
- Following an interruption of the water supply
Material losses
To ensure that the tubular heater heating system is not damaged following an interruption to the water supply, the appliance must be recommissioned by taking the following steps.
- Disconnect the appliance from the power supply by removing the fuses/tripping the MCBs.
- Open the tap for one minute until the appliance and its upstream cold water supply line are free of air.
- Switch on the power supply again.
Cleaning, care and maintenance
- Never use abrasive or corrosive cleaning agents. A damp cloth is sufficient for cleaning the unit.
- Check the taps regularly. Limescale deposits at the tap outlets can be removed using commercially available descaling agents.
Troubleshooting

- If you cannot remedy the fault, contact your qualified contractor. To facilitate and speed up your enquiry, please provide the serial number from the type plate (000000-0000-00000).

INSTALLATION
Safety
- Only a qualified contractor should carry out the installation, commissioning, maintenance and repair of the appliance.
General safety instructions
- We guarantee trouble-free function and operational reliability only if original accessories and spare parts intended for the appliance are used.
Material losses
- Observe the maximum inlet temperature. Higher temperatures may damage the appliance.
- You can limit the maximum inlet temperature by installing a central thermostatic valve.
Instructions, standards and regulations
Note
- Observe all applicable national and regional regulations and instructions.
- Protection rating IP 24 (splashproof) can only be guaranteed with a correctly fitted cable grommet.
Appliance description
Standard delivery
The following are delivered with the appliance:
- Wall mounting bracket
- Installation template (in the centre section of these instructions)
- 2 twin nipples
- 3-way ball shut-off valve for cold water
- Tee for domestic hot water
- Flat gaskets
- Strainer
- Plastic profile washer
- 2 cover guides (for surface-mounted installation)
Accessories
Taps
- MEKD mono lever kitchen pressure tap
- MEBD mono lever bath pressure tap
- WSH 10 / WSH 20 washbasin sensor tap
Water plugs G ½ A
- If you use surface-mounted pressure taps other than those recommended in the accessories, please use the water plugs.
Installation set, surface-mounted
- Solder fitting – copper pipe for a Ø 12 mm solder connection
- Press fitting – copper pipe
Load shedding relay (LR 1-A)
- The load shedding relay for installation in the distribution board provides priority control for the instantaneous water heater when other appliances, such as electric storage heaters, are being operated simultaneously.
Preparation
Installation site
Material losses
- Install the appliance in a room free from the risk of frost.
- Always install the appliance vertically and near the draw-off point.
- The appliance is suitable for undersink and oversink installation.
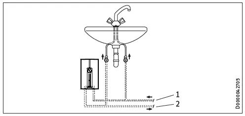
Undersink installation

- Cold water inlet
- DHW outlet
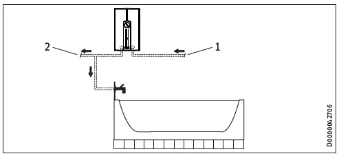
Oversink installation

- Cold water inlet
- DHW outlet
Note: Mount the appliance on the wall. The wall must have sufficient load-bearing capacity.
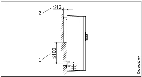
Minimum clearances

- Maintain the minimum clearances to ensure trouble-free operation of the appliance and facilitate maintenance work.
Water installation
- Never operate with preheated water.
- Flush the water line thoroughly.
Flow rate
- Ensure that the flow rate required to switch on the appliance is achieved (see chapter “Installation / Specification / Data table / ON”).
- If the required flow rate is not achieved when the draw-off valve is fully opened, increase the water line pressure.
Taps
- Use appropriate pressure taps. Open vented taps are not permissible.
- Thermostatic pressure valves must be suitable for hydraulically controlled instantaneous water heaters.
Note
- Never use the 3-way ball shut-off valve in the cold water inlet to reduce the flow rate. The 3-way ball shut-off valve is intended only to shut off the cold water inlet.
Permissible water line materials
- Cold water supply line: Pipes made from galvanised steel, stainless steel, copper or plastic
Material losses
- If you use plastic pipework in the cold water supply line, you must observe the following condition:
- Install a metal pipe approx. 1 m in length at the appliance cold water connection. Then you can install the plastic pipework.
- DHW outlet line: Stainless steel pipe or copper pipe
Material losses
- The instantaneous water heater is unsuitable for installation with plastic pipework in the DHW outlet line.
Flexible water connection lines
Note: If installing the appliance with flexible pipe connections, you must secure the back panel with an additional screw.
Installation
Standard installation
- Electrical connection from below, flush-mounted
- Water connection, flush-mounted
For further installation options, see chapter “Installation / Installation / Installation alternatives”:
- Electrical connection, surface-mounted
- Connecting a load shedding relay
- Water installation, surface-mounted
Opening the appliance

- Turn the cap anti-clockwise. Remove by pulling it forward.
- Undo the screw.
- Pivot open the appliance cover.
Preparing the power cable

Installing the twin nipples
Material losses

- Carry out all water connection and installation work in accordance with regulations.
- Seal and insert the twin nipples.
Making the water connection

- DHW with tee
- Gasket
- Cold water with 3-way ball shut-off valve
- Strainer
- Plastic profile washer
- Secure the tee and 3-way ball shut-off valve, each with a flat gasket, to the twin nipple.
- Fit the supplied strainer and the plastic profile washer in the 3-way ball shut-off valve.
Material losses
- The strainer must be fitted for the appliance to function.
- When replacing an appliance, check whether the strainer is installed.
Fitting wall mounting bracket and appliance

- Wall mounting bracket
- Threaded stud
- Threaded bush
- Remove the wall mounting bracket.
- Mark out the drill holes with the installation template (in the centre section of these instructions). If the appliance is to be installed with surface-mounted water connections, also mark out a fixing hole in the lower part of the template.
- Drill the holes and secure the wall mounting bracket with 2 screws and 2 rawl plugs. The screws and rawl plugs are not part of the standard delivery.
- Fit the wall mounting bracket.
- Mount the appliance on the threaded stud.
- Push the back panel firmly against the wall. Secure the back panel using the threaded bush. You can compensate for a tile offset with the nut on the threaded stud.
Installation with offset tiles

- The minimum contact area of the appliance
- Maximum tile offset
- Adjust the wall clearance with the nut on the threaded stud.
- Push the back panel firmly against the wall. Secure the back panel using the threaded stud.
Fitting the cable grommet

- Cable grommet
- Fit the cable grommet.

- Remove the transport protection plugs from the appliance pipe connections.
- Fit the pipe connections with flat gaskets onto the water connections.
Making the electrical connection
WARNING: Electrocution
- Carry out all electrical connection and installation work in accordance with relevant regulations.
WARNING: Electrocution
- Connection to the power supply is only permissible in the form of a permanent connection in conjunction with the cable grommet. Ensure the appliance can be separated from the power supply by an isolator that disconnects all poles with at least 3 mm contact separation.
WARNING: Electrocution
- Ensure that the appliance is connected to the earth conductor.
Material losses
- Observe the type plate. The specified rated voltage must match the power supply.
- Connect the power cable to the mains terminal (see chapter “Installation / Specification / Wiring diagram”).
Installation alternatives
Electrical connection, surface-mounted
Material losses
- If you break open the wrong knock-out in the appliance cover by mistake, you must use a new appliance cover.
- Cleanly cut or break out the required cable entry in the appliance cover (for positions, see chapter “Installation / Specification / Dimensions and connections”). If necessary, use a file.
- Route the power cable through the cable grommet. Connect the power cable to the mains terminal.
Connecting a load shedding relay
- Install a load shedding relay in the distribution board in conjunction with other electric appliances, e.g. electric storage heaters.
- The relay responds when the instantaneous water heater starts.
Material losses
- Connect the phase that switches the load shedding relay to the indicated terminal of the mains terminal in the appliance (see chapter “Installation / Specification / Wiring diagram”).
Water installation, surface-mounted

- To seal the flush-mounted connection, fit the water plugs with gaskets.
- Fit a suitable pressure tap.

- Openings
- Cover guides
- Lower fixing screw
Material losses
- If you cut open the wrong knock-out in the appliance cover by mistake, you must use a new appliance cover.
- Secure the back panel with an additional screw at the bottom.
- Secure the connection pipes to the tee and the 3-way ball shut-off valve.
- Cleanly break out the knock-outs in the appliance cover. If necessary, use a file.
- Click the cover guides into place in the openings.
Completing the installation
- Open the 3-way ball shut-off valve and (if installed) any shutoff valves in the cold water supply line.
Commissioning
WARNING: Electrocution
- Commissioning must only be carried out by a qualified contractor in accordance with safety regulations.
Initial start-up

- Open and close all connected draw-off valves several times, until all air has been purged from the pipework and the appliance.
- Carry out a tightness check.
- Fit the appliance cover. Check that the appliance cover is seated correctly.
- Secure the appliance cover with a screw.
- Insert the cap. Turn it clockwise as far as it will go.
- Latch the output selector into place. To do this, turn it fully anti-clockwise and clockwise.
- Switch on the power supply.
- Check the appliance function.
- Remove the protective foil from the control fascia.
Appliance handover
- Explain the functions of the appliance to the user. Show the user how to operate the appliance.
- Make users aware of potential dangers, especially the risk of scalding.
- Hand over these instructions.
Recommissioning
Material losses
To ensure that the tubular heater heating system is not damaged following an interruption to the water supply, the appliance must be recommissioned by taking the following steps.
- Disconnect the appliance from the power supply by removing the fuses/tripping the MCBs.
- Open the tap for one minute until the appliance and its upstream cold water supply line are free of air.
- Switch on the power supply again.
Shutting down the system
- Isolate all poles of the appliance from the power supply.
- Drain the appliance (see chapter “Installation / Maintenance”).
Troubleshooting

Maintenance
WARNING: Electrocution
- Before any work on the appliance, disconnect all poles from the power supply.
Draining the appliance
- You can drain the appliance for maintenance work or to protect it from frost.
WARNING: Burns
- Hot water may escape when draining the appliance.
- Close the 3-way ball shut-off valve or the shut-off valve in the cold water supply line.
- Open all draw-off valves.
- Undo the water connections on the appliance.
- Store the dismantled appliance free from the risk of frost, as water residues remaining inside the appliance can freeze and cause damage.
Cleaning the strainer

A strainer is fitted in the 3-way ball shut-off valve. In case of contamination, you can remove this strainer and clean it.
- Close the 3-way ball shut-off valve or the shut-off valve in the cold water supply line.
- Remove the plastic profile washer and the strainer and clean the components.
- Fit the strainer and the plastic profile washer.
Specification
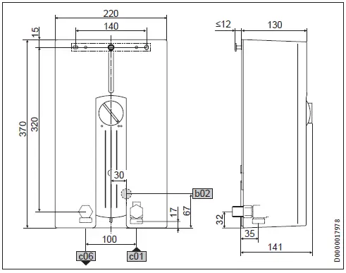
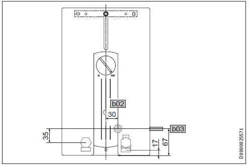
Dimensions and connections


Alternative connection options


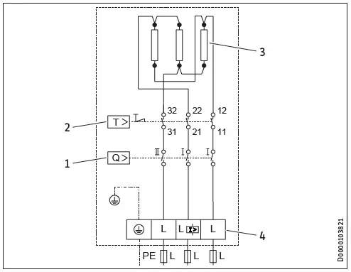
Wiring diagram
- 3/PE ~ 400 V

- Differential pressure switch (MRC control valve)
- Stage I for low flow rate
- Stage II for high flow rate
- High limit safety cut-out
- Tubular heater heating system
- Mains terminal
Priority control with LR 1-A

- Control cable to the contactor of the second appliance (e.g. electric storage heaters).
- Control contact drops out when switching the instantaneous water heater on.
DHW output
The DHW output is subject to the mains power supply, the appliance connected load and the cold water inlet temperature. The rated voltage and rated output can be found on the type plate (see chapter “Installation / Troubleshooting”).

Pressure drop
Taps

Sizing the pipework
- When calculating the size of the pipework, an appliance pressure drop of 0.1 MPa is recommended.
Energy consumption data
Product datasheet: Conventional water heaters to regulation (EU) no. 812/2013 and 814/2013 / (S.I. 2019 No. 539 / Schedule 2)
| DHF 13 C | DHF 15 C | DHF 18 C | DHF 21 C | ||
| 074301 | 074302 | 074303 | 074304 | ||
| Manufacturer | STIEBEL ELTRON | STIEBEL ELTRON | STIEBEL ELTRON | STIEBEL ELTRON | |
| Load profile | XS | S | S | S | |
| Energy efficiency class | B | B | B | B | |
| Energy conversion efficiency | % | 38 | 36 | 36 | 36 |
| Annual power consumption | kWh | 489 | 525 | 525 | 517 |
| Sound power level | dB(A) | 15 | 15 | 15 | 15 |
| Special information on measuring efficiency | None | None | None | None | |
| Daily power consumption | kWh | 2.265 | 2.478 | 2.478 | 2.428 |
Data table
| DHF 13 C | DHF 15 C | DHF 18 C | DHF 21 C | ||
| 074301 | 074302 | 074303 | 074304 | ||
| Electrical data | |||||
| Rated voltage | V | 400 | 400 | 400 | 400 |
| Rated output stage I max. | kW | 6.6 | 7.5 | 9 | 10.3 |
| Rated output stage II min. | kW | 6.6 | 7.5 | 9 | 10.3 |
| Rated output stage II max. | kW | 13.2 | 15 | 18 | 20.5 |
| Rated current | A | 20 | 22 | 26 | 29.6 |
| Fuse protection | A | 20 | 25 | 32 | 32 |
| Phases | 3/PE | 3/PE | 3/PE | 3/PE | |
| Frequency | Hz | 50 | 50 | 50 | 50 |
| Connections | |||||
| Water connection | G 1/2 A | G 1/2 A | G 1/2 A | G 1/2 A | |
| Application limits | |||||
| Max. permissible pressure | MPa | 1 | 1 | 1 | 1 |
| Total hardness | mmol/l | 2.5 | 2.5 | 2.5 | 2.5 |
| Carbonate hardness | °dH | 14 | 14 | 14 | 14 |
| Hardness range | 2 (moderately hard) | 2 (moderately hard) | 2 (moderately hard) | 2 (moderately hard) | |
| Values | |||||
| Max. permissible inlet temperature | °C | 20 | 20 | 20 | 20 |
| ON 1st stage | l/min | >2.5 | >3.0 | >3.9 | >4.4 |
| ON 2nd stage | l/min | >3.7 | >4.5 | >5.9 | >6.4 |
| Pressure drop at flow rate | MPa | 0.05 | 0.055 | 0.06 | 0.06 |
| Flow rate for pressure drop | l/min | 3.7 | 4.5 | 5.9 | 6.4 |
| DHW delivery | l/min | 6.7 | 7.4 | 9.2 | 10.7 |
| Δϑ on delivery | K | 28 | 28 | 28 | 28 |
| Hydraulic data | |||||
| Nominal capacity | l | 0.6 | 0.6 | 0.6 | 0.6 |
| Versions | |||||
| Protection class | 1 | 1 | 1 | 1 | |
| Pressure vessel material | Copper | Copper | Copper | Copper | |
| Heating system, heat generator | Tubular heater | Tubular heater | Tubular heater | Tubular heater | |
| Cover and back panel | Plastic | Plastic | Plastic | Plastic | |
| Colour | white | white | white | white | |
| IP rating | IP 24 | IP 24 | IP 24 | IP 24 | |
| Energy data | |||||
| Energy efficiency class | B | B | B | B | |
| Dimensions | |||||
| Height | mm | 370 | 370 | 370 | 370 |
| Width | mm | 220 | 220 | 220 | 220 |
| Depth | mm | 130 | 130 | 130 | 130 |
| Weights | |||||
| Weight | kg | 4.10 | 4.10 | 4.10 | 4.10 |
Note: The appliance conforms to IEC 61000-3-12.
Guarantee
- The guarantee conditions of our German companies do not apply to appliances acquired outside of Germany. In countries where our subsidiaries sell our products a guarantee can only be issued by those subsidiaries.
- Such guarantee is only granted if the subsidiary has issued its own terms of guarantee. No other guarantee will be granted.
- We shall not provide any guarantee for appliances acquired in countries where we have no subsidiary to sell our products.
- This will not affect warranties issued by any importers.
Environment and recycling
We would ask you to help protect the environment. After use, dispose of the various materials in accordance with national regulations.
Contacts
Deutschland
- STIEBEL ELTRON GmbH & Co. KG
- Dr.-Stiebel-Straße 33 | 37603 Holzminden
- Tel. 05531 702-0 | Fax 05531 702-480
- [email protected]
- www.stiebel-eltron.de
Australia
- STIEBEL ELTRON Australia P ty. L td.
- 294 Salmon Street | Port Melbourne VIC 3207
- Tel: 03 9645-1833
- Fax: 03 9644-5091
- [email protected]
- www.stiebel-eltron.com.au
Belgium
- STIEBEL ELTRON bvba/sprl ‘t Hofveld 6 – D 1 | 1702 Groot-Bijgaarden
- Tel: 02 42322-22
- Fax: 02 42322-12
- [email protected]
- www.stiebel-eltron.be
China
- STIEBEL ELTRON (Tianjin) Electric Appliance Co., L td.
- Plant C3, XEDA International Industry City Xiqing Economic Development Area 300385 Tianjin
- Tel: 022 8396 2077
- Fax: 022 8396 2075
- [email protected]
- www.stiebeleltron.cn
New Zealand
- Stiebel Eltron NZ Limited
- 61 Barrys Point Road | Auckland 0622
- Tel: +64 9486 2221
- [email protected]
- www.stiebel-eltron.co.nz
Poland
- STIEBEL ELTRON Polska Sp. z O .O.
- ul. Działkowa 2 | 0 2-234 Warszawa
- Tel: 022 60920-30
- Fax: 022 60920-29
- [email protected]
- www.stiebel-eltron.pl
South Africa
- STIEBEL ELTRON Southern Africa (PTY) L td
- 30 Archimedes Road
- Wendywood Johannesburg, 2090
- Tel: +27 10 0 01 85 47
- [email protected]
- www.stiebel-eltron.co.za
Switzerland
- STIEBEL ELTRON AG
- Industrie West
- Gass 8 | 5 242 Lupfig
- Tel: 056 4640-500
- Fax: 056 4640-501
- [email protected]
- www.stiebel-eltron.ch
Thailand
- STIEBEL ELTRON Asia Ltd.
- 469 Moo 2 Tambol K long-Jik
- Amphur Bangpa-In | 1 3160 Ayutthaya
- Tel: 035 220088
- Fax: 035 221188
- [email protected]
- www.stiebeleltronasia.com
United Kingdom and Ireland
- STIEBEL ELTRON UK Ltd.
- Unit 12 Stadium Court
- Stadium Road | CH62 3RP Bromborough
- Tel: 0151 346-2300
- Fax: 0151 334-2913
- [email protected]
- www.stiebel-eltron.co.uk
United States of America
- STIEBEL ELTRON, Inc.
- 17 West Street | 01088 West Hatfield MA
- Tel: 0413 247-3380
- Fax: 0413 247-3369
- [email protected]
- www.stiebel-eltron-usa.com
Subject to errors and technical changes!




















