SPECK pumps Badu Stream II Counter Swimming Unit

Important Safety Instructions
READ THIS MANUAL CAREFULLY BEFORE USING THIS PRODUCT READ AND FOLLOW ALL INSTRUCTIONS!
Important Notice:
This manual contains important information about the installation, operation and safe use of this product. This information should be given to the owner and/or operator of this equipment.
WARNING: Before Installing this product, read and follow all warning notices and instructions which are included. Failure to follow safety warnings and instructions can result in severe injury, death, or property damage. Call 1-800-223-8538 or visit www.usa.speck-pumps.com for additional copies of these instructions. When installing and using this electrical equipment, basic safety precautions should always be followed, including the following:
- READ AND FOLLOW ALL INSTRUCTIONS
- WARNING: To reduce the risk of injury, do not permit children to use this product unless they are closely supervised at all times.
- WARNING: All work must be preformed by a licensed electrician and must conform to all national, state, and local codes.
- WARNING: TO REDUCE THE RISK OF ELECTRICAL SHOCK, connect all ground wires to the grounding terminal located in the control box. Use no smaller than a No. 12 AWG (3.3mm2) wire.
- WARNING: TO REDUCE THE RISK OF ELECTRICAL SHOCK, a bonding connector is provided on the motor for bonding to local ground points such as water pipes, metal ladders, metal handrails, or other metal within 5 feet of the pool. All local ground points should be bonded with a No. 8 AWG (8.4mm2) wire. Never use gas piping as an electrical ground.
- DO NOT store or use gasoline or other flammable vapors or liquids in the vicinity of this equipment. DO NOT store pool chemicals near the equipment.
- DO NOT remove any safety alert labels such as DANGER, WARNING, or CAUTION. Keep safety alert labels in good condition and replace missing or damaged labels.
- WARNING: Stay alert, watch what you are doing and use common sense. DO NOT use unit if you are tired and/or exhausted. DO NOT use unit while under the influence of drugs, alcohol, or any medications.
- Consult your physician before exercising with the BaduStream or using the massage hose.
- DO NOT use or operate the BaduStream if the anti-entrapment cover is missing, broken or loose.
- Keep and read all equipment manuals. Adhere to all of their instructions. Refer to them frequently and use them to instruct third party users.
DANGER: DO NOT BLOCK SUCTION
SUCTION HAZARD. Can cause serious injury or death. Do not use this pump for wading pools, shallow pools, or spas containing bottom drains, unless pump is connected to at least two (2) functioning suction outlets.
WARNING: Pump suction is hazardous and can trap and drown or disembowel bathers. Do not use or operate swimming pools, spas, or hot tubs if a suction outlet cover is missing, broken, or loose.
The following guidelines provide information for pump installation that minimizes risk of injury to users of pools, spas, and hot tubs:
Entrapment Protection: The pump suction system must provide protection against the hazards of suction entrapment.
Suction Outlet Covers: All suction outlets must have correctly installed, screw-fastened covers in place. All suction outlet (drain) covers must be maintained. Drain covers must be listed/certified to the latest published edition of ANSI/ASME A112.19.8 (ANSI/APSP-16, 2011). They must be replaced if cracked, broken, or missing.
Number of Suction Outlets Per Pump: Provide at least two (2) hydraulically-balanced main drains, with covers, as suction for each circulating pump suction line. The centers of the main drains (suction outlets) on any one (1) suction line must be at least three (3) feet apart, center to center.
The system must be built to include at least two (2) suction outlets (drains) connected to the pump whenever the pump is running. However, if two (2) main drains run into a single suction line, the single suction line may be equipped with a valve that will shut off both main drains from the pump. The system shall be constructed such that it shall not allow for separate or independent shutoff or isolation of each drain. More than one (1) pump can be connected to a single suction line as long as the requirements above are met.
Water Velocity: The maximum water velocity through the suction fitting or cover for any suction outlet must be 1.5 feet per second, unless the outlet complies with the latest published edition of ANSI/ASME A112.19.8 (ANSI/APSP-16, 2011), the standard for Suction Fittings For Use in Swimming and Wading Pools, Spas, Hot Tubs, and Whirlpool Bathtub Applications. In any case, do not exceed the suction fitting’s maximum designed flow rate.
If 100% of the pump’s flow comes from the main drain system, the maximum water velocity in the pump suction hydraulic system must be six (6) feet per second or less, even if one (1) main drain (suction outlet) is completely blocked. The flow through the remaining main drain(s) must comply with the latest published edition of ANSI/ASME A112.19.8 (ANSI/APSP-16, 2011), the standard for Suction Fittings For Use in Swimming and Wading Pools, Spas, Hot Tubs, and Whirlpool Bathtub Applications.
Testing and Certification: Suction outlet covers must have been tested by a nationally recognized testing laboratory and found to comply with the latest published edition of ANSI/ASME A112.19.8 (ANSI/APSP-16, 2011), the standard for Suction Fittings For Use in Swimming and Wading Pools, Spas, Hot Tubs, and Whirlpool Bathtub Applications.
Fittings: Fittings restrict flow; for best efficiency use fewest possible fittings (but at least two (2) suction outlets). Avoid fittings that could cause an air trap. Pool cleaner suction fittings must conform to applicable International Association of Plumbing and Mechanical Officials (IAPMO) standards.
VGB Compliance
The Virginia Graham Baker Pool Safety Act promotes the safe use of pools, spas, and hot tubs by imposing mandatory federal requirements for suction entrapments avoidance. The Act, which is being administered by the U.S. Consumer Product Safety Commission (CPSC) and became effective December 19, 2008, is an extension of the ASME standard which regulates Safety Drain Covers, Public Pool Drain Systems, and SwimJet Combination Fittings. The VGB Pool Safety Act compliance relies on the ANSI/ASME A112.19.8 (ANSI/APSP-16, 2011) code for proper testing and certification of the fittings. The only addition is the requirement to exhibit VGB nomenclature on the actual fitting. The Speck SwimJet Combination Fittings are certified by MET, a Nationally Recognized Testing Laboratory (NRTL) to the ANSI/ASME A112.19.8 (ANSI/APSP-16, 2011) Standard, bearing the VGB nomenclature and are compliant with the VGB Pool Safety Act. As a condition of the listing, all Speck Badu SwimJet Systems comply with the ANSI/APSP-7 Standard for Suction and Entrapment Avoidance. This standard is designed to avoid all five suction entrapment hazards: hair entrapment, limb entrapment, body suction, evisceration/disembowelment, and mechanical entrapment. All Speck Badu SwimJet Systems are certified by MET to the ANSI/ASME A112.19.8 (ANSI/APSP-16, 2011) Standard and are defined in the standard paragraph 1.1.6:1.1.6.4 Swim Jet Combination Fittings. All swim jet combination fittings that combine suction and discharge into one housing, creating a high velocity, high volume stream of water to swim, jog, or walk against, as well as massage, shall be considered “Swim Jet Combination Fittings”.
NOTE: There are four types of Suction Fittings that are defined in the ANSI/ASME A112.19.8 (ANSI/APSP-16, 2011) Standard for Suction Fittings for use in Swimming Pools, Wading Pools, Spas, and Hot Tubs. They are: Field Fabricated Outlets, Venturi Outlets, Swim Jet Combination Fittings and Submerged Suction Outlets.
WARNING – Risk of Electrical Shock or Electrocution
This pool pump must be installed by a licensed or certified electrician or a qualified pool serviceman in accordance with the National Electrical Code and all applicable local codes and ordinances. Improper installation will create an electric hazard which could result in death or serious injury to pool users, installers, or others due to electrical shock, and may also cause damage to property.
Always disconnect power to the pool pump at the circuit breaker before servicing the pump. Failure to do so could result in death or serious injury to serviceman, pool users, or others due to electric shock.
General Description
Badu®Stream II
The Badu SwimJet Systems from Speck Pumps are designed to be installed during the construction of your pool to create a water treadmill for anyone wanting a therapeutic and effective exercise.
The Badu SwimJet Systems can be installed in any type pool, large or small, from gunite to vinyl liner. It has no protruding parts ensuring pool user’s safety, is very compact and installs at minimal cost. The self-contained, flush-mounted unit is a jet-propulsion system that pumps water into the pool creating a current in excess of 5,700 gallons per minute from a single recessed jet housing.
Topping off the experience is the pulsating massage hose which can be attached to the jet nozzles for easy and convenient massage treatments for joints and muscles. (NOTE: The massage hose is sold separately.)
Installation Information
Preparation Guide
- Upon receipt of the swimjet system, check the cartons for damage. Open the carton and check the pump (F), jet housing (A), and control box (E) for concealed damage, such as cracks, dents, or a bent base. If damage is found, contact the shipper or distributor where the swimjet was purchased.
- Inspect the contents of the carton and verify that all parts are included. All parts are manufactured of corrosion-resistant material and combined in one single housing (two or three single housings for multi jet systems) which can be installed in pools of any size and shape. (See Figure 1)

- A. Flush mounted Jet Housing
- B. Square, Anti-Entrapment Cover (81/4” x 81/4”) undetectable pump suction. (Optional Round Cover)
- C. Adjustable Water Flow Jet Nozzle
- D. Air Regulator adjusts amount of air bubbles in water flow.
- E. Control Box with GFCI pneumatic button and tubing.
- F. Speck 4 HP or 3.5 HP self-priming, plastic pump, single phase with thermal overload (no motor starter required). Optional three phase motor and control box available. (NOTE: Normal priming pump available for installation below water level.)
- G. Optional Massage Hose with pulsator may be attached to jet nozzle.
Planning
The BaduStream is normally incorporated into the original pool design. However, it can be added to any pool at a later date. The BaduStream has no protruding parts, ensuring the pool user’s safety. It is very compact and installs at minimal cost. The BaduStream can be installed in any size pool. We suggest a minimum pool size of 7 ft. wide, 14 ft. long and 31/2 ft. deep in order to swim. Most swimmers prefer 16 ft. in length or longer. The extra length allows the swimmer to comfortably drift back and swim up stream. The BaduStream is complete with jet housing, 4 HP or 3.5 HP pump, control box, and optional massage hose. The only additional requirement is the plumbing. (4” pipe for 4 HP and 3” pipe for 3.5 HP units.) Consult local codes for minimum distance between pump and pool. Locate pump as close to the BaduStream as practical. Use at least 4” pipe when distance between jet housing and pump is 30 ft. or less and 6” for pipe runs longer than 30 ft. The 4 HP, self-priming, plastic pump has a single phase motor with thermal overload (no motor starter required). The 4 HP single phase motor draws a maximum of 19.4 amps @ 230V. The unit requires a minimum circuit of 30 amps. Install a 40 amp breaker to avoid nuisance tripping when pump is turned on and off frequently. The starting current of the 4 HP motor can reach up to 6 times the running currents. (Three phase motor draws a maximum of 12.8 amps @ 230V and 6.4 amps @ 460V.) The 3.5 HP single phase motor draws 13.6 amps @ 230V.

Plumbing
The BaduSteam assembly package contains all necessary parts for the installation of the unit into concrete, gunite, liner or fiberglass pools.
| PLUMBING REQUIREMENTS | |||||
| BADUSTREAM II | Pump | Distance | Pipe Size | Approx. flow | Pressure |
| Three Jets | (2) 4 HP | 10 to 30 ft. | 4” | 700 GPM | 16 PSI |
| up to 50 ft.* | 6” | 700 GPM | 16 PSI | ||
| Two Jets | 4 HP | 10 to 30 ft. | 4” | 380 GPM | 14 PSI |
| up to 50 ft.* | 6” | 400 GPM | 14 PSI | ||
| One Jet | 4 HP | 10 to 30 ft. | 4” | 270 GPM | 18 PSI |
| up to 50 ft.* | 4” | 260 GPM | 18 PSI | ||
| One Jet | 3 HP | 10 to 30 ft. | 3” | 200 GPM | 12 PSI |
| up to 50 ft.* | 4” | 200 GPM | 12 PSI | ||
- CAUTION: All necessary screws and bolts included with the BaduStream are stainless steel. ALL screw threads and threaded inserts are METRIC! ONLY METRIC bolts and nuts may be used! The two exceptions are the intake and delivery connections on the BaduStream and pump housing and the hardware for the air regulator assembly. The intake and delivery connections on the pump model 21-80 are 4” Slip (3” Slip on pumps Model 72). The air regulator assembly hardware is US standard thread.
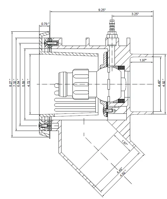
- CAUTION: The center of the housing (the nozzle) should be 10” BELOW water level for maximum efficiency. The air regulator should be approximately 4” (or minimum 2”) ABOVE the water level. (See Figure 3)
- CAUTION: When connecting the pressure line into the pressure connection on top of the 4 HP pump Model 21-80, first install a 6” (15 cm) riser (See Figure 3) before installing an elbow and leading the pressure line downward to the pressure connection at the jet housing. This will guarantee trouble-free priming of the pump.(Not required for the 3.5 HP Model 72)
- CAUTION: When using 6” pipe the suction line should run to a point directly under the pump and up to the water line in 6” and finish vertical and elbow into the pump in 4” to minimize priming time. (See Figure 3)
- CAUTION: In areas with soft soil conditions or with frequent earth movement, a flexible section of hose should be attached to the back of the jet housing to prevent housing breakage.
- CAUTION: Throughout the entire installation, make sure the plumbing connected to the BaduStream housing is well supported. Unsupported plumbing will crack the housing.

NOTE: (For Dual and Triple Jet Installation) Increase the pipe size to 6” when jets are more than 30 ft from the pump. Use 6” x 4” bushings after 4” manifold tees.
NOTE: CHECK VALVES must be used on the discharge side of each pump. Minimum 4” pipe between pump and BaduStream plumbing manifold.
Concrete or Gunite Installation
- Pre-plumb BaduStream housings:
- Install plumbing manifold or approximately 12” of 4” SCH 40 pipe to both suction and discharge fittings on the jet(s) housing. NOTE: If plumbing exceeds 30’ between jet housing and pump, increase pipe size to 6”. Install a 6” x 4” reducing bushing as close to jet housing as possible.
- Install air control PVC hose to hose socket insert fittings (part #6). Use hose clamps to secure hose to insert fittings.
- Tape the jet housing keep concrete out of threaded inserts and out of the inside of the housing.
- Place jet housing into reinforced steel. Jet housing location is very important.
- Locate air control hose connector (part #6) at the top and center of jet housing. Air control hose connectors must be vertical or the square cover will be uneven in appearance.
- The center of the housing (the nozzle) should be 10” BELOW water level for maximum efficiency.
- Front edge of jet housing should finish even with inside gunite wall. Make sure a V shaped groove is scraped out around the housing approximately 11/2” deep to allow marcite to seal against the housing. DO NOT disassemble jet nozzle from housing.
- Recheck location of the jet housing when gunite is being applied. The force of the gunite may move the jet location.
- To avoid stress on the jet housing, we recommend that the BaduStream housing be encased with gunite and at least 2 to 3 inches of the plumbing stub out is covered with gunite.
- Air regulator installation should be approximately 4” (or minimum 2”) ABOVE the water level.
- Air regulator holder and hose socket insert fitting connect to PVC hose. Make sure air regulator holder face is tapped over to prevent gunite from entering holder.
- Air regulator can be located in the tile line above water line or in the deck. When tiling the pool, adjust the air regulator holder to proper positioning 4” (or minimum 2”) ABOVE the water level. Place and set with hydraulic cement. Install air regulator flush with the inside pool wall. Drill a 1/2” hole in the tile even with the center hole on the air regulator. Then tile over the air regulator holder (part#17). Note: Be sure NOT to plug the center hole of the air regulator holder with thinset or the tile.
- install the air regulator sub-assembly.
- Top Part Part# 22
- Bottom Part Part# 23
- Screw M10 x 80 Part# 24
- Hose Ring – 16 x 30 x 80 Part# 25
- Gasket – Air Control 42 x 11 x 2 Part# 26
- To install the bottom parts of the sub assembly, a flat head screw driver is required to tighten the screw to the holder.

When installing the BaduStream Cover (part #8). Use a Phillips head screw driver and tighten to 1.5 Nm or hand tight. Keep all parts not being used now in original box. Store in a safe place until needed.
- Gasket – Clamping Ring Part# 12
- Bolt – 1/4-20 x 1-1/2” Part# 18
- Nut – 1/4-20 Part# 19
- Washer 1/4” Part# 20
- Gasket 60 x 11 x 2 Part# 21
- Screw – Jet Housing 14 X 1” Part# 27

Liner and/or Fiberglass Pool Installation
- Using the clamping ring (part #3) as a template, drill holes in the pool wall for installation. The center line of the clamping ring should be 10” below the surface of the water. (See Figure 8) Two additional holes need to be drilled at the 3 and 9 o’clock positions for installation of the housing (part #7). The four brass inserts in the clamping ring should be at the 2, 4, 8 and 10 o’clock positions
- Mount the housing (part #7) and one gasket (part #12) on the outside of the pool wall using two screws 14 x 1” (part #27). Install the screws from the inside of the pool wall through the holes drilled at 3 and 9 o’clock positions. (See Figure 10 & 11)
- Install the clamping ring (part #3) and the gasket (part #12) on the inside of the pool wall using eight screws (part # 9/2, 9/3, 9/4, or 9/5) Screw lengths vary depending on the installation.
- A good RTV silicone may be used with the gasket when mounting the jet housing, but in most cases is not necessary. Installer should decided whether or not the silicone is necessary.
- When installed properly, the center of the housing (part #7) will be 10” below the surface of the water and the hose connector 1/4” (part #6) will be at the top center of the jet housing.
- When installing the BaduStream Cover (part #8). Use a Phillips head screw driver and tighten to 1.5 Nm or hand tight. (NOTE: The square cover, part #8, will have an uneven appearance if the housing is not installed properly.)
- For the air regulator assembly, one 1/2” hole must be provided, preferably along the vertical axis, approximately 4” (or minimum 2”) ABOVE the water line. (See Figure 10 & 11). Using the air regulator assembly gasket (part #21), mark and drill two 1/4” mounting holes. (See Figure 10) Use two flat head 1/4 – 20 machines screws (part #18) and two 1/4-20 nuts (part #19) to mount the air regulator. (NOTE: The flat head on the inside of the pool wall and the nut on the outside of the pool wall.)
- Keep all parts not being used now in original box. Store in a safe place until needed.
For Liner Pools Only: Install the jet housing and air regulator prior to installation or replacement of the pool liner. For Steel Walled Pools: An optional butterfly gasket (part #12A) maybe purchased to replace the two gaskets (part #12). Increase the jet housing hole from 5.59” to 5.75” for installation.

Removal of Liner
When replacing liner or removing liner for repairs; remove 4 screws (part #9/1) which hold the square cover (part #8) to the jet housing. Remove all screws (part #9/2 & 9/3) except the top two, which hold the clamping ring (part #3) and gasket (part #12) to the jet housing. Back out the two remaining screws approximately halfway and check for any movement of the jet housing from the wall. (NOTE: If the two counter sunk screws (part #27)which hold the jet housing to the wall were installed, the jet housing should not move, and the two remaining screws can be removed.) Remove one of the remaining two screws and slide the clamping ring (part #3) to the side. Replace all the screws before removing the last screw. Remove or replace the liner. Reverse the process to install liner.
NOTE: When replacing the clamping ring and screws: locate screw heads under liner, make a small cut on the liner at the screw heads and push the liner over the screw head.
Pump and Control Box Installation
CAUTION: Before installing the Speck Pump, read the entire pump owner’s manual found in the pump box. Consult local codes for minimum distance between pump and pool. Locate pump as close to the pool as practical. The air button works up to a maximum of 50 ft. There is 50 ft. of air tubing in the BaduStream box.
WARNING: To reduce the risk of injury, do not permit children to use this product unless they are closely supervised at all times. The wiring of the pool motor and control box should be done by a licensed electrician in accordance with local codes. Be certain that the motor frame and control box are grounded. Motor name plate has voltage, phase, amp draw, and other motor information as well as wiring connection instructions.
BONDING: As required by National Electrical Code Article 680-22, the pump motor must be electrically bonded to the pool structure (reinforced bars, etc.) by a solid copper conductor not smaller than No. 8 AWG via the external copper bonding lug on the pump motor.
GROUNDING: Permanently ground the pump motor and control box using a conductor of appropriate size. Connect to the No. 10 green headed ground screw provided inside the motor terminal box.
NOTE: Do not connect to electric power supply until the unit is permanently grounded. Section 8 concerns the electric motor and control box only since all other parts, the pump, the jet unit, etc. have complete and absolute separation from the pool water.
Operation
Remove the red filler plug or strainer tank lid on the pump and fill the pump with water. Replace the red filler plug or lid. Push pneumatic button on. For the first start-up allow approximately 5 minutes for the pump to prime. Ifthe pump has not started priming after 5 minutes, the amount of water in the pump was not sufficient. Add more water. Due to the large volume of air that can be present in the vertical portion of the suction above the waterline, initial priming time may be longer than with regular pool filtration pumps. It may take up to 10 minutes. This will not damage the mechanical seal.
WARNING: Do not use or operate the BaduStream if the anti-entrapment cover is missing, broken, or loose.
To start swimming, jogging or running it is suggested that the two nozzles are pointed slightly inward and slightly upward so that the water “breaks” approximately 4 ft. in front of the BaduStream. (See Section 5 Nozzle Adjustment to properly adjust the nozzles.) Start swimming with only minimal force in arms an legs until you feel yourself drifting backwards, then add force and swim upstream until a proper balance is found between force and endurance. Keep in mind that this unit is designed for a balanced workout. Find a pace that you can keep up for at least 20 minutes. Out pacing is always possible. The idea is to continue exercising for an extended period of time.b Consult your physician before attempting any strenuous exercise. This product may not be challenging or satisfying for all levels of exercise. The air regulator permits a controlled mixture of air into the water flow and creates a unique, invigorating, bubble bath effect. It will also add additional resistance to swim against.The BaduStream’s adjustable flow nozzle(s) enables the swimmer to regulate the volume of water released through the jet(s). Turning the nozzle clockwise reduces the flow. The swivel nozzle(s) of the BaduStream can be positioned in various directions, allowing swimmers to use various swim styles.

- Optional Accessory: The Badu Swim Mirror is a perfect addition to the BaduStream, this portable mirror is designed to be the perfect tool to help swimmers stay in the “swim lane”.
- Optional Accessory: A pulsating massage hose can be attached to one of the nozzles to enjoy a massage as advised by your physician. (See Figure 1 Letter G)
- Directions for use: Consult your physician before using the massage hose. To reduce the risk of injury, do not permit children to use the massage hose with pulsator unless they are closely supervised at all times. Close the air regulator. Reduce the volume of water by turning the adjustable flow nozzle(s) clockwise.
Under certain conditions it is possible that the current “drifts off” to the left or to the right from the middle due to water bouncing off the back wall. In the event that this interferes with your swimming action, turn unit off for a few minutes and restart
Service and Maintenance
Nozzle Adjustment
When setting the nozzles for basic swimming, it is recommended that you set the nozzles in such a way that each nozzle(s) intersects 4 feet away while at the same time breaks the surface To help set the nozzles in a neutral position, please follow these instructions:
- Parts required:
- Quantity 2 – 4’x1 1/2” PVC Pipe
- Quantity 2 – 1 1/2” MPT x 1 1/2”/1 1/4” Hose Adaptor
- Quantity 2 – Female Adapter 1 1/2” Slip x 1 1/2” FPT
- Turn off the jet pumps
- Insert each jet adjustment tool into jet nozzle.
- Move each jet adjustment tool toward each other until each pipe touches at water level.
- Remove jet adjustment tool.

Winterizing
In areas subject to freezing water temperatures, you should protect your equipment. We recommend you purchase a winter cover kit part #2308752006K. This kit includes 1 winter plate, 1 gasket and 4 screws. Also, you can protect your swimjet system as follows: Drain pool until water level has dropped below the antientrapment cover. Then protect pump by removing drain plug and red filler plug (or lid).
Troubleshooting
Frequently Asked Questions
How is the current generated?
The pump generates up to 400 GPM coming out of two jet nozzles at 27 ft. per second and 36 ft. per second thru one nozzle creating a swim current in excess of 5000 GPM, measured 6 ft. from the jet.
What size pool do I need?
The BaduStream can be installed in any size pool. However, we recommend a minimum length of 14’ and a minimum width of a 7 foot swimming lane.
What size plumbing is necessary? How far away from the BaduStream can the pump be installed?
Use 4” plumbing up to 30’. For runs longer that 30’ use 6” plumbing. The pump can be placed as close to the BaduStream as local codes will allow.
How many amps does the pump operate at?
- 4 HP: Maximum 19.4 amps @ 230 V
- 3.5 HP: Maximum 13.6 amps @ 230 V
What size breaker do I need?
You must use a 40 amp breaker for the 4 HP pump or 30 amp breaker for the 3 HP pump to avoid nuisance tripping.
Is the BaduStream approved?
Yes. The BaduStream swim jet system is listed by MET and complies with UL standard 1563 Swimming Pool Equipment, ASME standard ANSI/ASME A112.19.8 (ANSI/APSP-16, 2011) Standard for Swim Jet Combination Fittings, and is VGB 2008 compliant.
Do the covers come in different colors?
Yes. The round covers can be ordered in gray or black. The square cover is only available in black or white.
Does the air regulator come in different colors?
Yes. The air regulator can be ordered in black.
Does it matter if the housing is installed higher or lower than the manual states? Yes, the center of the jet must be 10” BELOW estimated water level for proper performance of unit.
Can the air regulator be placed elsewhere?
Yes, as long as it is not continuously flooded with water.
Can the pump be placed below water level?
Yes. However, for best performance we recommend ordering pump for flooded suction (Model 21-80/33G) instead of self-priming (Model 21-80/33GS). We
recommend installing valves for ease of maintenance.
How far away can the air button function properly?
A maximum of 50 ft. Consult factory for distances over 50 ft.
Do I need to install a motor starter?
No. The pump has a built-in thermal overload.
Should this be tied into my filter system?
No. The swim jet system and the filter system should not be plumbed together as they each provide very specific functions.
Can I use with automated controls?
Yes. It comes with the ability to tie into automated control systems or other switching devices.
Product Specification

- Description
- Face Ring – Nozzle
- Screw – Tapping 5.5 x 19
- Clamping Ring
- Nozzle (adjustable flow)
- Bushing
- Hose Connector 1/4”
- Housing
- Square Cover
- Screw – M6 x 25
- Screw – M6 x 20
- Screw – M6 x 25
- Screw – M6 x 40
- Screw – M6 x 45
- Seat – Nozzle
- Spacer Ring – 6.2
- Spacer Ring – 4
- Gasket – Clamping Ring
- Gasket – Butterfly (not shown)
- Gasket – Face Ring
- Holder w/ Hose Subassembly
- Hose Fitting – 1/4”
- Hose – 8 x 3
- Hose Clamp 14/9
- Holder – Air Regulator
- Screw – 1/4-20 x 1-1/2”
- Nut – 1/4-20
- asher – 1/4”
- Gasket 60 x 11 x 2
Limited Warranty
The manufacturer supplies a limited warranty to the original consumer purchaser of the BaduStream on the following terms and conditions
- The BaduStream is warranted to be free from defects in material and workmanship for a period of twelve (12) months from the date that the BaduStream is originally installed.
- Not with standing any provisions herein to the contrary, the warranties and obligations hereunder shall not in any event extend for more than 2 years beyond the date of shipment of the BaduStream from Speck Pumps – Pool Products, Inc. in Jacksonville, Florida.
- Warranty is void in the following cases: damages which result in whole or in part from: (a) careless or improper installation of the BaduStream; (b) improper or negligent use and maintenance of the BaduStream; (c) tampering with the BaduStream by unauthorized repair personnel; (d) ground movement; (e) substitution of parts and/or components.
- The manufacturer’s sole obligation hereunder shall be to replace or repair any defective BaduStream. The manufacturer reserves the absolute right to determine whether any defective BaduStream should be replaced or repaired.
- Any customer who wishes to make a claim under this Limited Warranty shall notify Speck Pumps, of such claim by telephone or by mail. After the customer has been authorized to return the BaduStream, the customer must return the BaduStream to Speck Pumps. Any goods returned to Speck Pumps without prior authorization will be returned to the shipper unopened. Speck Pumps shall not bear any costs or risks incurred in shipping a defective BaduStream to Speck Pumps or in shipping a repaired or replaced BaduStream to a customer.
- Speck Pumps will charge customers for all non warranty work which it may perform. Non-warranty work will not be performed until the customer has accepted the price quoted.
- Except as specifically set forth above, no otherwarranties, whether express or implied, including without limitation, the implied warranties of merchantability and fitness for a particular purpose, are made by the manufacturer. In no event will the manufacturer be liable for any loss, including time,money, goodwill, lost profits and consequential damages based on contrast, tort or other legal theory, which may arise hereunder or from the use, operation of modification of the pump, motor or associated parts. The maximum liability of the manufacturer hereunder shall not exceed the amount actually paid by the customer for the pump, motor and associated parts.
- Some states do not permit limitations on the terms of implied warranties or on the recovery of incidental or consequential damages. Accordingly, the limitations contained in paragraph 7, may not apply to certain customers.
- This warranty gives customers specific legal rights which may vary from state to state. The BaduStream is manufactured under license from Speck Pumpen, GERMANY.




















