261.3300.002 Pump Valve and Filter
Instruction Manual
READ THIS MANUAL CAREFULLY BEFORE USING THE SPECK PUMP
Notice: The California Energy Commission requires all pumps purchased for sale or use in a residential pool for filtration in California to be listed on their CEC website.
Important Notice: This manual contains important information about the installation, operation, and safe use of this product. This information should be given to the owner and/or operator of this equipment.
WARNING: This product must be installed and serviced by a qualified pool professional, and must conform to all national, state, and local codes.
WARNING: Before installing this product, read and follow all warning notices and instructions which are included. Failure to follow safety warnings and instructions can result in severe injury, death, o r property damage. Call (800) 223-8538 or visit www.usa.speck-pumps.com for additional copies of these instructions.
IMPORTANT SAFETY INSTRUCTIONS
when installing and using this electrical equipment, basic safety precautions should always be followed, including the following:
- READ AND FOLLOW ALL INSTRUCTIONS.
- WARNING – To reduce the risk of injury, do not permit children to use this product unless they are closely supervised at all times.
- WARNING – Risk of Electrical Shock, Connect only to a branch circuit protected by a ground-fault circuit interrupter (GFCI). Contact a qualified electrician if you cannot verify that a circuit is protected by a GFCI.
- WARNING – To reduce the risk of electric shock, replace any damaged cord immediately.
- DO NOT install within an outer enclosure or beneath the skirt of a hot tub or spa.
- CAUTION – This pump is for use with permanently- installed pools and may also be used with hot tubs and Spasifso marked. Do not use storable pools, A permanently-installed pool is constructed in or on the ground or in a building such that it cannot be readily disassembled for storage. A storable pool is constructed so that it is capable of being readily disassembled for storage and reassembled to its original integrity.
- The unit must be connected only to a supply circuit that is protected by a ground-fault circuit-interrupter (GFC!}. Such a GFCI should be provided by the installer and should be tested on a routine basis. To test the GFCI, push the test button, The GFC] should interrupt power. Push the reset button. Power should be restored. If the GFCI fails to operate in this manner, GFCI is defective. If the GFCI interrupts power to the pump without the test button being pushed, a ground current is flowing, indicating the possibility of an electric shock. Do not use this pump. Disconnect the pump and have the problem corrected by a qualified service representative before using it.
- TO REDUCE RISK OF ELECTRICAL SHOCK, A copper bonding connector (8 AWG U.S, 6 AWG Canada) is provided for bonding the motor to all metal parts of the swimming pool, spa, or hot tub structure and to all electrical equipment, metal conduit, and metal piping within 5 feet of the inside walls of a swimming pool, spa, or hot tub, when the motor it’s installed within 5 feet of the inside walls of the swimming pool, spa, or hot tub,
NOTE: To the installer and/or operator of the Speck Swimming Pool Pump; the manufacturer’s warranty will be voided if the pump is improperly installed and/or operated. - SAVE THESE INSTRUCTIONS!
General Safety Instructions
The following guidelines provide information to minimize the risk of injury to users of pools, spas, and hot tubs,
WARNING: TO REDUCE THE RISK OF ENTRAPMENT HAZARD
Pump suction is hazardous and can trap and drown or disembowel swimmers.
Blocking suction with the body may cause severe or fatal injury.
DO NOT use or operate swimming pools, spas, or hot tubs if a suction outlet cover is missing, broken, or loose.
All suction outlet covers must be maintained, They must De replaced if cracked, broken, or missing, All suction outlets must have correctly installed screw-fastened cover in place.
The pump suction system must provide protection against hazards of suction entrapment or hair entrapment/entanglement.
Provide at least two hydraulically balanced (3 apart) main drains, with covers as suction outlets for each circulation pump suction line.
WARNING: RISK OF ELECTRICAL SHOCK OR ELECTROCUTION
Hazardous voltage, Can shock, burn, or cause death, Disconnect power before working on pump or motor, | The pool pump must be installed by a licensed or certified electrician or a qualified pool serviceman in accordance with the National Electrical Code and all applicable local codes and ordinances. Improper installation will create an electrical hazard that could result in death or serious injury to pool users, installers, or others due to electrical shock, and may also cause damage to property. Always disconnect power to the pool pump at the circuit breaker before servicing the pump. Failure to do so could result in death or serious injury to servicemen, p o o l users, or others due to electric shock. |
SAVE THESE INSTRUCTIONS
SECTION 1 Installation Information
1/1 PREPARATION GUIDE
- Upon receipt of the pump, check the carton for damage. Open the carton and check the pump for concealed damage, such as cracks, dents, or a broken base, If damage is found, contact the shipper for the distributor where the pump was purchased.
- Inspect the contents of the carton and verify that all parts are included. See Parts List and Exploded View for details.
1/2 PUMP LOCATION
NOTE: In Canada, the pump must be located a minimum of three (3) meters (approximately ten (10) feet) from the water (CSA C22.1).
- For trouble-free self-priming, install the pump as close to the pool as practical. Consult local codes for minimum distance between pool and pump.
WARNING: Some Safety Vacuum Release System (SVRS) devices are not compatible with the installation of check valves. If the pool has an SVRS device, be sure to confirm that it will continue to safely operate if check valves are installed - The piping should be as direct and free from turns or bends as possible, as elbows and other fittings greatly increase friction losses which reduce the flow of water.
- Place the pump on a solid foundation that provides rigid and vibration-free support so that it is readily accessible for service and maintenance.
- Install the pump in a well-ventilated location protected from direct sunlight and excessive moisture (rain, sprinklers, etc.).
- Protect the pump against flooding and excess moisture, and prevent foreign objects from clogging air circulation around the motor. All motors generate heat that must be removed by providing proper ventilation.
- DO NOT store or use gasoline or other flammable
- DO NOT remove any safety alert labels such as DANGER, WARNING, or CAUTION. Keep safety labels in good condition and replace any missing or damaged labels.
- Provide access to future services by leaving a clear area around the pump. Allow plenty of space above the pump to remove the lid and basket for cleaning.
1/3 PIPE SIZING
NOTE: All pipe sizes are able to withstand the pressures the pump will deliver, but not necessarily the flow. If the pipe is too small for the pump or is elevated above the water, the maximum gallons per minute (GPM) may not be delivered. If this happens, the pump will develop a pocket of air that makes noise (cavitation). This may shorten the life of the pump.
SUCTION & DISCHARGE: 1/4 PLUMBING INSTALLATION
- When connecting piping to the threaded ports on the pump, it is recommended that thread seal tape be used. Hard-plumbed pipes must have proper solvent-weld connections. If the suction line is not sealed correctly, the pump will not prime properly and will pump small volumes of water or none at all.
- When installing the pump, care should be taken so that the suction line is below water level to a point immediately beneath the pump to ensure quick priming via a flooded suction line. The height between the pump and water level should not be more than five (5) feet.
- Suction and discharge lines should be independently supported at a point near the pump to avoid strains being placed on the pump. Always use properly sized valves.
- When installing the pump below water level, it is advisable to install a valve in both the suction and discharge line in the event that the pump must be removed for servicing.
- Before starting the pump for the first time, remove the see-through lid. (Turn lid ring counter-clockwise to remove.) Fill the strainer tank with water until it is level with the suction inlet. Replace lid with locking ring. Hand-tighten the lid to make an air-tight seal. DO NOT use any tools to tighten the lid.
- Use the fewest number of fittings as possible. Each additional fitting has the effect of moving the equipment farther away from the water. NOTE: If more than ten (10) suction fittings are needed, the pipe size must be increased.

1/5 BONDING AND GROUNDING
When installing and using the motor, basic safety precautions should always be followed. The wiring of the motor should be done by a licensed electrician in accordance with local codes.
- The motor frame must be grounded to a reliable grounding point using a solid copper conductor, No. 8 AWG, or larger. In Canada, No. 6 AWG or larger must be used. If the pump is installed within five (5) feet of the inside walls of the swimming pool, spa, or hot tub, the motor frame must be bonded to all metal parts of the swimming pool, spa, or hot tub structure and to all electrical equipment, metal conduit, and metal piping within five (5) feet of the inside walls of the swimming pool, spa, or hot tub.
- Bond the motor using the provided external lug.
WARNING: Always disconnect the power source before working on a motor or its connected load. The motor is fitted with an internal auto reset. May restart without warning!
WARNING: In order to avoid the risk of property damage, severe personal injury, and/or death, make sure that the control switch, time clock, or control system is installed in an accessible location so that in the event of an equipment failure or loose plumbing fitting, the equipment can be easily turned off
CAUTION: The pump must be permanently connected to a dedicated electrical circuit. No other equipment lights, appliances, or outlets may be connected to the pump circuit with the exception of devices that may be required to operate simultaneously with the pump, such as a chlorinating device or heater.
1/6 ELECTRICAL INSTALLATION
- The pump motor must be securely grounded inside the motor terminal compartment.
NOTE: DO NOT connect to the electric power supply until the unit is permanently grounded. - Wire size must be adequate to minimize voltage drop during the start-up and operation of the pump.
- Insulate all connections carefully to prevent grounding or short circuits. Sharp edges on terminals require extra protection. To prevent the wire nuts from loosening, tape them using suitable, listed (UL, ETL, CSA) electrical insulating tape. For safety, and to prevent the entry of contaminants, reinstall all conduit and terminal box covers. Do not force connections into the conduit box.
- Connect Ll, L2/N, and Ground to the terminal block as shown on the motor nameplate.
1/7 VOLTAGE CHECKS
The correct voltage, as specified on the pump data plate, is necessary for proper performance and long motor life. The incorrect voltage will cause damage to the motor.
It is the responsibility of the electrical installer to provide data plate operating voltage to the pump by ensuring proper circuit sizes and wire sizes for this specific application.
CAUTION: Failure to provide data plate voltage during operation will cause the motor to overheat and void the warranty.
1/8 PRESSURE TEST
WARNING: When pressure testing a system with water, the air is often trapped in the system during the filling process. This air will compress when the system is pressurized. Should the system fail, this trapped air can propel debris at a high speed and cause injury. Every effort to remove trapped air must be taken, including opening the bleed valve on the filter and loosening the pump basket lid while filling the pump.
WARNING: Trapped air in the system can cause the filter lid to be blown off, which can result in death, serious injury, or property damage. Be sure all air is properly purged out of the system before operating. DO NOT USE COMPRESSED AIR TO PRESSURE TEST OR CHECK FOR LEAKS.
WARNING: When pressure testing the system with water, it is very important to make sure that the pump basket and lid is completely secure.
- Fill the system with water, using care to eliminate trapped air.
- Pressurize the system with water to no more than 35 PSI.
WARNING: Do NOT pressure test above 35 PSI. Pressure testing must be done by a trained pool professional. Circulation equipment that is not tested properly might fail, which could result in severe injury or property damage. - Close the valve to trap pressurized water in the system.
- Observe the system for leaks and/or pressure loss.
- If there are leaks, repeat steps 1-3. For technical support call 800-223-8538 or +1 904-739-2626.
SECTION 2 EQUIPMENT OPERATION, SERVICE, AND MAINTENANCE
2/1 START-UP GUIDE
CAUTION: Never run the pump without water. Running the pump “dry” for any length of time can cause severe damage to both the pump and the motor and will void the warranty.
If this is a new pool installation, make sure all piping is clear of construction debris and has been properly pressuring tested. The filter should be checked for proper installation, verifying that all connections and clamps are secure according to the manufacturer’s recommendations.
WARNING: To avoid the risk of property damage, severe personal injury, or death, verify that all power is turned off before starting this procedure.
- Release all pressure from the system and open the filter pressure release (air bleed) valve.
- Depending on the location of the pump, do one of the following:
• If the pump is located below the water level of the pool, open the filter valve to prime the pump with water.
• If the pump is located above the water level of the pool, remove the lid and fill the basket with water before starting the pump. - Prior to replacing the lid, check for debris around the lid o-ring seat. Debris around the lid o-ring seat will make it difficult to prime the pump.
- Hand-tighten the lid to make an air-tight seal. DO NOT use any tools to tighten the lid: hand-tighten only. Make sure all valves are open and the unions are tight.
- Once all the air has left the filter, close the pressure release valve.
- Switch on power to the pump-motor to start
- Allow the pump to run for up to 10 minutes to allow air trapped in the suction line to be purged.
- If the pump does not prime and all the instructions to this point have been followed, check for a suction leak. If there are a leak repeat Steps 2 through 6.
NOTE: It is normal for o few drops of water to escape from the mechanical seal from time to time. This is especially true during the break-in period. - For technical support, call 800-223-8538. If calling from outside the U.S. dial +1 904-739-2626.
2/2 ROUTINE MAINTENANCE
This pump requires little or no service other than reasonable care and periodic cleaning of the strainer basket. DO NOT strike the basket to clean. When cleaning the basket inspect the lid o-ring for damage and replace it if necessary.
- Inspect the pump basket for debris by looking through the dear pump lid.
- Turn OFF the power to the pump. If the pump is located below the water level, close isolation valves on the suction and discharge sides of the pump prevent the backflow of water.
- Remove any debris, because as the debris accumulates, it will begin to block the flow of water through the pump. Keep the basket clean and clear to improve the performance of the pump.
- Turn the lid ring counter-clockwise to remove it. Carefully remove the lid and lock ring.
- Remove the basket and properly dispose of the debris into the trash and rinse out the basket. Check the basket for cracks, if a crack is found replace the basket.
- Replace the basket back into the pump, and align the basket properly with the suction pipe. Then fill with water up to the suction pipe. Clean the clear lid, o-ring, and sealing surface of the pump of any debris.
- Replace the lid with the lid ring. Hand-tighten the lid to make an air-tight seal. DO NOT use any tools to tighten the lid.
- Verify that all valves have been returned to the proper position for normal operation. Turn ON the power to the pump.
NOTE: It is normal for o few drops of water to escape from the mechanical seal from time to time. This is especially true during the break-in period.
The mechanical seal may become worn or loose over the course of time, depending on the running time and water quality. If water continually leaks out, a new mechanical seal should be fitted. After long periods of no operation (seasonal storage, etc.), the pump must be checked for ease of rotation while it is switched off. Refer to Section 2/4 Removal and Replacement of the Impeller and/or Mechanical Seal.
WARNING: Before servicing the pump, switch off the circuit breakers at the power source. Severe personal injury or death may occur if the pump starts while your hand is inside the pump.
2/3 WINTERIZING
CAUTION: The pump must be protected when freezing temperatures are expected. Allowing the pump to freeze will cause severe damage and void the warranty.
There are two options when winterizing the pump
OPTION 1:
- Drain all the water from the pump, system equipment, and piping.
- Remove drain plugs. DO NOT replace plugs. Store the plugs in the empty strainer basket for winter.
- Keep the motor covered and dry.
OPTION 2:
- Drain all the water from the pump, system equipmert, and plumbing.
- Remove the pump and motor from the plumbing and store indoors in a warm, dry location.
NOTE: When the winter season is over the pump will need to be check and primed prior to start.
CAUTION: DO NOT run the pump dry. If the pump is run dry, the mechanical seal will be damaged and the pump will start to leak at the seal. If this occurs, the mechanical seal will need to be replaced. ALWAYS maintain the proper water level in your pool. Continued operation in this manner could cause o loss of pressure, resulting in damage to the pump casing, impeller, and mechanical seal.
2/4 REMOVAL AND REPLACEMENT OF THE IMPELLER AND/OR MECHANICAL SEAL
WARNING: Before servicing the pump, switch off the circuit breakers at the power source. Severe personal injury or death may occur if the pump starts while your hand is inside the pump.
- Turn OFF the pump. Switch off the circuit breaker to the pump motor. If you are not replacing the motor, do not disconnect the electrical wiring.
- Turn OFF any valves to prevent pool water from reaching the pump. Drain water from the pump by loosening the unions or removing the drain plug.
- Remove the four (4) thru bolts and nuts connecting the pump casing/strainer tank to the pump flange.
- Pull the motor and flange/seal housing out from the pump casing/strainer tank. Remove the pump casing o-ring. The impeller is connected to the motor shaft.
- Remove the diffuser by gently pulling the diffuser (the diffuser is the cover over the impeller) horizontally until the pins clear the seal housing.
- Remove the cap from the rear of the motor. Place a flat head screwdriver into the screwdriver slot on the motor shaft.
- While holding the motor shaft, turn the impeller counter-clockwise to remove it from the shaft.
- Gently pull the mechanical seal from the impeller shaft noting the way it was originally installed.
CAUTION: DO NOT damage the ceramic or carbon sealing surfaces of the seal. If the sealing surfaces are damaged, leaks will occur. - Using water with a small amount of dish soap, brush the impeller shaft for ease of assembly.
- With the carbon side up, push the machine onto the impeller shaft and wipe the carbon surface with a clean cloth. CAUTION: pa NOT use grease or lube to install the seal. It will damage the seal and cause failure.
- The ceramic side of the seal can be pushed out from the rear of the seal housing. Please note its position before removing it.
- Using water only, wet the ceramic side of the seal, and using your thumbs push into the seal housing. Clean the surface with a clean cloth.
- Wipe the motor shaft off all debris and apply a single drop of LOCTITE to the motor shaft threads.
- Install the impeller by spinning it clockwise onto the motor shaft. Continue to turn clockwise until the carbon and
ceramic sides make contact and the seal spring slightly compresses. - Install the diffuser by aligning the diffuser pins with the holes in the seal housing and pressing them together.
- Make sure the diffuser and casing o-rings are in place and free of debris. Replace the casing 0-ring. Slide the motor flange/seal housing into the casing.
- Install the four casing thru-bolts and nuts using a cross pattern from side to side and top to bottom. CAUTION: 11Q NOT over-tighten.
2/5 MOTOR REPLACEMENT
WARNING: The pump must be serviced by o professional service technician qualified in pool/spa installation. The following procedures must be followed exactly. Improper installation and/or operation can create dangerous electrical hazards, which can cause the high voltage to run through the electrical system. This can cause property damage, serious personal injury, and/or death. Improper installation and/or operation will void the warranty.
- Disconnect the wiring from the side of the motor. (Refer to the Electrical Installation)
- Remove the four (4) thru bolts and nuts holding the flange/seal housing to the pump casing/strainer tank.
- Slide the motor and flange/seal housing away from the casing/stainer tank.
- Remove the diffuser by gently pulling the diffuser horizontally until the pins are clear from the flange/seal housing.
- Remove the rear motor cap and place a flathead screwdriver into the screwdriver slot on the rear of the motor shaft.
- While holding the motor shaft, turn the impeller counterclockwise.
- Pull the seal housing away from the pump flange.
- Remove the four flange bolts (7/32″ alien head). Pull the flange away from the front of the motor.
- Remove the clinger from the old motor and install it onto the new motor.
- Clean the surfaces of the seal. Refer to Section 2/4 Removal and Replacement of the Impeller and/or Mechanical Seat
SECTION 3 TROUBLESHOOTING GUIDE
| PROBLEM | POSSIBLE CAUSES | SOLUTION |
| 1. Pump will not prime. | a. Suction air leak. b. No water in the pump. c. Closed valves or blocked lines. d. Low voltage to the motor. | Make sure the see-through lid and o-ring are clean and properly positioned. Tighten the see-through lid (hand tight). Tighten all pipes and fittings on the suction side of the pump. Be sure the water in the pool is high enough to flow through the skimmer. Make sure the strainer tank is full of water. Open all valves in the system. Clean skimmer and strainer tank. Open pump and check for clogging of the impeller. Check voltage at the motor. If low, the pump will not come up to speed. |
| 2. Motor does not turn. | a. No power to the motor. b. Pump jammed. | Check that all power switches are on. Be sure the fuse or circuit breaker is properly set. Did the time set properly? Check motor wiring at terminals. With power off, turn the shaft. It should spin freely. If not, disassemble and repair. |
| 3. Low flow. | a. Dirty filter. b. No skimmer basket. c. Closed valves or blocked lines. d. Suction air leak. | Backwash filter when filter pressure is high, or clean cartridges. Clean skimmer and pump strainer basket See problem 1. See problem 1. |
| 4. Noisy operation of the motor. | a. Bad bearings. | Noise when the shaft is turned up by hand. The motor is hot in the bearing area when running. Replace bearing. |
| 5. Motor runs hot. | These motors will run hot to the touch, however, this is normal. They are designed that way. A thermal overload protector will function to turn them off if there is an overload or high-temperature problem. Excessive heat can be caused by: | |
| a. Low voltage. b. Installed in direct sun. c. Poor ventilation. | Increase the size of the electrical wire. Be sure the motor is operating on the correct voltage. Shield motor from sun’s rays. Do not tighten cover or enclosure motor. | |
| 6. Noisy operation of the pump. | a. Air leak in the suction line. Bubbles in water returning to pool at inlet b. Restricted suction line due to blockage or undersized pipe. Indicated by high vacuum reading at the pump suction. c. Foreign matter (gravel, metal, etc.) in pump impeller. d. Cavitation. | Repair leak. Check suction pipe, see-through lid in place. 0-ring clean? Remove blockage or increase suction pipe size. Make sure the strainer tank is clean. Are all suction valves fully open? Disassemble the pump and remove foreign matter from the impeller. Improve suction conditions. (Reduce suction life, reduce the number of fittings, and increase pipe size.) Increase discharge pressure and reduce flow by throttling the discharge valve. |
| PROBLEM | POSSIBLE CAUSES | SOLUTION |
| 7. Motor overload protection “kicks out’, | a. Motor is not connected properly. b . Low voltage due to under-size wire or low incoming voltage. c . Wrong size heaters in the protective device. d, Overload due to binding in the pump or the wrong size Impeller. | Check the wiring diagram on the motor. Check with the volt meter. Increase the size of the supply wire. Reports low supply voltage to the power company. The voltage at the motor must be within 10% of the motor nameplate voltage. Heaters should be one size larger than full l o a d amps shown on the motor nameplate. Indicated by high amperage readings on the motor, and binding shaft. Disassemble the unit and correct it. |
SECTION 4 SERVICING INFORMATION
when calling the manufacturer regarding a question or problem with your pump, please have the serial number available. The serial number is located on the pump either on the flange or motor labels.
Replacement parts may be available from your installer. Call, fax, or write Speck Pumps at 8125 Bayberry Road, Jacksonville, Florida 32256 Phone: (904) 739-2626 Fax: (904)737-5261, e-mail: [email protected]
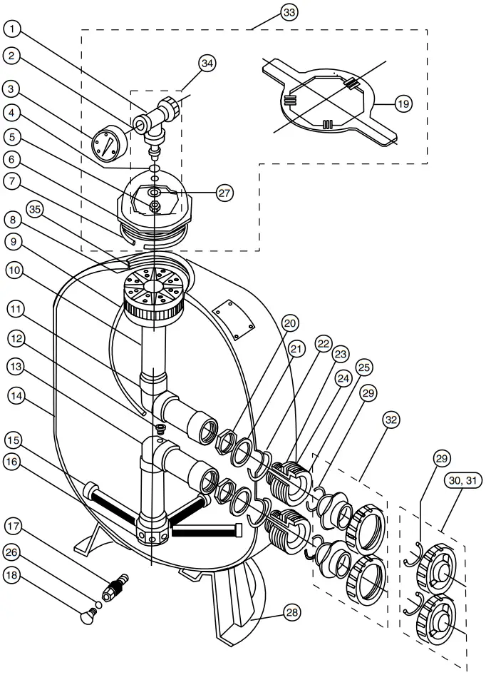
SECTION 5 REPLACEMENT PARTS AND EXPLODED VIEW

| Order# | Drawing# | Description | Ordeal# | Drawing# | Description |
| 2901116010 | 160.1 | Lid-Clear | 2901417422 | 174.2 | Diffuser |
| 29211160128 | Not Shown | Lid – Clear w/ Led light | 2901450700 | 502 | Wear Ring |
| 2921116022 | 160.2 | Lid – Lock Ring w/ Handles | 2901423110 | 230 | Impeller (-III) – 110 x 8.7mm |
| 2901141201 | 412.1 | 0-ring – Lid 137 x 5mm | 2901423017 | 230 | Impeller (-V) – 118 x 10mm |
| 2901114300 | 143 | Basket | 2920343310 | 433 | Mechanical Seal (20mm) -Carbon/Ceramic |
| 2901510102 | 101 | Casing (1.5″) | 2901541221 | 412.2 | 0-ring – Casing 190 x Smm |
| 2901510103 | 101 | Casing (2.0″) | 2901516100 | 161.2 | Seal Housing |
| 2901490300 | 903 | Drain Plug – Winged w/ 0-ring | 29914000258 | 914.2 | Screw – 3/8.16 x 2″ Men Head (x4) |
| 2302002062 | 412.4 | 0-ring Drain Plug 11 x 2.5mm | 2901511300 | 113 | Flange |
| 2991000154 | 914.1 | Screw – 3/8.16 x 3.11r Hex Cap SS (x4) | 2920110200 | 598 | Motor Flange |
| 2991400035 | 554.1 | Washer – Flat 3/8″ SS (x4) | 2500300937 | 721 | 1.5″ Union Package – Suction/Discharge |
| 2991000155 | 920.1 | Nut – 3/6-16 Brass (x4) | 25003009362 | 721 | 2.0″ Union Package – Suction/Discharge |
| 2920359501 | 595 | Rubber Buffer -10 x 10 x 27mm | M55PWUFF225 | 800 | Motor – 1.65 THP |
| 2901591700 | 894. | Motor Support | MSSPWUFH227 | 800 | Motor – 2.7 THP |
| 2901589400 | 894 | Base Plate | 2920141210 | 413.5 | 0-ring – Diffuser 90 x 5mm |

| Order# | Drawing# | Description | Order# | Drawing# | Description |
| 2901116010 | 160.1 | Lid – Clear | 2920141210 | 413.5 | 0-ring – Diffuser 90 x 5mm |
| 29211160128 | Not Shown | Lid – Clear w/ Led Light | 2901417422 | 174.2 | Diffuser |
| 2921116022 | 1601 | Lid – Lock Ring w/ Handles | 2901450700 | 502 | Wear Ring |
| 2901141201 | 4122. | 0-ring – Lid 137 x Smm | 2901423110 | 230 | Impeller (-III) -110 x 8.7mm |
| 2901114300 | 1431 | Basket | 2901423017 | 230 | Impeller (A)- 118 x 10mm |
| 2901510102 | 101 | Casing (1.51 | 2920343310 | 433 | Mechanical Seal (20mm) – Carbon/Ceramic |
| 2901510103 | 101 | Casing (2.01 | 2500300936 | 721 | 2.0′ Union Package – Suction/ Discharge |
| 2901589400 | 894 | Base Plate | 2901541221 | 412.2 | 0-ring – Casing 190 x 5mm |
| 2901490300 | 903 | Drain Plug – Winged w/ 0-ring | 2901516100 | 161.2 | Seal Housing |
| 2302002062 | 412.4 | 0-ring – Drain Plug 11 x 2.5mm | 2991400028 | 91.42 | Screw – 3/8-16 x r Allen Head (x4) |
| 2991000154 | 914.1 | Screw – 3/8-16 x 3-1/2′ Hex Cap SS (x4) | 2901511300 | 113 | Flange |
| 2901591701 | 894.2 | Motor Support | 2920110200 | 598 | Motor Flange |
| 2991400035 | 554.1 | Washer – Flat 318″ SS (x4) | 2500300937 | 721 | 1.5″ Union Package – Suction/Discharge |
| 2991000155 | 920.1 | Nut – 3/8.16 Brass (x4) | M48AA85A01 | 800.1 | Motor – 1.65 THP |
| 2920359501 | 595 | Rubber Buffer -10 x 10 x 27mm | M48AA69029 | 800.2 | Motor – 2.7 THP |
SECTION 6 PRODUCT REGISTRATION
Thank you for purchasing a SPECK PUMPS® product please take a few moments to register it online. Your registration helps us keep you up to date on product information and offers.
Before you register:
What do I need to get started?
- The Serial Number and the Model Name
- An email address. We will use this to send you confirmation of your registration.
- A copy of your sales receipt and/or qualified installer’s invoice.
To register your SPECK equipment please register online at www.usa.speck-pumps.com
Or Scan a QR code to register the product
https://usa.speck-pumps.com/register/
SECTION 7 LIMITED WARRANTY
Speck Pumps-Pool Products, Inc. grants solely to the original consumer purchaser (“Buyer) of the pump and motor the following personal, non-transferable, and limited warranty on the following terms and conditions (the “Limited Warranty”): the pump and motor are warranted to be free of material defects in materials or workmanship under normal use for a period of two (2) year beginning on the date of the Buyer’s purchase of the pump and motor. Notwithstanding any provisions herein to the contrary, the warranties and obligations hereunder shall not in any event extend for more than three (3) years beyond the date of shipment of the pump and motor from the factory (the “Limited Warranty Period”). The Limited Warranty is subject to each of the following additional terms and conditions:
- IN THE EVENT OF ANY BREACH OF THE LIMITED WARRANTY, SPECK PUMPS-POOL PRODUCTS, INC.’S ENTIRE OBLIGATION AND LIABILITY TO BUYER, AND BUYER’S SOLE AND EXCLUSIVE REMEDY SHALL BE AS FOLLOWS: Speck Pumps-Pool Products, Inc. will, at its option, either repair or replace the pump and motor or refund to Buyer the purchase price actually paid by Buyer for the pump and motor subject to the Limited Warranty. Speck Pumps-Pool Products, Inc. shall have no obligations under the Limited Warranty unless the Buyer delivers timely written notice to Speck Pumps-Pool Products, Inc. of the Limited Warranty claim within the Limited Warranty Period and returns the pump and motor to Speck Pumps-Pool Products, Inc if requested. To the fullest extent permitted by law, Speck Pumps-Pool Products, Inc. expressly disclaims any liability for, and the Limited Warranty does not include or cover, any labor, costs, or other expenses in connection with the removal, transportation, shipment, insurance, replacement, repair, or installation of repaired or replaced parts or for any other costs or expenses or damages to property or things including, but not limited to, those arising in connection with the use of, or inability to use, the pump and motor.
- To the fullest extent permitted by law, the Limited Warranty will be void and of no force or effect, and Speck Pumps-Pool Products, Inc. will have no liability, responsibilities, or obligations to Buyer or with respect to the pump and motor in the event of the occurrence of any one or more of the following:
(a) Any damage to the pump and motor caused by Buyer, any third party, ground movement, other natural forces, acts of God, or any other sources or causes not arising from a breach of the Limited Warranty, excluding ordinary wear and tear;
(b) Any replacement, modification, alteration, or repair of any parts or components of the pump and motor by anyone other than Speck Pumps-Pool Products, Inc.;
(c) Any abuse, misuse, accident, tampering with, improper installation or modification of the pump and motor or any other actions, inactions, or failures to act that violate the terms and conditions of this Limited Warranty;
(d) Buyers failure or inability to present an invoice, bill, receipt, or other documentation clearly evidencing that the pump and motor were installed and maintained in strict compliance with this Limited Warranty and that the claim was timely submitted within the Limited Warranty Period; and/or
(e) Buyer’s failure to comply with the conditions and contingencies set forth in paragraph 3 below. - The Limited Warranty is expressly conditioned and contingent upon the Buyer’s strict compliance with each of the following: (a) Installation of the pump and motor by an experienced and qualified pool industry professional and a licensed electrician who is licensed within the jurisdiction in which the pump and motor is installed and will be used; and
(b) Buyer’s operation and maintenance of the pump and motor in strict accordance with Speck Pumps-Pool Products, Incas printed operator/maintenance manuals delivered with the pump and motor. - DISCLAIMER: THE LIMITED WARRANTY IS THE ONLY WARRANTY MADE AND IS IN LIEU OF ALL OTHER WARRANTIES, AND ANY AND ALL IMPLIED WARRANTY OR CONDITION OF MERCHANTABILITY, THE IMPLIED WARRANTY AGAINST INFRINGEMENT, AND THE IMPLIED WARRANTY OR CONDITION OF FITNESS FOR A PARTICULAR PURPOSE ARE EXPRESSLY LIMITED IN THEIR SCOPE AND DURATION TO THE TWO YEAR TERM OF THE LIMITED WARRANTY SET FORTH HEREIN. SOME STATES DO NOT ALLOW LIMITATIONS ON HOW LONG AN IMPLIED WARRANTY LASTS, SO THE ABOVE LIMITATION MAY NOT APPLY TO THE BUYER.
- TO THE FULLEST EXTENT PERMITTED BY LAW, IN NO EVENT SHALL SPECK PUMPS – POOL PRODUCTS, INC. OR ITS OFFICERS, DIRECTORS, EMPLOYEES, SHAREHOLDERS, AGENTS, OR REPRESENTATIVES BE LIABLE FOR ANY SPECIAL, INDIRECT, INCIDENTAL EXEMPLARY OR CONSEQUENTIAL DAMAGES OR LOSS, INCLUDING TIME, MONEY, GOODWILL, AND LOST PROFITS IN ANY WAY WHICH MAY ARISE HEREUNDER OR FROM THE USE OF OR INABILITY TO USE THE PUMP AND MOTOR OR THE PERFORMANCE OR NONPERFORMANCE OF ANY OBLIGATION UNDER THIS LIMITED WARRANTY. THIS PARAGRAPH, THE WARRANTY DISCLAIMERS IN PARAGRAPH 4 ABOVE, AND THE SOLE AND EXCLUSIVE REMEDY SET FORTH IN PARAGRAPH 1 ABOVE SHALL APPLY EVEN IF SPECK PUMPS – POOL PRODUCTS, INC. HAS BEEN NOTIFIED OF THE POSSIBILITY OR LIKELIHOOD OF SUCH DAMAGES OCCURRING, WHETHER SUCH LIABILITY IS BASED ON CONTRACT, TORT, NEGLIGENCE, STRICT LIABILITY, PRODUCTS LIABILITY OR OTHERWISE, AND EVEN IF ANY REMEDY STATED HEREIN FAILS OF ITS ESSENTIAL PURPOSE. SOME STATES DO NOT ALLOW THE EXCLUSION OR LIMITATION OF SPECIAL, INDIRECT, INCIDENTAL, EXEMPLARY OR CONSEQUENTIAL DAMAGES OR LOSS, SO THE ABOVE EXCLUSIONS AND LIMITATIONS MAY NOT APPLY.
- This Limited Warranty gives the Buyer specific legal rights, and the Buyer may also have other rights, which vary from state to state.
- A return merchandise authorization (“RMA”) must be obtained from Speck Pumps-Pool Products, Inc. before returning any product. Products returned without an RMA will be refused and returned, unopened, to the Buyer. All returned products are to be sent freight prepaid and insured for Buyer’s protection to the manufacturer at 8125 Bayberry Road, Jacksonville, Florida 32256. Under no condition will products be accepted after the expiration of the Limited Warranty Period. Speck Pumps-Pool Products, Inc. shall not bear any costs or risks incurred by Buyer in shipping a defective pump and motor to Speck Pumps-Pool Products, Inc. or in shipping a repaired or replaced pump and motor to Buyer.
Technical Support:
Address: Speck Pumps 8125 Bayberry Road Jacksonville, FL. 32256 USA
Hours: (Monday – Friday) 8:00 am to 5:00 pm EST
Toll-Free: 800-223-8538
Phone: 904-739-2626
Fax: 904-737-5261
Website: www.usa.speck-pumps.com
Date of Installation:
Installed by:———————————
Serial Number:—————————–
For Service Call:—————————-
Manufactured by Speck Pumps, Jacksonville Florida USA. @ 2021 All Rights Reserved. This document is subject to change without notice.
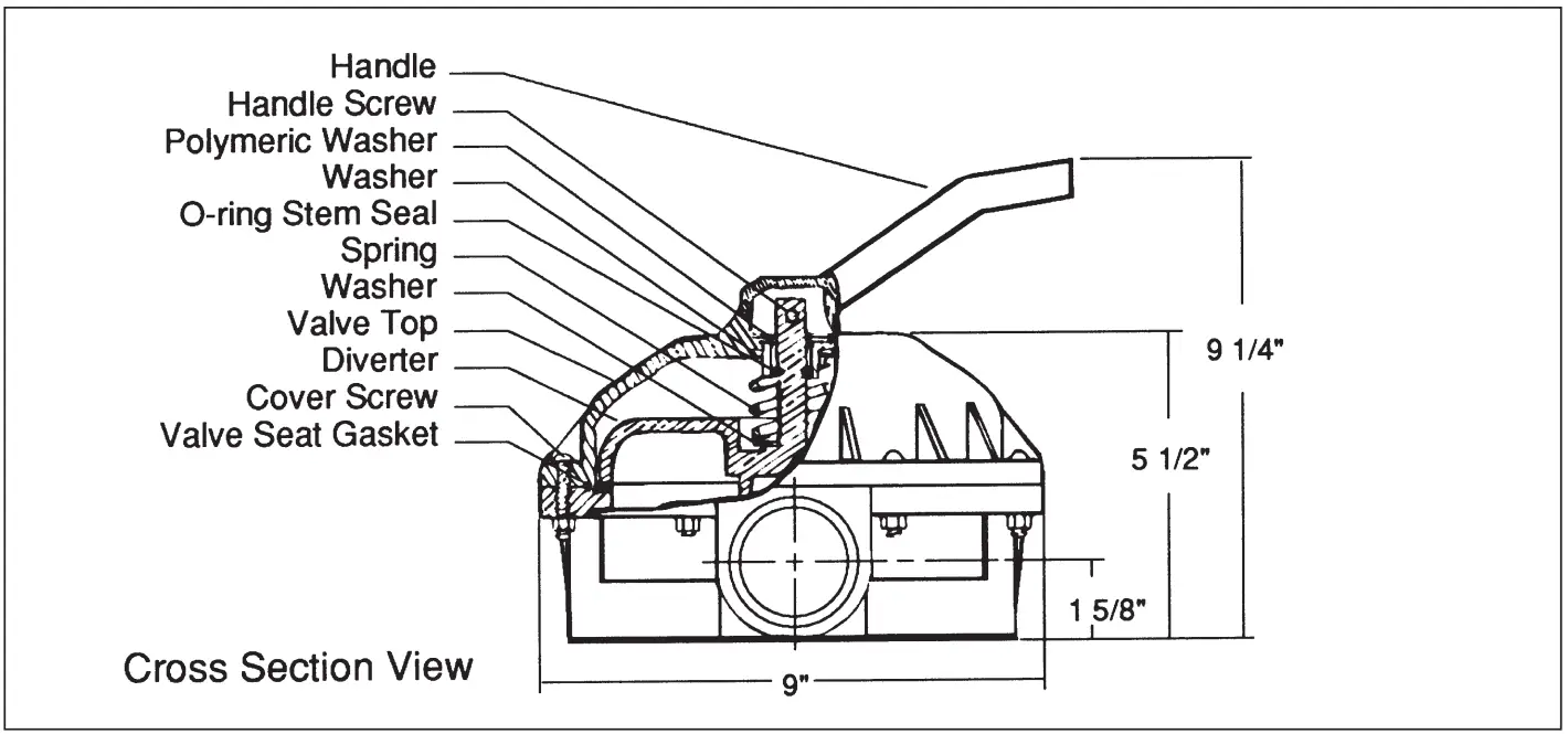
HI-FLOW™ SIDE-MOUNTED BACKWASH VALVE
IMPORTANT SAFETY INSTRUCTIONS
READ AND FOLLOW ALL INSTRUCTIONS SAVE THESE INSTRUCTIONS
| Before installing this product, read and follow all warning notices and instructions accompanying this valve. Failure to follow safety warnings and instructions can result in severe injury, death, or property damage. Call (800) 831-7133 for additional free copies of these instructions. | |
| IMPORTANT NOTICE! | Attention Installer: This manual contains important information about the installation, operation, and safe use of this product. This information should be given to the owner/operator of this equipment. |
| The valve must be installed by a qualified serviceman in accordance with the National Electrical Code and all applicable local codes and ordinances. Always disconnect power to the equipment at the circuit breaker before servicing any of the equipment. Ensure that the the disconnected circuit is locked out or properly tagged so that it cannot be switched on while you are working on the equipment. Failure to do so could result in serious injury or death to servicemen, operator users, or others due to electric shock. Position the filter and the air relief valve to safely direct water drainage and purged air or water. Water discharged from an improperly positioned filter or valve can create an electrical hazard that can cause severe personal injury as well as damage to property. | |
| For Installation of Electrical Controls at Equipment Pad (ON/OFF Switches, Timers, and Automation Load Center) Install all electrical controls at the equipment pad, such as on/off switches, timers, control systems, etc. to allow the operation (startup, shut-down, or servicing) of any pump or filter so the user does not place any portion of his/her body over or near the pump strainer lid, filter lid or valve closures. This installation should allow the user enough space to stand clear of the filter and pump during system start-up, shutdown, or servicing of the system filter. |

| FILTER OPERATES UNDER HIGH PRESSURE. When any part of the circulating system, (e.g., clamp, pump, filter, valve(s), etc.), is serviced, air can enter the system and become pressurized. Pressurized air can cause the lid to separate which can result in severe injury, death, or property damage. To avoid this potential hazard, follow these instructions: 1. Before repositioning valve(s) and before beginning the assembly, disassembly, or adjustment of the clamp or any other service of the circulating system: (A) Turn the pump OFF and shut OFF any automatic controls to ensure the system is NOT inadvertently started during the servicing; (B) open the manual air relief valve; (C) wait until all pressure is relieved. 2. Whenever installing the filter clamp FOLLOW THE FILTER CLAMP INSTALLATION INSTRUCTIONS EXACTLY. 3. Once service on the circulating system is complete FOLLOW SYSTEM RESTART INSTRUCTIONS EXACTLY. 4. Maintain the circulation system properly. Replace worn or damaged parts immediately, [e.g., clamp, pressure gauge, valve(s), o-rings, etc]. 5. Be sure that the filter is properly mounted and positioned according to the instructions provided. |
Valve Positions Overview
| SETTING | FLOW PATH Function |
| Filter | Pump > Sand Top / DE Bottom > Through Filter > DE Top / Sand Bottom > Return For normal filter action and vacuuming pool thru the filter. |
| Backwash | Pump > DE Top / Sand Bottom > Through Filter > Sand Top / DE Bottom > Waste For cleaning the filter by reversing the flow |
| Rinse | Pump > DE Top / Sand Bottom > Through Filter > DE Top / Sand Bottom > Waste For start-up cleaning and resetting filter bed after backwashing |
| Waste | Pump > Waste For vacuuming directly to waste, lowering pool level or draining the pool |
| Closed | No Circulation – DO NOT USE THIS SETTING WITH PUMP OPERATING! |
| Recirculate | Pump > Return For circulating water without going through the filter |
Valve Installation
CAUTION This valve is available in two models for use with sand-type or diatomaceous earth (DE) type pool filters. Be sure that you have the correct model for your filter. Installing the incorrect model may cause your pump to deadhead, or drain the pool when in the backwash position.
- Confirm the correct valve is being used; DE valves for DE filters and Sand valves for Sand filters.
- Install a valve to filter by securing bulkhead nuts on the valve to fittings on the filter.
CAUTION Tighten the nuts by hand only! No additional tightness is required. - Plumb pump piping to center pipe in the valve.
- Plumb return and waste lines.
Winterizing
- Drain and winterize the pump and filter per the manufacturer’s instructions.
- Depress the valve handle and rotate so the pointer on the handle is between any two settings.
Replacement of Valve Top and Diverter Assembly
- Set the valve handle in any setting.
- Remove cover screws.
- Lift off the valve top and diverter assembly.
- Install new valve top and diverter assembly. Be sure the arrows on the valve top and bottom are aligned.
- Tighten cover screws evenly and alternately. Do not over-tighten.
Complete Disassembly
- Remove the Handle to the diverter screw. Note the arrow on top of the diverter stem as the handle is removed.
- Evenly and alternately loosen cover screws.
CAUTION The top is under spring load. Loosen all screws before removing any of them. - Remove cover screws and valve top.
- Note the location of the O-ring and spring, and the number of washers on the diverter stem. Remove O-Ring, spring, and washers.
- Re-assemble in reverse order.
Note: Prior to assembly, be sure the bottom gasket and diverter sealing surface are clean and free from nicks to insure positive sealing. - When replacing the valve handle, be sure the arrow on the diverter stem and pointer on the handle is pointed in the same direction.
CAUTION DO NOT over-tighten the screws or use motorized screwdrivers; as this can cause damage to the threads.
Technical Data
Replacement Parts

| Item | P/N | Description | Qty. |
| 1 | 272520 | Handle | 1 |
| 2 | 272405 | Screw – Handle | 1 |
| 3 | 272402 | Washer, Plastic | 1 |
| 4 | 272412 | Valve Top | 1 |
| 5 | 271193 | Washer – 18 GA | 2 |
| 6 | 272400 | Spring – Compression | 1 |
| 7 | 272406 | O-ring – Diverter | 1 |
| 8 | 272413Z | Diverter | 1 |
| 9 | 272409 | Seal -Diverter | 1 |
| 10 | 98211400 | Nut – 1/4″ – 20 Hex | 8 |
| 11 | 272415 | Plat – 2″ Valve Bottom | 1 |
| 12 | 272403 | Screw – 1/4″ – 20 | 8 |
| * | 272422 | Valve Top Assembly | 1 |
* This part number includes items 1 thru 9
Note: When replacing gasket P/N 272409, secure it to the valve bottom with an instant cyanoacrylate adhesive suitable for bonding rubber to plastic.
Head Loss Curves


1620 HAWKINS AVE., SANFORD, NC 27330 • (919) 566-8000
10951 WEST LOS ANGELES AVE., MOORPARK, CA 93021 • (805) 553-5000
WWW.PENTAIR.COM
All Pentair trademarks and logos are owned by Pentair or one of its global affiliates. Hi-Flow™ is a trademark of Pentair Water Pool and Spa, Inc. and/or its affiliated companies in the United States and/ or other countries. Unless expressly noted, names and brands of third parties that may be used in this document are not used to indicate an affiliation or endorsement between the owners of these names and brands and Pentair Water Pool and Spa, Inc. Those names and brands may be the trademarks or registered trademarks of those third parties. Because we are continuously improving our products and services, Pentair reserves the right to change specifications without prior notice. Pentair is an equal-opportunity employer.
© 2018 Pentair Water Pool and Spa, Inc. All rights reserved. This document is subject to change without notice.
*272133*
P/N 272133 REV. G 11/28/18
TRITON® FIBERGLASS SAND FILTER
MODELS: TR 40, TR 50, TR 60, TR 100, TR 140, TR 100HD,
TR 100C, TR 140C, TR 100C-3, TR 140C-3 and TR 60 with
CLEARPRO TECHNOLOGY™
IMPORTANT SAFETY INSTRUCTIONS
READ AND FOLLOW ALL INSTRUCTIONS SAVE THESE INSTRUCTIONS
CUSTOMER SERVICE / TECHNICAL SUPPORT
If you have questions about ordering Pentair Aquatic Systems replacement parts, and pool products, please contact:
Customer Service and Technical Support, USA
(8 A.M. to 4:30 P.M. — Eastern/Pacific Times)
Phone: (800) 831-7133
Fax: (800) 284-4151
Web site
Visit www.pentairpool.com or www.staritepool.com for information about Pentair products.
Sanford, North Carolina (8 A.M. to 4:30 P.M. ET)
Phone: (919) 566-8000
Fax: (919) 566-8920
Moorpark, California (8 A.M. to 4:30 P.M. PT)
Phone: (805) 553-5000 (Ext. 5591)
Fax: (805) 553-5515
© 2015 Pentair Water Pool and Spa, Inc. All rights reserved.
This document is subject to change without notice.
1620 Hawkins Ave., Sanford, NC 27330 • (919) 566-8000
10951 West Los Angeles Ave., Moorpark, CA 93021 • (805) 553-5000

All Pentair trademarks and logos are owned by Pentair or one of its global affiliates. Pentair Aquatic Systems ™, Triton ® and ClearPro Technology ™ are trademarks and/or registered trademarks of Pentair Water Pool and Spa, Inc. and/or its affiliated companies in the United States and/ or other countries. Unless expressly noted, names and brands of third parties that may be used in this document are not used to indicate an affiliation or endorsement between the owners of these names and brands and Pentair Water Pool and Spa, Inc. Those names and brands may be the trademarks or registered trademarks of those third parties. Because we are continuously improving our products and services, Pentair reserves the right to change specifications without prior notice. Pentair is an equal-opportunity employer.
P/N 154901 Rev. H 3/18/15
IMPORTANT WARNING AND SAFETY INSTRUCTIONS
IMPORTANT NOTICE:
This guide provides installation and operation instructions for the Triton® Series Fiberglass Sand Filters. Consult Pentair Water Pool and Spa, Inc. with any questions regarding this equipment.
Attention Installer: This guide contains important information about the installation, operation, and safe usage of this product. This information should be given to the owner and/or operator of this equipment after installation or left on or near the filter.
Attention User: This manual contains important information that will help you in operating and maintaining this filter. Please retain it for future reference.
WARNING Before installing this product, read and follow all warning notices and instructions which are included. Failure to follow safety warnings and instructions can result in severe injury, death, or property damage. Call (800) 831-7133 for additional free copies of these instructions.
Consumer Information and Safety
The Triton Series Sand Filters are designed and manufactured to provide many years of safe and reliable service when installed, operated, and maintained according to the information in this manual and the installation codes referred to in later sections. Throughout the manual, safety warnings and cautions are identified by the “
“ symbol. Be sure to read and comply with all of the warnings and cautions.
THIS FILTER OPERATES UNDER HIGH PRESSURE
WARNING
When any part of the circulating system, (e.g., closure, pump, filter, valve(s), etc.), is serviced, air can enter the system and become pressurized. Pressurized air can cause the top closure to separate which can result in severe injury, death, or property damage. To avoid this potential hazard, follow these instructions:
- If you are not familiar with your pool filtering system and/or heater:
a. Do NOT attempt to adjust or service without consulting your dealer, or a qualified pool technician.
b. Read the entire Installation & User’s Guide before attempting to use, service, or adjust the pool filtering system or heater. - Before repositioning valve(s) and before beginning the assembly, disassembly, or any other service of the circulating system: (A) Turn the pump OFF and shut OFF any automatic controls to ensure the system is NOT inadvertently started during the servicing; (B) open the manual air bleeder valve; (C) wait until all pressure is relieved.
- Whenever installing the filter closure FOLLOW THE FILTER CLOSURE WARNINGS EXACTLY.
- Once service on the circulating system is complete FOLLOW INITIAL START-UP INSTRUCTIONS EXACTLY.
- Maintain the circulation system properly. Replace worn or damaged parts immediately, (e.g., closure, pressure gauge, valve(s), o-rings, etc).
- Be sure that the filter is properly mounted and positioned according to the instructions provided.
WARNING This filter must be installed by a licensed or certified electrician or a qualified pool serviceman in accordance with the National Electrical Code and all applicable local codes and ordinances. Improper installation could result in death or serious injury to pool users, installers, or others and may also cause damage to property.
Always disconnect power to the pool circulating system at the circuit breaker before servicing the filter. Ensure that the disconnected circuit is locked out or properly tagged so that it cannot be switched on while you are working on the filter. Failure to do so could result in serious injury or death to servicemen, pool users, or others due to electric shock.
WARNING Do not operate the filter until you have read and understand clearly all the operating instructions and warning messages for all equipment that is a part of the pool circulating system. The following instructions are intended as a guide for initially operating the filter in a general pool installation. Failure to follow all operating instructions and warning messages can result in property damage or severe personal injury or death.
WARNING To reduce the risk of injury, do not permit children to use this product unless they are closely supervised at all times.
WARNING
Due to the potential risk that can be involved, it is recommended that the pressure test be kept to the minimum time required by the local code. Do not allow people to work around the system when the circulation system is under the pressure test. Post appropriate warning signs and establish a barrier around the pressurized equipment. If the equipment is located in an equipment room, lock the door and post a warning sign.
Never attempt to adjust any closures or lids or attempt to remove or tighten bolts when the system is pressurized. These actions can cause the closure to separate and could cause severe personal injury or death if they were to strike a person.
WARNING
Never exceed the maximum operating pressure of the system components. Exceeding these limits could result in a component failing under pressure. This instantaneous release of energy can cause the closure to separate and could cause severe personal injury or death if they were to strike a person.
Section 1 Introduction
Triton ® Fiberglass Sand Filters Overview
Triton ® II Sand Filters
The Triton II filter is the result of over 40 years of product evolution and refinement. It has set the industry standard for effectiveness, efficiency, long runs between services, and providing years of dependable, low-maintenance operation.
The Triton II filter features a special internal design that keeps the sand bed level, ensuring even water flow, and resulting in the most efficient filtration possible.
The Triton II filter provides superior filtration performance and delivers a level of dependability and ease of operation and maintenance for a track record that’s unsurpassed. Every design detail has been refined to make Triton II the industry standard.
Triton ® C and Triton ® C-3 Commercial Sand Filters
This filter series features multiple diverters for increased filtration rates in commercial applications up to 20 GPM/Sq. Ft.
Triton ® HD Side Mount Sand Filters
All the same great performance and features of the original Tritons with a maximum operating pressure of 75 psi for those special high-pressure installations such as single pump in-floor cleaning systems.

General Features
Triton ® II
- Time-proven internal design ensures that all water receives maximum filtration for crystal clear results
- GlasLok™ process creates a one-piece, fiberglass reinforced tank with a UV-resistant coating for years of dependable, corrosion-resistant service
- Flow system design controls filtration quality and ensures maximum run times between backwashing to save you time
Triton ® C and Triton ® C-3
- Maximum Operating Pressure 50 psi
- Full 2 in. drain
- 8 in. opening for easy access to the sand bed
- The Triton C-3 features standard 3 in. flange connections
- TR100C & TR140C models are available in black or almond
- TR100C-3 & TR140C-3 models are available in black only
Triton ® HD
- Maximum Operating Pressure 75 psi
Additional Features:
- Combination of sand and water drain speeds servicing and winterizing
- All internal parts are threaded for ease of maintenance
- Swing-away water diffuser allows instant access to sand and all internal parts
- NSF-Listed
Section 2 Installation
NOTE: Before installing this product, read and follow all warning notices and instructions starting on page ii.
Installing the Triton ® Fiberglass Sand Filter
Only a qualified service person should install the Triton Fiberglass Sand Filter. This filter is designed and intended for use to filter water.
Introduction
The following general information describes how to install the Triton Fiberglass Sand Filter. This filter operates under pressure and if assembled improperly or operated with air in the water circulation system, the top closure can separate and result in an accident causing property damage or serious bodily injury. A warning label has been affixed to the top of the filter and should not be removed. Keep safety labels in good condition and replace them if missing or illegible.
How the Filter works
The high-rate sand filter is designed to operate for years with a minimum of maintenance and when installed, operated, and maintained in accordance with these instructions, it will provide years of trouble-free operation.
Dirt is collected in the filter as the water flows through the control valve at the side of the filter and is directed into the top bulkhead. Dirty water flows into the diffuser at the top of the tank and is directed downward into the top surface of the filter sand bed. The dirt is collected in the sand bed and the clean water flows through the laterals and lower piping at the bottom of the filter up into the lower bulkhead. The flow then goes into the control valve at the side of the filter. Clean water is returned through the piping system into the pool.
The pressure will rise and the flow to the pool will be lowered as the dirt is collected in the filter. Eventually, the filter will become so plugged with dirt that it will be necessary to perform the backwash procedure. It is important to know when to backwash the filter. Backwashing is discussed further in the subsequent sections of this guide.
Please note that a filter removes suspended matter and does not sanitize the pool. The pool water must be sanitized and the water must be chemically balanced for sparkling clear water. Your filtration system should be designed to meet your local health codes. As a minimum, you must be sure that your system will turn over the total volume of water in your pool at least two to four times in a twenty-four-hour period.
Refer to Table 1 for Filter Operation Data.
Table 1.
| FILTER MODEL MODEL | FILTER AREA (Sq. Ft.) | Flow Rate *(GPM) @20 GPM/FT2 | Turnover Capacity (Gallons) (Based on 20 GPM / Sq. Ft.)* | |||
| 4 TURNS PER DAY | 3 TURNS PER DAY | 2.4 TURNS PER DAY | 2 TURNS PER DAY | |||
| TR40 | 2. | 38 | 13,680 | 18,240 | 22,800 | 27,360 |
| TR50 | 2. | 49 | 17,640 | 23,520 | 29,400 | 35,280 |
| TR60 | 3. | 63 | 22,680 | 30,240 | 37,800 | 45,360 |
| TR60 ClearPro | 3. | 63 | 22,680 | 30,240 | 37,800 | 45,360 |
| TR100 | 5. | 74 | 26,640 | 35,520 | 44,400 | 53,280 |
| TR100HD | 5. | 74 | 26,640 | 35,520 | 44,400 | 53,280 |
| TR100C/TR100C-3 | 5. | 98 | 35,280 | 47,040 | 58,800 | 70,560 |
| TR140 | 7. | 106 | 38,160 | 50,880 | 63,600 | 76,320 |
| TR140C/TR140C-3 | 7. | 141 | 50,760 | 67,680 | 84,600 | 101,520 |
*TR100, TR100HD, AND TR140 ARE BASED ON 15 GPM/SQ. FT.
WARNING Failure to operate your filter system or inadequate filtration can cause poor water clarity to obstruct visibility in your pool and can allow diving into or on top of obscured objects which can cause serious personal injury or drowning.
Clearwater is the result of proper filtration as well as proper water chemistry. Pool chemistry is a specialized area and you should consult your local pool service specialist for specific details. In general, proper pool sanitation requires a free chlorine level of 1 to 3 PPM and a pH range of 7.2 to 7.6.
WARNING Filters should never be tested or subjected to air or gas under pressure. All gases are compressible and under pressure create a danger. Severe bodily injury or property damage could occur if the filter is subjected to air or gas pressure.
- Check the carton for any evidence of damage due to rough handling in shipment. If the carton or any filter components are damaged, notify the freight carrier immediately.
- Carefully remove the accessory package and the filter tank from the carton.
- Mount the filter on a permanent slab, preferably concrete poured in a form or on a platform constructed of concrete block or brick. DO NOT use sand to level the filter or for the pump mounting, as it will wash away.
- Provide space and lighting for routine maintenance access. Do not mount electrical controls over the filter. One needs to be able to stand clear of the filter when starting the pump. Minimum space requirements may be found on the large nameplate on the filter.
- Position filter so that the port locations are in the desired final positions. Follow valve installation procedures.
- If you have a Multiport Valve, assemble the valve to the tank, being sure the o-ring on the valve fittings is in place and clean. Use a lubricant, applied lightly, such as silicone grease, Dow #33, #40 or GE 300 or 623, or similar product on o-rings and o-ring grooves prior to assembly.
- If you have a two-position slide valve, align the valve with the tank so that the handle is toward the top of the tank, push the valve into ports and turn the valve nuts snugly on the tank fittings. It is not necessary to cinch the valve nuts to the tank fitting beyond hand tightness.
- The shipping straps used to support the TR100C-3, TR140C and the TR140C-3 multi-diffuser should be removed before loading sand and gravel in the filter.
- Sand specifications – be certain the proper sand is used as described in Table 2. Before pouring the sand into the filter, look inside and check the lower under-drain for broken or loose laterals (or fingers), which may have been accidentally damaged by rough handling during shipment. Replace any broken parts if necessary.
NOTE: The freeboard distance is the most important variable and should be maintained. Sand density will vary and therefore sand amount is given as a reference.
Table 2.MODEL FREEBOARD “X” ALL SAND* (POUNDS) FILTER MEDIA (POUNDS) PEA GRAVEL* SAND TR40 8 1/4″ 175 50 125 TR50 9 3/4″ 225 50 175 TR60 10 1/2″ 325 50 275 TR60 ClearPro 10 1/2″ 325 50 275 TR100 11 1/4″ 600 150 450 TR100HD 111/4″ 600 150 450 TR100C-3 11 1/4″ 600 150 450 TR140 13 1/2″ 925 275 650 TR1400-3 13 1/2″ 925 275 650 † Media required to meet NSF requirements.
‡ Pea Gravel to be 1/4” to 1/8” in diameter.
* Sand to be No. 20 standard silica (uniformity coefficient not greater than 1.75) .018-.020 in diameter particle size.
Failure to position the Automatic Air Vent inside of the Closure will allow excessive trapped air to accumulate in the filter. Trapped air and the closure not properly closed can cause the closure to separate and could cause severe bodily injury and/or property damage. - Pivot the diffuser out of the center of the tank on the TR40, 50, 60, TR60 ClearPro, 100 & 140 by rotating the diffuser assembly counterclockwise.
(NOTE: The multi-diffuser assembly should not be moved on models TR100HD, TR100C, TR100C-3, and TR140C, TR140C-3. After installing the filter media as described below, check to make sure the tops on the diffusers are parallel to the top of the sand bed.) Fill the tank about half full of water. Pour pea gravel first (if used) and then the sand into the top of the filter at a slow rate so that the impact of the filter media does not damage the laterals. See Table 2 for the proper amounts of sand and gravel. Fill filter to the proper level to maintain freeboard, as shown in Table 2. Pivot the diffuser assembly back to its vertical position if it was moved. Be certain the automatic air vent is protruding into the top of the closure as indicated below in Figure 1. Ensure that the automatic air vent is in the center of the filter closure. Wash away all sand around the threaded opening at the top of the tank.
For Threaded Closures
WARNING
Use care when installing closure. The closure should turn freely in the filter, if resistance to closure insertion is felt, then slowly remove the closure by turning counter-clockwise. The starting thread of the tank and closure must engage properly in order to secure the closure. Do not cross-thread closure.
Failure to install the closure properly can cause the closure to separate and could cause severe bodily injury and/or property damage.
For Oval Closures
WARNING
Use care when installing closure. The closure should be inserted into the tank by placing the small diameter of the oval closure into the larger diameter of the tank opening. Insert the side of the closure that does not have the pressure gauge and air bleed first. The closure will need to be inserted at a 30° angle. Once the closure is inside the tank, it can be rotated 90° and lifted up to seal the tank. The aluminum bridge with load spring can then be placed over the closure bolt and the hand knob tightened to load the closure properly. The knob should be tightened by hand only. DO NOT USE A WRENCH TO TIGHTEN THE KNOB. You could damage the tank or closure and cause a failure by using a wrench.
Failure to install the closure properly can cause the closure to separate and could cause severe bodily injury or property damage.
NEVER ATTEMPT TO TIGHTEN OR LOOSEN THE CLOSURE WITH THE PUMP RUNNING. Failure to follow this instruction can result in the closure separating and causing severe bodily injury or property damage. - Assemble the pressure gauge and bleeder valve to the closure lid. Clean the lid o-ring and lubricate with silicone greases such as Dow #33, 40, or GE 300, 623 lubricants. Place the closure lid on the filter and tighten it, making certain the air vent is up inside the dome of the closure.
- With the plastic wrench, provided with the filter, tighten the closure as tight as possible using two hands on the wrench handles. As a minimum, the closure must be hand tight + 1/4 turn.
- The oval closure that is used on the TR140C-3 and the TR100C-3 models will need to be installed as described in the above warning note for oval closures.
- Assemble piping and pipe fittings to pump and valve. All piping must conform to local and state plumbing and sanitary needs.
- Use sealant compounds on all male connections of pipe and fittings. Use only pipe compounds suited for plastic pipes. Support pipe to prevent strains on filter, pump, or valve.
- Long piping runs and elbows restrict flow. For best efficiency, use the fewest possible number of fittings, and large diameter pipe (at least 2” for TR100 and TR140, at least 3” for TR100C-3 and TR140C-3).

CAUTION Operating at excessive vacuum levels can cause the tank to crack and could cause property damage. - When installing backwash lines, it is recommended that a vacuum breaker be installed on installations where the backwash line length exceeds 40 ft. or the backwash line discharges more than 10 ft. lower than the surface of the pool. Alternately a vacuum break pit should be provided.
- A check valve is recommended between the filter and heater to prevent hot water “back-up” which will damage the filter and valve.
- The maximum operating pressure of the unit is 50 pounds per square inch (psi) and 75 pounds per square inch (psi) for the Triton HD model (only). Never operate this filter above these pressures or attach a pump to this filter that has more than 50 psi shut-off pressure or 75 psi shut-off pressure for the Triton HD model (only).
- Never install a chlorinator upstream of the filter. Always locate downstream and with a check valve between the chlorinator and filter.
- A positive shut-off valve is not recommended at the outlet of the filtering system. If the system is ever run with such a valve closed, the internal air relief system becomes inoperative and the risk of tank separation could exist. Additionally, running the system with no flow will seriously damage the equipment.
- Never store pool chemicals within 10 ft. of your pool filter. Pool chemicals should always be stored in a cool, dry well-ventilated area.
- The oval closure used on the TR100C-3 and TR140C-3 is designed to provide a vacuum relief mechanism that protects the tank from vacuum conditions. The closure will allow air to enter the tank if the tank is higher than 8 ft. above the water level. In these cases, when the filter restarts after shutting down, you may observe air being returned to the pool in the return fittings. This is not unusual, it is simply the automatic air relief in the filter removing the air in the filter.
Initial Start-up
- On a new pool, clean the pool before filling the pool with water. Excessive dirt and large particles can cause damage to the pump and filter.
- Ensure the backwash line is open so that water is free to come from the pool and flow out the backwash line. Set the valve position as follows:
a. If using a Multiport valve, set the valve to the backwash position.
b. If using a Two Position Slide Valve, push the handle down to the backwash position and engage the lock by twisting the handle. - Check the pump strainer pot to be sure it is full of water.
WARNING Air entering a filter and tank closure not installed properly can cause the closure to separate and could cause severe bodily injury and/or property damage. - Check the closure of the filter for tightness.
- Open the manual air bleeder on the filter closure. Stand clear of the filter and start the pump allowing it to prime.
- Close the air bleeder on the closure when all the air is removed from the filter and a steady stream of water emerges.
NOTE: Pool filter sand is typically pre-washed and should not require extensive backwashing. However, the shipping process may cause excessive abrasion which could require an extended backwash cycle at initial start-up; continue to backwash until the backwash water is as clear as the pool water.
CAUTION To prevent equipment damage and possible injury, always turn the pump off before changing the valve position. - Stop the pump. Set the valve position as follows:
a. If using a Multiport valve, set the valve to the filter position.
b. If using the Two Position Slide Valve, raise the handle to the filter position and engage the valve lock by twisting the handle. - Ensure all suction and pool return lines are open so that water is free to come from the pool and return to the pool.
- Open the manual air bleeder on the filter closure. Stand clear of the filter and start the pump.
- Close the air bleeder on the filter closure when all the air is removed from the filter and a steady stream of water emerges.
- The filter has now started its filtering cycle. You should ensure that water is returning to the pool and take note of the operating pressure when the filter is clean.
Section 3 Maintenance
This section describes how to maintain your Triton® Fiberglass Sand Filter.
Filter Care
The filter is a very important part of the pool equipment and installation. Proper care and maintenance will add many years of service and enjoyment to the pool. Follow these suggestions for long trouble-free operations:
- To clean the exterior of the filter of dust and dirt, wash with a mild detergent and water then hose off. Do not use solvents.
- If internal maintenance is required and may be removed by removing the sand drain from the bottom of the filter and flushing it with a garden hose. Pentair Water Pool and Spa, Inc. Sand Vacuum P/N 542090 may also be used.
- If after a number of years, the filter tank appears foggy in color or rough in texture, the tank surface can be painted. We recommend the use of a Quick Dry Spray Enamel. Do NOT paint the valve.
WARNING Always visually inspect filter components during normal servicing to ensure structural safety. Replace any item which is cracked, deformed, or otherwise visually defective. Defective filter components can allow the filter top or attachments to separate and could cause severe bodily injury or property damage. - The filter closure on your Triton Sand Filter was manufactured with high-quality corrosion-resistant materials.
This part should be carefully inspected whenever servicing your filter. If excessive leakage is noted coming from the closure/tank interface, the closure and o-ring should be carefully inspected and replaced if any signs of deterioration exist. - Your filter is a pressure vessel and should never be serviced while under pressure. Always relieve tank pressure and open the air bleeder on the filter closure before attempting to service your filter.
- When restarting your filter, always open the manual air bleeder on the filter closure and stand clear of the filter.
Cleaning Frequency
- The filter on a new pool should be back-washed and cleaned after approximately 48 hours of operation to clean out plaster dust and/or construction debris.
- There are three different ways to identify when the filter needs backwashing.
a. The most accurate indicator on pool systems with a flow meter is to backwash when the flow decreases 30% from the original (clean filter) flow. For example, if the original flow was 60 GPM, the filter should be back-washed when the flow is reduced by about 20 GPM (or 30%) to 40 GPM.
b. A more subjective and less accurate indicator is to observe the amount of water flowing from the flow directionals located in the wall of the pool. The filter should be back-washed once it is detected that the flow has been reduced by about 30%.
c. The most commonly used but less accurate indicator is to backwash when the filter gauge reading increases 10 PSI over the initial (clean filter) reading. - It is important not to backwash the filter solely on a timed basis such as every three days. It is also important to note that backwashing too frequently actually causes poor filtration. Factors like weather conditions, heavy rains, dust or pollen, and water temperature all affect the frequency of backwash. As you use your pool, you will become aware of these influences.
- If at any time the starting pressure after backwashing the filter indicates 4 to 6 PSI higher than normal starting pressure, it is time to perform a chemical cleaning procedure.
Filter Backwash Procedure
WARNING To prevent equipment damage and possible injury, always turn off the pump before changing valve positions.
- Stop the pump.
- Ensure that the suction and backwash lines are open so that water is free to come from the pool and flow out the backwash line. Set control valve position as follows:
a. If using a Multiport Valve, set the valve to the backwash position.
b. If using a Two Position Slide Valve, push the handle down to the backwash position and engage the lock by twisting the handle. - Stand clear of the filter and start the pump.
- Backwash the filter for approximately 3 to 5 minutes or until backwash water is clean.
- Stop the pump.
a. If using a Multiport Valve, set the valve to rinse position and continue with the remaining steps.
b. If using a Two Position Slide Valve, skip stepping 8. - Stand clear of the filter and start the pump.
- Rinse the filter for approximately 30 seconds.
- Stop the pump and set the valve as follows:
a. If using a Multiport Valve, set the valve to filter position.
b. If using a Two Position Slide Valve, raise the handle to filter position and engage the valve lock by twisting the handle. - Ensure that the pool return line is open so that water may freely flow from the pool back to the pool.
- Open the manual air bleeder on Triton closure. Stand clear of the filter and start the pump.
- Close manual air bleeder of the closure when all the air is removed and a steady stream of water emerges from the bleeder.
- The filter has now started its filtering cycle. You should ensure that water is returning to the pool and take note of the filter pressure.
- The filter pressure, in the above Step 12, should not exceed the pressure originally observed on the filter when it was initially started. If after backwashing, the pressure is 4 to 6 PSI above the start condition, it will be necessary to chemically clean the sand bed.
Chemical Cleaning Procedure
- It is recommended that an approved cleaner be used. Please contact your local pool chemical supplier or retail store for the proper cleaner.
These cleaners will remove oils, scale, and rust from the sand bed in one cleaning operation. - Mix a solution following the manufacturer’s instructions on the label.
- Backwash the filter as outlined on page 8.
- If the filter is below pool level, shut off the pump and close appropriate valves to prevent draining the pool.
- Shut off the pump, open the filter drain, and let the filter drain. Place valve in backwash position.
- After the filter has drained, close the filter drain and remove the pump strainer pot lid.
- Ensure that the backwash lines are open.
- Turn the pump on and slowly pour the cleaning solution into the pump strainer with the pump running.
- Continue adding solution until the sand bed is saturated with cleaning solution. Replace lid on pump.
- Shut off the pump and leave the filter in the backwash position. Allow filter to stand overnight (12 hours).
- Replace the pump lid and follow backwash procedures on page 8.
- Do not allow the cleaning solution to get into the pool.
Winterizing your Filter
- In areas that have freezing winter temperatures, protect the pool equipment by backwashing the filter.
- After backwashing shut the pump off, open the manual air bleeder on the closure, and adjust the valve as follows:
a. On the Multiport Valves, move the handle of the valve to the Winterize Position (*).
b. On the Two Position Slide Valve, if possible, remove the valve piston assembly; clean, lubricate and store in a dry location for the winter.
*NOTE: The Multiport valve should be left in the winterized position during shutdown season so the valve diverter has no pressure on the rubber seal. - On the TR40, 50, 60, and TR60 ClearPro, remove the wing-type plug on the bottom of the filter. On the TR100, TR100HD, TR100C, TR100C-3, and TR140, TR140C, and TR140C-3 remove the 1½” drain plug cap. The filter will drain very slowly, and therefore, it is recommended that the drain plug be left out.
- Drain all appropriate system piping.
- We recommend covering the equipment with a tarpaulin or plastic sheet to inhibit deterioration from the weather. Do NOT wrap the pump motor with plastic.
Section 4 Troubleshooting
Use the following troubleshooting information to resolve possible problems with your Triton® Filter.
THIS FILTER OPERATES UNDER HIGH PRESSURE
WARNING
When any part of the circulating system, (e.g., closure, pump, filter, valve(s), etc.), is serviced, air can enter the system and become pressurized. Pressurized air can cause the top closure to separate which can result in severe injury, death, or property damage. To avoid this potential hazard, follow these instructions:
- If you are not familiar with your pool filtering system and/or heater:
a. Do NOT attempt to adjust or service without consulting your dealer, or a qualified pool technician.
b. Read the entire Installation & User’s Guide before attempting to use, service, or adjust the pool filtering system or heater. - Before repositioning valve(s) and before beginning the assembly, disassembly, or any other service of the circulating system: (A) Turn the pump OFF and shut OFF any automatic controls to ensure the system is NOT inadvertently started during the servicing; (B) open the manual air bleeder valve; (C) wait until all pressure is relieved.
- Whenever installing the filter closure FOLLOW THE FILTER CLOSURE WARNINGS EXACTLY.
- Once service on the circulating system is complete FOLLOW INITIAL START-UP INSTRUCTIONS EXACTLY.
- Maintain the circulation system properly. Replace worn or damaged parts immediately, (e.g., closure, pressure gauge, valve(s), o-rings, etc).
- Be sure that the filter is properly mounted and positioned according to the instructions provided.
NOTE: Turn off the power to the unit prior to attempting service or repair.
Problems and Corrective Actions
| PROBLEM | CAUSE | REMEDY |
| Pool water is not sufficiently clean | 1. Pool chemistry is not adequate to inhibit algae growth. 2. Too frequent a backwash cycle. 3. Improper amount or wrong sand size. 4. Inadequate turnover rate. | Maintain pool chemistry or consult pool service technician. |
| High filter pressure | 1. Insufficient backwashing. 2. Sand bed plugged with mineral deposits. 3. Partially closed valve. | Backwash until effluent runs clear. Chemically clean filter. Open the valve or remove the obstruction in the return line. |
| Short cycles | 1. Improper backwash. 2. Pool chemistry is not adequate to inhibit algae growth. 3. Plugged sand bed. 4. Flow rate too high. | Backwash until effluent runs clear. |
| PROBLEM | CAUSE | REMEDY |
| Return flow to pool diminished, low filter pressure | 1. Obstruction in pump hair and lint strainer. 2. Obstruction in the pump. 3. Obstruction in the suction line to pump. | Clean basket in pump strainer. Disassemble and clean the pump. Clean skimmer basket. Remove obstruction in lines. Open valves in the suction line. |
| Sand returning to the pool | 1. Broken underdrain lateral. | Replace broken or damaged laterals. |
| Sand loss to waste | 1. Backwash rate too high. 2. Improper sand size. 3. Air strainer is damaged or missing. | Reduce backwash flow rate. Change to proper sand. Replace damaged components. |
| Leak at closure | 1. Improperly tightened closure. 2. Dirt or contamination on the sealing surface. 3. Damaged part. | Shut off the pump, relieve tank pressure, open the air bleeder, and tighten closure properly. |
| Leak at bulkhead | 1. Improper tightened bulkhead assembly. 2. Dirt or contamination on sealing surfaces. 3. Damaged part. | Shut off the pump, relieve tank pressure, open air bleeder, remove closure, and remove sand to access leaking bulkhead onTR40, 50, 60, TR60 ClearPro, 100, 100C, 140or 140C. Holdthe2” bulkhead and tighten the 2” internal locknut. On the theTR100C 3/TR140C-3, using the special wrench, P/N 154020, hold the 3” flange spacer, and with a wrench, P/N154019, tighten the 3” flange adapter. Hand tightens plus 1/2 turn. |
Section 5 Replacement Parts
Pressure Drop Curve for the Triton® Series Fiberglass Sand Filters

Installing Multiple Filters with Tandem Filter Piping Kits
CAUTION: WHEN MULTIPLE FILTERS ARE INSTALLED, WE HIGHLY RECOMMEND THE USE OF A PENTAIR TANDEM FILTER PIPING KIT. THESE KITS INCLUDE PLUMBING SUPPORTS (BETWEEN INLET AND OUTLET PIPING AND BETWEEN OUTLET PIPING AND FLOOR) TO ASSURE THE INTEGRITY OF THE INSTALLATION.
SEE FIGURE A. 
TRITON® II & TR60 CLEAR PRO FIBERGLASS SAND FILTER
Replacement Parts
TR40/TR50/TR60/TR60 ClearPro/TR100/TR140

Filters manufactured after Dec 1, 1991, utilize a 6-in buttress thread in the filter tank top opening and on the closure, see Detail A.
Filters manufactured before Dec 1, 1991, utilize a 6 in. “V” type thread, see Detail B.
6 in. closures in Detail A. and B. are not interchangeable.


| MODEL | A DIM. | B DIM. | C DIM. | D DIM. |
| TR40 | 30 ½ in. | 19½ in. | 10 ¾ in. | 32 ½ in. |
| TR50 | 34 ¾ in. | 21½ in. | 11-7/8 in. | 36 ¾ in. |
| TR60 | 35 ½ in. | 24½ in. | 13-5/8 in. | 37 ½ in. |
| TR60 ClearPro | 35 ½ in. | 24½ in. | 13-5/8 in. | 37 ½ in. |
| TR100 | 39 ¾ in. | 30½ in. | 16 ¼ in. | 41 ¾ in. |
| TR140 | 45 ¼ in. | 36½ in. | 18 ¾ in. | 47 ¼ in. |
| Item No. | Part No. | TRITON II & TR60 CLEAR PRO SAND FILTERS Description |
| 1 | 154689 | Air bleeder/tee assy. |
| 2 | 154700 | Adapter – brass air bleeder |
| 3 | 155050 | Gauge – back mount pressure |
| 4 | 154661 | O-ring – air bleeder adapter |
| 5 | 154664 | Nut – 3/8 in. – 16 s/s |
| 6 | 154570 | Closure – 6 in. buttress thread, see Detail A |
| 6 | 154559 | Closure – 6 in. “V” thread Blk., see Detail B |
| 7 | 154493 | O-ring closure, white |
| 8 | 150035 | Strainer ECL/TR |
| 9 | 150039 | Tube air relief TR40 |
| 9 | 150040 | Tube air relief TR50/60 |
| 9 | 150041 | Tube air relief TR100 |
| 9 | 150042 | Tube air relief TR140 |
| 10 | 154598 | Diffuser assy. TR40/50 |
| 10 | 154599 | Diffuser assy. TR60 |
| 10 | 154462 | Diffuser assy. TR100 |
| 10 | 154906 | Diffuser assy. TR140 |
| 11 | 154803 | Piping assy. upper TR40 |
| 11 | 156814 | Piping assy. upper TR50 |
| 11 | 154533 | Piping assy. upper TR60 |
| 11 | 154426 | Piping assy. upper TR100 |
| 11 | 154500 | Piping assy. upper TR140 |
| 12 | 150036 | Connector air relief tube |
| 13 | 154801 | Piping assy. lower TR40 |
| 13 | 156816 | Piping assy. lower TR50 |
| 13 | 154805 | Piping assy. lower TR60 |
| 13 | 155284 | Piping assy. lower TR60 ClearPro -1/4 Turn Lateral |
| 13 | 154807 | Piping assy. lower TR100 |
| 13 | 154489 | Piping assy. lower TR140 |
| 14 | 154636 | Tank & ft. assy. TR40 – 6 in. btr.thd., Detail A |
| 14 | 154637 | Tank & ft. assy. TR50 – 6 in. btr. thd., Detail A |
| 14 | 154638 | Tank & ft. assy. TR60 – 6 in. btr. thd., Detail A |
| 14 | 154639 | Tank & ft. assy. TR100 – 6 in. btr. thd., Detail A |
| 14 | 154640 | Tank & ft. assy. TR140 – 6 in. btr. thd., Detail A |
TRITON® II and TR60 CLEAR PRO FIBERGLASS SAND FILTER
Replacement Parts
TR40/TR50/TR60/TR60 ClearPro/TR100/TR140
NOTES
Filters manufactured after Dec 1, 1991, utilize a 6 in. buttress thread in the filter tank top opening and on the closure, see Detail A.
Filters manufactured before Dec 1, 1991, utilize a 6 in. “V” type thread, see Detail B.
6 in. closures in Detail A. and B. are NOT interchangeable.
To determine the manufacture date, the first 4 digits of the serial number indicate the month and year the product was manufactured.
TR60 ClearPro – 1/4 Turn Lateral for filters manufactured after May 15, 2007, utilize Lower Piping Assy. P/N 155284.

| Item No. | Part No. | TRITON II & TR60 CLEAR PRO SAND FILTERS Description |
| 15 | 152290 | Lateral – 6 11/16 in. L TR40/50/60, 8 req. |
| 15 | 150085 | Lateral Assy. – 1/4 turn TR60, 6 req. |
| 15 | 150088 | Lateral Assy. – TR60 ClearPro, 6 req. |
| 15 | 152202 | Lateral – 9 1/8 in. L TR100, 8 req. ❷ |
| 15 | 154543 | Lateral – 6½ in. L TR100, 8 req. ❶ |
| 15 | 154540 | Lateral – 12 in. L TR140, 8 req. |
| 16 | 154763 | Hub Lateral TR40/50/60 |
| 16 | 152222 | Hub Assy. TR60 ClearPro |
| 16 | 154453 | Hub Lateral TR100/140 |
| 17 | 152220 | Sand drain 2 in. ❻ |
| 17 | 154698 | Spigot ¾ in. NPT sand drain ❹ |
| 17 | 154685 | Spigot ½ in. NPT sand drain ❸ |
| 18 | 154871 | Cap thd. 1½ in. ❻ |
| 18 | 357161 | Plug ¼ in. NPT drain |
| 19 | 154512 | Wrench 6 in. closure |
| 19 | 154510 | Wrench closure aluminum |
| 19 | 151608 | Wrench 8½ in. closure aluminum |
| 20 | 154412 | Locknut 2 in. internal, 2 req. |
| 21 | 154416 | Spacer 2 in. internal, 2 req. |
| 22 | 154492 | O-ring 2 in. bulkhead, 2 req. |
| 23 | 154408 | Spacer 2 in. external, 2 req. |
| 24 | 154538 | Gasket 2 in. bulkhead, 2 req. |
| 25 | 154405 | Bulkhead 2 in., 2 req. |
| 26 | 274494 | O-ring 3/16 in. X 2 5/8 in. i.d. ❻ |
| 26 | 192115 | O-ring #2-12 air adapter |
| 27 | 154418 | Washer 3/8 in. s/s |
| 28 | 154926 | Foot 16 in. dia., TR40/50 (see NOTE 1) |
| 28 | 154520 | Foot 19 in. dia., TR60 (see NOTE 1) |
| 28 | 154596 | Foot 24 in. dia., TR100/140 (see NOTE 1) |
| 29 | 274494 | O-ring valve adptr., 2 req. |
| 30 | 271092 | 2 in. thd. adptr. kit ❺ |
| 31 | 271094 | 1½ in. thd. adptr. kit ❺ |
| 32 | 271096 | 1½ in. & 2 in. slip adptr. kit ❺ |
| 33 | 154641 | Kit closure, 6 in. buttress thd., Blk., DETAIL A |
| 33 | 154697 | Kit closure, 6 in. “V” thd., Tan, DETAIL B |
| 33 | 154856 | Kit closure, 8½ in. buttress thd., Blk. |
| 34 | 154687 | Fitting package complete (see NOTE 2) |
| 35 | 154611 | Spacer air vent strainer 3¾ in. TR40 |
| 35 | 154612 | Spacer air vent strainer 4½ in. TR50/60 |
| 35 | 154613 | Spacer air vent strainer 5½ in. TR100 |
| 35 | 154614 | Spacer air vent strainer 5 in. TR140 |
| 154402 | Tape ft. mounting TR40/50/60, 3 req. | |
| 154407 | Tape ft. mounting TR100/140, 3 req. | |
| 151602 | Bulkhead wrench 2 in. | |
| 154714 | Bulkhead kit, include items 20-25 |
TRITON® II and TR60 CLEAR PRO FIBERGLASS SAND FILTER
Replacement Parts
TR40/TR50/TR60/TR60 ClearPro/TR100/TR140
NOTES
Filters manufactured after Dec 1, 1991, utilize a 6 in. buttress thread in the filter tank top opening and on the closure, see Detail A.
Filters manufactured before Dec 1, 1991, utilize a 6 in. “V” type thread, see Detail B.
6 in. closures in Detail A. and B. are NOT interchangeable.
To determine the manufacture date, the first 4 digits of the serial number indicate the month and year the product was manufactured.
- Used on Filters manufactured before 5-85.
- Used on Filters manufactured after 5-85.
- Used on Filters manufactured before 3-83.
- Used on Filters manufactured after 3-83 thru 3-96.
- For Installations w/out Valve (Pair).
- Used on TR100 & 140 Filters.
NOTE 1: Replacement of tank foot requires the use of foot mounting tape. See P/N’s.
NOTE 2: Fitting package includes items 1, 2, 4, 5, and 27.
TRITON® 100HD, 100C & 140C FIBERGLASS SAND FILTER
Replacement Parts
TR100HD/TR100C/TR140C

| MODEL | A DIM. | B DIM. | C DIM. | D DIM. |
| TR100HD | 39¾ in. | 30½ in. | 16¼ in. | 41¾ in. |
| TR100C | 39¾ in. | 30½ in. | 16½ in. | 43¾ in. |
| TR140C | 45¼ in. | 36½ in. | 18¾ in. | 49¼ in. |
| Item No. | Part No. | TR100HD, TR100C & TR140C SAND FILTERS Description |
| 1 | 273512 | Air bleeder w/ o-ring |
| 2 | 273513 | O-ring air bleeder screw |
| 3 | 273564 | Manual air relief body assy. |
| 4 | 155050 | Pressure Gauge |
| 4 | 991481 | Pressure Gauge TR100C/TR100HD ❷ |
| 5 | 274494 | O-ring 3/16 in. X 2-5/8 in. i.d.. |
| 6 | 273564 | Valve body machined |
| 7 | 154575 | Closure 8½ in. buttress |
| 8 | 152509 | Square ring 8½ in. |
| 9 | 154599 | Diffuser TR100C/TR100HD ❶ |
| 9 | 154599 | Diffuser TR140C ❶ |
| 10 | 156355 | Piping assy. upper TR100C/TR100HD/ TR140C ❶ |
| 11 | 156344 | Piping assy. upper inlet TR100C/TR100HD/ TR140C |
| 12 | 156354 | Piping connecting assy. upper TR140C |
| 13 | 154412 | Nut 2 in. internal |
| 14 | 153430 | Tank & ft. assy. TR100C/TR100HD – 8½ in. btr. THD. – Blk |
| 14 | 153431 | Tank & ft. assy. TR140C – 8½ in. btr. THD. – Blk |
| 14 | 156224 | Tank & ft. assy. TR100HD – btr. thd. – Blk ❷ |
| 15 | 154453 | Hub lateral TR100C/TR100HD/TR140C |
| 16 | 154596 | Foot 24 in. dia. TR100C/TR100HD/TR140C |
| 17 | 152202 | Lateral 9 1/8 in. TR100C/TR100HD, 8 req. |
| 17 | 154540 | Lateral 12 in. TR140C, 8 req. |
| 18 | 154412 | Locknut 2 in. internal |
| 19 | 154416 | Spacer 2 in. internal |
| 20 | 154492 | O-ring 2 in. bulkhead |
| 21 | 154408 | Spacer 2 in. external |
| 22 | 154538 | Gasket 2 in. bulkhead |
| 23 | 154405 | Bulkhead 2 in. |
| 24 | 274494 | O-ring 3/16 in. X 2 5/8 in. i.d. |
| 154407 | Tape ft. mounting | |
| 25 | 152220 | 2 in. sand drain |
| 26 | 154871 | Cap thd. 1½ in. |
| 27 | 154527 | Wrench 8½ in. closure |
| 27 | 151608 | Wrench 8½ in. aluminum |
| 28 | 154807 | Piping assy. lower TR100C/TR100HD |
| 28 | 154489 | Piping assy. lower TR140C |
| 29 | 150036 | Connector air relief tube |
TRITON® 100HD, 100C & 140C FIBERGLASS SAND FILTER
Replacement Parts
TR100HD/TR100C/TR140C
| Item No. | Part No. | TR100HD, TR100C & TR140C SAND FILTERS Description |
| 30 | 273071 | Screw #14 18-8 TR100C/TR100HD ❶ |
| 31 | 150041 | Tube air relief TR100C/TR100HD |
| 31 | 150042 | Tube air relief TR140C |
| 32 | 150035 | Strainer air relief |
| 33 | 274494 | O-ring valve adptr. |
| 34 | 271096 | 1½ in. & 2 in. slip adptr. kit for inst. w/o valve (pair) |
| 35 | 271092 | 2 in. thd. adptr. kit for inst. w/o valve (pair) |
| 36 | 271094 | 1½ in. thd. adptr. kit for inst. w/o valve (pair) |
| 37 | 154856 | Kit closure 8½ in. btr. THD. – Blk. |
| 37 | 155738 | Kit closure 8½ ❷ |
NOTES
- Different quantities are required for TR100C and TR140C Filters.
- Used on TR1000HD Filters
TRITON® 100C-3 & 140C-3 FIBERGLASS SAND FILTER
Replacement Parts
TR100C-3/ TR140C-3

| MODEL | A DIM. | B DIM. | C DIM. | D DIM. |
| TR100C-3 | 39¾ in. | 30½ in. | 16-1/16 in. | 43¾ in. |
| TR140C-3 | 45¼ in. | 36½ in. | 18½ in. | 49¼ in. |
| Item No. | Part No. | TRITON 100C-3 &140C-3 SAND FILTERS Description |
| 1 | 273512 | Air bleed with o-ring ❷❸ |
| 2 | 273513 | O-ring air bleeder screw ❷ |
| 3 | 273564 | Valve body machined ❷ |
| 4 | 155050 | Pressure gauge ❷ |
| 5 | 154494 | O-ring adapter, 6 in. ❷ |
| 6 | 273564 | Manual air relief assy. ❷ |
| 7 | 154575 | Closure 8½ in. ❷ |
| 8 | 154412 | Nut 2 in. internal ❷ |
| 9 | 152509 | Square ring closure ❷❸ |
| 10 | 154527 | Wrench 8½ in. closure ❷ |
| 11 | 154856 | Kit 8½ in. closure buttress thd. ❷ |
| 11 | 156842 | Kit 8½ in. closure w/gasket ❹ |
| 12 | 153430 | Tank & ft. assy. TR100C-3 – buttress |
| 12 | 153431 | Tank & ft. assy. TR140C-3 – buttress |
| 13 | 154007 | Upper piping assy. TR100C-3 |
| 13 | 154008 | Upper piping assy. TR140C-3 |
| 14 | 154005 | O-ring Parker 2-343, 2 req. |
| 15 | 154002 | Spacer 3 in., 2 req. |
| 16 | 154004 | O-ring Parker 2-342, 2 req. |
| 17 | 154003 | Flange 3 in., 2 req. |
| 18 | 154001 | Adapter flange 3 in., 2 req. |
| 19 | 154009 | Lower piping assy. TR100C-3 |
| 19 | 154010 | Lower piping assy. TR140C-3 |
| 20 | 154596 | Foot 24 dia. TR100C-3/140C-3 |
| 21 | 152202 | Lateral 9 in. TR100C-3, 8 req. |
| 21 | 154540 | Lateral 12 in. TR140C-3, 8 req. |
| 22 | 154871 | Cap thd. 1½ in. |
| 23 | 152220 | Sand drain 2 in. |
| 24 | 274494 | O-ring 3/16 in. X 2 5/8 in. i.d., 2 req. |
| 25 | 154441 | Connector air relief tube |
| 26 | 150041 | Tube air relief TR100C-3 (23 in.) |
| 26 | 150042 | Tube air relief TR140C-3 (27 in.) |
| 27 | 154018 | Diffuser piping assy. TR140C-3, 2 req. |
| 28 | 552474 | Screw – #10-1½ in. flathead Phillips, 2 req. |
| 29 | 154599 | Diffuser – 2 read. for TR100C-3 |
| 29 | 154599 | Diffuser – 4 req’d. for TR140C-3 |
TRITON® 100C-3 & 140C-3 FIBERGLASS SAND FILTER
Replacement Parts
TR100C-3/TR140C-3
| Item No. | Part No. | TRITON 100C-3 &140C-3 SAND FILTERS Description |
| 30 | 150035 | Strainer ELC/TR |
| 31 | 190058 | Pressure Gauge, ¼ in. psi ❸ |
| 32 | 154581 | Knob TR oval ❸ |
| 33 | 154582 | Spring TR oval ❸ |
| 34 | 154579 | Bridge TR oval ❸ |
| 35 | 154576 | Closure-oval ❸ |
| 36 | 156841 | Kit TR oval closure ❶❸ |
NOTES
- P/N 156841 includes items: 1, 9, 31 thru 35.
- Used on filters manufactured before 3-97.
- Used on filters manufactured after 3-97.
- Used on filters manufactured after 4-15.
NOTES
SAVE THESE INSTRUCTIONS
1620 HAWKINS AVE., SANFORD, NC 27330 • (919) 566-8000
10951 WEST LOS ANGELES AVE., MOORPARK, CA 93021 • (805) 553-5000
WWW.PENTAIRPOOL.COM
© 2015 Pentair Water Pool and Spa, Inc. All rights reserved.
This document is subject to change without notice. 

Table 2.


















