HUF13145 Door Handle with NFC

General description of the door-handle
The Door-Handle HUF13145 with NFC is equipped with sensors that enable users of a car with passive entry system to lock/unlock the doors by carrying the key fob or an authorised NFC-Device with them.

NFC-Reader:
When an NFC-Device approaches to the NFC-Antenna, the door handle sends a signal to the electronic control unit to initiate the authorisation sequence for unlocking or locking the door.
Communication Interfaces
Following picture shows a simplified diagram of the system.
The door-handle communicates with the Electronic Control Unit (ECU) by using one-wire interface and with the NFC-Device by using Near Field Communication. 
- Communication with the NFC-Device
- Near Field Communication between the door-handle and the NFC-Device.
- Communication with the ECU
- Bidirectional communication with the ECU during the NFC-authorisation sequence
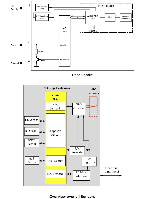
Block diagram

Technical data
Electrical characteristics
| min. | typ. | max. | Unit | |
| Voltage | 8.5 | 12 | 16 | V |
| Temperature | -40 | +85 | °C |
- Quiescent current: Iquies ≤ 400μA for Active current: Iactive ≤ 250mA
Connector definition
Counterpart: TE Nr. 1-2236656-1 6pol Bu-Geh Daimler
General NFC specification
- Standards: ISO 14443-A
- Communication role: Proximity Coupling Device (PCD)
- Anti-collision support: Yes
- Communication range: ≤ 2cm approx. (dependent on Proximity Integrated Circuit Card (PICC))
- Type of NFC antenna: PCB Loop antenna
- NFC Frequency rate: 13.56 MHz ± 7 kHz
- Data rate: 106 kb/s
- Type of modulation: ISO 14443-A → Load modulation OOK
- Test Modes
- NFC Field-On: The Door-Handle produces a high frequency electromagnetic field (13.56 MHz)
NFC-A Frames: The Door-Handle produces frames of high frequency electromagnetic field (13.56 MHz) and modulates its amplitude according to ISO 14443-A in order to transmit data. The Inter-frame space is 5ms
- NFC Field-On: The Door-Handle produces a high frequency electromagnetic field (13.56 MHz)
Declaration of Conformity, product Label
Radio equipment authorization to FCC in USA
The transmitter will be supplied as an original equipment device to the car manufacturer.
According to 47 CFR 15.19 (labelling requirements) the car manufacturer will print the following text in the appropriate User’s Manual of the car: This device complies with Part 15 of the FCC Rules. Operation is subject to the following two conditions:
- This device may not cause harmful interference, and
- This device must accept any interference received, including interference that may cause undesired operation.
Usually this is followed by the following FCC caution:
Any changes or modification not expressly approved by the party responsible for compliance could void the user’s authority to operate this equipment.
Radio equipment authorization to RSS-210 in Canada
The transmitter will be supplied as an original equipment device to the car manufacturer.
According to RSS-210 (labelling requirements) the car manufacturer will print the following text in the appropriate User’s Manual of the car: This device complies with Industry Canada licence-exempt RSS standard(s). Operation is subject to the following two conditions:
- This device may not cause harmful interference, and
- This device must accept any interference received, including interference that may cause undesired operation.
Usually this is followed by the following RSS caution:
Any changes or modification not expressly approved by the party responsible for compliance could void the user’s authority to operate this equipment.
Regulatory Information
USA:
This device complies with Part 15 of the FCC Rules. Operation is subject to the following two conditions:
- This device may not cause harmful interference, and
- This device must accept any interference received, including interference that may cause undesired operation.
Any changes or modification not expressly approved by the party responsible for compliance could void the user’s authority to operate this equipment.
Kanada:
This device complies with Industry Canada licence-exempt RSS standard(s). Operation is subject to the following two conditions:
- This device may not cause harmful interference, and
- This device must accept any interference received, including interference that may cause undesired operation.
Any changes or modification not expressly approved by the party responsible for compliance could void the user’s authority to operate this equipment.
Location of product label
The labelling with radio certification marks, the product model and the manufacturer logo, country code and control identification data can be found at the door-handle.
Position of the labelling is on the back side of the NFC Module:



















