
Auto Hose Reel
Instruction Manual 
Please read these operating instructions carefully and note the information given. Use these operating instructions to familiarize yourself with the product, the proper use and the safety instructions.
Correct use:
The Hose Reel is provided with auto rewind system and intended for use in the private home and hobby garden or car washing etc.
NOTE: The product could not be used to transmit drinking water!
Please hold the hose stop ball when the hose retracts.
Please pull out at least one meter of hose when it returns.
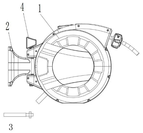
Parts list:
| No | Description | Quantity | Picture |
| 1 | Hose reel | 1 | ![]() |
| 2 | Mounting bracket | 1 | |
| 3 | Self-tapping screws | 4 | |
| 4 | Fixing pin | ||
Installation:
- Take out the unit and accessories from the box,
- Choose a suitable place near source of wa ter.
- Take the mounting bracket as a template to mark the position for screws and drill four holes on the wall( Fig.2)

- Fix the bracket by four self-taping screws accordingly. (Fig.1)
- Connect the reel to the mounting bracket.(Fig.3)

Note: 1. The reel should be installed to a wall or post horizontally.
2. It is suggested to mount the reel approximately 1 meter above the ground.
Operation
Connect the leader hose to the water source, then turn on the tap,
Unwind
– Pull out hose to desired length and stop anywhere. Roll up the hose
– With the end of the hose, go back to the Hose Box.
– Turn off the faucet, loosen the connector of lead hose
Storage
Cleaning
The hose box is maintenance-free and must not be cleaned internally with water.
Maintenance
– When not in use, please turn off the source of water, and turn on the nozzle to release the pressure
– The reel can not be used to transmit any chemical and substance
– When not in use for an extended period of time it is recommended to be stored in a cool dry place.
Troubleshooting
| Default | Reason | Solution |
| The hose could not retract | Pull out all the hose,then it is locked, and left no more length to unlock | Go through the window to turn the reel for half a turn in the direction of hose being pulled out. |
| Spring is fatigued | Please re-preload the spring for 1-2 turns: remove the small cover, use spanner to clamp the groove of preload wheel, unscrew four bolts on the wheel, then rotate it for 1-2 turns in counterclockwise, then fasten the bolts, and replace the cover.Fig.4 |























