Ai-Thinker ESP-12K Wireless WiFi Module
Disclaimer and copyright notice
The information in this article, including the URL for reference, is subject to change without notice. The document is provided “as is” without any guarantee responsibility, including any guarantee of marketability, suitability for a specific purpose or non-infringement, and any guarantee mentioned elsewhere in any proposal, specification or sample. This document assumes no responsibility, including any liability for infringement of any patent rights arising from the use of the information in this document. This document does not grant any license to use intellectual property rights, whether express or implied, by estoppel or other means. The test data obtained in this article are all obtained by Exin Lab’s laboratory tests, and the actual results may be slightly different. The Wi-Fi Alliance member logo is owned by the Wi-Fi Alliance. All trademark names, trademarks and registered trademarks mentioned in this article are the property of their respective owners and are hereby declared. The final interpretation right belongs to Shenzhen Anxinke Technology Co., Ltd.
Notice
The contents of this manual may change due to product version upgrades or other reasons. Shenzhen Anxinke Technology Co., Ltd. reserves the right to modify the contents of this manual without any notice or prompt. This manual is only used as a guide. Shenzhen Anxinke Technology Co., Ltd. makes every effort to provide accurate information in this manual, but Shenzhen Anxinke Technology Co., Ltd. does not guarantee that the contents of the manual are completely error-free. And the suggestion does not constitute any express or implied guarantee.
PRODUCT DESCRIPTION
ESP-12K is a Wi-Fi module developed by Ensink Technology. The core processor ESP32-S2 of this module is a highly integrated low-power Wi-Fi system-on-chip (SoC) designed for the Internet of Things (IoT) , Mobile devices, wearable electronic devices, smart home, and other applications. ESP32-S2 has industry-leading low-power performance and RF performance supports IEEE802.11b / g / n protocol, integrates Wi-Fi MAC, Wi-Fi RF and baseband, RF switch, RF Balun, power amplifier, low noise Amplifier, etc. The ESP32-S2 chip is equipped with Xtensa® 32-bit LX7 single-core processor, and its operating frequency is up to 240 MHz. The chip supports secondary development without the use of other microcontrollers or processors. The chip has 320 KB SRAM and 128 KB ROM and can be connected to flash and RAM through SPI / QSPI / OSPI and other interfaces. ESP32-S2 supports a variety of low-power operating states to meet the power consumption requirements of various application scenarios. The unique fine clock gating function, dynamic voltage clock frequency adjustment function, and RF output power adjustable function of the chip can achieve the best balance between communication distance, communication rate, and power consumption. ESP32-S2 provides a wealth of peripheral interfaces, including SPI, I2S, UART, I2C, LED PWM, LCD interface, Camera interface, ADC, DAC, touch sensor, temperature sensor and up to 43 GPIO.It supports the expansion of PSRAM on the periphery of the chip, and the ESP-12K module can be equipped with PSRAM. In addition, it includes a full-speed USB On-The-Go (OTG) interface that can support the use of USB communication. ESP32-S2 has a variety of unique hardware security mechanisms. The hardware encryption accelerator supports AES, SHA, and RSA algorithms. The RNG, HMAC and Digital Signature (Digital Signature) modules provide more security features. Other security features include flash encryption and secure boot (secure boot) signature verification. The perfect security mechanism enables the chip to be perfectly applied to various encryption products.
Features
- Complete 802.11b / g / n Wi-Fi SoC module, data rate up to 150Mbps
- Built-in ESP32-S2 chip, Xtensa® single-core 32-bit LX7 microprocessor, support up to 240 MHz clock frequency, with 128KB ROM, 320KB SRAM, 16KB RTC SRAM
- Support UART / GPIO / ADC / PWM / SPI / I2C / LCD / I2S / Camera / IR / USB /DAC interface, support touch sensor, temperature sensor, pulse counter
- SMD-42 packaging
- Integrate Wi-Fi MAC/ BB/RF/PA/LNA
- Support multiple sleep modes, deep sleep current is less than10uA
- Serial port speed up to4Mbps
- Built-in Lwip protocol stack
- Support STA/AP/STA+AP work mode
- Smart Config (APP) / AirKiss (WeChat) one-click distribution network supporting Android and IOS
- Support serial local upgrade and remote firmware upgrade (FOTA)
- General AT command can be used quickly
- Support secondary development, integrated Windows, Linux development environment
- About PSRAM:
ESP-12K supports optional PSRAM, the default 2 kinds of PSRAM configuration, the shield can be distinguished on the silkscreen. For details, please refer to the product appearance drawing.
- ESP-12K(00) without PSRAM
- ESP-12K(08) configuration 8MByte PSRAM
Main parameter
| Model Name | ESP-12K |
| Packaging | SMD-42 |
| Size | 31.0*18.0*3.0(±0.2)MM |
| Antenna | PCB antenna/IPEX connector |
| Spectrum range | 2400 ~ 2483.5MHz |
| Work Temperature | -40 ℃ ~ 85 ℃ |
| Storage environment | -40 ℃ ~ 125 ℃ , < 90%RH |
| Power Supply Range | Voltage 3.0V ~ 3.6V,Current >500mA |
| Interface | UART/GPIO/ADC/PWM/SPI/I2C/LCD/I2S/Camera/IR/USB/DA C |
| IO port qty | 37 |
| Serial rate | Support 110 ~ 4608000 bps ,default 115200 bps |
| Safety | WEP/WPA-PSK/WPA2-PSK |
| SPI Flash | Default 32Mbit |
| PSRAM | Optional without PSRAM or 8MByte PSRAM |
ELECTRICAL PARAMETER
| Parameter | Condition | Min | Typical | Max | Unit | |
| Voltage | VDD | 3.0 | 3.3 | 3.6 | V | |
|
I/O | VIL/VIH | – | -0.3/0.75VIO | – | 0.25VIO/3.6 | V |
| VOL/VOH | – | N/0.8VIO | – | 0.1VIO/N | V | |
| IMAX | – | – | – | 12 | mA | |
RF performance
| Description | Typical | Unit |
| Work frequency | 2400 – 2483.5 | MHz |
| Output power | ||
| In 11n mode HT40,PA output power is | 12±2 | dBm |
| In 11n mode HT20,PA output power is | 13±2 | dBm |
| In 11g mode,PA output power is | 14±2 | dBm |
| In 11b mode,PA output power is | 16±2 | dBm |
| Receive sensitivity | ||
| CCK, 1 Mbps | <=-96 | dBm |
| CCK, 11 Mbps | <=-88 | dBm |
| 6 Mbps (1/2 BPSK) | <=-91 | dBm |
| 54 Mbps (3/4 64-QAM) | <=-74 | dBm |
| HT20 (MCS7) | <=-71 | dBm |
| HT40 (MCS7) | <=-68 | dBm |
Power consumption
| Mode | Mix | Typical | Max | Unit |
| Send 802.11b, CCK 11Mbps, POUT=+17dBm | – | 190 | – | mA |
| Send 802.11g, OFDM 54Mbps, POUT =+15dBm | – | 145 | – | mA |
| Send 802.11n, MCS7, POUT =+13dBm | – | 120 | – | mA |
| Receive 802.11b,package length 1024bit, -80dBm | – | 63 | – | mA |
| Receive 802.11g, package length 1024, -70dBm | – | 63 | – | mA |
| Receive 802.11n,package length 1024bit, -65dBm | – | 68 | – | mA |
| Modem-Sleep① | – | 20 | – | mA |
| Light-Sleep② | – | 1.4 | – | mA |
| Deep-Sleep③ | – | 20 | – | μA |
| Power Off | – | 0.5 | – | μA |
The following power consumption data is based on a 3.3V power supply, an ambient temperature of 25 ° C, and is measured using an internal voltage regulator.
- All measurements are done at the antenna interface without SAW filters.
- All transmission data is based on a 90% duty cycle, measured in continuous transmission mode.
DIMENSION
ESP-12K(00)
ESP-12K(08)
PIN DEFINITION
The ESP-12K module has a total of 42 interfaces, such as the pin diagram, the pin function definition table is the interface definition
ESP-12K PIN definition diagram
List PIN function definition
| No. | item | Function Description |
| 1 | GND | ground |
| 2 | VCC | Power supply |
| 3 | IO0 | RTC_GPIO0, GPIO0 |
| 4 | IO1 | RTC_GPIO1, GPIO1, TOUCH1, ADC1_CH0 |
| 5 | IO2 | RTC_GPIO2, GPIO2, TOUCH2, ADC1_CH1 |
| 6 | IO3 | RTC_GPIO3, GPIO3, TOUCH3, ADC1_CH2 |
| 7 | IO4 | RTC_GPIO4, GPIO4, TOUCH4, ADC1_CH3 |
| 8 | IO5 | RTC_GPIO5, GPIO5, TOUCH5, ADC1_CH4 |
| 9 | IO6 | RTC_GPIO6, GPIO6, TOUCH6, ADC1_CH5 |
| 10 | IO7 | RTC_GPIO7, GPIO7, TOUCH7, ADC1_CH6 |
| 11 | IO8 | RTC_GPIO8, GPIO8, TOUCH8, ADC1_CH7 |
| 12 | IO9 | RTC_GPIO9, GPIO9, TOUCH9, ADC1_CH8, FSPIHD |
| 13 | IO10 | RTC_GPIO10, GPIO10, TOUCH10, ADC1_CH9, FSPICS0, FSPIIO4 |
| 14 | IO11 | RTC_GPIO11, GPIO11, TOUCH11, ADC2_CH0, FSPID, FSPIIO5 |
| 15 | IO12 | RTC_GPIO12, GPIO12, TOUCH12, ADC2_CH1, FSPICLK, FSPIIO6 |
| 16 | IO13 | RTC_GPIO13, GPIO13, TOUCH13, ADC2_CH2, FSPIQ, FSPIIO7 |
| 17 | IO14 | RTC_GPIO14, GPIO14, TOUCH14, ADC2_CH3, FSPIWP, FSPIDQS |
| 18 | IO15 | RTC_GPIO15, GPIO15, U0RTS, ADC2_CH4, XTAL_32K_P |
| 19 | IO16 | RTC_GPIO16, GPIO16, U0CTS, ADC2_CH5, XTAL_32K_N |
| 20 | IO17 | RTC_GPIO17, GPIO17, U1TXD, ADC2_CH6, DAC_1 |
| 21 | IO18 | RTC_GPIO18, GPIO18, U1RXD, ADC2_CH7, DAC_2, CLK_OUT3 |
| 22 | IO19 | RTC_GPIO19, GPIO19, U1RTS, ADC2_CH8, CLK_OUT2, USB_D- |
| 23 | IO20 | RTC_GPIO20, GPIO20, U1CTS, ADC2_CH9, CLK_OUT1, USB_D+ |
| 24 | IO21 | RTC_GPIO21, GPIO21 |
| 25 | IO26 | SPICS1, GPIO26 |
| 26 | GND | 接地 |
| 27 | IO33 | SPIIO4, GPIO33, FSPIHD |
| 28 | IO34 | SPIIO5, GPIO34, FSPICS0 |
| 29 | IO35 | SPIIO6, GPIO35, FSPID |
| 30 | IO36 | SPIIO7, GPIO36, FSPICLK |
| 31 | IO37 | SPIDQS, GPIO37, FSPIQ |
| 32 | IO38 | GPIO38, FSPIWP |
List Module startup mode description
| System startup mode | |||
| Pin | Default | SPI startup mode | Download startup mode |
| IO0 | Pull up | 1 | 0 |
| IO46 | Pull down | Irrelevant | 0 |
Note: Some pins have been pulled up internally, please refer to the schematic
SCHEMATIC DIAGRAM
DESIGN GUIDE
Application circuit
note
- The RC delay circuit needs to be added to the EN pin. It is recommended that R = 10kΩ and C = 0.1μF;
- GPIO18 as U1RXD needs to add a pull-up resistor externally.
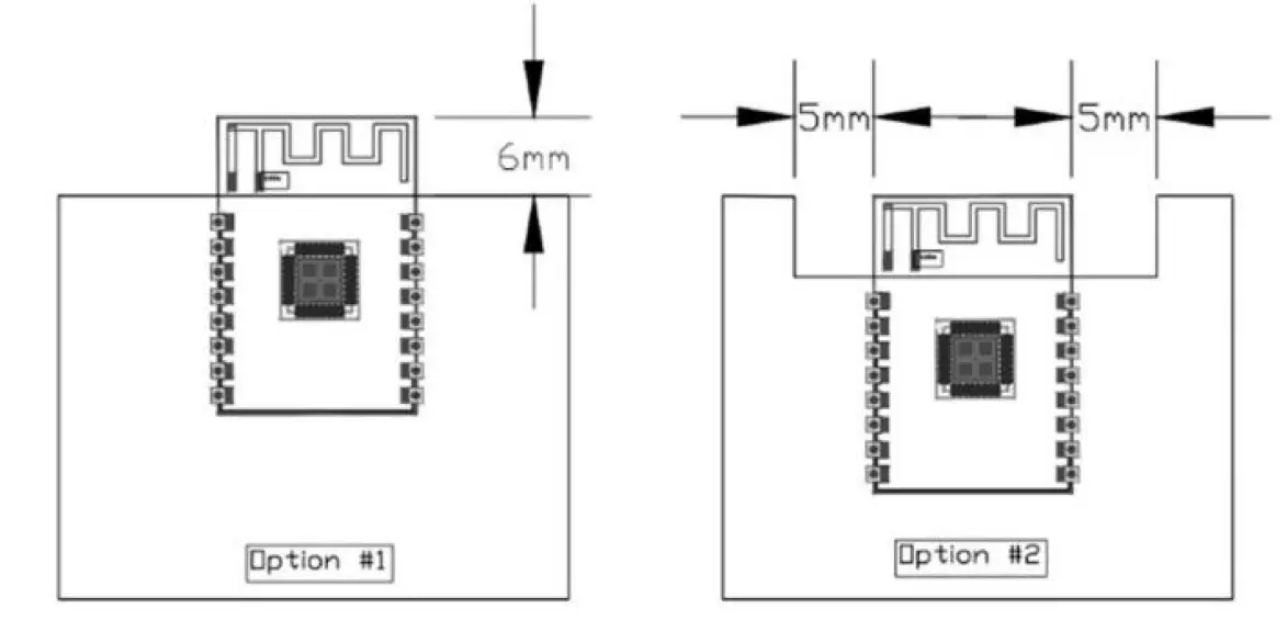
Antenna layout requirements
- The following two methods are recommended for the installation location on the motherboard:
- Option 1: Place the module on the edge of the mainboard, and the antenna area protrudes from the edge of the mainboard.
- Option 2: Place the module on the edge of the motherboard, and the edge of the motherboard digs out an area at the position of the antenna.
- In order to meet the performance of the onboard antenna, it is forbidden to place metal parts around the antenna, away from high-frequency devices.

Power supply
- 3.3V voltage is recommended, the peak current is more than 500mA
- It is recommended to use LDO for power supply; if using DC-DC, it is recommended to control the ripple within 30mV.
- It is recommended to reserve the position of the dynamic response capacitor in the DC-DC power supply circuit, which can optimize the output ripple when the load changes greatly.
- 3.3V power interface is recommended to add ESD devices.

- Use of GPIO port
- Some GPIO ports are led out of the periphery of the module. If you need to use a 10-100 ohm resistor in series with the IO port. This can suppress overshoot, and the level on both sides is more stable. Helps both EMI and ESD.
- For the up and down of the special IO port, please refer to the instruction manual of the specification, which will affect the startup configuration of the module.
- The IO port of the module is 3.3V. If the IO level of the main control and the module does not match, a level conversion circuit needs to be added.
- If the IO port is directly connected to the peripheral interface, or the pin header and other terminals, it is recommended to reserve ESD devices near the terminal of the IO trace.

PACKAGING
As shown below, the packaging of ESP-12K is taping.
CONTACT US
- Website:https://www.ai-thinker.com
- Development DOCS:https://docs.ai-thinker.com Official forum:http://bbs.ai-thinker.com
- Sample purchase:https://aithinker.onesite.alibaba.com/Business:[email protected]
- Technical support:[email protected]
- Add:408-410, Block C, Huafeng Smart Innovation Port,
- Tel:0755-29162996
Integration instructions for host product manufacturers according to KDB 996369 D03 OEM Manual v01 2.2 List of applicable FCC rules
The ESP-12K is an Wi-Fi Module with digitally modulated systems using a DSSS with DBPSK/DQPSK/CCK for 802.11b; OFDM with BPSK/QPSK/16QAM/64QAM for 802.11g/n; modulation. It operates on the 2400-2483.5MHz band and, therefore, is within U.S. FCC part 15.247 standard
Specific operational use conditions
The EUT is a Wi-Fi Module Operation Frequency: 2412-2462MHz for 802.11b/g/11n(HT20); 2422-2452MHz for 802.11n(HT40); Modulation Type: DSSS with DBPSK/DQPSK/CCK for 802.11b; OFDM with BPSK/QPSK/16QAM/64QAM for 802.11g/n; Number Of Channel: 11 channels for 802.11b/g/11n(HT20); 7 channels for 802.11n(HT40);
Antenna Designation: PCB Antenna
Antenna Gain: 3.0dBi ESP-12K is a Wi-Fi module developed by Ensink Technology. The core processor ESP32-S2 of this module is a highly integrated low-power Wi-Fi system-on-chip (SoC) designed for the Internet of Things (IoT) , Mobile devices, wearable electronic devices, smart home, and other applications. ESP32-S2 has industry-leading low-power performance and RF performance supports IEEE802.11b / g / n protocol, integrates Wi-Fi MAC, Wi-Fi RF and baseband, RF switch, RF Balun, power amplifier, low noise Amplifier, etc.
Limited module procedures
not applicable; Single Modular Approval Request
Trace antenna designs
Not applicable;
RF exposure considerations
To maintain compliance with FCC’s RF exposure guidelines, This equipment should be installed and operated with a minimum distance of 20cm the radiator your body: Use only the supplied antenna.
Antennas
The ESP-12K is a Wi-Fi Module that beams signals and communicates with its antenna, which is PCB Antenna. The PCB Antenna gain is 3.0dBi. The antenna could not be in a no-load state when the module is working. During debugging, it is suggested to add a 50 ohms load to the antenna port to avoid damage or performance degradation of the module under long-time no-load conditions.
Label and compliance information
The final end product must be labeled in a visible area with the following Host must Contain FCC ID: 2ATPO-ESP-12K. If the size of the end product is larger than 8x10cm, then the following FCC part 15.19 statement has to also be available on the label: This device complies with Part 15 of FCC rules. Operation is subject to the following two conditions:
- this device may not cause harmful interference and
- this device must accept any interference received, including interference that may cause undesired operation.
Information on test modes and additional testing requirements
The data transfer module demo board can control the EUT work in RF test mode at a specified test channel.
Additional testing, Part 15 Subpart B disclaimer
The module is without an unintentional-radiator digital circuit, so the module does not require an evaluation by FCC Part 15 Subpart B. The host should be evaluated by the FCC Subpart B.
ATTENTION
This device is intended only for OEM integrators under the following conditions:
- The antenna must be installed such that 20 cm is maintained between the antenna and users, and
- This device and its antenna(s) must not be co‐located with any other transmitters except in accordance with FCC multi‐transmitter product procedures. Referring to the multi‐transmitter policy, multiple transmitter(s) and module(s) can be operated simultaneously without C2P.
- For all products markets in the US, OEM has to limit the Operating Frequency: 2412-2462MHz by supplied firmware programming tool. OEM shall not supply any tool or info to the end‐user regarding Regulatory Domain change.
USERS MANUAL OF THE END PRODUCT:
In the user manual of the end product, the end-user has to be informed to keep at least 20cm separation with the antenna while this end product is installed and operated. The end-user has to be informed that the FCC radio‐frequency exposure guidelines for an uncontrolled environment can be satisfied. The end-user has to also be informed that any changes or modifications not expressly approved by the manufacturer could void the user’s authority to operate this equipment.
If the size of the end product is smaller than 8x10cm, then an additional FCC part 15.19 statement is required to be available in the user’s manual: This device complies with Part 15 of FCC rules. Operation is subject to the following two conditions:- this device may not cause harmful interference and
- this device must accept any interference received, including interference that may cause undesired operation.
FCC WARNING
This device complies with part 15 of the FCC Rules. Operation is subject to the following two conditions: Any changes or modifications not expressly approved by the party responsible for compliance could void the user’s authority to operate the equipment.
NOTE: This equipment has been tested and found to comply with the limits for a Class B digital device, pursuant to Part 15 of the FCC Rules. These limits are designed to provide reasonable protection against harmful interference in a residential installation. This equipment generates, uses, and can radiate radio frequency energy and, if not installed and used in accordance with the instructions, may cause harmful interference to radio communications. However, there is no guarantee that interference will not occur in a particular installation. If this equipment does cause harmful interference to radio or television reception, which can be determined by turning the equipment off and on, the user is encouraged to try to correct the interference by one or more of the following measures:
- Reorient or relocate the receiving antenna.
- Increase the separation between the equipment and receiver.
- Connect the equipment into an outlet on a circuit different from that to which the receiver is connected.
- Consult the dealer or an experienced radio/TV technician for help.

























