
ESP-13U WiFi Module
User Manual
ESP-13U Specification V1.0
ESP-13USpecification
Version V1.0 Copyright©2019
Disclaimer and copyright notice
The information in this article, including the URL address for reference, is subject to change without prior notice. The Documentation is provided “as is” without any warranty, including any warranties of merchantability, fitness for a particular purpose, or non-infringement, and any warranties mentioned in the proposal, specification or sample. This document is not responsible for any infringement of any patent rights arising out of the use of the information in this document. No license, express or implied, by estoppel or otherwise, is hereby granted.
The test data obtained in this paper are all obtained by the Ai-Thinker laboratory, and the actual results may be slightly different. The Wi-Fi alliance membership mark is owned by the WiFi alliance.
All trademark names, trademarks, and registered trademarks mentioned herein are the property of their respective owners and are hereby declared. The final interpretation right is owned by Shenzhen Ai-Thinker Technology Co., Ltd.
Note
The contents of this manual may be changed due to the version upgrade of the product or other reasons. Shenzhen Ai-Thinker Technology Co., Ltd. reserves the right to modify the contents of this manual without any notice. This manual is only used as a guide, and Shenzhen Ai-Thinker Technology Co., Ltd. makes every effort to provide accurate information in this manual, but Shenzhen Ai-Thinker Technology Co., Ltd. does not ensure that the contents of the manual are completely true,, All statements and information in this manual. and the recommendations do not constitute any warranty, express or implied.
Document development/revision/revocation resume
Version……………………………………………..V1.0
Date…………………………………………………….2020.10.28
Revised content…………………………………………… First Edition
Edition………………………………………………………….. Yuan Nannan
Approve……………………………………………
Product Overview
ESP-13U WiFi module was developed by Ai-Thinker Technology. The core processor of the module ESP8266 integrates the industry-leading Tensilica L106 ultra-low-power 32-bit micro MCU in a smaller package with 16-bit reduced mode. The main frequency supports 80 MHz and 160 MHz, supports RTOS, and integrates Wi-Fi MAC / BB / RF / PA / LNA.
ESP-13U WiFi module supports the standard IEEE802.11 b/g/n protocol, a complete TCP/IP protocol stack. Users can use this module to add networking capabilities to existing devices or to build separate network controllers.
The ESP8266 is a high-performance wireless SOC that offers maximum utility at the lowest cost and unlimited possibilities for embedding WiFi functionality into other systems.
ESP8266 has a complete and self-contained Wi-Fi network function, which can be used independently or run as a slave on other host MCU. When ESP8266 is applied independently, it can be started directly from an external flash. The built-in cache memory helps improve system performance and optimizes the storage system.
Another case is that ESP8266 can be used as a Wi-Fi adapter only through SPI / SDIO interface or UART interface, and can be applied to any microcontroller-based design.
ESP8266 is powerful on-chip processing and storage capabilities that make it possible to integrate sensors and other application-specific equipment through the GPIO port, greatly reducing the cost of early development.
Features
- Complete 802.11b / g / n Wi-Fi SoC module
- The core is Tensilica L106 low power 32-bit MCU, frequency supports 80 MHz and 160 MHz, supports RTOS
- Built-in 10-bit high-precision ADC
- Support UART/GPIO/ADC/PWM/SPI/I2C Interface
- Using SMD-18 package
- Integrated Wi-Fi MAC/ BB/RF/PA/LNA
- Support multiple sleep modes, the standby power consumption as low as 20uA
- UART baud speeds up to 4Mbps
- Embedded Lwip protocol stack
- Support STA/AP/STA+AP operation mode
- Smart Config (APP) / AirKiss (WeChat) support for Android and IOS
- Support UART port local upgrade and remote firmware upgrade OTA
- General AT commands can be used easily and quickly Support for second development, integration of WindowsLinux development environment
Parameters
Figure 1 Main Parameter
| Model | ESP-13U |
| Package | SMD-18 |
| Size | 28*14*3(±0.2)MM |
| Antenna | I-PEX, Customers can match their own antenna |
| Frequency range | 2400 ∼ 2483.5MHz |
| Operating IIITemperature | -40 r ‘‘’ 85 12 |
| Storage Temperature | -40 12 -I 125 12 , < 90%RH |
| Power supply range | Supply voltage 3.0V ” 3.6V, Supply current>500mA |
| Support Interface | UART/GPIO/ADC/PWM/SPI/I2C |
| I0 | 9 |
| UART Rate | Support 110 ” 4608000 bps, default 115200 bps |
| Security | WEP/WPA-PSK/WPA2-PSK |
| SPI Flash | Default 32Mbit |
| Certification | FCC, CE, RoHS, SRRC |
Electrical parameters
ESP-13U module is electrostatic sensitive equipment, special preventive measures should be taken during handling
Electrical characteristics
| Parameter | Condition | Min. | Typ. | Max. | Unit | |
| Supply voltage | VDD | 3.0 | 3.3 | 3.6 | V | |
|
I/O | VIL/VIH | – | -0.3/0.75VIO | – | 0.25VIO/3.6 | V |
| VOL/VOH | – | N/0.8VIO | – | 0.1VIO/N | V | |
| IMAX | – | – | – | 12 | mA | |
WIFI RF performance
| Description | Typ. | Unit |
| Operating frequency | 2400 – 2483.5 | MHz |
| Output power | ||
| 11n mode, PA output power | 13±2 | dBm |
| 11g mode, PA output power | 14±2 | dBm |
| 11b mode, PA output power | 16±2 | dBm |
| Receiving sensitivity | ||
| CCK, 1 Mbps | <=-90 | dBm |
| CCK, 11 Mbps | <=-85 | dBm |
| 6 Mbps (1/2 BPSK) | <=-88 | dBm |
| 54 Mbps (3/4 64-QAM) | <=-70 | dBm |
| HT20 (MCS7) | <=-67 | dBm |
Note: The maximum output power cannot be more than 18dBm
Power consumption
The following power consumption data are based on a 3.3 V power supply,25°C ambient temperature and measured using an internal voltage regulator.
- All measurements are completed at the antenna interface without SAW filters.
- all emission data were measured in the mode of continuous emission based on a 90% duty cycle.
| Mode | Min. | Typ. | Max. | Unit |
| Transfer802.11b, CCK 11Mbps, POUT=+17dBm | – | 170 | – | mA |
| Transfer802.11g, OFDM 54Mbps, POUT +15dBm | – | 140 | – | mA |
| Transfer802.11n, MCS7, POUT =+13dBm | – | 120 | – | mA |
| Receive 802.11 b, packet length 1024 bytes,-80 dBm | – | 50 | – | mA |
| Receive 802.11 g, packet length 1024 bytes,-70 dBm | – | 56 | – | mA |
| Receive 802.11 n, packet length 1024 bytes,-65 dBm | – | 56 | – | mA |
| Modem-Sleep① | – | 20 | – | mA |
| Light-Sleep② | – | 2 | – | mA |
| Deep-Sleep③ | – | 20 | – | uA |
| Power Off | – | 0.5 | – | uA |
Note
- Modem-sleep for applications that require CPU to remain in working condition, such as PWM or I2S applications, etc. And while maintaining a Wi-Fi connection, If there’s no data transfer, According to the 802.11 standards (e.g. U-APSD), close the Wi-Fi Modem circuit to save electricity. For example, at DTIM3per 300 ms sleep mode and waking up 3 ms to receive AP Beacon packets, the overall average current is about 20mA.
- Light sleep is used for CPU suspensive applications, like Wi-Fi switches. And while maintaining a Wi-Fi connection, If there’s no data transfer, could according to the 802.11 standards (e.g. U-APSD), turn off the Wi-Fi Modem circuit and pause the CPU to save electricity. For example, at DTIM3per 300 ms sleep mode and wake up 3 ms to receive AP Beacon packets, the overall average current is about 2mA.
- Deep sleep is used for applications that do not need to keep Wi-Fi connected all the time, and just sending a packet after a long time, every 100s to measure temperature, for example, need 0.3 s ~1 s to send data every 300s wake-up, and the overall average current is much less than 1mA. The current value of 20A is measured at 2.5V.
Appearance size
4. A complete Appearance size
RF exposure considerations
To maintain compliance with FCC’s RF exposure guidelines, This equipment should be installed and operated with a minimum distance of 20cm from the radiator of your body: Use only the supplied antenna and can not remove it.
Pin definition
ESP-13U has eighteen interfaces refer to the following Pin diagram
ESP-12F pin diagram
Table Pin function definition
No | Name | Function |
| 1 | 3V3 | 3.3V power supply(VDD) external power supply output current recommended above 500 mA |
| 2 | EN | chip enable end, high level efficient |
| 3 | IO14 | GPIO14/HSPI_CLK |
| 4 | IO12 | GPIO12/HSPI_MISO |
| 5 | IO13 | GPIO13/HSPI_MOSI/UART0_CTS |
| 6 | IO15 | GPIO15/MTDO/HSPICS/UART0_RTS |
| 7 | IO2 | GPIO2/UART1_TXD |
| 8 | IO0 | GPIO0; download mode: external pull-down, operating/running mode: suspension or external pull up |
| 9 13 18 | GND | Ground |
| 10 | IO4 | GPIO4 |
| 11 | RDX | UART0_RXD/GPIO3 |
| 12 | TXD | UART0_TXD/GPIO1 |
| 14 | IO5 | GPIO5/IR_R |
| 15 | RST | Reset |
| 16 | TOUT | ADC port |
| 17 | IO16 | GPIO16/ can wake up from deep sleep when you connect the RST pin |
Table Description of the ESP series module boot mode
Mode | CH_PD(EN) | RST | GPIO15 | GPIO0 | GPIO2 | TXD0 |
| Download mode | High | High | Low | Low | High | High |
| Operating mode | High | High | Low | High | High | High |
Note: Some of the pins inside the module had been pulled up or pulled down please refer to the schematic diagram.
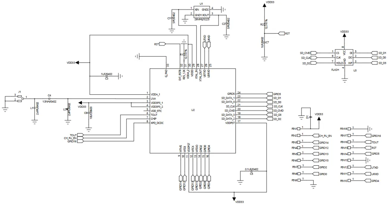
Schematics
Design Guidance
1Application Circuit
Note
Module external circuit, GPIO0 must pull up. VCC, GPIO15 must pull down to GND. EN and RST pin must pull to VCC.
Recommended Module Package Design Size
Note
This is the ESP-13U module package diagram, it is recommended to design the PCB plate according to this diagram so that the module can work normally on the PCB board, When designing the pad, we should pay attention to the fact that the specific module of the pad design on the PCB can not correspond to the internal shrinkage offset of the pad, but the expansion of the PCB pad relative to the module pad does not affect the use of the module.
Power Supply
- Recommended voltage 5V, Peak: Current over800mA.
- It is recommended to use the LDO power supply DC-DC is used, the ripple is controlled within 30 mV.
- DC-DC power supply circuit is recommended to reserve the position of the dynamic response capacitor, and the output ripple can be optimized when the load change is large.
- Proposed addition of ESD Devices to 5V Power supply Interface.

GPIO
- At the periphery of the module, some GPIO ports are led out, and a resistance of 10-100 ohms can be connected in series to the IO port for use. This suppresses overshoot and is more stable on both sides. Help for both EMI and ESD.
- For the up-and-down drawing of the special io-port, reference will be made to the use description of the specification, which will affect the start-up configuration of the module.
- The IO port of the module is 3.3 v. If the main control does not match the io-level of the module, it is necessary to increase the level conversion circuit.
- If the IO interface is directly connected to the peripheral interface, or the pins and other terminals, it is recommended to reserve the ESD device near the terminal at the IO trace.

Level switching circuit
Reflow Welding Curve
Package Information
As shown below, the packing of ESP-13U is in tape/reel.
Contacts
http://weixin.qq.com/r/Rjp4YNrExYe6rZ4D929U
Company website https://www.ai-thinker.com
Developer Wiki http://wiki.ai-thinker.com
Company forum http://bbs.ai-thinker.com
Sampling purchasing https://anxinke.taobao.com
Business cooperation [email protected]
Technology support [email protected]
Company addressSeventh floor, Building B, Xixiang street Baoan District, Shenzhen, China Contacts0755-29162996
OEM/Integrators Installation Manual
Important Notice to OEM integrators
INTEGRATION INSTRUCTIONS
FCC rules
The ESP-13U is a Wi-Fi Module with frequency hopping. It operates on the 2400 ~2500 MHz band and, therefore, is within U.S. FCC part 15.247 standard. Modular installation instruction
- ESP-13U Integrates high-speed GPIO and peripheral interface. Please pay attention to the installation direction (pin direction).
- The antenna could not be in a no-load state when the module is working. During debugging, it is suggested to add 50 ohms load to the antenna port to avoid damage or performance degradation of the module under long-time no-load conditions.
- When the module needs to output 15dBm or more power, it needs a voltage supply of 3.6V or more to achieve the expected output power.
- When working at full load, it is recommended that the entire bottom surface of the module be attached to the housing or heat dissipation plate, and it is not recommended to conduct heat dissipation through air or screw column heat conduction.
- UART1 and UART2 are serial ports with the same priority. The port which receives commands returns information.
Trace antenna designs
Not Applicable
Antennas
The ESP-13U is a BT Module that beams signals and communicates with its antenna, which is FPCB Antenna. The FPCB Antenna gain is 0.5dBi
LABEL OF THE END PRODUCT
The final end product must be labeled in a visible area with the following Host must Contain FCC ID: 2ATPO-ESP13U. If the size of the end product is larger than 8x10cm, then the following FCC part 15.19 statement has to also be available on the label: This device complies with Part 15 of FCC rules. Operation is subject to the following two conditions:
- this device may not cause harmful interference and
- this device must accept any interference received, including interference that may cause undesired operation.
Information on test modes and additional testing requirements Data transfer module demo board can control the EUT work in RF test mode at a specified test channel.
Additional testing, Part 15 Subpart B disclaimer The module is without an unintentional-radiator digital circuit, so the module does not require an evaluation by FCC Part 15 Subpart B. The host should be evaluated by the FCC Subpart B.
ATTENTION
This device is intended only for OEM integrators under the following conditions:
- The antenna must be installed such that 20 cm is maintained between the antenna and users, and
- This device and its antenna(s) must not be co-located with any other transmitters except in accordance with FCC multi-transmitter product procedures. Referring to the multi-transmitter policy, multiple transmitter(s) and module(s) can be operated simultaneously without C2P.
- For all products markets in the US, OEM has to limit the Operating Frequency: 2400 ~2500MHz by supplied firmware programming tool. OEM shall not supply any tool or info to the end-user regarding Regulatory Domain change.
USERS MANUAL OF THE END PRODUCT:
In the user manual of the end product, the end-user has to be informed to keep at least 20cm separation with the antenna while this end product is installed and operated. The end-user has to be informed that the FCC radio-frequency exposure guidelines for an uncontrolled environment can be satisfied. The end-user has to also be informed that any changes or modifications not expressly approved by the manufacturer could void the user’s authority to operate this equipment. If the size of the end product is smaller than 8x10cm, then an additional FCC part 15.19 statement is required to be available in the user’s manual: This device complies with Part 15 of FCC rules. Operation is subject to the following two conditions:
- this device may not cause harmful interference and
- this device must accept any interference received, including interference that may cause undesired operation.
FCC WARNING
This device complies with part 15 of the FCC Rules. Operation is subject to the following two conditions: Any changes or modifications not expressly approved by the party responsible for compliance could void the user’s authority to operate the equipment.
NOTE: This equipment has been tested and found to comply with the limits for a Class B digital device, pursuant to Part 15 of the FCC Rules. These limits are designed to provide reasonable protection against harmful interference in a residential installation. This equipment generates, uses, and can radiate radio frequency energy and, if not installed and used in accordance with the instructions, may cause harmful interference to radio communications. However, there is no guarantee that interference will not occur in a particular installation. If this equipment does cause harmful interference to radio or television reception, which can be determined by turning the equipment off and on, the user is encouraged to try to correct the interference by one or more of the following measures:
— Reorient or relocate the receiving antenna.
— Increase the separation between the equipment and receiver.
— Connect the equipment into an outlet on a circuit different from that to which the receiver is connected.
— Consult the dealer or an experienced radio/TV technician for help.



















