ELECTROBES ESP8266 WiFi Module

2A3SYMBL01 is a low-power embedded Wi-Fi module developed by Dongguan Techway Technology Co., Ltd. It consists of a It is composed of a highly integrated radio frequency chip BL2028N and a small number of peripheral devices, with a built-in Wi-Fi network protocol stack and Rich library functions.
2A3SYMBL01 Can support AP and STA dual-role connection, and support Bluetooth low energy connection at the same time. A 32-bit MCU with a maximum operating speed of 120 MHz, built-in 2Mbyte flash memory and 256 KB RAM, and 3 channels of 32-bit PWM output is very suitable for high-quality smart home control.
Model: WiFi Module
Model: 2A3SYMBL01
Input Voltage: 3V~3.6V
Power: 210mA
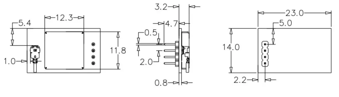
Product Picture as below

End Product Labeling
MBL01 has been labeled with its own FCC ID. The end product manufacturer must ensure that FCC labeling requirements are met. If the FCC ID of 2A3SYMBL01 is not visible when the module is installed inside another device, then the device must have a clearly visible label containing the following information:
Contains FCC ID: 2A3SYMBL01
Note 1: This module certified that complies with RF exposure requirement under mobile or fixed condition, this module is to be installed only in mobile or fixed applications.
A separate approval is required for all other operating configurations, including portable configurations with respect to Part 2.1093 and difference antenna configurations.
This transmitter must not be co-located or operating in conjunction with any other antenna or transmitter.
Note 2: Any modifications made to the module will void the Grant of Certification, this module is limited to OEM installation only and must not be sold to end-users, end-user has no manual instructions to remove or install the device, only software or operating procedure shall be placed in the end-user operating manual of final products.
Note 3:Additional testing and certification may be necessary when multiple modules are used.
Note 4: The module may be operated only with the antenna with which it is authorized. Any antenna that is of the same type and of equal or less directional gain as an antenna that is authorized with the intentional radiator may be marketed with, and used with, that intentional radiator.
This product must be professionally installed to ensure that no antenna other than that furnished by the responsible party shall be used with the device
Warning: Changes or modifications to this unit not expressly approved by the party responsible for compliance could void the user’ s authority to operate the equipment.
This device complies with Part 15 of the FCC Rules. Operation is subject to the following two conditions: (1) this device may not cause harmful interference, and (2) this device must accept any interference received, including interference that may cause undesired operation.
Note: This equipment has been tested and found to comply with the limits for a Class B digital device, pursuant to part 15 of the FCC Rules. These limits are designed to provide reasonable protection against harmful interference in a residential installation. This equipment generates, uses and can radiate radio frequency energy and, if not installed and used in accordance with the instructions, may cause harmful interference to radio communications. However, there is no guarantee that interference will not occur in a particular installation. If this equipment does cause harmful interference to radio or television reception, which can be determined by turning the equipment off and on, the user is encouraged to try to correct the interference by one or more of the following measures:
- Reorient or relocate the receiving antenna.
- Increase the separation between the equipment and receiver.
- Connect the equipment into an outlet on a circuit different from that to which the receiver is connected.
- Consult the dealer or an experienced radio/TV technician for help.
To maintain compliance with FCC’s RF exposure guidelines, the distance must be at least 20cm between the radiator and your body, and fully supported by the operating and installation configurations of the transmitter and its antenna(s).


















