Miele PRI 214 Plan Commercial Flatwork Ironer

Installation and planning notes
Installation requirements
| The flatwork ironer must only be set up by a Miele authorised and trained service technician or an authorised dealer. |
- This flatwork ironer must be installed in accordance with all relevant regulations and standards. Local energy supplier regulations must also be observed.
- This flatwork ironer must only be operated in a room that has sufficient ventilation and which is frost-free.
Storage
The following conditions must be observed for transport and storage of this flatwork ironer:
- Ambient temperature: -25 °C to +55 °C
- Humiditiy: 5 % to 75 %, non-condensing
- Maximum storage period: 2 years
| In general, the operating conditions of DIN 60204 and EN 60204-1 apply |
- Ambient temperature: +5 °C to +40 °C
- Humidity: 10 % to 85 %
- At 21 °C ambient temperature, the maximum permissible relative humidity is 70 %.
Collector motor sparking may convert solvent vapours into hydrochloric acid which can lead to consequential damage. Ensure adequate ventilation is present in the room in which the ironer is installed whilst it is being used. |
Setting up
This ironer must be transported to its installation site using a suitable pallet truck. Do not remove the packaging until immediately before the ironer is commissioned.
| This ironer must be transported or lifted from the wooden frame only with the lateral mounting flaps fitted. |
Lift the ironer off the wooden pallet at its installation site only. The clamps on the side columns must first be removed. They can be reused after setting the ironer up to secure it to the floor (see “Floor anchoring).
The suspension points for lifting hooks/straps are located under the side columns between the screw-on feet.
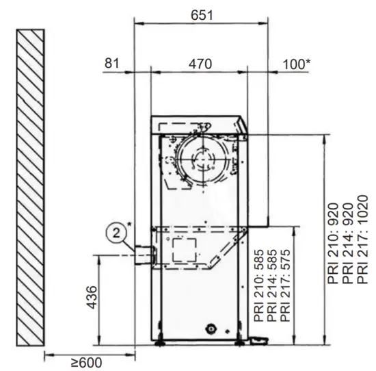
During installation, remember that the clearance next to and behind the machine columns must amount to at least 600 mm so that the side cladding remains accessible. The ironer should be set up so that the light shines parallel to the infeed table as much as possible.
The clearance in front of the ironer must amount to at least 1.5 m to prevent foreign materials (furniture, walls) getting hot. There should be a clearance of at least 1 m above the ironer.
A base and anchoring means are not necessary.
| During transportation of the ironer, pay attention to its stability. The ironer may not be transported without the wooden frame (e.g., if it needs to be moved to a new location). If it needs to be moved, lift it onto a wooden frame and secure it in position. |
Levelling
| To ensure the ironer functions correctly and energy efficiently, it must be levelled horizontally with the screw feet. |
- Dismantle the mounting flaps on the left and right sides.
- Align the roller and the side columns using the screw feet and a spirit level. The screw feet under the side columns can be unscrewed to a maximum of 60 mm.
- After levelling the machine secure the screw feet so they cannot come loose.
Floor anchoring
A suitable anchoring kit for the ironer is available to purchase from Miele. Alternatively the clamps that were used for securing the machine to the wooden pallet can be used for securing it to the floor.
Electrical connection
| The electrical connection must be carried out by a qualified electrician who must ensure that all electrical work is carried out in accordance with applicable regulations and standards. |
In the event of unfavourable mains conditions, the flatwork ironer may lead to interfering voltage fluctuations. If the mains impedence is greater than 0.175 Ohm at the connection point to the mains supply, additional measures may be required before the machine can be properly operated at this connection point. The mains impedence can be requested from your power supply company.
| The electrical connection and wiring diagram are located behind the flap in the right side column. |
| The required voltage, connected load and fusing rating can be found on the data plate on the flatwork ironer. Connection to a supply voltage other than the one quoted on the data plate can lead to functional faults and damage the flatwork ironer. Before connecting the flatwork ironer to the power supply please ensure that the mains supply voltage complies with the values given on the data plate. |
The electrical equipment on this flatwork ironer complies with the following standards: IEC/EN 60204-1, IEC/EN 60335-1, IEC/ EN 60335-2-44, EN ISO 10472-1 and EN ISO 10472-5.
For hard-wired machines, an all-pole means of deactivation must be provided on site. Switches with a minimum contact gap greater than 3 mm are suitable disconnectors. These include circuit breakers, fuses, and contactors (VDE 0660).
The plug connectors or isolator switch should be easily accessible for servicing work.
If the flatwork ironer is disconnected from the electricity supply ensure adequate measures are taken to ensure that the machine cannot be reconnected to the electricity supply until all work has been carried out.
If it is necessary to install a residual current device (RCD) in accordance with the local regulations, a residual current device type A can be used.
Exhaust ducting
The moist-warm exhaust air is to be conducted to the outside or into a suitable venting duct over the shortest path possible. Due to the higher air velocity, the exhaust ducting must be laid in such a way that air flow is not hindered (few bends, short lines, well-made connections and transitions). Filters and louvres may not be installed in the exhaust ducting.
Since the relative humidity can amount to up to 100%, suitable measures must be taken to prevent condensate from flowing back into the ironer. If the machine fan is not powerful enough to remove the moist air, a suitably powerful additional fan must be installed in the shaft or roof outlet on-site. Supply air must be provided to the room of installation according to the amount of exhaust air.
- The connection for the exhaust air ducting for vapour extraction is located on the rear of the left side column and has a diameter of 70 mm (HT DN 70).
- The exhaust ducting must have an internal diameter of 70 mm (HT DN 70).
- If the exhaust ducting rises upwards, a condensate drain hole with a diameter of 3 5 mm must be provided at the lowest point.
- Adequate ventilation of the installation room must be ensured.
- The ducting system and the exit point to the outside must be checked on a regular basis for a build-up of lint and cleaned if required.
- The end of ducting leading into the open should be protected against the elements, e.g. with a downward facing 90° bend.
Substitute pipe lengths
Type of bend | Substitute pipe length | ||
| PM 1210 PM 1214 PM 1217 | |||
![]() | 90° bend | r = 2 d | 0.25 m |
| 45° bend | r = 2 d | 0.15 m | |
![]() | 90° bend | r = d | 0.35 m |
| 45° bend | r = d | 0.25 m | |
![]() | 90° concertina bend | r = 2 d | 0.7 m |
| 45° concertina bend | r = 2 d | 0.55 m | |
![]() | 90° segmented bend (3 welded seams) | r = 2 d | 0.45 m |
| 45° segmented bend (3 welded seams) | r = 2 d | – | |
![]() | 90° bend, Westaflex ducting | r = d | – |
| r = 2 d | 0.5 m | ||
| r = 4 d | 0.35 m | ||
| 45° bend, Westaflex ducting | r = d | – | |
| r = 2 d | 0.4 m | ||
| r = 4 d | 0.3 m | ||
According to the number of bends, the substitute pipe lengths must be deducted from the maximum permissible pipe length.
Maximum permissible total pipe length
Minimum internal pipe diameter | Maximum permissible total pipe length |
PRI 210 | |
70 mm | 5 m |
| 80 mm | 20 m |
90 mm | 32 m |
| 100 mm | 40 m |
Optional accessories
| Only use genuine Miele spare parts and accessories with this machine. Using spare parts or accessories from other manufacturers will invalidate the guarantee, and Miele cannot accept liability |
Plinth UG 1200
The ironer can be raised 100 mm by fitting the optionally available plinth UG 1200.
Payment system
This ironer can be fitted with an optional payment system (e.g. for use in a launderette). Miele Service have to programme a setting in the machine’s electronics and connect the payment system. Miele offer payment systems for coin-free operation as well as payment systems with mechanical or electronic coin boxes for specific target groups.
| The programming required for connecting a payment system must be carried out by Miele Service or an authorised Miele Service Dealer only. A separate electrical connection is not required for a payment system. Coin operated ironers must be secured by the side columns to prevent the risk of the machine tipping. |
Dimensions / Installation


➀ Electrical connection ➁ Exhaust connection
Technical data
PRI 214 EL D 3NAC 400V 50-60Hz
| Voltage | 3N AC 400V 50-60Hz | |
| 1 Fuse rating | 3 x 16 A | |
| Roller length | 1400 mm | |
| Roller diameter | 210 mm | |
| Type of heating | Electric | |
| Overall machine dimensions | Width Depth Height | 1973 mm 651 mm 1032 mm |
| Minimum wall distance, lateral | 600 mm | |
| Minimum wall distance, rear | 600 mm | |
| Net weight | 140 kg | |
| Max. load bearing in operation | 1400 N | |
| Total connected load | 7 kW | |
| Heater rating, electric | 6.5 kW | |
| Connected load, roller | 0.35 kW | |
| Connected load, fan | 0.11 kW | |
| 2 Electrical connection | 5 x 2.5 mm² | |
| Exhaust socket | 70 mm | |
| Ironing throughput according to DIN 3 11902 | 33 kg/h | |
| Roller | rpm Outer circumference lin- ear speed Contact pressure | 2.3 – 6.1 rpm 1.5 – 4.0 m/min 0.7 N/cm² |
| Fan air output | 115 m³/h | |
| Max. permitted pressure loss | 100 Pa | |
| Material | Side columns Roller Heater plate | Stove-finished, galvanized sheet steel Galvanized sheet steel Aluminium, hard-anodised |
| Roller padding | Wire wool | |
| Roller cover | Polyester needle felt with aramid needle felt cloth | |
| Largest removable part | Laundry outfeed table | |
| Heat dissipation rate to installation site | 6.5 MJ/h | |
| Sound pressure level | 54 dB (A) | |
| Sound power level | 60.6 dB |
| Voltage | 3 AC 400V 50-60Hz | |
| 1 Fuse rating | 3 x 16 A | |
| Roller length | 1400 mm | |
| Roller diameter | 210 mm | |
| Type of heating | Electric | |
| Overall machine dimensions | Width Depth Height | 1973 mm 651 mm 1032 mm |
| Minimum wall distance, lateral | 600 mm | |
| Minimum wall distance, rear | 600 mm | |
| Net weight | 140 kg | |
| Max. load bearing in operation | 1400 N | |
| Total connected load | 7 kW | |
| Heater rating, electric | 6.5 kW | |
| Connected load, roller | 0.35 kW | |
| Connected load, fan | 0.11 kW | |
| 2 Electrical connection | 4 x 2.5 mm² | |
| Exhaust socket | 70 mm | |
| Ironing throughput according to DIN 3 11902 | 33 kg/h | |
| Roller | rpm Outer circumference lin- ear speed Contact pressure | 2.3 – 6.1 rpm 1.5 – 4.0 m/min 0.7 N/cm² |
| Fan air output | 115 m³/h | |
| Max. permitted pressure loss | 100 Pa | |
| Material | Side columns Roller Heater plate | Stove-finished, galvanized sheet steel Galvanized sheet steel Aluminium, hard-anodised |
| Roller padding | Wire wool | |
| Roller cover | Polyester needle felt with aramid needle felt cloth | |
| Largest removable part | Laundry outfeed table | |
| Heat dissipation rate to installation site | 6.5 MJ/h | |
| Sound pressure level | 54 dB (A) | |
| Sound power level | 60.6 dB |
| Voltage | 3 AC 440V 50-60Hz | |
| 1 Fuse rating | 3 x 16 A | |
| Roller length | 1400 mm | |
| Roller diameter | 210 mm | |
| Type of heating | Electric | |
| Overall machine dimensions | Width Depth Height | 1973 mm 651 mm 1032 mm |
| Minimum wall distance, lateral | 600 mm | |
| Minimum wall distance, rear | 600 mm | |
| Net weight | 140 kg | |
| Max. load bearing in operation | 1400 N | |
| Total connected load | 8.4 kW | |
| Heater rating, electric | 7.9 kW | |
| Connected load, roller | 0.35 kW | |
| Connected load, fan | 0.11 kW | |
| 2 Electrical connection | 4 x 2.5 mm² | |
| Exhaust socket | 70 mm | |
| Ironing throughput according to DIN 3 11902 | 35 kg/h | |
| Roller | rpm Outer circumference lin- ear speed Contact pressure | 2.3 – 6.1 rpm 1.5 – 4.0 m/min 0.7 N/cm² |
| Fan air output | 115 m³/h | |
| Max. permitted pressure loss | 100 Pa | |
| Material | Side columns Roller Heater plate | Stove-finished, galvanized sheet steel Galvanized sheet steel Aluminium, hard-anodised |
| Roller padding | Wire wool | |
| Roller cover | Polyester needle felt with aramid needle felt cloth | |
| Largest removable part | Laundry outfeed table | |
| Heat dissipation rate to installation site | 7.9 MJ/h | |
| Sound pressure level | 54 dB (A) | |
| Sound power level | 60.6 dB |
| Voltage | 3 AC 230V 50-60Hz | |
| 1 Fuse rating | 3 x 25 A | |
| Roller length | 1400 mm | |
| Roller diameter | 210 mm | |
| Type of heating | Electric | |
| Overall machine dimensions | Width Depth Height | 1973 mm 651 mm 1032 mm |
| Minimum wall distance, lateral | 600 mm | |
| Minimum wall distance, rear | 600 mm | |
| Net weight | 140 kg | |
| Max. load bearing in operation | 1400 N | |
| Total connected load | 7 kW | |
| Heater rating, electric | 6.5 kW | |
| Connected load, roller | 0.35 kW | |
| Connected load, fan | 0.11 kW | |
| 2 Electrical connection | 4 x 4 mm² | |
| Exhaust connection | 70 mm | |
| Ironing throughput according to DIN 3 11902 | 33 kg/h | |
| Roller | rpm Outer circumference lin- ear speed Contact pressure | 2.3 – 6.1 rpm 1.5 – 4.0 m/min 0.7 N/cm² |
| Fan air output | 115 m³/h | |
| Max. permitted pressure loss | 100 Pa | |
| Material | Side columns Roller Heater plate | Stove-finished, galvanized sheet steel Galvanized sheet steel Aluminium, hard-anodised |
| Roller padding | Wire wool | |
| Roller cover | Polyester needle felt with aramid needle felt cloth | |
| Largest removable part | Laundry outfeed table | |
| Heat dissipation rate at installation site | 6.5 MJ/h | |
| Sound pressure level | 54 dB (A) | |
| Sound power level | 60.6 dB |
| Voltage | 3N AC 400V 50-60Hz | |
| 1 Fuse rating | 3 x 16 A | |
| Roller length | 1400 mm | |
| Roller diameter | 210 mm | |
| Type of heating | Electric | |
| Overall machine dimensions | Width Depth Height | 1973 mm 651 mm 1032 mm |
| Minimum wall distance, lateral | 600 mm | |
| Minimum wall distance, rear | 600 mm | |
| Net weight | 140 kg | |
| Max. load bearing in operation | 1400 N | |
| Total connected load | 7 kW | |
| Heater rating, electric | 6.5 kW | |
| Connected load, roller | 0.35 kW | |
| Connected load, fan | 0.11 kW | |
| 2 Electrical connection | 5 x 2.5 mm² | |
| Exhaust socket | 70 mm | |
| Ironing throughput according to DIN 3 11902 | 33 kg/h | |
| Roller | rpm Outer circumference lin- ear speed Contact pressure | 2.3 – 6.1 rpm 1.5 – 4.0 m/min 0.7 N/cm² |
| Fan air output | 115 m³/h | |
| Max. permitted pressure loss | 100 Pa | |
| Material | Side columns Roller Heater plate | Stove-finished, galvanized sheet steel Galvanized sheet steel Aluminium, hard-anodised |
| Roller padding | Wire wool | |
| Roller cover | Polyester needle felt with aramid needle felt cloth | |
| Largest removable part | Laundry outfeed table | |
| Heat dissipation rate to installation site | 6.5 MJ/h | |
| Sound pressure level | 54 dB (A) | |
| Sound power level | 60.6 dB |
| Voltage | 3 AC 240/220/208V 50-60Hz | |
| 1 Fuse rating | 3 x 30 A | |
| Roller length | 55 ¹/₈” / 1400 mm | |
| Roller diameter | 8 ⁹/₃₂” / 210 mm | |
| Type of heating | Electric | |
| Overall machine dimensions | Width Depth Height | 77 ¹¹/₁₆” / 1973 mm 25 ⁵/₈” / 651 mm 40 ⁵/₈” / 1032 mm |
| Minimum wall distance, lateral | 23 ⁵/₈” / 600 mm | |
| Minimum wall distance, rear | 23 ⁵/₈” / 600 mm | |
| Net weight | 140 kg | |
| Max. load bearing in operation | 1415 N | |
| Total connected load | 7.6/6.5/5.9 kW | |
| Heater rating, electric | 7.1/6.0/5.3 kW | |
| Connected load, roller | 0.35 kW | |
| Connected load, fan | 0.11 kW | |
| 2 Electrical connection | 4 x AWG 10 / 4 x 4 mm² | |
| Exhaust socket | 2 3/4″ / 70 mm | |
| Ironing throughput according to DIN 3 11902 | 28 kg/h | |
| Roller | rpm Outer circumference lin- ear speed Contact pressure | 2.3 – 6.1 rpm 1.5 – 4.0 m/min / 4.92 – 13.12 fpm 0.7 N/cm² |
| Fan air output | 115 m³/h | |
| Max. permitted pressure loss | 100 Pa | |
| Material | Side columns Roller Heater plate | Stove-finished, galvanized sheet steel Galvanized sheet steel Aluminium, hard-anodised |
| Roller padding | Wire wool | |
| Roller cover | Polyester needle felt with aramid needle felt cloth | |
| Largest removable part | Laundry outfeed table | |
| Heat dissipation rate to installation site | 7.1/5.9/5.3 MJ/h | |
| Sound pressure level | 54 dB (A) | |
| Sound power level | 60.6 dB |
1 Operating class: gG; 2 Minimum cross-section according to VDE 0298-4; 3 At 100% occupation + 25% residual moisture
Granted test certificate: VDE, see data plate; applied product safety standards: IEC/EN 60204-1, IEC/EN 60335-1, IEC/EN 60335-2-44, EN ISO 10472-1, EN ISO 10472-5

Miele & Cie. KG
Carl-Miele-Straße 29
33332 Gütersloh
Germany
Telefon: 05241 89-0
Telefax: 05241 89-2090
Internet: www.miele.com/professional

























