eLR-900H OEM Integrator LoRa Module
CONFIDENTIAL INFORMATION
Product manual
eLR-900H OEM Integrator LoRa Module
PRODUCT : LoRa Module
MODEL NAME : eLR-900H
| APPTOVAL | REMARK |
| Revision | History | Date |
| eLR-900H-REV0.1 | Initial release | 2022.05.17 |
| Designed | Checked | Approved | ||
| DOCUMENT No. | eLR-900H | |||
| PAGE | ||||
- Product Introduction
The eLR-900H is a low-power LoRa (Long Range Wide-Area Network) module.
The data transfer rate is 980bps~21.0Kbps.
This module is applicable to smart tracking, sensor and control solutions of various devices that support security systems. - Purpose
This specification applies to “eWBM LoRa module”. - eLR-920H Mechanical Dimensions
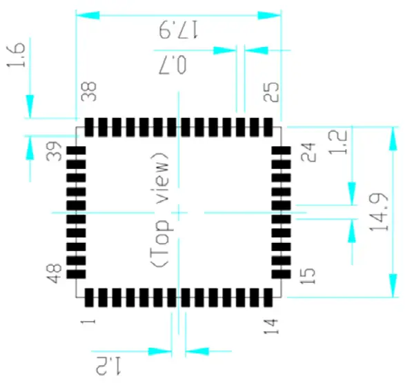
Size 14.90mm(W) x 17.90mm(L) x 2.4mm(T) Weight 1.0g Interface LQFP-48 3.1 External Appearance
3.2 eLR-900H Module Dimension
3.3 eLR-900H Foot Print
- Specifications of supported functions
- LoRa Modulation technology.
- Use the ‘STM32WL’ MCU with security system.
- eLR-900H support UART, SPI interface.
- 902.3MHz ~914.9MHz ISM band operates.
- Module outline dimension : 14.90 x 17.90 x Max. 2.40 (mm)
- 32.768kHz and 32MHz crystal embedded.
- LPUART Data Rate : 9600bps (AT Commend)
- Electrical Characteristics
- Recommended Operating Rating
Parameter Min Max Unit Operating Temperature -30 70 °C Supply Voltage (VDD) 3.0 3.6 V - Current Consumption
Mode Description Total Typ. Current at 3.3V Tx Mode Tx Mode Operating
(Tx power = 18.5dBm)≒ 96.0mA Rx Mode Rx Mode Operating ≒ 4.8mA Sleep Mode CLI Commend (Module Master) ≒ 11.0uA Deep Sleep Mode CLI Commend (Module Slave) ≒ 1.0uA - RF Characteristic
Parameter Min Typ Max TX Frequency (MHz) 902.3 – 914.9 Frequency Tolerance (KHz) , 25℃ -20 – +20 Output Power Max (dBm) Pout ≥ 18.5 over RX Receiving Sensitivity
(dBm),Conductive
(F=12, BW= 125KHz)Sensitivity ≤ -136
- Recommended Operating Rating
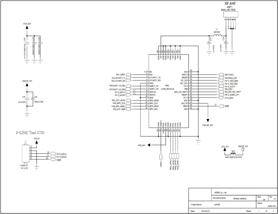
- eLR-900H PIN Assignment

- ELR-900H PIN Description
7.1 I/O Parameter DescriptionAbbreviation Definition Remarks S Supply pin I Input only pin IO Input / output pin O Output only pin RF Radio RF pin Table 7-1 I/O Parameter Descriptions7.2. Pin Description
PIN PIN Name Functional Description Remark 1 NC – N.C NC 2 PA1 I/O PA1_GPIO PA1 3 LPUART1_TX O PA2/LPUART1_TX_Commend_ download LPUART1_TX 4 LPUART1_RX I PA3/LPUART1_RX_ Commend_ download LPUART1_RX 5 GND Supply Ground connection GND 6 UART1_TX I/O PB6/UART1_TX UART1_TX 7 UART1_RX I/O PB7/UART1_RX UART1_RX 8 SWCLK I SWCLK SWCLK 9 SWDIO I SWDIO SWDIO 10 GND Supply Ground connection GND 11 SPI1_MOSI I/O PA7_SPI1_MOSI SPI1_MOSI 12 SPI1_SCK I/O PA5_SPI1_SCK SPI1_SCK 13 SPI1_MISO I/O PA6_SPI1_MISO SPI1_MISO 14 SPI1_NSS I/O PA4_SPI1_NSS SPI1_NSS 15 GND Supply Ground connection GND 16 VREF+ Supply Positive reference voltage VREF+ 17 PH0 – N.C PH0 18 VDD Supply Supply voltage-3.3V VDD 19 GND Supply Ground connection 19 20 PB4 I/O PB4_GPIO 20 21 PB5 I/O PB5_GPIO 21 22 PA8 I/O PA8_GPIO 22 23 PA9 I/O PA9_GPIO 23 24 GND Supply Ground connection 24 25 GND Supply Ground connection 25 26 NRST I Reset (Active Low) 26 27 VDD_RF RF_Supply RF Supply voltage-3.3V 27 28 GND Supply Ground connection 28 29 PC13 I/O PC13_GPIO 29 30 WKUP1 I/O PB12_WAKE_UP1: Rising Edge, Payload data bit2 30 31 ADC_IN2_VBATT I/O PB3_ADC_IN2_VBATT 31 32 PB8 I/O PB8_GPIO 32 33 PA15 I/O PA15_ADC11 33 34 I2C1_SCL I/O PA12_I2C2_SCL 34 35 12C_SDA I/O PA11_I2C2_SDA 35 36 WKUP2 I/O PB2/WAKE_UP2 36 37 BOOT0 – BOOT0(NC) 37 38 GND Supply Ground connection 38 39 GND Supply Ground connection 39 40 NC – N.C 40 41 GND Supply Ground connection 41 42 NC – N.C 42 43 GND Supply Ground connection 43 44 NC – N.C 44 45 GND Supply Ground connection 45 46 GND Supply Ground connection 46 47 RF RF I/O External 50Ω port for Antenna connection 47 48 GND Supply Ground connection 48
1) eLR-900H Circuit
Module Application Circuit

ANTENNA
Please perform the antenna design that followed the specifications of the antenna
About the signal line between an antenna and a module
It is a 50‐ohm line design. (SMA Reverse)
Fine tuning of return loss etc. can be performed using a matching network.
However, it is required to check “Class1 change” and “Class2 change” which the authorities define then.
The concrete contents of a check are the following three points.
- It is the same type as the antenna type of antenna specifications.
- An antenna gain is lower than a gain given in antenna specifications.
- The emission level is not getting worse.
Antenna gain
| Electrical Data | Specifications |
| Frequency Range | 902.3 ~ 914.9MHz |
| Impedance | 50Ω Normal |
| V.S.W.R | Less Than 1:2.5 |
| Gain (Peak) | 0.91dBi |
| Radiation Pattern | Omni‐Directional |
| Polarization | Linear |
Antenna Specification
Antenna Reference Trace Design
RF traces from eLR‐900H module pads pin 47 and ANT1 pin 1 to the antenna must be made using micro‐strip traces. This micro‐strip trace must respect the design of the Gerber file associated with the following figures in order to obtain a uniform transmission line with a characteristic impedance of 50 ohms.
The reference trace design is shown as the pink trace along with the side copper filled with vias on the left side. of Figure where components C8, C9 are not installed; they were options on the reference board for future uses; these uses are not FCC authorized yet.
As preliminary information the traces width of all sections are all 0.5mm and the length of eLR‐900H pad to ANT1 connector are 50mm; However, refer to associated Gerber files for more details on dimensions and refer to eWBM Inc for more details on the Gerber files. Table 1 shows the parts used in the reference trace design.

| Part Number | Reference | Description | Manufacture |
| WR04X0000FTL | L1 | 0 ohm, 1% | WALSIN |
| SMA‐4R‐PCB(1.8T) | ANT1 | SMA, Subminiature Coaxial Connector 50 ohm | Sungjin |
| N/A | C8, C9 | Not Installed | N/A |
Antenna Micro‐strip Trace Parts
PCB Stack up for the reference board:


Test Procedure for ensuring compliance
The below test is to be performed both at design verification stage and in production for ensuring compliance.
Verify RF power through conducted measurement at junction ANT1
The measured Tx power should be within the datasheet specification for Transmit output power.
FCC Statement
This device complies with Part 15 of the FCC Rules. Operation is subject to the following two conditions: (1) This device may not cause harmful interference, and (2) this device must accept any interference received, including interference that may cause undesired operation.
This equipment has been tested and found to comply with the limits for a Class B digital device, pursuant to Part 15 of the FCC Rules. These limits are designed to provide reasonable protection against harmful interference in a residential installation. This equipment generates, uses and can radiate radio frequency energy and, if not installed and used in accordance with the instructions, may cause harmful interference to radio communications. However, there is no guarantee that interference will not occur in a particular installation. If this equipment does cause harmful interference to radio or television reception, which can be determined by turning the equipment off and on, the user is encouraged to try to correct the interference by one of the following measures:
- Reorient or relocate the receiving antenna.
- Increase the separation between the equipment and receiver.
- Connect the equipment into an outlet on a circuit different from that to which the receiver is connected.
Any changes or modifications not expressly approved by the party responsible for compliance could void the user’s authority to operate this equipment.
The antenna(s) must be installed such that a minimum separation distance of at least 20 cm is maintained between the radiator (antenna) and all persons at all times.
NTEGRATION INSTRUCTIONS
The module complies with Part15.247/RSS‐247.
The modular transmitter is only FCC authorized for the specific rule part(i.e, FCC transmitter rules) listed on the grant. The host product manufacturer is responsible for compliance to any other FCC rules that apply to the host not covered by the modular transmitter grant of certification.
The final host / module combination may also need to be evaluated against the FCC Part 15B criteria for unintentional radiators in order to be properly authorized for operation as a Part 15 digital device.
The module is authorized with trace antenna design type.
And the module is designed to operate with a Helical antenna.
(Connector: SMA – R/ peak gain: 0.91dBi)
The trace antenna design must be performed as specified in the manual. The use of any other antenna or any changes to the reference trace design are subject to additional testing and authorization through a Class II permissive change.
The module is a limited single‐modular transmitter that complies with the § 15.212(a) modular rules which requires the host operating condition as ; The host product should
supply the regulated power of 3.3V DC to module. The power design should be performed as specified in the manual.
The module is limited to installation in mobile or fixed applications. At least 20 cm of separation distance between the transmitting antenna device and the user’s body must be maintained at all times.
The transmitter module must not be co‐located or operating in conjunction with any other antenna or transmitter except in accordance with FCC multi‐transmitter product procedures.
The OEM integrator will be responsible to satisfy SAR/ RF Exposure requirements, when the module integrated into the host device.
The module is labeled with its own FCC ID certification. If the FCC ID Certification Number are not visible when the module is installed inside another device, then the outside of the device into which the module is installed must also display a label referring to the enclosed module. In that case, the final end product must be labeled in a visible area with the following:
“Contains FCC ID: 2ARG9-eLR900H
Host User Manual
The host manual shall include the following regulatory statement; Part 15.19: This device complies with Part 15 of the FCC Rules. Operation is subject to the following two conditions: (1) This device may not cause harmful interference, and (2) this device must accept any interference received, including interference that may cause undesired operation. Part 15.21: Any changes or modifications not expressly approved by the party responsible for compliance could void the user’s authority to operate this equipment. The antenna(s) must be installed such that a minimum separation distance of at least 20 cm is maintained between the radiator (antenna) and all persons at all times.
Host Product labeling
The module is labeled with its own FCC ID certification. If the FCC ID Certification Number are not visible when the module is installed inside another device, then the outside of the device into which the module is installed must also display a label referring to the enclosed module. In that case, the final end product must be labeled in a visible area with the following:
“Contains FCC ID: 2ARG9-eLR900H
Ver 1.0
2022.05.17


















