
Vent Natural Gas Fireplace
Instruction Manual

NATURAL GAS MODELS: BX42NTRE
CERTIFIED TO THE CANADIAN AND AMERICAN NATIONAL STANDARDS:
![]()
Wolf Steel Ltd., 24 Napoleon Rd., Barrie, ON, L4M 0G8 Canada / 103 Miller Drive, Crittenden, Kentucky, USA, 41030
Phone 1 (866) 820-8686 • www.napoleon.com • [email protected]
SAFETY INFORMATION
WARNING
FIRE OR EXPLOSION HAZARD
Failure to follow safety warnings exactly could result in serious injury, death, or property damage.
– Do not store or use gasoline or other flammable vapors and liquids in the vicinity of this or any other appliance.
– WHAT TO DO IF YOU SMELL GAS:
- Do not try to light any appliance.
- Do not touch any electrical switch; do not use any phone in your building.
- Immediately call your gas supplier from a neighbour’s phone. Follow the gas supplier’s instructions.
- If you cannot reach your gas supplier, call the fire department.
– Installation and service must be performed by a qualified installer, service agency, or the supplier.
This appliance may be installed in an aftermarket, permanently located, manufactured home (USA only) or mobile home, where not prohibited by local codes.
This appliance is only for use with the type of gas indicated on the rating plate. This appliance is not convertible for use with other gases, unless a certified kit is used.
INSTALLER:
Leave this manual with the appliance
CONSUMER:
Retain this manual for future reference
WARNING
- This appliance is hot when operated and can cause severe burns if contacted.
- Any changes or alterations to this appliance or its controls can be dangerous and is prohibited.
- Do not operate appliance before reading and understanding operating instructions. Failure to operate appliance according to operating instructions could cause fire or injury.
- Ensure the glass door is opened or removed when lighting the pilot for the first time and when the gas supply has run out.
- Risk of fire or asphyxiation, do not operate appliance with fixed glass removed and never obstruct the front opening of the appliance.
- Do not connect 110 volts to the control valve, with the exception of models; GSST8 and GT8.
DANGER
HOT GLASS WILL CAUSE BURNS.
DO NOT TOUCH GLASS UNTIL COOLED.
NEVER ALLOW CHILDREN TO TOUCH GLASS.
A barrier designed to reduce the risk of burns from the hot viewing glass is provided with this appliance and must be installed for the protection of children and other at-risk
individuals.
- Risk of burns. The appliance should be turned off and cooled before servicing.
- Do not install damaged, incomplete or substitute components.
- Risk of cuts and abrasions. Wear protective gloves, protective footwear, and safety glasses during installation. Sheet metal edges may be sharp.
- Do not burn wood or other materials in this appliance.
- Provide adequate ventilation and combustion air. Provide adequate accessibility clearance for servicing and operating the appliance.
- High pressure will damage valve. Disconnect gas supply piping before pressure testing gas line at test pressures above 1/2 psig. Close the manual shut-off valve before pressure testing gas line at test pressures equal to or less than 1/2 psig (35mb).
- The appliance must not be operated at temperatures below freezing (32°F / 0°C). Allow the appliance to warm to above freezing prior to operation, with the exception of models; GSS36, GSS42; these appliances are suitable for 0°F / -18°C.
- Children and adults should be alerted to hazards of high surface temperature and should stay away to avoid burns or clothing ignition.
- Young children should be carefully supervised when they are in the same room as the appliance. Toddlers, young children and others may be susceptible to accidental contact burns. A physical barrier is recommended if there are at risk individuals in the house. To restrict access to an appliance or stove, install an adjustable safety gate to keep toddlers, young children and other at risk individuals out of the room and away from hot surfaces.
- Clothing or other flammable material should not be placed on or near the appliance.
- Due to high temperatures, the appliance should be located out of traffi c and away from furniture and draperies.
- Furniture or other objects must be kept a minimum of 4 feet (1.22m) away from the front of the appliance.
- Ensure you have incorporated adequate safety measures to protect infants/toddlers from touching hot surfaces.
- Even after the appliance is off, it will remain hot for an extended period of time.
- Check with your local hearth specialty dealer for safety screens and hearth guards to protect children from hot surfaces. These screens and guards must be fastened to the floor.
- Any safety screen, guard or barrier removed for servicing the appliance, must be replaced prior to operating the appliance.
- It is imperative that the control compartments, burners and circulating blower and its passageway in the appliance and venting system are kept clean. The appliance and its venting system should be inspected before use and at least annually by a qualified service person. More frequent cleaning may be required due to excessive lint from carpeting, bedding material, etc. The appliance area must be kept clear and free from combustible materials, gasoline and other flammable vapors and liquids.
- If the appliance shuts off, do not re-light until you provide fresh air. If appliance keeps shutting off, have it serviced. Keep burner and control compartment clean.
- Under no circumstances should this appliance be modified.
- Do not allow wind or fans to blow directly into the appliance. Avoid any drafts that alter burner flame patterns.
- Do not use a blower insert, heat exchanger insert or other accessory not approved for use with this appliance.
- This appliance must not be connected to a chimney fl ue pipe serving a separate solid fuel burning appliance.
- Do not use this appliance if any part has been under water. Immediately call a qualifi ed service technician to inspect the appliance and to replace any part of the ontrol system and any gas control which has been under water.
- Do not operate the appliance with the glass door removed, cracked or broken. Replacement of the glass should be done by a licensed or qualifi ed service person, if equipped.
- Do not strike or slam shut the appliance glass door, if equipped.
- Only doors / optional fronts certifi ed with the appliance are to be installed on the appliance.
- Keep the packaging material out of reach of children and dispose of the material in a safe manner. As with all plastic bags, these are not toys and should be kept away from children and infants.
- Carbon or soot should not occur in a vent free appliance as it can distribute into the living area of your home. If you notice any signs of carbon or soot, immediately turn off your appliance and arrange to have it serviced by a qualified technician before operating it again.
- If equipped, the screen must be in place (closed) when the appliance is in operation.
- When equipped with pressure relief doors, they must be kept closed while the appliance is operating to prevent exhaust fumes containing carbon monoxide, from entering into the home. Temperatures of the exhaust escaping through these openings can also cause the surrounding combustible materials to overheat and catch fire.
- Carbon monoxide poisoning may lead to death; early signs of carbon monoxide poisoning resemble the fl u, with headache, dizziness and/or nausea. If you have these signs, the appliance may not be working properly. Get fresh air at once! Have appliance serviced. Some people; pregnant women, persons with heart or lung disease, anemia, those under the infl uence of alcohol, those at high altitudes are more affected by carbon monoxide than others. Failure to keep the primary air opening(s) of the burner(s) clean may result in sooting and property damage.
- As with any combustion appliance, we recommend having your appliance regularly inspected and serviced as well as having a Carbon Monoxide Detector installed in the same area to defend you and your family against Carbon Monoxide (not applicable for outdoor appliances).
- Ensure clearances to combustibles are maintained when building a mantel or shelves above the appliance. Elevated temperatures on the wall or in the air above the appliance can cause melting, discolouration or damage to decorations, a TV or other electronic components.
- For appliances equipped with a safety barrier; if the barrier becomes damaged, the barrier shall be replaced with the manufacturer’s barrier for this appliance.
- Installation and repair should be done by a qualifi ed service person. It is imperative that control compartments, burners and circulating air passageways of the appliance be kept clean.
- For outdoor products only: this appliance must not be installed indoors or within any structure that prevents or inhibits the exhaust gases from dissipating in the outside atmosphere.
- If applicable, the millivolt version of this appliance uses and requires a fast acting thermocouple. Replace only with a fast acting thermocouple supplied by Wolf Steel Ltd.
! WARNING: This product can expose you to chemicals including lead and lead compounds, which are known to the State of California to cause cancer, and chemicals including carbon Add California Prop 65 warning monoxide, which are known to the State of California to cause birth defects or other reproductive harm. For more information, go to www.P65Warnings.ca.gov.
WARNING ![]()
FIRE RISK HAZARD / DELAYED IGNITION
High supply pressure will damage the valve / controls.
Disconnect the appliance main gas valve/control from the supply piping when pressure testing that system at pressures in excess of 1/2 psi (3.5 kPa).
Isolate the appliance with it’s shut off valve during any pressure testing of the supply piping at pressures equal to or less than 1/2 psi (3.5 kPa).
Note:
The information throughout this manual is believed to be correct at the time of printing. Wolf Steel Ltd. reserves the right to change or modify any information within this manual at any time without notice. Changes, other than editorial are denoted by a vertical line in the margin.
General information
When the appliance is installed at elevations above 4,500ft (1372m), and in the absence of specific recommendations from the local authority having jurisdiction, the certified high altitude input rating shall be reduced at the rate of 4% for each additional 1,000ft (305m). Expansion / contraction noises during heating up and cooling down cycles are normal and are to be expected. Change in fl ame appearance from “HI” to “LO” is more evident in natural gas than in propane.
This appliance is approved for bathroom, bedroom and bed-sitting room installations and is certifi ed for mobile home installation.
This appliance is only for use with the type of gas indicated on the rating plate. This appliance is not convertible for use with other gases, unless a certifi ed kit is used.
Note:
A barrier designed to reduce the risk of burns from the hot viewing glass is provided with the appliance and must be installed.
The protective wrap on plated parts is best removed when the assembly is at room temperature but this can be improved if the assembly is warmed, using a hair dryer or similar heat source.
This appliance is a decorative product. It is not a source of heat and not intended to burn solid fuel.
Batteries must be disposed of according to the local laws and regulations. Some batteries may be recycled, and may be accepted for disposal at your local recycling center. Check with your municipality for recycling instructions.
Important:
Some components and/or media are packaged separately and must be installed in accordance with the information in this manual.
1.1 rates and efficiencies
| Fuel Type | Natural Gas I | Propane |
| Attitude (Fr) | 0-4,500 | |
| Max. Input (BTU/hr) | 30,000 | |
| Min. Inlet Gas Supply Pressure | 4.5″ w.c. (11mb) | 11″ w.c. (27mb) |
| Max. Inlet Gas Supply Pressure | 7″ w.c. (17mb) | 13″ w.c. (32mb) |
| Manifold Pressure (Under Flow Conditions) | 3.5″ w.c. (9mb) | 10″ w.c. (25mb) |
*Max. inlet pressure not to exceed 13” w.c. (32mb).
1.2 installation overview

Recommended installation steps:
- Determine venting requirements before deciding the fi nal location of the appliance.
- Install rough framing (refer to “rough framing” section).
Note:
For Universal Heat Management installation steps, refer to the leafl et provided with the Universal Heat Management kit. Start Universal Heat Management installation before placing appliance in its final position. - Place the appliance in its fi nal position.
- Install nailing tabs (refer to “nailing tab installation” section).
- Install appliance venting (refer to “venting installation” section).
- Install all electrical wirings (refer to “electrical information” section).
- Install gas lines (refer to “gas installation” section).
- Test appliance.
- Complete framing (refer to “fi nish framing” section).
- Finishing (refer to “fi nishing” section).
WARNING
- Always light the pilot whether for the first time or if the gas supply has run out, with the glass door opened or removed.
- Provide adequate clearance for servicing and operating the appliance.
- Provide adequate ventilation.
- Never obstruct the front opening of the appliance.
- Objects placed in front of the appliance must be kept a minimum of 48” (121.9cm) from the front face of the appliance.
- Surfaces around and especially above the appliance can become hot. Avoid contact when appliance is operating.
- Fire risk. Explosion hazard.
- High pressure will damage valve. Disconnect gas supply piping before pressure testing gas line at test pressures above 1/2 PISG (35mb). Close the manual shut-off valve before pressure testing gas line at test pressures equal to or less than 1/2 PISG (35mb).
- Use only Wolf Steel approved optional accessories and replacement parts with this appliance using nonlisted accessories (blowers, doors, louvres, trims, gas components, venting components, etc.) could result in a safety hazard and will void the warranty and certification.
- The appliance must not be operated at temperatures below freezing (32ºF/0ºC). Allow the appliance to warm to above freezing prior to operation.
THIS GAS APPLIANCE MUST BE INSTALLED AND SERVICED BY A QUALIFIED INSTALLER to conform with local codes. Installation practices vary from region to region and it is important to know the specifi cs that apply to your area, for example in the state of Massachusetts:
- This product must be installed by a licensed plumber or gas fi tter when installed within the commonwealth of Massachusetts.
- The appliance damper must be removed or welded in the open position prior to installation of an appliance insert or gas log.
- The appliance off valve must be a “T” handle gas cock.
- The flexible connector must not be longer than 36 inches (0.9m).
- A carbon monoxide detector is required in all rooms containing gas fired appliances.
- The appliance is not approved for installation in a bedroom or bathroom unless the unit is a direct vent sealed combustion product.
The installation must conform with local codes or, in absence of local codes, the National Gas and Propane Installation Code CSA B149.1 in Canada, or the National Fuel Gas Code, ANSI Z223.1 / NFPA 54 in the United States. Suitable for mobile home installation if installed in accordance with the current standard CAN/CSA Z240MH Series, for gas equipped mobile homes, in Canada or ANSI Z223.1 and NFPA 54 in the United States.

The appliance and its individual shutoff valve must be disconnected from the gas supply piping system during any pressure testing of that system at test pressures in excess of 1/2 psig (35 mb).
The appliance must be isolated from the gas supply piping system by closing its individual manual shutoff valve during any pressure testing of the gas supply piping system at test pressures equal to or less than 1/2 psig (35 mb). When installed with a blower or fan, the junction box must be electrically connected and grounded in accordance with local codes. In the absence of local codes, use the current CSA C22.1 Canadian Electrical Code in Canada or the ANSI / NFPA 70 National Electric Code in the United States. In the case where the blower is equipped with a power cord, it must be connected into a properly grounded receptacle. The grounding prong must not be removed from the cord plug.
The following does not apply to inserts; as long as the required clearance to combustibles is maintained, the most desirable and benefi cial location for an appliance is in the center of a building, thereby allowing the most effi cient use of the heat created. The location of windows, doors and, the traffic flow in the room where the appliance is to be located should be considered. If possible, you should choose a location where the vent will pass through the house without cutting a floor or roof joist. If the appliance is installed directly on carpeting, vinyl tile or other combustible material other than wood flooring, the appliance shall be installed on a metal or wood panel extending the full width and depth, unless otherwise tested.
1.3 rating plate information
This illustration is for reference only. Refer to the rating plate on the appliance for accurate information

Note:
The rating plate must remain with the appliance at all times. It must not be removed.
1.4 mobile home installation
This appliance must be installed in accordance with the manufacturer’s instructions and the Manufactured Home Construction and Safety Standard, Title 24 CFR, Part 3280, in the United States or the Mobile Home Standard, CAN/CSA Z240 MH Series, in Canada. This appliance is only for use with the type(s) of gas indicated on the rating plate.
This mobile/manufactured home listed appliance comes factory equipped with a means to secure the appliance. Built in appliances are equipped with 1/4” (6.4mm) diameter holes located in the front left and right corners of the base.
Use appropriate fasteners, inserted through the holes in the base to secure. For free standing products contact your local authorized dealer / distributor for the appropriate securing kit. For mobile home installations, the appliance must be fastened in place. It is recommended that the appliance be secured in all installations. Always turn off the pilot and the fuel supply at the source, prior to moving the mobile home. After moving the mobile home and prior to lighting the appliance, ensure that the logs are positioned correctly.
This appliance is certifi ed to be installed in an aftermarket permanently located, manufactured (mobile) home, where not prohibited by local codes.
This appliance is only for use with the type of gas indicated on the rating plate. This appliance is not convertible for use with other gases, unless a certifi ed kit is used.
Conversion Kits
This appliance is fi eld convertible between Natural Gas (NG) and Propane (P).
To convert from one gas to another, consult your Authorized dealer/distributor.
1.5 hardware list

| Ref. # | Description | Quantity |
| 1 | Self-drilling screw | 2 |
| 2 | 1/4″ Hex, 1/2″ long sheet metal screw | 28 |
| 3 | 2 1/2″ long sheet metal screw | 4 |
| 4 | Quad drive sheet metal screw | 4 |
| 5 | Sheet metal screw | 4 |
| 6 | Pan head quad screw | 4 |
Note:
Only fasteners supplied with the appliance will be illustrated.
1.6 front frame installation
Install the front frame using 6 screws (supplied).
Note:
The front frame must be installed.
1.7 dimensions

1.8 optional heat management system
The Universal Heat Management system is an optional gravity vent kit that allows you to manage the heat produced by the appliance at and around the fi replace.
We recommend installing the Universal Heat Management system kit during the installation of the appliance BEFORE the gas is installed.
For more information, contact your local authorized dealer.

Venting requirements
WARNING
- Risk of fire. Maintain specifi ed air space clearances to vent pipe and appliance.
- The vent system must be supported every 3’(0.9m) for both vertical and horizontal runs. Use support ring assembly W010-0067 or equivalent non-combustible strapping to maintain the minimum clearance to combustibles for both vertical and horizontal runs. Spacers are attached to the inner pipe at predetermined intervals to maintain an even air gap to the outer pipe. This gap is required for safe operation. A spacer is required at the start, middle, and end of each elbow to ensure this gap is maintained. These spaces must not be removed.
This appliance uses a 5” (127mm) exhaust / 8” (203.2mm) air intake vent pipe system. Refer to the section applicable to your installation.
For safe and proper operation of the appliance follow the venting instructions exactly. Deviation from the minimum vertical vent length can create difficulty in burner start-up and/or carboning. Under extreme vent configurations, allow several minutes (5-15) for the flame to stabilize after ignition. Although not a requirement, it is recommended for vent lengths that pass through unheated spaces (attics, garages, crawl spaces) be insulated with the insulation wrapped in a protective sleeve to minimize condensation. Provide a means for visually checking the vent connection to the appliance after the appliance is installed. Use a firestop, vent pipe shield or attic insulation shield when penetrating interior walls, floor or ceiling.
The vent terminal may be painted with a high temperature paint to match exterior colours. Use an outdoor paint suitable for 400°F (200°C). Application and performance of paint is the consumer’s responsibility. Spot testing is recommended.
Note:
If for any reason the vent air intake system is disassembled; reinstall per the instructions provided for the initial installation.
This appliance must be installed with a continuous connection of exhaust and air intake vent pipes. Utilizing alternate constructions, such as a chimney as part of the vent system, is not permitted.
Use only Wolf Steel, Metal-Fab, BDM, Simpson Dura-Vent, or Selkirk Direct Temp venting components. Minimum and maximum vent lengths, for both horizontal and vertical installations, clearances from vent pipes to combustibles and air terminal locations as set out in this manual apply to all vent systems and must be adhered to. For Metal-Fab, BDM, Simpson Dura-Vent, or Selkirk Direct Temp, follow the installation procedure provided with the venting components or on the website
for your venting supplier.
A starter adaptor must be used with the following vent systems and may be purchased through Wolf Steel or from the corresponding supplier listed below:
| Venting System | Manufacturer | Starter Adapter Part Number | Supplier | Website |
| SureSeal | Metal-Fab | 5DNA | Wolf Steel | www.mtlfab.com |
| Direct Vent Pro | Simpson DuraVent | W175-0170 | Wolf Steel | www.duravent.com |
| Pro-Form | BDM | N/A | BDM | www.dalsinmfg.com |
| Direct Temp | Selkirk | 5DT-AAN | Selkirk | www.selkirkcorp.com |
| Ventis | Olympia Chimney _ and Venting | VDV-NA05-58F | Olympia Chimney and Venting | www.olympiachimney.com |
Connections made by means of an adaptor at the appliance, as well as the connection at the vent terminal must be sealed.
RTV sealant may be used on both the inner exhaust and outer intake vent pipe joints of all other approved vent systems, except for the exhaust vent pipe connection to the appliance flue collar which must be sealed using the black high temperature sealant Mill Pac.
For all vent systems is strongly recommend for all installations but required when power venting the appliance, that the outer air intake joints are sealed using either high temperature silicone (RTV) or a suitable aluminum tape that covers each joint in the vent system entirely around its circumference. This will ensure the best performance in every application and avoids performance or condensation concerns that may occur in “tightly” constructed homes, particularly those in cold climates.
When using Wolf Steel venting components, use only approved Wolf Steel rigid / flexible components with the following termination kits: wall terminal kit GD422-1,
GD422R-2, ST58U-1 or 1/12 to 7/12 pitch roof terminal kit GD410, 8/12 to 12/12 roof terminal kit GD411, flat roof terminal kit GD412 or periscope kit GD401 (for wall penetration below grade). With flexible venting, in conjunction with the various terminations, use either the 5 foot (1.5m) vent kit GD420 or the 10 foot (3.1m) vent kit GD430.
All vent measurements start at the base of the air collar of the appliance.
For optimum flame appearance and appliance performance, keep the vent length and number of elbows to a minimum.
The air terminal must remain unobstructed at all times. Examine the air terminal at least once a year to verify that it is unobstructed and undamaged.
Rigid and flexible venting systems must not be combined. Different venting manufacturer components must not be combined.
These vent kits allow for either horizontal or vertical venting of the appliance. The maximum allowable horizontal run is 20 feet (6.1m). The maximum allowable vertical vent length is 40 feet (12.2m). The maximum number of vent connections is two horizontally or three vertically (excluding the appliance and the air terminal connections) when using flexible venting.
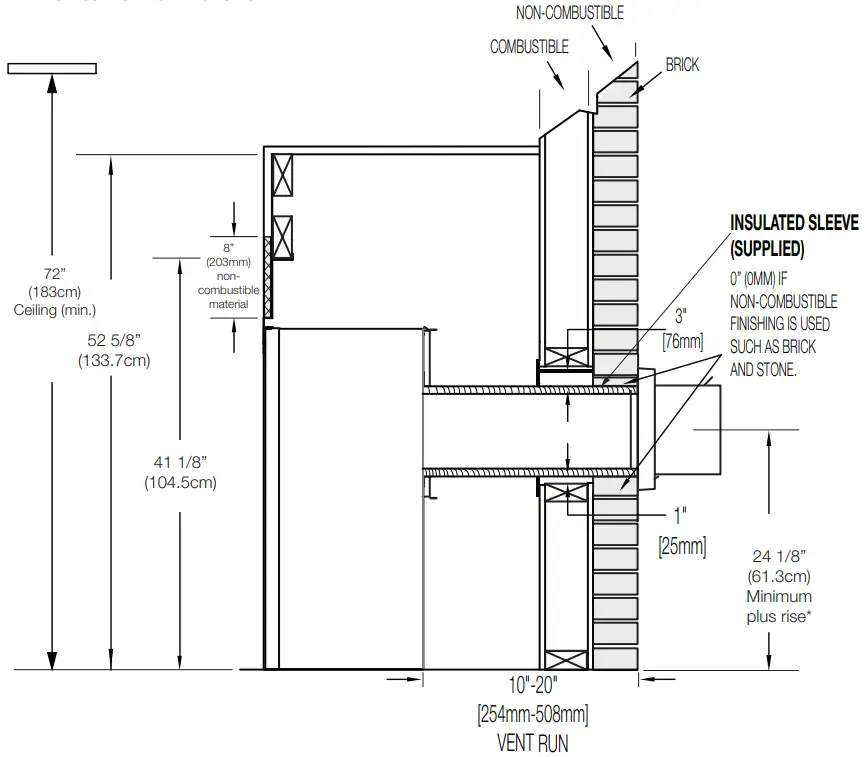
An insulated sleeve has been supplied and must be installed on all rear vent applications for the first 24” (61cm).
Horizontal runs may have a 0” (0mm) rise per foot/meter however for optimum performance it is recommended that all horizontal runs have a minimum 1/4” (21mm) rise per foot/meter using fl exible venting. For safe and proper operation of the appliance, follow the venting instructions exactly.
A terminal shall not terminate directly above a sidewalk or paved driveway which is located between two single family dwellings and serves both dwellings. Local codes or regulations may require different clearances.
Do not allow the inside liner to bunch up on horizontal or vertical runs and elbows. Keep it pulled tight. A 1¼” (31.8mm) air gap all around between the inner liner and outer liner is required for safe operation.
This appliance is certified for use with a power vent kit (top vent only). Contact your local authorized dealer for more information.
2.1 typical venting installation
WARNING
- The fi rst 2 feet of outer 8” (203mm) diameter vent pipe from the appliance must be wrapped in the 1” (25mm) thick insulation sleeve (supplied).

Special vent installation (periscope termination)
Use the periscope kit to locate the air termination above grade. The periscope must be installed so that when final grading is completed, the bottom air slot is located a minimum 12” (30.5cm) above grade. The maximum allowable vent length is 10’ (3m) for a fi replace and 8’ (2m) for a stove.

*See “venting requirements” and “venting installation” sections.
WARNING
- The fi rst 2 feet of outer 8” (203mm) diameter vent pipe from the appliance must be wrapped in the 1” (25mm) thick insulation sleeve (supplied).

2.1.1 corner termination
The maximum vent length for a corner installation is 20” (50.8cm) of horizontal run, in addition to the 45° offset. In this case, 0” rise is acceptable when using rigid venting. When using flexible venting, it is required to maintain a 6” (152mm) rise. See illustrations below for more information.

2.2 minimum air terminal location clearances

| INSTALLATIONS | Note: | ||
| CANADA | U.S.A. | Wall terminals are for illustration purposes only. Size and shapes may vary. Wall terminal measurements taken from the exhaust outlet, not the mounting plate. | |
| A | 12″ (30.5cm) | 12″ (30.5cm) | Clearance above grade, veranda porch, deck or balcony. |
| B | 12″ (30.5cmr | 9″ (229mm) A | Clearance to windows or doors that open. |
| C | 12″ (30.5cm)* | 12′ (30.5cm)Δ | Clearance to permanentty closed windows. |
| D | 18″ (45.7cm)** | 18″ (45.7cm)** | Vertical clearance to ventilated soffits located above the terminal within a horizontal distance of 2′ (0.6m) from the center line of the terminal. |
| E | 12″ (30.5cm)** | 12″ (30.5cm)** | Clearance to unventilated soffit. |
| F | 0′ (0mm) | 0″ (0mm) | Clearance to an outside corner wall. |
| a | 0″ (Omm)*** | 0′ (Omm)*** | Clearance to an liside non-oorneustble comer wal Cr rxotaxing non-ccrnbustible obstructions (chime/. etc.). |
| 2″ (51 mm)'” | 2″ (51 mm)**** | Clearance to an inside combustible comer wall or protruding combustible obstructions (vent chase. etc.). | |
| H | 3%0.9m) | 3(0.9m)**** | Clearance to each side of the center line extended above the meter / regulator assembly to a maximum vertical distance of 15′ (4.6m). |
| I | 3′ (0.9m) | 3′ (0.9m)– | Clearance to a service regulator vent outlet. |
| J | 12” (30.5cm) | 9″ (229mm) | Clean to a non-mechanical al supply inlet to the bulking or a combustion at islet to any cMer appliance. |
| K | 6′ (1.8m) | 3′ (0.9m) t | Clearance to a mechanical air supply inlet. |
| L | 7′ (2.1m) $ | 7′ (2.1m) “‘” | Clearance above a paved sidewalk or paved driveway located on public property. |
| M | 12″ (30.5cm)$$ | 12″ (30.5cm)**** | Clearance under a veranda, porch, deck or overhang. |
| N | 18″ (40.6cm) | 16″ (40.6cm) | Clearance above the roof. |
| 0 | 2′ (0.6m)t’ | 2′ (0.6m)†* | Clearance from an adjacent wall including neighbouring buildings. |
| P | 8′ (2.4m) | 8′ (2.4m) | Roof must be non-combustible without openings. |
| Q | 3′ (0.9m) | 3′ (0.9m) | See chart for wider wall dimensions. |
| R | 6′ (1.8m) | 6′ (1.8m) | See chart for deeper wall dimensions. The terminal shall not be installed on any wall that has an opening between the terminal and the open side of the structure. |
| S | 12″ (30.5cm) | 12″ (30.5cm) | Clearance under a covered balcony |
Δ The terminal shall not be located less than 6 feet under a window that opens on a horizontal plane in a structure with three walls and a roof.
* Recommended to prevent condensation on windows and thermal breakage
** It is recommended to use a heat shield and to maximize the distance to vinyl clad soffi ts.
*** The periscope requires a minimum 18 inches clearance from an inside corner.
**** This is a recommended distance. For additional requirements, check local codes.
† 3 feet above if within 10 feet horizontally.
‡ A vent shall not terminate where it may cause hazardous frost or ice accumulations on adjacent property surfaces.
†† Permitted only if the veranda, porch, or deck is fully open on a minimum of two sides beneath the floor.
†* Recommended to prevent recirculation of exhaust products. For additional requirements, check local codes.
††* Permitted only if the balcony is fully open on a minimum of one side.
Note:
Clearances are to be in accordance with local installation codes and the requirements of the gas supplier. In their absence, clearances are to be as listed above and are based on national codes.
2.3 top exit – all terminations

2.4 rear exit – horizontal termination

2.5 rear exit – vertical termination

2.6 rear exit
WARNING
- Failure to create a seal to the fi rebox with the exhaust collar assembly will cause the appliance to function improperly and can cause injury or property damage.
A. Remove the safety barrier and glass front (see “safety barrier & door removal / installation” section).
B. Remove the contents from the fi rebox and set aside. You will need the exhaust fl ue collar and the top baffl e (supplied).
C. To ease assembly, remove the four hex head screws securing the defl ector from inside the top front of the fi rebox (Fig. 1). Set defl ector aside.
D. Remove the four screws securing the rear heat shield, set aside the shield. Remove the four screws securing the gasket and outer coverplate. (Fig. 2).
E. Secure the gasket and the 8” intake collar provided to the rear opening and replace the rear heat shield.
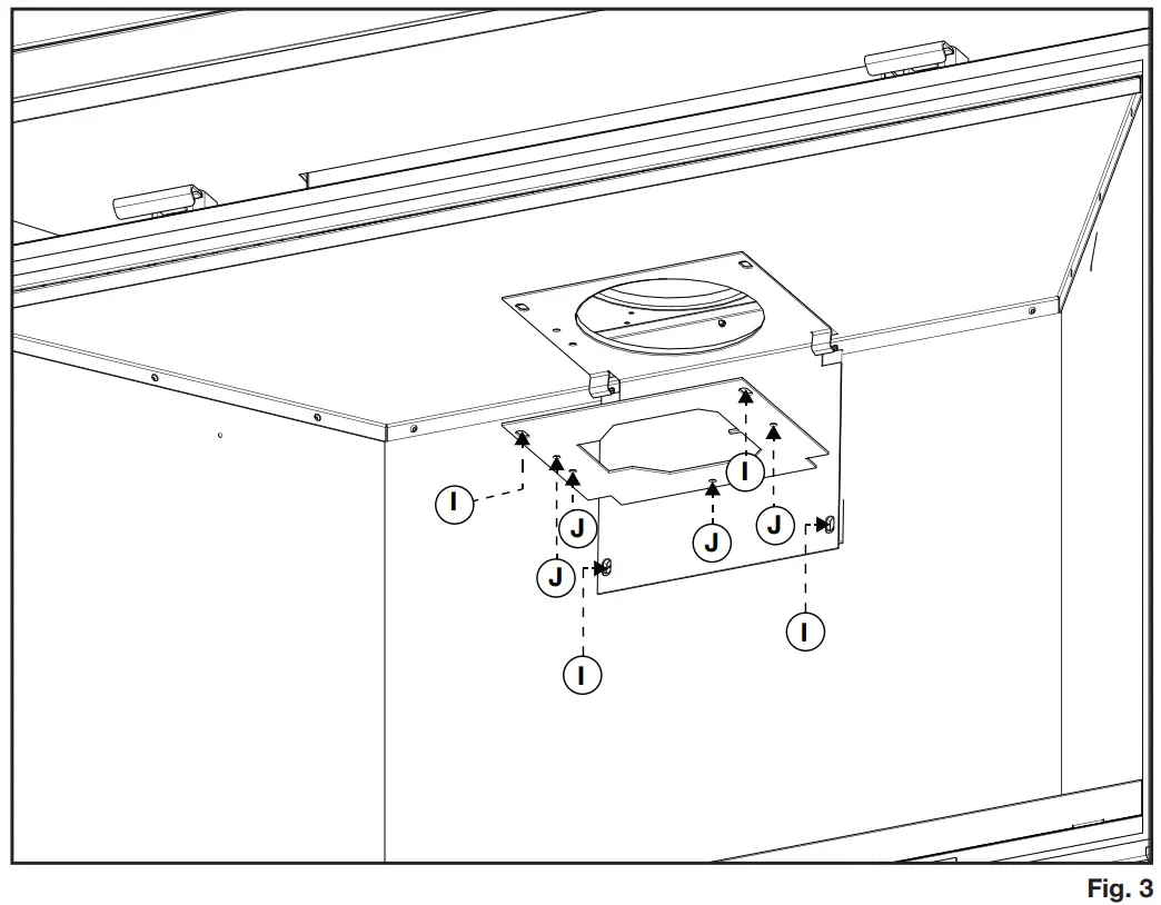
F. Secure the gasket (provided in the manual baggie) and the outer coverplate over the top opening of the appliance. Secure the flue collar assembly, gasket and rear exit shield using the four hex head 3/8″ thread cutting screws (Fig. 3).
Note:
Do not overtighten. The gasket needs only to be snug against the firebox.
G. Replace the deflector. Rest the front edge of the top baffle in the four slots on the deflector. Rest the rear edge of the top baffle (complete with defl ector) on the tabs of the flue collar assembly. Reattach the deflector (complete with top baffle) using the four screws removed in step C (Fig. 4). Install the log set, glass door and safety barrier.

2.7 rear exit shield (for rear vent only)
A. Loosen the two screws, that secure the exhaust plate, and slide the baffl e in place by sliding its slotted openings behind the screwheads, tighten the two previously loosened screws. Refer to the illustration.
B. Reinstall the door and safety barrier assembly on the appliance (see “safety barrier & door removal / installation” section).
note:
This shield is used to block the view through the venting to the outdoors.
2.8 top exit
WARNING
- Failure to create a seal to the firebox with the exhaust collar assembly will cause the appliance to function improperly and can cause injury or property damage.
note:
This appliance has been factory shipped as a top vent appliance.
A. Remove the safety barrier and glass door (see “safety barrier & door removal / installation” section).
B. Remove the contents from the fi rebox and set aside. You will need the exhaust and air inlet collar.
C. To ease assembly, remove the 4 hex head screws, securing the defl ector from inside the top front of the firebox (Fig. 1). Set deflector aside.
D. Remove the 1 1/2″ (38.1mm) thick batt of insulation and discard (Fig. 2).
E. Place the 8″ (203mm) intake collar and gasket onto the top of the appliance and secure using 4 screws (Fig. 2).
tip:
The manual baggie supplies the gasket and screws (packaged in another separate baggie).
note:
Top baffl e must not be installed for top exit applications.

F. From inside the firebox, install the 5” (127mm) exhaust collar with gasket and the exhaust outlet reducer plate up through the top of the firebox, and secure with the the 4 hex head 3/4″ black screws supplied in the manual baggie (Fig. 3).
note:
Do not overtighten. The gasket needs only to be snug against the firebox.
G. Fully secure exhaust outlet reducer using 4 self-tapping screws (supplied) (Fig. 3).

H. Reinstall the top deflector, log set, glass door, and safety barrier.

Rough framing
note:
When using optional finishing accessories, the framing dimensions and finishing materials may differ from what is outlined in the section below; refer to the leaflet instructions supplied in the accessory kit for specific framing and finishing specifi cations.
WARNING
- Risk of fire!
- In order to avoid the possibility of exposed insulation or vapour barrier coming in contact with the appliance body, it is recommended that the walls of the appliance enclosure be “fi nished” (i.e. drywall / sheetrock), as you would finish any other outside wall of a home. This will ensure that clearance to combustibles is maintained within the cavity.
- Do not notch the framing around the appliance stand offs. Failure to maintain air space clearance may cause over heating and fire. Prevent contact with sagging or loose insulation or framing and other combustible materials. Block opening into the chase to prevent entry of blown-in insulation. Make sure insulation and other materials are secured.
- When constructing the enclosure, allow for finishing material thickness to maintain clearances. Framing or finishing material closer than the minimums listed must be constructed entirely of non-combustible materials. Materials consisting entirely of steel, iron, brick, tile, concrete, slate, glass or plasters, or any combination thereof are suitable. Materials that are reported as passing ASTM E136, standard test method for behaviour of materials in a vertical tube furnace at 1382ºF (750ºC) and UL763 shall be considered non-combustible materials.
- Minimum clearance to combusibles must be maintained or a serious fire hazard could result.
- The appliance requires a minimum enclosure height. Measure from the appliance base.
- If steel stud framing kits with cement board are provided, or specified in the installation instructions, they must be installed.
- If specified in the installation instruction, finishing must be done using a non-combustible board, ceramic tile, marble, etc. Do NOT use wood or drywall. Any fire rated drywall is not acceptable.
3.1 minimum framing dimensions
SIDE WALL

3.2 minimum clearance to combustible enclosures
Top Vent (Typical Application)

Horizontal vent sections: Outside of the enclosure, a minimum clearance to combustibles of 3” (76mm) on the top and 1” (25mm) on the sides is required all around the vent pipe on all horizontal runs. Inside the enclosure, horizontal vent sections require a minimum clearance of 3” (76.2mm) at the top of the vent pipe.
Vertical vent sections: Outside of the enclosure, a minimum clearance to combustibles of 1” (25mm) all around the vent pipe on all vertical runs is required. Inside the enclosure, vertical vent sections require a minimum clearance of 1” (25mm) around the vent pipe.
TOP VENT / REAR EXIT ENCLOSURE
The appliance requires a minimum enclosure height of 52 5/8″ (133.7cm). For temperature requirements, the enclosure space around and above the appliance must be left unobstructed.
* See “minimum framing dimensions” section for details on reducing vent pipe top clearances.
These parameters apply to all illustrations found in the “minimum clearance to combustible enclosures” section.
**The minimum clearances around the vent pipe may be reduced from 3” (76mm) to 1” (25mm) in those installations with a minimum 38” (96.5cm) vertical vent rise made immediately off the appliance collar. Some venting configurations that require more vertical rise will require a larger enclosure to provide minimum vertical clearance between vent pipes and combustibles.
Minimum Rear Vent Clearances for Typical Applications
WARNING
- Universal Heat Management kit not available for rear vent installation.
For rear vent termination not exceeding 10″ (254mm) of horizontal vent run.

Horizontal vent sections: A minimum clearance of 3” (76mm) on the top outside of the enclosure and 1” (25mm) on the sides and bottom outside of the enclosure all around the vent pipe on all horizontal runs to combustibles is required. Horizontal vent sections within enclosures require a minimum clearance of 3” (76.2mm) at the top of the vent pipe.
Vertical vent sections: A minimum of 1” (25mm) all around the vent pipe on all vertical runs to combustibles is required except for clearances in appliances enclosures.
Vertical vent sections within enclosures require a minimum clearance of 1” (25mm) around the vent pipe.
REAR EXIT ENCLOSURE
The appliance requires a minimum enclosure height of 52 5/8″ (133.7cm). For temperature requirements, the enclosure space around and above the appliance must be leftunobstructed.
* See “venting requirements” and “venting installation” sections.
Maximum Rear Vent Clearances for Typical Applications (Example 1)
WARNING
- Universal Heat Management kit not available for rear vent installation.
For rear vent termination exceeding 10″ (254mm).

Horizontal vent sections: A minimum clearance of 3” (76mm) on the top outside of the enclosure and 1” (25mm) on the sides and bottom outside of the enclosure all around the vent pipe on all horizontal runs to combustibles is required. Horizontal vent sections within enclosures require a minimum clearance of 3” (76.2mm) at the top of the vent pipe.
Vertical vent sections: A minimum of 1” (25mm) all around the vent pipe on all vertical runs to combustibles is required except for clearances in appliances enclosures.
Vertical vent sections within enclosures require a minimum clearance of 1” (25mm) around the vent pipe.
REAR EXIT ENCLOSURE
The appliance requires a minimum enclosure height of 52 5/8” (133.7cm). For temperature requirements, the enclosure space around and above the appliance must be leftunobstructed.
Maximum Rear Vent Clearances for Typical Applications (Example 2)
WARNING
- Universal Heat Management kit not available for rear vent installation.

Horizontal vent sections: A minimum clearance of 3” (76mm) on the top outside of the enclosure and 1” (25mm) on the sides and bottom outside of the enclosure all around the vent pipe on all horizontal runs to combustibles is required. Horizontal vent sections within enclosures require a minimum clearance of 3” (76.2mm) at the top of the vent pipe.
Vertical vent sections: A minimum of 1” (25mm) all around the vent pipe on all vertical runs to combustibles is required except for clearances in appliances enclosures. Vertical vent sections within enclosures require a minimum clearance of 1” (25mm) around the vent pipe.
REAR EXIT ENCLOSURE
The appliance requires a minimum enclosure height of 52 5/8” (133.7cm). For temperature requirements, the enclosure space around and above the appliance must be left unobstructed.
note:
For heavier finishing materials such as marble, we recommend adding extra support to the frame. Ensure there is adequate floor support for the appliance and finishing material.
Before framing your appliance, determine vent requirements before deciding the final location of the appliance.
After rough framing, place the appliance in its fi nal position.

| Ref. | Minimum rough framing dimensions |
| A | 42 1/2” (108cm)* |
| B | 18 9/16” (47.1cm) |
Venting installation
WARNING
- Ensure to unpack all loose materials from inside the firebox prior to connecting the gas and electrical supply
- If your appliance is supplied with a remote, ensure the remote receiver is in the “OFF” position prior to connecting the gas and electrical supply to the appliance.
- For safe and proper operation of the appliance, follow the venting instructions exactly.
- The appliance exhaust flue collar must be sealed using Mill Pac. All exhaust and intake vent pipe joints must be sealed using red RTV high temp silicone sealant (W573-0002) (not supplied) or black high temp Mill Pac (W573-0007) (not supplied).
- If using pipe clamps to connect rigid vent components, a minimum of 3 screws must also be used to ensure the connection cannot slip off.
- Do not clamp the fl exible vent pipe.
- Risk of fire, explosion, or asphyxiation. Improper support of the entire venting system may allow vent to sag and separate. Use vent run supports and connect vent sections per installation instructions.
- Risk of fire, do not allow loose materials or insulation to touch the vent pipe. Remove insulation to allow for the installation of the attic shield and to maintain clearances to combustibles.
- Do not fill the space between the vent pipe and enclosure with any type of material. Do not pack insulation or combustibles between ceiling firestops. Always maintain specifi ed clearances around venting and fi restop systems. Install wall shields and fi restops as specifi ed. Failure to keep insulation or other materials away from vent pipe may cause fire.
- For gas stoves only: If the appliance is installed directly on carpeting, vinyl tile, or other combustible material other than wood flooring, the appliance shall be installed on a metal or wood panel extending the full width and depth, unless otherwise tested.
4.1 horizontal installation
WARNING
- The firestop assembly must be installed with the vent shield to the top.
- Terminals must not be recessed into a wall or siding more than the depth of the return flange of the mounting plate.
- The vent shield must be fixed in place by fastening the extended vent shield to the bend tabs using the supplied fasteners.
This application occurs when venting through an exterior wall. Having determined the correct height for the air terminal location, cut and frame a hole in the exterior wall, as illustrated, to accommodate the firestop assembly. Dry fit the firestop assembly before proceeding to ensure the brackets on the rear surface fit to the inside surface of the horizontal framing.
The vent shield must be installed to the full depth of the combustible wall. The length of the vent shield may cut shorter for combustible walls that less than 8 1/2” (216mm) thick.

note:
Bend the tabs for reduced side clearances or move the shield for reduced top clearances (dependent on specifi c appliance clearances). Do not fill the air space between the firestop spacer and the exterior wall with any type of insulating material (i.e. spray foam).
A. Fold the vent shield up so that it is perpendicular to the spacer plate.
B. Bend the tabs located on either side of the vent shield so that they are just shy of 90º to the spacer plate.
C. On both sides of the firestop, fasten the (W570-0018) screws through the clearance holes in the bend tabs and threaded into the holes in the vent shield.
D. Apply a bead of caulking around the outer edge of the fi restop assembly.
E. Screw the firestop onto the wall/framing, using 4 screws.
F. Once the vent pipe is installed in its final position, apply red RTV silicone (W573-0002) (not supplied) between the pipe and the firestop.

note:
Where the venting passes horizontally through a wall, you MUST use a Wolf Steel firestop for all rigid and flexvent systems. The gap between the outside diameter of the vent and the firestop MUST be completely sealed with high temperature RTV. When using flexventing, use fi restop assembly W010-4479 (not supplied). When using rigid venting, use firestop assembly 5DHFSN (not supplied).
4.2 vertical installation
This application occurs when venting through a roof. Installation kits for various roof pitches are available from your authorized dealer / distributor. See the “accessories” section to order specifi c kits required.
A. Determine the air terminal location, cut and frame a square opening, as illustrated, in the ceiling and the roof to provide the minimum 1″ (25mm) clearance between the vent pipe and any combustible material. Try to center the vent pipe location midway between two joists to prevent having to cut them. Use a plumb bob to line up the center of the openings. A vent pipe shield will prevent any materials such as insulation, from filling up the 1″ (25mm) air space around the pipe. Nail headers between the joist for extra support.
B. Apply a bead of caulking (not supplied) to the framework or to the Wolf Steel vent pipe shield plate or equivalent (in the case of a finished ceiling), and secure over the opening in the ceiling. A firestop must be placed on the bottom of each framed opening in a roof or ceiling that the venting system passes through. Apply a bead of caulking all around and place a firestop spacer over the vent shield to restrict cold air from being drawn into the room or around the fireplace. Ensure that both spacer and shield maintain the required clearance to combustibles. Once the vent pipe is installed in its final position, apply red RTV silicone (W573-0002) (not supplied) between the pipe and the firestop assembly.
C. In the attic, slide the vent pipe collar down to cover up the open end of the shield and tighten. This will prevent any materials, such as insulation, from fi lling up the 1″ (25mm) air space around the pipe.
note:
Where the venting passes vertically through a ceiling you use MUST use a Wolf Steel firestop for all rigid and fl ex vent systems. The gap between the outside diameter of the vent and the firestop MUST be completely sealed with high temperature RTV.
For 4”/7” appliances:
When using flex venting, use firestop assembly W500-0292 (not supplied).
When using rigid venting, use firestop assembly 4DFS (not supplied).
For 5”/8” appliances:
When using flex venting, use firestop assembly W500-0028 (not supplied).
When using rigid venting, use firestop assembly 5DFS (not supplied).
4.3 using either flexible vent components
WARNING
- Do not allow the inner flex pipe to bunch up on horizontal or vertical runs and elbows. Keep it pulled tight.
- Spacers are attached to the inner flex pipe at predetermined intervals to maintain an even air gap to the outer flex pipe. This gap is required for safe operation. A spacer is required at the start, middle, and end of each elbow to ensure this gap is maintained. These spacers must not be removed.

For safe and proper operation of the appliance, follow the venting instructions exactly.
The vent system must be supported approximately every 3 feet (0.9m) for both vertical and horizontal runs. Use Wolf Steel Ltd. support ring assembly or equivalent noncombustible strapping to maintain the minimum clearance to combustibles for both vertical and horizontal runs. All inner flex pipe and outer flex pipe joints may be sealed using high temperature red RTV silicone W573-0002 (not supplied) or the high temperature sealant W5730007 Mill Pac (not supplied). However, the high temperature sealant W573-0007 Mill Pac (not supplied) must be used on the joint connecting the inner flex pipe and the exhaust fluecollar.
Use only approved flexible vent pipe kits marked:

“Wolf Steel Approved Venting” or “E2” as identified by the stamp only on the flex pipes.
When installing using rigid vent components, follow the manufacturer’s installation and vent sealing requirements.
4.3.1 horizontal air terminal installation
A. Stretch the inner flex pipe to the required length taking into account the additional length needed for the fi nished wall surface. Apply a heavy bead of the red RTV silicone
(W573-0002) (not supplied) to the inner sleeve of the air terminal. Slip the vent pipe a minimum of 2” (50.8mm) over the inner sleeve of the air terminal and secure with a minimum of 3 screws.
B. Using the outer flex pipe, slide over the outer combustion air sleeve of the air terminal and secure with a minimum of 3 screws. Seal using red RTV silicone (W573-0002)
(not supplied).
C. Insert the vent pipes through the fi restop maintaining the required clearance to combustibles. Holding the air terminal (lettering in an upright, readable position), secure to the exterior wall and make weather tight by sealing with caulking (not supplied).
D. If more vent pipe needs to be used to reach the fireplace, couple them together, as illustrated. The vent system must be supported approximately every 3 feet (0.9m) for both vertical and horizontal runs. Use non-combustible strapping to maintain the minimum clearance to combustibles.
E. Stove Appliances Only: From inside the house, using Red RTV Silicone (W573-0002) (not supplied), seal between the vent pipe and the fi restop. Then slide the black trim collar over the vent pipe up to the firestop.
The air terminal mounting plate may be recessed into the exterior wall or siding no greater than the depth of its return flange.
4.3.2 vertical air terminal installation
WARNING
- Maintain a minimum 2” (51mm) space between the air inlet base and the storm collar.
note:
Fastening hardware provided with appropriate roof terminal and liner kits.
A. Fasten the roof support to the roof using 6 screws. The roof support is optional. In this case, the venting is to be adequately supported using either an alternate method suitable to the authority having jurisdiction or the optional roof support.
B. Stretch the inner flex pipe to the required length. Slip the inner flex pipe a minimum of 2” (51mm) over the inner pipe of the air terminal connector and secure with a minimum of three screws, when 4/7, 5/8 and 3/5 venting is used and a minimum of six screws when using 8/10 or 8/11 venting. Seal using a heavy bead of red RTV silicone sealant (W573-0002) (not supplied).
C. Repeat using the outer flex pipe, using a heavy bead of red RTV silicone sealant (W573-0002) (not supplied) and a minimum of three screws, when 4/7, 5/8 and 3/5 venting is used and a minimum of six screws when using 8/10 or 8/11 venting.

D. Thread the air terminal connector / vent pipe assembly down through the roof. The air terminal must be positioned vertically and plumb. Attach the air terminal connector to the roof support, ensuring that the top of the air terminal is 16” (40.6cm) above the highest point that it penetrates the roof.
E. Remove nails from the shingles, above and to the sides of the air terminal connector. Place the flashing over the air terminal connector leaving a min. 3/4” (19mm) of the air terminal connector showing above the top of the flashing. Slide the flashing underneath the sides and upper edge of the shingles. Ensure that the air terminal connector is
properly centered within the flashing, giving a 3/4” (19mm) margin all around. Fasten to the roof. Do not nail through the lower portion of the flashing. Make weather-tight by sealing with caulking. Where possible, cover the sides and top edges of the flashing with roofi ng material.
F. Aligning the seams of the terminal and air terminal connector, place the terminal over the air terminal connector making sure the vent pipe goes into the hole in the terminal. Secure with a minimum of three screws, when 4/7, 5/8 and 3/5 venting is used and a minimum of six screws when using 8/10 or 8/11 venting.
G. Apply a heavy bead of weatherproof caulking 2” (51mm) above the flashing. Install the storm collar around the air terminal and slide down to the caulking. Tighten to ensure that a weather-tight seal between the air terminal and the collar is achieved.
H. If more vent pipe needs to be used to reach the appliance, see “horizontal air terminal installation” section.
4.3.3 appliance vent connection
A. Install the inner flex pipe to the appliance. Secure with a minimum of three screws when installing 3”/5”, 4”/7” or 5”/8” venting, or six screws when installing 8”/10” or 8”/11” venting. Seal the joint and screw holes using Mill Pac sealant (W573-0007) (not supplied).
B. Install the outer flex pipe to the appliance. Secure with a minimum of three screws when installing 3”/5”, 4”/7” or 5”/”8 venting, or six screws when installing 8”/10” or 8”/11” venting. Seal the joints using high temperature red RTV silicone (W573-0002) (not supplied).
4.3.4 restricting vertical vents
WARNING
- Turn off gas and electrical supply before servicing the appliance.
- Appliance may be hot, do not service until appliance is cool.
- For safe and proper operation of the appliance, follow the venting instruction exactly.
- To avoid danger of suffocation, keep the packaging bag away from babies and children. Do not use in cribs, beds, carriages or play pens. This bag is not a toy. Knot before throwing away.
Vertical installations will display an active flame. This appearance is not desirable and the exhaust outlet should be restricted with a Wolf Steel approved restrictor/reducer. This kit is not recommended for short vertical vent runs.
It will be necessary to install the exhaust outlet reducer when venting vertically (refer to “top exit” section).
To optimize performance, all top vent installations that use a vertical air terminal will require a restrictor plate to be installed in conjunction with the exhaust outlet reducer plate (Fig.1).
The restrictor plate can be bent up for varying degrees of restriction (Fig.2).
Top vent / Vertical terminal Our recommendation would be to leave the restrictor plate fl at for all vertical installations from 8’ to 40’. Elbows and offsets will slow ventilation, so adjustments may be necessary.
- Most restriction
- Moderate restriction
- Least restriction
Top vent / Horizontal terminal
In most cases, the exhaust outlet reducer plate will be adequate for top vent installations that terminate horizontally. However, if necessary, the restrictor plate could be used to optimize performance.
Electrical information
5.1 hard wiring connection
It is necessary to hard wire this appliance.
This appliance must be electrically connected and grounded in accordance with local codes. In the absence of local codes, use the current CSA C22.1 Canadian Electrical Code in Canada or the ANSI/NFPA 70-1996 National Electrical Code in the United States.
5.2 receptacle wiring diagram

5.3 electronic wiring diagram
WARNING
- Do not use this appliance if any part has been under water. Call a qualified service technician immediately to have the appliance inspected for damage to the electrical circuit.
- Risk of electrical shock or explosion. Do not wire 110V to the valve or to the appliance wall switch. Incorrect wiring will damage controls.
- All wiring should be done by a qualified electrician and shall be in compliance with local codes. In the absence of local codes, use the current CSA22.1 Canadian Electric Code in Canada or the current National Electric Code ANSI/NFPA NO. 70 in the United States.
- Always light the pilot whether for the first time or if the gas supply has run out, with the glass door opened or removed.
5.4 battery back-up installation
WARNING
- Ensure the gas and electrical power to the appliance is turned off.
- Appliance may be hot, do not service until the appliance has cooled.
note:
In the event of a power failure, your appliance can be operated using a USB power bank as a battery back-up.
A. Before beginning installation, turn off the gas and disconnect the electrical power supply from the appliance.
B. Remove the safety screen to easily access the control compartment.
C. Locate the control board under the firebox.
D. Unplug the USB power supply going to the control board and replace it with a USB power bank (not supplied).
E. Reinstall the safety screen. The safety screen must be installed at all times during the appliance operation.
F. Turn the gas back on to begin operating the appliance.

5.5 initializing the transmitter for the fi rst time
WARNING
- Ensure the gas and electrical power to the appliance is turned off.
A. Locate the transmitter and receiver supplied with the appliance.
B. Make sure the slide switch on the receiver is set to the “OFF” position.
C. Press the battery compartment slightly into the receiver and release enabling the battery compartment to pop out. (Fig. 1).
D. Place 4 “AA” batteries into the battery compartment and slide the compartment back into the receiver. (Fig. 2).
E. Connect the receiver wires to the two leads from the control module, identifi ed as switch wires. See “wiring diagram” section.
F. Place 2 “AAA” batteries into the battery compartment of the transmitter (Fig. 3).
G. Slide the switch on the receiver to the “REMOTE” position. The low battery indicator on the receiver will flash and the receiver will beep twice. The receiver is now ready to communicate with the transmitter. You only have 30 seconds after the receiver is put in the “REMOTE” position to capture the code, which will be indicated by three beeps from the receiver.
H. Point the transmitter at the receiver, push and hold the “ON” button for 1 to 2 seconds to capture a predetermined code. The low battery indicator on the receiver will flash and the receiver will beep three times to confirm synchronization with the transmitter. At this time the remote should be fully operational.

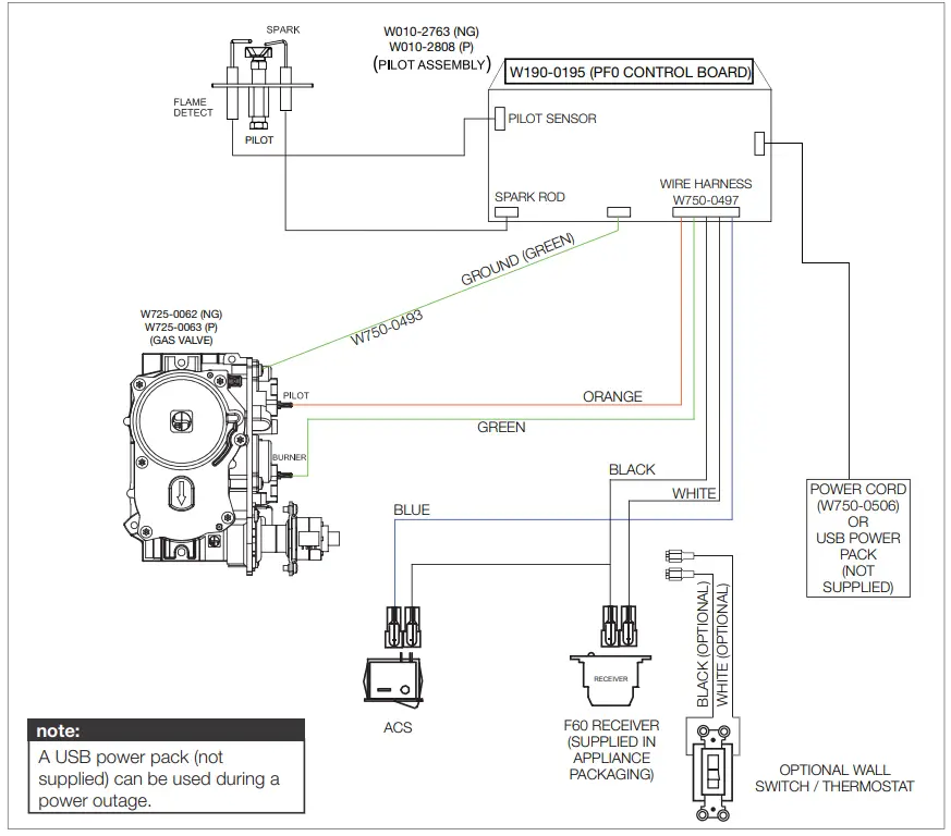
5.6 wiring diagram
WARNING
- Do not wire 110 volts to the valve or wall switch.

note:
The optional wall switch / thermostat should be connected to the piggyback connectors on the back of the receiver.
5.7 light & blower assembly wiring diagrams

note:
For EFCN/P-PF0 installation:
For the lights: the switch on the control panel must remain in the ON position.
For the blower: the wire harness provided with the kit must be used.
Gas installation
WARNING
- Risk of fire, explosion, or asphyxiation. Ensure there are no ignition sources such as sparks or open flames.
- Support gas control when attaching gas supply pipe to prevent damaging gas line.
- Always light the pilot whether for the first time or if the gas supply has run out with the glass door opened or removed. Purging of the gas supply line should be performed by a qualified service technician. Ensure that a continuous gas flow is at the burner before closing the door. Ensure adequate ventilation. For gas and electrical locations, see “dimensions” section.
- All gas connections must be contained within the appliance when complete (gas fireplaces only).
- High pressure will damage valve. Disconnect gas supply piping before testing gas line at test pressures above 1/2 PSIG.
- Valve settings have been factory set, do not change.
Installation and servicing to be done by a qualified installer.
- Move the appliance into position and secure.
- If equipped with a flex connector, the appliance is designed to accept a 1/2” (13mm) gas supply. Without the connector, it is designed to accept a 3/8” (9.5mm) gas supply. The appliance is equipped with a manual shut off valve to turn off the gas supply to the appliance.
- Connect the gas supply in accordance to local codes. In the absence of local codes, install to the current CAN/CSA-B149.1 Installation Code in Canada or to the current National Fuel Gas Code, ANSI Z223.1 / NFPA 54 in the United States.
- When flexing any gas line, support the gas valve so that the lines are not bent or kinked.
- The gas line flex-connector should be installed to provide sufficient movement for shifting the burner assembly on its side to aid with servicing components.
- Check for gas leaks by brushing on a soap and water solution. Do not use open fl ame.
After installing the electrical wiring and gas lines, ensure to test the appliance before finishing the framing and finishing the appliance.
Nailing tab installation
A. Nailing tabs are provided as part of the frames, as shown. To determine the final location and where to bend the nailing tabs you must first determine the thickness of your finishing material (i.e. drywall). This will determine the dimension from the front edge of the corner post to the nailing tab. Once the nailing tab is in the desired location and secure using an appropriate fastener*.
* Additional fasteners may be installed.
Operation
WARNING
- If you do not follow these instructions exactly, a fire or explosion may result causing property damage, personal injury, or loss of life.
- If applicable, always light the pilot whether for the first time or if the gas supply has run out with the glass door opened or removed.
Ensure that a continuous gas flow is at the burner before installing the door. When lit for the first time, the appliance will emit an odor for a few hours. This is a normal temporary condition caused by the “burn-in” of paints and lubricants used in the manufacturing process and will not occur again. After extended periods of non-operation, such as, following a vacation or warm weather season, the appliance may emit a slight odor for a few hours. This is caused by dust particules in the heat exchanger burning off. In both cases, open a window to sufficiently ventilate the room.
FOR YOUR SAFETY READ BEFORE LIGHTING
- Do not turn on if children or other at risk individuals are near the appliance.
- This appliance is equipped with an ignition device which automatically lights the pilot. Do not try to light the pilot by hand.
- Before operating, smell all around the appliance area for gas and next to the floor because some gas is heavier than air and will settle on the floor.
- Do not use this appliance if any part has been under water. Immediately call a qualified service technician to inspect the appliance and replace any part of the control system and any gas control which has been underwater.
WHAT TO DO IF YOU SMELL GAS
- Turn off all gas to the appliance.
- Open windows.
- Do not try to light any appliance.
- Do not touch any electric switch; do not use any phone in your building
- Immediately call your gas supplier from a neighbour’s phone. Follow the gas supplier’s instructions.
- If you cannot reach your gas supplier, call the fire department.
LIGHTING INSTRUCTIONS
note:
This appliance is equipped with an ignition device which automatically lights the pilot. Do not try to light the pilot by hand.
A. Stop! Read the above safety information on this label.
B. Remove batteries from the transmitter and set thermostat to lowest setting, if equipped.
C. Turn off all electrical power to the appliance.
D. Open the glass door, if equipped.
E. Turn the manual shut-off valve clockwise to the “OFF” position. (Shut-off valve is located on the flex connector).
F. Wait fi ve (5) minutes to clear out any gas. If you smell gas including near the floor, STOP! Follow the instructions above in the “WHAT TO DO IF YOU SMELL GAS” section. If you don’t smell gas; close the glass door and go to the next step.
G. Turn the manual shut-off valve counter clockwise to the “ON” position.
H. Turn on all electrical power to the appliance and re-install the batteries into the transmitter. Set thermostat to desired setting, if equipped.
I. Turn on the remote wall switch to the appliance.
J. If the appliance will not operate, follow instructions “TO TURN OFF GAS” and call your service technician or gas supplier.

TO TURN OFF GAS
A. Set thermostat to lowest setting, if equipped.
B. Turn off the remote wall switch to the appliance.
C. Turn off all electric power to the appliance if service is to be performed.
D. Turn manual shutoff valve clockwise to the “OFF” positon. Do not force.
8.1 pilot-on-demand
This appliance is equipped with an “On Demand” intermittent pilot ignition system (IPI) which also includes a continuous pilot ignition (CPI) mode with an integrated seven day timer. This system minimizes your appliance’s carbon footprint as well as reducing its annual fuel consumption and operating costs.
In IPI mode, the pilot will ignite prior to the main burner, when the appliance is turned on using a switch, remote or from a call for heat with the thermostat (if equipped). Once the appliance is turned off (or the call for heat is satisfi ed), the main burner and pilot flame will shut down.
The continuous (CPI) mode is intended to enhance the performance of the appliance during the startup phase in colder climates and extreme weather by keeping the system warm when the main burner is not in use. However, the timer feature provides the convenience that the appliance automatically switches off the pilot when the appliance has not been used for seven days to save unnecessary fuel consumption.
When the CPI function is turned on, the pilot will remain on after the main burner is turned off. A timer will then begin the countdown for approximately seven days before shutting off the pilot if the appliance is not used. This countdown will reset anytime the appliance main burner is used. Therefore, if the appliance is regularly used day to day, the pilot will remain on. However, this system does not require the user to remember to turn the pilot off as summer approaches and avoids unnecessary fuel consumption while still readily turned back on when the cold weather returns.
Your appliance may be equipped with an ACS or remote control device (Fig. 1) which enables you to select IPI or CPI modes.

If your appliance is equipped with an ACS switch, it has the option to change modes:
Fig. 2: Flipping the switch ON turns on the continuous pilot with timer and flipping the switch OFF turns on the intermittent pilot ignition.
Fig. 3: If installed with the blue wire facing up, flipping the switch UP turns on the continuous pilot with timer and flipping the switch DOWN turns on the intermittent pilot ignition. If installed with the white wire facing up, the opposite is true.
If your appliance is equipped with a remote control device capable of selecting IPI / CPI modes, refer to remote operating instructions.
In order to start your pilot, turning the main burner on with the switch, remote or thermostat and then turning it off will reactivate the continuous pilot mode and reset the seven day timer.
For further information, refer to www.napoleon.com/pilotondemand.

Finish framing
9.1 flush
WARNING
- Risk of fire!
- Maintain all specified air space clearances to combustibles. Failure to comply with these instructions may cause a fire or cause the appliance to overheat.
- Ensure all clearances (i.e. back, side, top, vent, mantel, front, etc.) are clearly maintained.

9.2 recess

* Allow for finished floor and hearth thickness when setting these dimensions.
** 2” x 4” frame can be “backed” with 3/4” ply to support TV mounting hardware.
Finishing
WARNING
- Risk of fire!
- Never obstruct the front opening of the appliance.
- The front of the appliance must be finished with any non-combustible materials such as brick, marble, granite, etc., provided that these materials do not go below the specified dimension, as illustrated.
- Do not strike, slam, or scratch. Do not operate appliance with glass removed, cracked, or scratched.
- Facing and/or finishing material must never overhang into the appliance opening.
- The glass door assembly is designed to pivot forward when relieving excess pressure that might occur. Finishing or other materials must not be located in the opening surrounding the door as this will interfere with the doors ability to relieve pressure.
10.1 safety barrier & glass door installation / removal
WARNING
- Glass may be hot. Do not touch glass until cooled.
- If equipped with door latches that are part of a safety system, they must be properly engaged. Do not operate the appliance with latches disengaged.
- Facing and/or finishing materials must not interfere with air flow through air openings, louvre openings, operation of louvres, or doors/access for service. Observe all clearances when applying combustible materials.
- Before door is removed, turn the appliance off and wait until appliance is cool to the touch. Doors are heavy and fragile so handle with care.
A barrier designed to reduce the risk of burns from the hot viewing glass is provided with the appliance and must be installed.
Before the glass door can be removed, the safety screen must be removed. Lift the safety screen off the four pins, tilt the top forward and remove from the appliance.

Leave a hand on the glass door during entire door removal. The glass door is secured to the firebox with two spring latches along the top and two along the bottom. Pull the handles of the latches forward, then lift the latches out from the door frame to release the top of the door. Repeat the same step for the two bottom latches. Next, pivot the door forward until the top edge clears the front of the appliance. Carefully grip the sides of the door lifting it off the appliance.
note:
These spring latches make up the spring relief system for the appliance. Ensure they open freely and close sealed.
Reverse these steps to re-install the safety screen and door. Ensure safety screen is installed correctly.
note:
These spring latches may need to be replaced over time. Do not replace with substitute materials. Contact your local authorized dealer for more information (see “replacement parts” section).
10.2 hood installation
note:
This hood must be installed, if it has not already been factory installed.
A. Safety barrier and glass door must be removed.
B. Install the hood, ensure it is angled downward when installed.
C. As illustrated, secure using 5 screws (supplied).

10.3 fi nishing with non-combustibles
WARNING
- Non-combustible fi nish material must not project more than 4” (101.6mm) from the face of the screen/barrier. If greater projections are desired, increase the clearance to the sides, bottom and top by 2” (50.8mm) for every additional 1” (25.4mm) of projection. If using an optional surround, the same rules applies, starting from the top of the surround. Ensure clearances are maintained for surround removal, as it must lift off of appliance for maintenance.

10.4 installing non-combustible board
WARNING
- The surface above the appliance gets very hot. If proper fi nishing materials are not used, cracking can occur.
- Align the non-combustible panel against the appliance and secure in place with the drywall screws.

Joint Compound where required
Joint compounds such as Durabond 90 and tapes that are resilient to heat and cracking should be used when taping and mudding seams.
Setting tiles and grouting
We recommend you use tiles with a dry butt joint to be installed using a two-part mortar with an acrylic latex additive, such as Mapei Kerabond/Kerlastic, to allow for slight movement in the normal operation of the appliance. If grout is used between the tiles, a polymer-based grout, such as Mapei Ultracolour plus, is recommended.
Primer/Paint
For a painted surface, use a 100% acrylic latex primer and finish coat. Light coloured paints may discolour.
note:
Non-combustible panel shipped loose in carton (5 screws supplied).
10.5 minimum combustible mantel clearances
Combustible Mantel clearance can vary according to the mantel depth. Use the graph to help evaluate the clearance needed.

| MANTEL DIMENSIONS | ||
| Ref | Height | Depth |
| A | 31 5/8″ (80.3cm) | N/A |
| B | 8″ (20.3cm) | 2″ (51mm) |
| C | 10″ (25.4cm) | 4″ (102mm) |
| D | 12″ (30.5cm) | 6″ (152mm) |
| E | 14″ (35.6cm) | 8″ (203mm) |
ONLY if the Universal Heat Management System is installed, mantel clearances can be reduced.

| MANTEL DIMENSIONS (WITH UHM) | ||
| Ref | Height | Depth* |
| B | 3″ (76mm) | 2″ (51mm) |
| C | 5″ (127mm) | 4″ (102mm) |
| D | 7″ (178mm) | 6″ (153mm) |
| E | 9″ (229mm) | 8″ (203mm) |
WARNING
- Risk of fi re! Reduced mantel clearances are ONLY acceptable for applications with UHM installed.
*Mantel depth must be appropriately sized if placing any valuable items above the fireplace / mantel (see “clearances around appliance (TV and valuable objects)”).
10.6 clearances around appliance (TV and valuable objects)


* TV applications were tested with the minimum enclosure dimensions and the maximum recess permissible.
This data is provided in good faith and is not a guarantee for every application and television. Care and consideration should be taken when planning these installations to ensure the temperatures around the TV meet all manufacturer’s recommended operating temperatures. Increasing the height of the mantel and/or TV above the fireplace opening, the protrusion of mantel and the volume of the enclosure all have the effect of reducing the temperature above the fi replace. It is always recommended to use the optional heat management kit when considering mounting a television above the fireplace.
note:
- Electronic appliance temperatures must be validated at the time of installation as air flow characteristics within the room can vary and maximum acceptable operating temperatures can vary from appliance to appliance. Electronic appliances cannot be used where the electronic appliance temperature exceeds the manufacturer’s maximum allowable operating temperatures (see electronic appliance manufacturer’s specifi cations). Operating a television above the manufacturer’s maximum allowable operating temperature will result in premature failure.
- Mantel height and depth must conform to mantel clearance requirements specifi ed in this manual, see “minimum clearance to combustible mantel” section in installation manual.
- Electronic appliance temperatures may be further reduced by increasing the horizontal distance between the front of the electronic appliance and the front edge of the mantel or by increasing dimension “A” or “B”. However, increasing the gap between the top of the mantel and the bottom of the electronic appliance beyond the maximum recommended figure, typically results in higher temperatures. Minimum clearance between the mantel and bottom of the electronic appliance should be maintained to allow air circulation below and behind the electronic appliance.
10.7 air flow cover installation

Install one air flow cover at each end of the burner stiffener rail (2 total) using 4 screws (supplied).
note:
The air flow covers must be installed.
10.8 log placement
WARNING
- Failure to position the logs in accordance with these diagrams or failure to use only logs specifically approved with this appliance may result in property damage or personal injury.
- Logs must be placed in their exact location in the appliance. Do not modify the proper log positions, since appliance may not function properly and delayed ignition may occur.
- The logs are fragile and should be handled with care.
PHAZERTM logs and glowing embers, exclusive to Napoleon, provide a unique and realistic glowing effect that is dif-ferent in every installation. Take the time to carefully position the glowing embers for a maximum glowing effect. Log colours may vary. During the initial use of the appliance, the colours will become more uniform as colour pigments burn in during the heat-activated curing process. Blocked burner ports can cause an incorrect flame pattern.
Burner Overview
note:
The logs are numbered for illustrative purposes only according to the order in which they are to be installed.


10.9 glowing embers
Tear the embers into pieces and place along the front row of ports covering all of the burner area in front of the front centre log(#2). Care should be taken to shred the embers into thin, small irregular pieces as only the exposed edges of the fi bre hairs will glow. The ember material will only glow when exposed to direct fl ame; however, care should be taken to not block the burner ports.
Blocked burner ports can cause an incorrect flame pattern, carbon deposits and delayed ignition. PHAZER™ logs glow when exposed to direct fl ame. Use only certifi ed “glowing embers” and PHAZER™ logs available from your authorized dealer / distributor.
10.10 charcoal embers
WARNING
- Do not block or close off the burner ports. Blocked ports can cause an incorrect flame pattern, carbon deposits and delayed ignition.
- When supplied, charcoal embers, charcoal lumps and vermiculite are not to be placed on the burner.
Randomly place the charcoal embers along the front and sides of the log support in a realistic manner.
Fine dust found in the bottom of the bag should not be used.
note:
Charcoal embers are not to be placed on the burner.
10.11 glass media placement

A. Cover both lenses completely with clear glass (shaded area).
B. Spread small amounts of amber glass over the clear glass to give the ember bed effect (shaded area).
C. Some charcoal chips could be placed over the glass to dull the light especially when using porcelain panels.
Adjustments adjustments

11.1 venturi adjustment
This appliance has an air shutter that has been factory set open according to the chart below:
Regardless of venturi orientation, closing the air shutter will cause a more yellow flame, but can lead to carbonization. Opening the air shutter will cause a more blue flame, but can cause flame lifting from the burner ports. The flame may not appear yellow immediately; allow 15 to 30 minutes for the final flame colour to be established.
AIR SHUTTER ADJUSTMENT MUST ONLY BE DONE BY A QUALIFIED INSTALLER.
Note: It is important that the orifice is securely inserted into the venturi.
VENTURI ADJUSTMENT CHART
| NG | 1/4” (6.3mm) |
| P | 1/2” (12.7mm) |
11.2 pilot burner adjustment
Adjust the pilot screw to provide properly sized fl ame. Turn in a clockwise direction to reduce the gas fl ow.
Check Pressure Readings:
Inlet pressure can be checked by turning screw (A) counterclockwise 2 or 3 turns and then placing pressure gauge tubing over the test point. Gauge should read as described in the chart below.
Check pressure with main burner operating on “HI”. Outlet pressure can be checked the same as above usingscrew
(B). Gauge should read as described on the chart below. Check pressure with main burner operating on “HI”.
After taking pressure readings, be sure to turn screws clockwise fi rmly to reseal. Do not overtorque.
Leak test with a soap and water solution.
Prior to pilot adjustment, ensure that the pilot assembly has not been painted. If overspray or painting of the pilot assembly has occurred remove the paint from the pilot assembly, or replace. Fine emery cloth or a synthetic scrub pad (such as Scotch-Brite™) can be used to remove the paint from the pilot hood, electrode and fl ame sensor.
| Pressure | Natural Gas (inches) | Natural Gas (millibars) | Propane (inches) | Propane (millibars) |
| Inlet | *7″ (minimum 4.5″) | 17.4mb (minimum 11.2mb) | 13″ (minimum 11″) | 32.4mb (minimum 27.4mb) |
| Outlet | 3.5″ | 8.7mb | 10″ | 24.9mb |
*Maximum inlet pressure not to exceed 13”
adjustments
11.3 flame characteristics
It’s important to periodically perform a visual check of the pilot and burner flames. Compare them to the illustration provided. If any flames appear abnormal, call a service person.

Maintenance
WARNING
- Turn off the gas and electrical power before servicing the appliance.
- Appliance may be hot. Do not service until appliance has cooled.
- Do not use abrasive cleaners on glass.
- Do not paint the pilot assembly.
This appliance and its venting system should be inspected before use and at least annually by a qualified service person. The following suggested checks should be performed by a qualifi ed technician. The appliance area must be kept clear and free of combustible materials, gasoline, or other fl ammable vapors and liquids.
The fl ow of combustion and ventilation air must not be obstructed.
Note:
Caution: Label all wires prior to disconnection when servicing controls. Wiring errors can cause improper and dangerous operation. Verify proper operation after servicing.
- In order to properly clean the burner and pilot assembly, remove the logs, rocks and/or glass to expose both
assemblies. - Keep the control compartment, media, burner, air shutter opening and the area surrounding the appliance clean by vacuuming or brushing, at least once a
year. - Check to see that all burner ports are burning. Clean out any of the ports which may not be burning or are not burning properly.
- Check to see that the pilot fl ame is large enough to engulf the fl ame sensor and/or thermocouple thermopile as well as it reaches the burner.
- If your appliance is equipped with a safety barrier, cleaning may be necessary due to excessive lint / dust from carpeting, pets, etc. simply vacuum using the brush attachment.
- If your appliance is equipped with relief doors, ensure the system performs effectively. Check that the gasket is not worn or damaged. Replace if necessary.
- Replace the cleaned logs, rocks or glass. Failure to properly position the media may cause carboning which can be distributed in the surrounding living area, inside the fi rebox and on exterior surfaces surrounding vent termination.
- Check to see that the main burner ignites completely on all ports when turned on. A 5 to 10 second total light-up period is satisfactory. If ignition takes longer, consult your local authorized dealer / distributor.
- Visually inspect the appliance for carbon build up. Using a small whisk or brush, brush off the carbon and vacuum up or sweep into garbage.
- This step is not applicable for Vent Free appliances: Check to see that the appliance is venting correctly. Ensure chimney system is safe and unobstructed. (If for any reason the vent air intake system is disassembled, re-install and re-seal per the instructions provided for the initial installation).
12.1 care of glass
WARNING
- Do not clean glass when hot! Do not use abrasive cleaners to clean glass. Buff lightly with a clean dry soft cloth to remove accumulated dust or fi ngerprints. Clean both sides of the glass after the fi rst 10 hours of operation with an ammonia-free glass cleaner.
Note:
Vinegar-based glass cleaners have demonstrated an ability to provide a clean, streak free glass surface.
Thereafter, clean as required. If the glass is not kept clean permanent discoloration and / or blemishes may result. Contact you local authorized dealer / distributor for complete cleaning instructions. Razor blades, steel wool, or other metallic objects must not be used on both surfaces of the glass. Doing so can remove a thin layer of metal from the razor blades, steel wool, or other metallic objects that may then be deposited onto the coating. This can result in a discoloured stain or scratch-like mark. More importantly, this can scratch the glass surface, thereby reducing its strength.
Do not operate the appliance with broken glass, as leakage of fl ue gases may result.
Contact your local authorized dealer / distributor for complete cleaning instructions.
If the glass should ever crack or break while the fi re is burning, do not open the door until the fi re is out. Do not operate the appliance until the glass has been replaced. Contact you local authorized dealer / distributor for replacement parts. DO NOT SUBSTITUTE MATERIALS.
maintenance
This appliance is factory equipped with 5mm ceramic glass. Use only replacement parts as supplied by the appliance manufacturer. DO NOT SUBSTITUTE MATERIALS.
12.2 annual maintenance
WARNING
- Annual maintenance should be performed by a qualifi ed service technician
- The fi rebox becomes very hot during operation. Let the appliance cool completely or wear heat resistant gloves before conducting service.
- Never vacuum hot embers.
- Do not paint the pilot assembly
- This appliance will require maintenance which should be planned on an annual basis.
- Service should include cleaning, battery replacement, venting inspection and inspection of the burner, media, and fi rebox. Refer to the door removal section and remove the door as instructed.
- Carefully remove media if necessary (logs, glass, brick panels, etc.).
- Using a vacuum with soft brush attachment, gently remove any dirt, debris, or carbon build up from the logs, fi rebox, and burner. For glass media, follow the installation instructions for pre-cleaning.
- Gently remove any build-up on the pilot assembly including thermopile, thermocouple, fl ame sensor, and igniter (if equipped).
Note:
Clean fl ame sensor using a fi ne emery cloth or a synthetic scrub pad (such as Scotch-Brite™) to remove any oxides. Clean the pilot assembly using a vacuum with a soft brush attachment. It is important that the pilot assembly is not painted.
- Inspect all accessible gaskets and replace as required.
- If equipped with a blower, access the blower and clean using a soft brush and vacuum.
- Re-assemble the various components in reverse order.
- Inspect the relief system. The appliance relieves through the main glass door or through the fl aps on the firebox top. Ensure they open freely, and close sealed.
- Check the gas control valve pilot and Hi / Lo knobs move freely, if equipped. Replace if any stiffness in movement is experienced.
- Check for gas leaks on all gas connections up and downstream from the gas valve including pilot tube connections.
12.3 glass / door replacement
WARNING
- Do not use substitute materials.
- Glass may be hot. Do not touch glass until cooled.
- Care must be taken when removing and disposing of any broken door glass or damaged components. Be sure to vacuum up any broken glass from inside appliance before operation.
- Do not strike, slam, or scratch. Do not operate appliance with glass removed, cracked, broken, or scratched.
Replacement glass/frame assembly shall be replaced as a complete unit as supplied by the appliance manufacturer.
12.4 night light replacement
Lights: To replace the halogen bulb in your appliance you must first remove the lens from the light housing.
To remove the lens from the housing, remove the screw securing the housing in place (Fig. 1).

Snap the lens out of the housing (including the metal bracket) (Fig. 2). Do not touch the halogen bulb with your bare hands.
The oil from your fingertips will reduce the life of the bulb. With gloved hands gently pull the old bulb from the socket and replace with the new bulb. Reinstall the lens, by snapping it back into the housing and bend the tabs on the front of the housing back in to position.

12.5 blower replacement
WARNING
- Risk of fire and electrical shock!
- Turn off the gas and electrical power before servicing this appliance.
- Use only Wolf Steel approved optional accessories and replacement parts with this appliance. Using non-listed accessories (blowers, doors, louvres, trims, gas components, venting components, etc.) could result in a safety hazard and will void the warranty and certification.
- Ensure that the fan’s power cord is not in contact with any surface of the appliance to prevent electrical shock or fire damage. Do not run the power cord beneath the appliance.
- The wire harness provided in the blower kit is a universal harness. When installed, ensure that any excess wire is contained, prevent it from making contact with moving or hot objects.
A. Turn off the power to the appliance.
B. Remove the safety barrier.
C. Unplug the blower from the junction box.
D. Raise the tab securing the blower assembly in place.
E. Lift the blower up from the slots.
F. Disconnect the slip-on connectors at the motor of the blower.
G. Replace the blower in assembly and reverse previous steps.
H. Ensure that there are no cables touching the blower.
Drywall dust will penetrate into the blower bearings, causingirreparable damage. Care must be taken to prevent drywall dust from coming into contact with the blower or its compartment. Any damage resulting from this condition is not covered by the warranty policy.
Replacement parts
WARNING
- Failure to position the parts in accordance with this manual or failure to use only parts specifi cally approved with this appliance may result in property damage or personal injury.
Contact your dealer for questions concerning prices and policies on replacement parts. Normally, all parts can be ordered through your Authorized dealer / distributor.
For warranty replacement parts, a photocopy of the original invoice will be required to honour the claim.
When ordering replacement parts always give the following information:
- Model & Serial Number of appliance
- Installation date of appliance
- Part number
- Description of part
- Finish
Parts, part numbers, and availability are subject to change without notice.
Parts identifi ed as stocked will be delivered within 2 to 5 business days for most delivery destinations.
Parts not identifi ed as stocked will be delivered within a 2 to 4 week period, for most cases.
Parts identifi ed as ‘SO’ are special order and can take up to 90 days for delivery.

| Ref. No. | Part number | Description | Stocked |
| 1 | W565-0307-SER | Safety screen | Yes |
| 2 | W010-4347-SER | Safety barrier assembly | |
| 3 | W385-2010 | Napoleon bgo | Yes |
| 4 | W010-4346-SER | Complete door assembly | |
| 5 | W715-1182-SER | Top finishing trim | |
| 6 | W335-0064-SER | Hood | |
| 7 | W018-0219-SER | Front baffle | Yes |
| 8 | W655-0916 | Media tray support | |
| 9 | W655-0960 | Media tray | |
| 10 | W525-0077 | Secondary air baffle | |
| 11 | W010-4424 | 8″ Crimped collar assembly | |
| 12 | W290-0873 | Gasket flue pipe assembly | Yes |
| 13 | W010-4428-SER | Gasket flue pipe accembly | Yes |
| 14 | W010-3684 | Door latches V4) | |
| 15 | W570-0135 | Shoulder screws V4) | Yes |
| 16 | W200-0747K | Air flow cover | |
| 17 | W200-0563 | Exhaust opening cover | |
| 18 | GL-709 | Log set | |
| 19 | W361-0016 | Glowing embers | Yes |
| 20 | W550-0001 | Charcoal embers | Yes |
| 21 | W660-0009 | ACS / Light Switch | Yes |
| 22 | W690-0002 | Thermodisc | Yes |
| 23 | W660-0019 | Variable speed switch | |
| 24 | W300-0356 | Amber glass | |
| 25 | W300-0355 | Clear reflective glass | |
| 26″ | W405-0097 | Light assembly | |
| 27′ | W387-0021 | Light bulb | |
| 28* | F60 | Thermostatic remote | |
| 29′ | W062-0077 | Blower | |
| 30′ | W750-0159 | Light assembly power cord | |
| 31′ | W750-0050 | Bbwer wire harness | |
| 32″ | W750-0500 | Light wire harness |
13.2 valve train assembly

| Ref. No. | Part number | Description | Stocked |
| 1 | W100-0237-SER | Burner assembly (NG) | Yes |
| 1 | W100-0246-SER | Burner assembly (P) | Yes |
| 2 | W456-0037 | Burner orifice #37 (NG) | Yes |
| 2 | W456-0052 | Burner orifice #52 (P) | Yes |
| 3 | W290-0248 | Valve train gasket | |
| 4 | W432-0103 | Manifold flex pipe | |
| 5 | W190-0195 | Control module | Yes |
| 6 | W750-0497 | PF0 Wire harness | Yes |
| 7 | W750-0493 | PF0 Ground wire | Yes |
| 8 | W750-0506 | USB Power cord | Yes |
| 9 | W335-0039 | Pilot hood | Yes |
| 10 | W455-0070 | Pilot orifice #62 (NG) | Yes |
| 10 | W455-0068 | Pilot orifice #35 (P) | Yes |
| 11 | W720-0062 | Pilot tube (w/ fittings) | Yes |
| 12 | W240-0013 | Ignitor (w/ wire) | Yes |
| 13 | W245-0037 | Thermosensor | |
| 14 | W290-0029 | Pilot gasket | Yes |
| 15 | W585-0928 | Pilot shield | |
| 16 | W725-0062 | 886 Proflame valve (NG) | Yes |
| 16 | W725-0063 | 886 Proflame valve (P) | Yes |
| 17 | W080-1892 | Pilot bracket | |
| 18 | W010-2763 | Pilot assembly (NG) | Yes |
| 18 | W010-2808 | Pilot assembly (P) | Yes |
Troubleshooting
WARNING
- Always light the pilot whether for the first time or if the gas supply has run out, with the glass door open or removed.
- Turn off gas and electrical power before servicing the appliance.
- Appliance may be hot. Do not service until appliance has cooled.
- Do not use abrasive cleaners
| symptom | problem | test solution | |||||||||||||||
| Main burner fl ame is a blue, lazy, transparent fl ame. (This is not applicable in outdoor appliances) | Blockage in vent. | Remove blockage. In really cold conditions, ice buildup may occur on the terminal and should be removed as required. (To minimize this from reoccuring, the vent lengths that pass through unheated spaces (attics, garages, crawl spaces) should be wrapped with an insulated mylar sleeve). | |||||||||||||||
| Incorrect installation. | efer to “venting” section to ensure correct installation. | ||||||||||||||||
| Flames are consistently too large or too small. Carboning occurs. ![]() | Appliance is over-fi red or underfi red. | – Check pressure readings: Inlet pressure can be checked by turning screw (A) counter-clockwise 2 or 3 turns and then placing pressure gauge tubing over the test point. Gauge should read as described on the chart below. Check that main burner is operating on ‘HI’. Outlet pressure can be checked the same as above using screw (B). Gauge should read as described on the chart below. Check that main burner is operating on ‘HI’. After taking pressure readings, be sure to turn screws clockwise fi rmly to reseal. DO NOT OVER TORQUE. Leak test with a soap and water solution.
*Maximum inlet pressure not to exceed 13” w.c. | |||||||||||||||
| Air shutter improperly adjusted. | eturn air shutter to specifi ed opening, see “venturi adjustments” section in the installation manual. | ||||||||||||||||
| Carbon is being deposited on glass, logs, rocks, media, or combustion chamber surfaces. | Air shutter is blocked. | – Ensure air shutter opening is free of lint or other obstructions. | |||||||||||||||
| Flame is impinging on the glass, logs, rocks, media or combustion chamber. | – Ensure the media is positioned correctly in the appliance. – Open air shutter to increase the primary air. – Check the input rate: check the manifold pressure and orifi ce size as specifi ed by the rating plate. – Ensure door gaskets are not broken or missing and the seal is tight. – Ensure vent liners are free of holes and well sealed at all joints. – Check that minimum rise per foot (meters) has been adhered to for any horizontal venting. | ||||||||||||||||
| White / grey fi lm forms. | Sulphur from fuel is being deposited on glass, logs, or combustion chamber surfaces. | – Clean the glass with a recommended gas fi replace glass cleaner. DO NOT CLEAN GLASS WHEN HOT. If deposits are not cleaned off regularly, the glass may become permanently marked. | |||||||||||||||
| Exhaust fumes smelled in room, headaches. | Appliance is spilling. (This is not applicable in outdoor appliances). | Check door seal. – Check for exhaust damage. – Check that venting is installed correctly. – Room is in negative pressure; increase fresh air supply. | |||||||||||||||
| Pilot will not light. Makes noise with no spark at pilot burner. | Wiring: short, loose, or damaged connections (poor fl ame rectifi cation). | – Verify the thermocouple/sensor is clean and the wiring is undamaged. – Verify the interrupter block is not damaged or too tight. Verify connections from pilot assembly are tight; also verify the connections are not grounding out to any metal. (Remember, the fl ame carries the rectifi cation current, not the gas. If fl ame lifts from pilot hood, the circuit is broken. A wrong orifi ce or too high of an inlet pressure can cause the pilot fl ame to lift)*. The sensor rod may need cleaning. | |||||||||||||||
| No signal from remote with no pilot ignition. | – Reprogram receiver code. – Replace receiver. | ||||||||||||||||
| Poor grounding. | – Verify the valve / pilot assembly are properly grounded | ||||||||||||||||
| Improper switch wiring. | – Troubleshoot the system with the simplest on/off switch. | ||||||||||||||||
| Dirty, painted, or damaged pilot and/or dirty sensor rod. | – Clean sensor rod with a green Scotch-Brite™ pad to remove any contamination that may have accumulated. Verify continuity with multimeter with ohms set at the lowest range. | ||||||||||||||||
| Pilot sparks but will not light. | Gas supply. | Verify that the incoming gas line ball valve is “open”. Verify that the inlet pressure reading is within acceptable limits, inlet pressures must not exceed 13” W.C. (32.4mb). | |||||||||||||||
| Out of propane gas. | Fill the tank. | ||||||||||||||||
| Pilot supply line may contain air. | – Repeat ignition process several times or purge the pilot supply line. | ||||||||||||||||
| Incorrect wiring / grounding. | – Ensure correct polarity of wiring of thermocouple (if equipped). – Verify pilot assembly / valve are properly grounded. | ||||||||||||||||
| Receiver (if equipped). | Reset program: hold reset button on receiver and wait for 2 beeps. Release after second beep. Press small fl ame button on remote within 20 seconds, you will hear an additional beep (this signals a successful reset). Replace receiver. | ||||||||||||||||
| Valve. | Check valve and replace if necessary (Do not to overtighten thermocouple). | ||||||||||||||||
| Burner continues to spark and pilot lights but main burner does not light. | Short or loose connection in sensor rod. | – Verify all connections. Verify the connections from the pilot assembly are tight. Also, verify these connections are not grounding out to any metal. | |||||||||||||||
| Dirty, painted, or damaged pilot assembly components. | – Clean using a green Scotch-Brite™ pad to remove any contamination that may have accumulated on the sensor rod, pilot hood, ignitor, or fl ame sensor. Verify continuity with multimeter with ohms set at the lowest range. | ||||||||||||||||
| Remote wall switch is in “off” position; burner comes on. | Wall switch mounted upside down. | – Reverse. | |||||||||||||||
| Remote wall switch and/or wire is grounding. | – Replace. – Check for ground (short); repair ground or replace wire. | ||||||||||||||||
| Faulty wire | – Replace. | ||||||||||||||||
| Remote and / or receiver is not functioning properly. | Remote controls lights but no spark or fl ame. (Remote is locked out). | -Reset by turning power source off then on. note: If back up batteries are installed, they must also be removed to re-program | |||||||||||||||
| Receiver or remote has low battery. | Replace batteries. | ||||||||||||||||
| Appliance functions but does not respond to receiver / remote | – Ensure appliance is being operated by the same device that turned it on. Remote controls function if appliance was turned on by remote. Receiver controls function if appliance was turned on by receiver. | ||||||||||||||||
| Error with synchronizing. | -Reset receiver and remote. | ||||||||||||||||
| Remote too far away from receiver. | -Refer to “wiring diagram” section. | ||||||||||||||||
| Wire connector pins are bent. | -Straighten pins. | ||||||||||||||||
| Valve wiring is damaged. | Replace valve. | ||||||||||||||||
| Lights or blower won’t function (if equipped). | Control module switch in wrong position. | Verify ON/OFF switch is in the “I” position which denotes on. | |||||||||||||||
| COM switch is unplugged. | Verify “COM” switch is plugged into the front of the control module. | ||||||||||||||||
| Flames are very aggressive. | Door is ajar. | Ensure door is secured properly. | |||||||||||||||
| Venting action is too great. | Check to ensure venting is properly sealed or restrict vent exit with restrictor plate. (Not available in all appliances). | ||||||||||||||||
| Appliance won’t perform any functions. | No power to the system. | Check breaker to verify it’s in the “on” position. | |||||||||||||||
| Receiver switch in wrong position (if equipped). | Verify that the 3 position switch on the receiver is in the remote position (middle). | ||||||||||||||||
| Transmitter isn’t operational. | Check battery power and battery orientation. |
The following applies specifi cally to the SIT system only:
Pilot will not light.
Makes no noise with no spark at pilot burner. (Lights and blower operate, if equipped).
Ignition box has been locked out.
Choose one of the 3 methods below to reset the system.
- To reset ignition box when locked out. Turn off power supply and remove batteries (if used) from the back up battery pack.
- To reset the DFC Board when the board goes into a lock out condition and the LED is blinking 3 times using the transmitter on/off button:
Step 1: Turn the system off by pressing the on/off button to turn the system off.
Step 2: After approximately 2 seconds press the on/ off button on the transmitter again. The DFC Board will reset and the ignition sequence will start again. - To reset the DFC Board when the board goes into a lock out condition and the LED is blinking 3 times by cycling fl ame:
Step 1: In the manual fl ame control mode, use the down arrow button to reduce the fl ame to off, indicated by the word OFF displayed on the transmitter LCD screen.
Step 2: Wait approximately 2 seconds and press the up arrow button, the ignition sequence will start.
note:
Starting from off, press the on button on the transmitter. After approximately 4 seconds on/off button is pressed, the ignition board will start the spark. The atempt for ignition will last approximately 60 seconds. If there is no fl ame ignition (rectifi cation), the board will stop sparking and the board will go into lock out.
warranty
Napoleon products are manufactured under the strict Standard of the world recognized ISO 9001 : 2015 Quality Management System.
Napoleon products are designed with superior components and materials assembled by trained craftsmen who take great pride in their work. The burner and valve assembly are leak and test-fi red at a quality test station. The complete appliance is again thoroughly inspected by a qualifi ed technician before packaging to ensure that you, the customer, receive the quality product that you expect from Napoleon.
Napoleon Gas Appliance President’s Lifetime Limited Warranty
The following materials and workmanship in your new Napoleon gas appliance are warranted against defects for as long as you own the appliance. This covers: combustion chamber, heat exchanger, stainless / steel burner, Phazer™ logs and embers, rocks, ceramic glass (thermal breakage only), gold plated parts against tarnishing, porcelainized enameled components and aluminum extrusion trims.*
Electrical (110V and millivolt) components and wearable parts are covered and Napoleon will provide replacement parts free of charge during the fi rst year of the limited warranty. This covers: blowers, gas valves, thermal switches, switches, wiring, remote controls, ignitors, gaskets and pilot assemblies.*
Labour related to warranty repair is covered free of charge during the fi rst year (labour warranty is not applicable for the Gas Log Sets). Repair work, however, requires the prior approval of an authorized company offi cial. Labour costs to the account of Napoleon are based on a predetermined rate schedule and any repair work must be done through an authorized Napoleon dealer.
* Construction of models vary. Warranty applies only to components included with your specific appliance.
Conditions and Limitations
Napoleon warrants its products against manufacturing defects to the original purchaser only. Registering your warranty is not necessary. Simply provide your proof of purchase along with the model and serial number to make a warranty claim.
Napoleon reserves the right to have its representative inspect any product or part thereof prior to honouring any warranty claim. Provided that the purchase was made through an authorized Napoleon dealer your appliance is subject to the following conditions and limitations:
Warranty coverage begins on the date of original installation. This factory warranty is non-transferable and may not be extended whatsoever by any of our representatives. The gas appliance must be installed by a licensed, authorized service technician or contractor qualifi ed and authorized installer, service agency or supplier. Installation must be done in accordance with the installation instructions included with the product and all local and national building and fi re codes.
This limited warranty does not cover damages caused by misuse, lack of maintenance, accident, alterations, abuse or neglect, and parts installed from other manufacturers will nullify this warranty. This limited warranty further does not cover any scratches, dents, corrosion or discoloring caused by excessive heat, abrasive and chemical cleaners nor chipping on porcelain enamel parts, mechanical breakage of Phazer™ logs and embers. This warranty extends to the repair or replacement of warranted parts which are defective in material or workmanship provided that the product has been operated in accordance with the operation instructions and under normal conditions. After the fi rst year, with respect to this President’s Lifetime Limited Warranty, Napoleon may, at its discretion, fully discharge all obligations with respect to this warranty by refunding to the original warranted purchaser the wholesale price of any warranted but defective part(s).
After the fi rst year, Napoleon will not be responsible for installation, labour, or any other expenses related to the reinstallation of a warranted part and such expenses are not covered by this warranty. Notwithstanding any provisions contained in the President’s Lifetime Limited Warranty, Napoleon’s responsibility under this warranty is defi ned as above and it shall not in any event extend to any incidental, consequential or indirect damages. This warranty defi nes the obligations and liability of Napoleon with respect to the Napoleon gas appliance and any other warranties expressed or implied with respect to this product, its components or accessories are excluded. Napoleon neither assumes, nor authorizes any third party to assume, on its behalf, any other liabilities with respect to the sale of this product. Napoleon will not be responsible for: overfi
ring, downdrafts, spillage caused by environmental conditions such as rooftops, buildings, nearby trees, hills, mountains, inadequate vents or ventilation, excessive venting
confi gurations, insuffi cient makeup air, or negative air pressures which may or may not be caused by mechanical systems such as exhaust fans, furnaces, clothes dryers, etc. Any damages to the appliance, combustion chamber, heat exchanger, plated trim or other components due to water, weather damage, long periods of dampness, ondensation, damaging chemicals or cleaners will not be the responsibility of Napoleon.
During the fi rst 10 years Napoleon will replace or repair the defective parts covered by the lifetime warranty at our discretion free of charge. From 10 years to life, Napoleon will provide replacement parts at 50% of the current retail price.
The manufacturer may require that defective parts or products be returned or that digital pictures be provided to support the claim. Returned products are to be shipped prepaid to the manufacturer for investigation. If a product is found to be defective, the manufacturer will repair or replace such defect. Before shipping your appliance or defective components, your dealer must obtain an authorization number. Any merchandise shipped without authorization will be refused and returned to sender. Shipping costs are not covered under this warranty. Additional service fees may apply if you are seeking warranty service from a dealer. Warranty labour allowance is only for the replacement of the warranted part. Travel, diagnostic tests, shipping and other related charges are not covered by this warranty.
All specifi cations and designed are subject to change without prior notice due to on-going product improvements. Napoleon is a registered trademark of Wolf Steel Ltd.
service history
Appliance Service History
This appliance must be serviced annually depending on usage.
| Date | Dealer Name | Service T echnician Name | Service Performed | Special Concerns |
NAPOLEON CELEBRATING OVER 40 YEARS
OF HOME COMFORT PRODUCTS
7200, Route Transcanadienne, Montréal, Québec H4T 1A3
24 Napoleon Road, Barrie, Ontario, Canada L4M 0G8
214 Bayview Drive, Barrie, Ontario, Canada L4N 4Y8
103 Miller Drive, Crittenden, Kentucky, USA 41030
De Riemsdijk 22, 4004 LC Tiel, The Netherlands
Phone: 1-866-820-8686
napoleon.com
References
Napoleon® | Grills, Fireplaces, Heating & Cooling
Manufacturer & Distributor of Chimney & Venting | Bernard Dalsin Manufacturing
Home - DuraVent
Metal-Fab Residential Commercial Venting Products
Napoleon® | Grills, Fireplaces, Heating & Cooling
Pilot on Demand | Napoleon
National Fireplace Institute (NFI) – The national certification division of the Hearth, Patio & Barbecue Education Foundation (HPBEF)
Olympia Chimney – Distributed through Copperfield
P65Warnings.ca.gov
Selkirk















