RBV4236IH Majestic 42 Reveal Traditional B-Vent Open Hearth Gas Fireplace
Instruction Manual
Model(s):
RBV4236IH, RBV4236IT
RBV4842IH, RBV4842IT
![]()
RBV4236IH Majestic 42 Reveal Traditional B-Vent Open Hearth Gas Fireplace
NOTICE
DO NOT DISCARD THIS MANUAL
- Important operating and maintenance instructions included.
- Read, understand and follow these instructions for safe installation and operation.
- Leave this manual with party responsible for use and operation.
DO NOT DISCARD
WARNING: If the information in these instructions is not followed exactly, a fire or explosion may result causing property damage, personal injury, or death.
- DO NOT store or use gasoline or other flammable vapors and liquids in the vicinity of this or any other appliance.
- What to do if you smell gas
– DO NOT try to light any appliance.
– DO NOT touch any electrical switch. DO NOT use any phone in your building.
– Immediately call your gas supplier from a neighbor’s phone. Follow the gas supplier’s instructions.
– If you cannot reach your gas supplier, call the fire department. - Installation and service must be performed by a qualified installer, service agency, or the gas supplier.
Installation and service of this appliance should be performed by qualified personnel. Hearth & Home Technologies recommends HHT Factory Trained or NFI certified professionals.

WARNING
HOT SURFACES!

Glass and other surfaces are hot during operation AND cool down.
Hot glass will cause burns.
- DO NOT touch glass until it is cooled
- NEVER allow children to touch glass
- Keep children away
- CAREFULLY SUPERVISE children in same room as fireplace.
- Alert children and adults to hazards of high temperatures.
High temperatures may ignite clothing or other flammable materials. - Keep clothing, furniture, draperies and other flammable materials away.
In the Commonwealth of Massachusetts installation must be performed by a licensed plumber or gas fitter.
A CO detector shall be installed in the room where the appliance in installed.
Read this manual before installing or operating this appliance.
Please retain this owner’s manual for future reference.
Congratulations
Congratulations on selecting a Hearth & Home Technologies gas fireplace, an elegant and clean alternative to wood burning fireplaces. The Hearth & Home Technologies gas fireplace you have selected is designed to provide the utmost in safety, reliability, and efficiency.
As the owner of a new fireplace, you’ll want to read and carefully follow all of the instructions contained in this owner’s manual. Pay special attention to all cautions and warnings.
This owner’s manual should be retained for future reference. We suggest that you keep it with your other important documents and product manuals.
The information contained in this owner’s manual, unless noted otherwise, applies to all models and gas control systems.
Your new Hearth & Home Technologies gas fireplace will give you years of durable use and trouble-free enjoyment. Welcome to the Hearth & Home Technologies family of fireplace products!
Homeowner Reference Information
We recommend that you record the following pertinent information about your fireplace.
Model Name: _________________________
Date purchased/installed: ________________
Serial Number: ________________________
Location on fireplace: ___________________
Dealership purchased from: _______________
Dealer Phone: __________________________
Notes: _________________________________
Listing Label Information/Location
The model information regarding your specific fireplace can be found on the rating plate usually located in the control area of the fireplace.

Safety Alert Key:
- DANGER! Indicates a hazardous situation which, if not avoided will result in death or serious injury.
- WARNING! Indicates a hazardous situation which, if not avoided could result in death or serious injury.
- CAUTION! Indicates a hazardous situation which, if not avoided, could result in minor or moderate injury.
- NOTICE: Used to address practices not related to personal injury.
Warranty
Hearth & Home Technologies LLC
LIMITED LIFETIME WARRANTY
Hearth & Home Technologies LLC (“HHT”) extends the following warranty for HHT gas, wood, pellet and electric hearth appliances (each a “Product” and collectively, the “Product(s)”) and certain component parts set forth in the table below (“Component Part(s)”) that are purchased from a HHT authorized dealer or distributor.
WARRANTY COVERAGE:
HHT warrants that the Products and their Component Parts will be free from defects in materials and workmanship for the applicable period of Warranty coverage set forth in the table below (“Warranty Period”). If a Product or Component Parts are found to be defective in materials or workmanship during the applicable Warranty Period, HHT will, at its option, repair the applicable Component Part(s), replace the applicable Component Part(s), or refund the purchase price of the applicable Product(s). The maximum amount recoverable under this Warranty is limited to the purchase price of the Product. This Warranty is transferable from the original purchaser to subsequent owners, but the Warranty Period will not be extended in duration or expanded in coverage for any such transfer. This Warranty is subject to conditions, exclusions, and limitations as described below.
WARRANTY PERIOD:
Warranty coverage begins at the date of installation. In the case of new home constructions, Warranty coverage begins on the date of first occupancy of the dwelling or six months after the sale of the Product(s) by an independent, authorized HHT dealer or distributor, whichever occurs earlier. However, the Warranty coverage shall commence no later than 24 months following the date of Product shipment from HHT, regardless of the installation or occupancy date.
The term “Lifetime” in the table below is defined as: 20 years from the beginning date of warranty coverage for gas appliances, 10 years from the beginning date of warranty coverage for wood and pellet appliances, and 5 years from the beginning of warranty coverage for standalone gas log sets. These time periods reflect the minimum expected useful lives of the designated Component Parts under normal operating conditions.
| Warranty Period | HHT Manufactured Appliances and Venting | ||||||
| Component Parts | Labor | Gas | Pellet | Wood | Electric | Venting | Component Parts Covered by this Warranty |
| 1 Year | X | X | X | X | All parts including handles, external enameled components and other material except as covered by Warranty Conditions, Warranty Exclusions, and Warranty Limitations listed | ||
| 2 Years | X | All parts except as covered by Warranty Conditions, Warranty Exclusions, and Warranty Limitations listed | |||||
| 2 years | X | X | Igniters, Auger Motors, Electronic Components, and Glass | ||||
| X | Electrical components limited to modules, remotes/wall switches, valves, pilots, blowers, junction boxes, wire harnesses, transformers and lights (excluding light bulbs) | ||||||
| X | X | Molded Refractory Panels, Glass Liners | |||||
| 3 years | X | Firepots, burn pots, mechanical feeders/auger assemblies | |||||
| 5 years | X | Burners and logs for standalone gas log sets (Vented and Vent Free gas log sets not sold as components of the fireplace or stove) | |||||
| 5 years | 1 year | X | Vent Free Burners and Vent Free Log components of HHT manufactured fireplaces or stoves | ||||
| X | X | Castings, Medallions and Baffles | |||||
| 6 years | 3 years | X | Catalysts | ||||
| 7 years | 3 years | X | X | Manifold tubes, HHT Chimney and Terminations | |||
| 10 years | 1 year | X | Burners, logs and refractory components of HHT manufactured fireplaces or stoves | ||||
| Limited Lifetime | 3 years | X | X | X | Firebox and heat exchanger, FlexBurn® System (engine, inner cover, access cover and fireback) | ||
| 1 Year | None | X | X | X | X | X | All purchased replacement parts |
WARRANTY CONDITIONS:
- Because HHT cannot control the quality of any Products sold by unauthorized sellers, this Warranty only covers Products that are purchased through an HHT authorized dealer or distributor unless otherwise prohibited by law; a list of HHT authorized dealers is available on the HHT branded websites.
- This Warranty is only valid while the applicable Product remains at the site of original installation.
- This Warranty is only valid in the country in which the HHT authorized dealer or distributor that sold the applicable Product is authorized to sell applicable Product.
- Contact your installing distributor or dealer for Warranty service. If the installing dealer or distributor is unable to provide necessary parts, contact the nearest HHT authorized dealer or supplier. Additional service fees may apply if you are seeking Warranty service from a dealer other than the dealer from whom you originally purchased the applicable Product.
- No HHT consumer should bear cost of warranty service or costs incurred while servicing warranty claims (i.e., travel, gas, or mileage) when the service is performed within the terms of this Warranty. Check with your dealer or distributor in advance for any costs to you when arranging a warranty call. Travel and shipping charges for parts are not covered by this Warranty.
WARRANTY EXCLUSIONS:
This Warranty does not cover the following:
- Changes in surface finishes as a result of normal use. As a heating appliance, some changes in color of interior and exterior surface finishes may occur. This is not a flaw and is not covered under the Warranty.
- Damage to printed, plated, or enameled surfaces caused by fingerprints, accidents, misuse, scratches, melted items or other external sources and residues left on the plated surfaces from the use of abrasive cleaners or polishes.
- Repair or replacement of parts that are subject to normal wear and tear during the Warranty Period are not covered. These parts include: paint, wood and pellet gaskets, firebricks, grates, flame guides, batteries and the discoloration of glass.
- Minor expansion, contraction, or movement of certain parts causing noise. These conditions are normal and complaints related to this noise are not covered by this Warranty.
- Damages resulting from: (1) failure to install, operate, or maintain the applicable Product in accordance with the installation instructions, operating instructions, and listing agent identification label furnished with the applicable Product; (2) failure to install the applicable Product in accordance with local building codes; (3) shipping or improper handling; (4) improper operation, abuse, misuse, continued operation with damaged, corroded or failed components, accident, or improperly/incorrectly performed repairs; (5) environmental conditions, inadequate ventilation, negative pressure, or drafting caused by tightly sealed constructions, insufficient make-up air supply, or handling devices such as exhaust fans or forced air furnaces or other such causes; (6) use of fuels other than those specified in the operation instructions; (7) installation or use of components not supplied with the applicable Product or any other components not expressly authorized and approved by HHT; (8) modification of the appliance not expressly authorized and approved by HHT in writing; and/or (9) interruptions or fluctuations of electrical power supply to the applicable Product.
- Non-HHT venting components, hearth connections or other accessories used in conjunction with the applicable Product.
- Any part of a pre-existing fireplace system in which an insert or a decorative gas applicable Product is installed.
- HHT’s obligation under this Warranty does not extend to the Product’s capability to heat the desired space. Information is provided to assist the consumer and the dealer in selecting the proper Product for the application. Consideration must be given to the Product location and configuration, environmental conditions, insulation and air tightness of the structure.
This warranty is void if:
- The applicable Product has been over-fired, operated in atmospheres contaminated by chlorine, fluorine, or other damaging chemicals. Over-firing can be identified by, but not limited to, warped plates or tubes, deformation/warping of interior cast iron structure or components, rust colored cast iron, bubbling, cracking and discoloration of steel or enamel finishes.
- The applicable Product is subjected to prolonged periods of dampness or condensation.
- There is any damage to the applicable Product due to water or weather damage which is the result of, but not limited to, improper chimney or venting installation.
LIMITATIONS OF REMEDIES AND LIABILITY:
- EXCEPT TO THE EXTENT PROVIDED BY LAW, HHT MAKES NO EXPRESS WARRANTIES OTHER THAN THE WARRANTY SPECIFIED HEREIN. The owner’s exclusive remedy and HHT’s sole obligation under this Warranty or in contract, tort or otherwise, shall be limited to replacement of the Component Part(s), repair of the Component Part(s), or refund of the original purchase price of the applicable Product(s), as specified above; provided, however, that (i) if HHT is unable to provide replacement of the Component Part(s) and repair of the Component Part(s) is not commercially practicable or cannot be timely made, or (ii) the customer is willing to accept a refund of the purchase price of the applicable Product(s), HHT may discharge all such obligations by refunding the purchase price of the applicable Product. In no event will HHT be liable for any incidental or consequential damages caused by defects in the applicable Product. Some States do not allow the exclusion or limitation of incidental or consequential damages, so the above limitation or exclusion may not apply to you. This Warranty gives you specific legal rights and you may also have other rights which vary from State to State. THE DURATION OF ANY IMPLIED WARRANTY IS LIMITED TO DURATION OF THE EXPRESSED WARRANTY SPECIFIED ABOVE FOR THE APPLICABLE PRODUCT. Some States do not allow limitations on how long an implied warranty lasts, so the above limitation may not apply to you.
Listing and Code Approvals
A. Appliance Certification
MODELS: RBV4236/RBV4842 Series
LABORATORY: Underwriters Laboratories, Inc. (UL)
TYPE: Vented Decorative Gas Appliances
STANDARD: ANSI Z21.50-2016/CSA 2.22-2016
NOTICE: This installation must conform with local codes or, in the absence of local codes, with the National Fuel Gas Code, ANSI Z223.1/NFPA 54, or the Natural Gas and Propane Installation Code, CSA B149.1.
VENTED DECORATIVE GAS APPLIANCE: NOT A SOURCE OF HEAT; NOT FOR USE WITH SOLID FUEL. This appliance is tested and approved as either supplemental room heat or as a decorative appliance. It should not be factored as primary heat in residential heating calculations.
B. Tempered Glass Specifications
Hearth & Home Technologies appliances manufactured with tempered glass may be installed in hazardous locations such as bathtub enclosures as defined by the Consumer Product Safety Commission (CPSC). The tempered glass has been tested and certified to the requirements of ANSI Z97.1 and CPSC 16 CFR 1202 (Safety Glazing Certification Council SGCC# 1595 and 1597. Architectural Testing, Inc. Reports 02-31919.01 and 02-31917.01).
This statement is in compliance with CPSC 16 CFR Section 1201.5 “Certification and labeling requirements” which refers to 15 U.S. Code (USC) 2063 stating “…Such certificate shall accompany the product or shall otherwise be furnished to any distributor or retailer to whom the product is delivered.”
Some local building codes require the use of tempered glass with permanent marking in such locations. Glass meeting this requirement is available from the factory. Please contact your dealer or distributor to order.
WARNING: This product and the fuels used to operate this product (liquid propane or natural gas), and the products of combustion of such fuels, can expose you to chemicals including benzene, which is known to the State of California to cause cancer and reproductive harm. For more information go to: www.P65Warnings.ca.gov.
C. BTU Specifications
| Reveal Series | RBV4236 | RBV4842 |
| IPI | ||
| Input Rate (NG) | 40,000 BTUH | 43,000 BTUH |
| Orifice Size (NG) | #31/3.05 mm | .125 in./3.18 mm |
| Input Rate (PROPANE | 38,000 BTUH | 41,000 BTUH |
| Orifice Size (PROPANE) | #49/1.85 mm | #48/1.93 mm |
D. High Altitude Installations
NOTICE: If the heating value of the gas has been reduced, these rules do not apply. Check with your local gas utility or authorities having jurisdiction.
When installing above 2000 feet elevation:
- In the USA: Reduce input rate 4% for each 1000 feet above 2000 feet.
- In CANADA: Reduce input rate 10% for elevations between 2000 feet and 4500 feet. Above 4500 feet, consult local gas utility.
Check with your local gas utility to determine proper orifice size.
E. Non-Combustible Materials Specification
Material which will not ignite and burn. Such materials are those consisting entirely of steel, iron, brick, tile, concrete, slate, glass or plasters, or any combination thereof.
Materials that are reported as passing ASTM E 136, Standard Test Method for Behavior of Materials in a Vertical Tube Furnace at 750 ºC and UL763 shall be considered non-combustible materials.
F. Combustible Materials Specification
Materials made of or surfaced with wood, compressed paper, plant fibers, plastics, or other material that can ignite and burn, whether flame proofed or not, or plastered or un-plastered shall be considered combustible materials.
G. Electrical Codes
NOTICE: This appliance must be electrically wired and grounded in accordance with local codes or, in the absence of local codes, with National Electric Code ANSI/NFPA 70-latest edition or the Canadian Electric Code CSA C22.1.
- A 110-120 VAC circuit for this product must be protected with ground-fault circuit-interrupter protection, in compliance with the applicable electrical codes, when it is installed in locations such as in bathrooms or near sinks.
Operating Instructions
A. Gas Fireplace Safety
WARNING
HOT SURFACES!

Glass and other surfaces are hot during operation AND cool down.
Hot glass will cause burns.
- DO NOT touch glass until it is cooled
- NEVER allow children to touch glass
- Keep children away
- CAREFULLY SUPERVISE children in same room as fireplace.
- Alert children and adults to hazards of high temperatures.
High temperatures may ignite clothing or other flammable materials. - Keep clothing, furniture, draperies and other flammable materials away.
If you expect that small children or vulnerable adults may come into contact with this fireplace, the following precautions are recommended:
- Install a physical barrier such as:
– A decorative fir screen.
– Adjustable safety gate. - Install a switch lock or a wall/remote control with child protection lockout feature.
- Keep remote controls out of reach of children.
- Never leave children alone near a hot fireplace, whether operating or cooling down.
- Teach children to NEVER touch the fireplace.
- Consider not using the fireplace when children will be present.
Contact your dealer for more information, or visit: www.hpba.org/staysafe.
To prevent unintended operation when not using your fireplace for an extended period of time (summer months, vacation, trips, etc):
- Remove batteries from remote controls.
- Turn off wall controls.
- Unplug 3 volt adapter plug and remove batteries on IPI models.
B. Your Fireplace
WARNING! DO NOT operate fireplace before reading and understanding operating instructions. Failure to operate fireplace according to operating instructions could cause fire or injury.

C. Clear Space
WARNING! DO NOT place combustible objects in front of the fireplace or block louvers. High temperatures may start a fire. See Figure 2.2.
Avoid placing candles and other heat-sensitive objects on mantel or hearth. Heat may damage these objects.

D. Decorative Doors and Fronts
WARNING! Risk of Fire! Install ONLY doors or fronts approved by Hearth & Home Technologies. Unapproved doors or fronts may cause fireplace to overheat.
For more information refer to the instructions supplied with your decorative door or front.
E. Remote Controls, Wall Controls and Wall Switches
Follow the instructions supplied with the control installed to operate your fireplace:
For safety:
- Install a switch lock or a wall/remote control with child protection lockout feature.
- Keep remote controls out of reach of children.
See your dealer if you have questions.
F. Outside Air (optional)
The outside air kit supplies some fresh combustion air for your fireplace. It may help reduce the effects of negative air pressure. (See Section 9.A.)
- Refer to Figure 2.1 for location of control.
- Close the inlet to prevent cold drafts when the fireplace is not being used.
CAUTION! Risk of Burns! The outside air control handle is HOT when fireplace is in operation. Adjust BEFORE lighting fire.
G. Before Lighting Fireplace
Before operating this fireplace for the first time, have a qualified service technician:
- Verify all shipping materials have been removed from inside and/or underneath the firebox.
- Review proper placement of logs, ember material and/or other decorative materials.
- Check the wiring.
- Check the air shutter adjustment.
- Ensure that there are no gas leaks.
WARNING! RISK OF Fire/Asphyxiation! DO NOT operate fireplace with firescreen assembly removed.
H. Lighting Instructions (IPI)
- For normal use, activate/deactivate your fireplace with the wall switch or remote control.
- The IPI system may be operated with two D-cell batteries. When using batteries, unplug the transformer. To prolong battery life, remove them when using the transformer.
- If your fireplace must be deactivated for serviced or an extended period of time, follow the instructions below.
FOR YOUR SAFETY READ BEFORE LIGHTING
WARNING: If you do not follow these instructions exactly, a fire or explosion may result causing property damage, personal injury or loss of life.
A. This appliance is equipped with an ignition device which automatically lights the pilot. Do not try to light the pilot by hand.
B. BEFORE LIGHTING smell all around the appliance area for gas. Be sure to smell next to the floor because some gas is heavier than air and will settle on the floor.
WHAT TO DO IF YOU SMELL GAS
- Do not try to light any appliance.
- Do not touch any electric switch; do not use any phone in your building.
- Immediately call your gas supplier from a neighbor’s phone. Follow the gas supplier’s instructions.
- If you cannot reach your gas supplier, call the fire department.
C. Use only your hand to push in and move the gas control valve or turn the gas control knob. Never use tools. If the lever or knob will not move by hand, don’t try to repair it, call a qualified service technician. Force or attempted repair may result in a fire or explosion.
D. Do not use this appliance if any part has been under water. Immediately call a qualified service technician to inspect the appliance and to replace any part of the control system and any gas control which has been under water.
LIGHTING INSTRUCTIONS
- STOP! Read the safety information above on this label.
- Turn wall switch to the “OFF” position to the lowest setting.
- Turn off all electric power to the appliance.
- This appliance is equipped with an ignition device which automatically lights the pilot. Do NOT try to light the pilot by hand.
- Wait five minutes to clear out any gas. If you then smell gas, STOP! Follow “B” in the safety information above on this label. If you don’t smell gas, go to the next step.
- To turn on the burner, turn on all electric power to this appliance and turn on the wall switch.
- If the appliance will not operate, follow the instructions “TO TURN OFF GAS TO APPLIANCE” and call your service technician or gas supplier.
TO TURN OFF GAS TO APPLIANCE
- Turn off wall switch.
- Turn off all electric power to the appliance if service is to be performed.
- Push the gas control lever in and move to the “OFF” position or push the gas control lever to the “OFF” position. Do not force.
- Replace the control access panel.
WARNING: This product and the fuels used to operate this product (liquid propane or natural gas), and the products of combustion of such fuels, can expose you to chemicals including benzene, which is known to the State of California to cause cancer and reproductive harm. For more information go to: www.P65Warnings.ca.gov
This appliance needs fresh air for safe operation and must be installed so there are provisions for adequate combustion and ventilation air.
This appliance must be installed in accordance with local codes, if any; if not, follow ANSI Z223.1 or, in Canada, current CAN/CGA-B149.
This appliance must be properly connected to a venting system in accordance with the manufacturer’s installation instructions.
WARNING: Improper installation, adjustment, alteration, service or maintenance can cause injury or property damage. Refer to the owner’s information manual provided with the appliance. For assistance or additional information consult a qualified installer, service agency or the gas supplier.
CAUTION: Hot while in operation. Do not touch. Keep children, clothing, furniture, gasoline and other liquids having flammable vapors away.
WARNING RISK OF FIRE
This appliance is intended to burn a specified gas fuel only. Do not attempt to use with solid wood fuel or another type of fuel. Do not attempt to modify or use any other type of gas burner system.
WARNING: Disconnect the electric power before servicing. If for any reason the original wire supplied with the appliance must be replaced, it must be replaced with 105° C or its equivalent.

I. After Fireplace is Lit
Initial Break-in Procedure
- The fireplace should be run three to four hours continuously on high.
- Turn the fireplace off and allow it to completely cool.
- Run continuously on high an additional 12 hours.
This cures the materials used to manufacture the fireplace.
NOTICE! Open windows for air circulation during fireplace break-in.
- Some people may be sensitive to smoke and odors.
- Smoke detectors may activate.
J. Frequently Asked Questions
| ISSUE | SOLUTIONS |
| Condensation on the glass | This is a result of gas combustion and temperature variations. As the appliance warms, this condensation will disappear. |
| Blue flames | This is a result of normal operation and the flames will begin to yellow as the appliance is allowed to burn for 20 to 40 minutes. |
| Odor from appliance | When first operated, this appliance may release an odor for the first several hours. This is caused by the curing of materials from manufacturing. Odor may also be released from finishing materials and adhesives used near the appliance. These circumstances may require additional curing related to the installation environment. |
| Film on the glass | This is a normal result of the curing process of the paint and logs. Glass should be cleaned within 3 to 4 hours of initial burning. A non-abrasive cleaner such as gas appliance glass cleaner may be necessary. See your dealer. |
| Metallic noise | Noise is caused by metal expanding and contracting as it heats up and cools down, similar to the sound produced by a furnace or heating duct. This noise does not affect the operation or longevity of the appliance. |
| Is it normal to see the pilot flame burn continually? | In an IntelliFire ignition system (IPI), the pilot flame should turn off when appliance is turned off. Some optional control systems available with IPI models may allow pilot flame to remain lit. In a standing pilot system the pilot will always stay on. |
Maintenance and Service
Any safety screen or guard removed for servicing must be replaced prior to operating the fireplace.
When properly maintained, your fireplace will give you many years of trouble-free service. We recommend annual service by a qualified service technician.
A. Maintenance Tasks-Homeowner
Installation and repair should be done by a qualified service technician only. The fireplace should be inspected before use and at least annually by a professional service person.
The following tasks may be performed annually by the homeowner. If you are uncomfortable performing any of the listed tasks, please call your dealer for a service appointment.
More frequent cleaning may be required due to lint from carpeting or other factors. Control compartment, burner and circulating air passageway of the fireplace must be kept clean.
CAUTION! Risk of Burns! The fireplace should be turned off and cooled before servicing.
Doors, Surrounds, Fronts
Frequency: Annually
By: Homeowner
Tools needed: Protective gloves, stable work surface
- Assess condition of glass and replace as necessary.
- Inspect for scratches, dents or other damage and repair as necessary.
- Vacuum and dust surfaces.
Remote Control
Frequency: Seasonally
By: Homeowner
Tools needed: Replacement batteries and remote control instructions.
- Locate remote control transmitter and receiver.
- Verify operation of remote. Refer to remote control operation instructions for proper calibration and setup procedure.
- Place batteries as needed in remote transmitters and battery-powered receivers.
- Place remote control out of reach of children.
If not using your fireplace for an extended period of time (summer months, vacations/trips, etc), to prevent unintended operation:
- Remove batteries from remote controls.
- Unplug 3 volt adapter plug on IPI models.
Venting
Frequency: Seasonally
By: Homeowner
Tools needed: Protective gloves and safety glasses.
- Inspect venting and termination cap for blockage or obstruction such plants, bird nests, leaves, snow, debris, etc.
- Verify termination cap clearance to subsequent construction (building additions, decks, fences, or sheds). See Section 6.
- Inspect for corrosion or separation.
- Verify weather stripping, sealing and flashing remains intact.
- Inspect draft shield to verify it is not damaged or missing.
B. Maintenance Tasks-Qualified Service Technician
The following tasks must be performed by a qualified service technician.
Logs
Frequency: Annually
By: Qualified Service Technician
Tools needed: Protective gloves.
- Inspect for damaged or missing logs. Replace as necessary. Refer to Section 14.D. for log placement instructions.
- Verify correct log placement and no flame impingement causing snooting. Correct as necessary.
Firebox
Frequency: Annually
By: Qualified Service Technician
Tools needed: Protective gloves, sandpaper, steel wool, cloths, mineral spirits, primer and touch-up paint.
- Inspect for paint condition, warped surfaces, corrosion or perforation. Sand and repaint as necessary.
- Replace fireplace if firebox has been perforated.
Control Compartment and Firebox Top
Frequency: Annually
By: Qualified Service Technician
Tools needed: Protective gloves, vacuum cleaner, dust cloths
- Vacuum and wipe out dust, cobwebs, debris or pet hair. Use caution when cleaning these areas. Screw tips that have penetrated the sheet metal are sharp and should be avoided.
- Remove all foreign objects.
- Verify unobstructed air circulation.
Burner Ignition and Operation
Frequency: Annually
By: Qualified Service Technician
Tools needed: Protective gloves, vacuum cleaner, whisk broom, flashlight, voltmeter, indexed drill bit set, and a manometer.
- Verify burner is properly secured and aligned with igniter.
- Clean off burner top, inspect for plugged ports, corrosion or deterioration. Replace burner if necessary.
- Replace ember materials with new dime-size pieces. DO NOT block ports or obstruct lighting paths. Refer to Section 14 for proper ember placement.
- Verify batteries have been removed from battery backup IPI systems to prevent premature battery failure or leaking.
- Check for smooth lighting and ignition carryover to all ports. Verify that there is no ignition delay.
- Inspect for lifting or other flame problems.
- Verify air shutter setting is correct. See Section 14.J. for required air shutter setting. Verify air shutter is clear of dust and debris.
- Inspect orifice for soot, dirt and corrosion. Verify orifice size is correct. See Service Parts List for proper orifice sizing.
- Verify manifold and inlet pressures. Adjust regulator as required.
- Inspect pilot flame pattern and strength. See Figure 3.1 for proper pilot flame pattern. Clean or replace orifice spud as necessary.
- Inspect IPI flame sensing rod for soot, corrosion and deterioration. Clean with emery cloth or replace as required.
- Verify that there is not a short in flame sensing circuit by checking continuity between pilot hood and flame sensing rod. Replace pilot as necessary.

Installer Guide
Getting Started
A. Typical Appliance System
NOTICE: Illustrations and photos reflect typical installations and are for design purposes only. Illustrations/diagrams are not drawn to scale. Actual product may vary from pictures in manual

B. Design and Installation Considerations
Hearth & Home Technologies B-type vent gas appliances are designed to operate with all exhaust gases expelled to the outside of the building, and combustion air pulled from the room.
Installation MUST comply with local, regional, state and national codes and regulations. Consult insurance carrier, local building inspector, fire officials or authorities having jurisdiction over restrictions, installation inspection and permits.
Before installing, determine the following:
- Where the appliance is to be installed.
- The vent system configuration to be used.
- Gas supply piping.
- Electrical wiring requirements.
- Framing and finishing details.
- Whether optional accessories—devices such as a fan, wall switch, or remote control—are desired.
Improper installation, adjustment, alteration, service or maintenance can cause injury or property damage. For assistance or additional information, consult a qualified service technician, service agency or your dealer.
C. Tools and Supplies Needed
Before beginning the installation be sure that the following tools and building supplies are available.
| Tape measure | Framing material |
| Pliers material | High temperature caulking |
| Hammer | Phillips screwdriver |
| Gloves | Framing square |
| Voltmeter | Electric drill and bits (1/4 in.) |
| Plumb line | Safety glasses |
| Level | Reciprocating saw |
| Manometer | Flat blade screwdriver |
| Noncorrosive leak check solution | 1/2 – 3/4 in. length, #6 or #8 Self-drilling screws |
D. Inspect Appliance and Components
The following B-vent components are needed for installation.
- Fireplace Box
- Pipe Components
- Firestops
- Attic Insulation Shield
- Elbows
- Strapping
- Roof Flashing or Chase Top
- Termination Cap
- Storm Collar
- Carefully remove the appliance and components from the packaging.
- The vent system components and decorative doors and fronts may be shipped in separate packages.
- If packaged separately, the log set and appliance grate must be installed.
- Report to your dealer any parts damaged in shipment, particularly the condition of the glass.
- Read all of the instructions before starting the installation. Follow these instructions carefully during the installation to ensure maximum safety and benefit.
WARNING! Risk of Fire or Explosion! Damaged parts could impair safe operation. DO NOT install damaged, incomplete or substitute components. Keep appliance dry.
Hearth & Home Technologies disclaims any responsibility for, and the warranty will be voided by, the following actions:
- Installation and use of any damaged appliance or vent system component.
- Modification of the appliance or vent system.
- Installation other than as instructed by Hearth & Home Technologies.
- Improper positioning of the gas logs or the glass door.
- Installation and/or use of any component part not approved by Hearth & Home Technologies.
Any such action may cause a fire hazard.
WARNING! Risk of Fire, Explosion or Electric Shock!
DO NOT use this appliance if any part has been under water. Call a qualified service technician to inspect the appliance and to replace any part of the control system and/or gas control which has been under water.
E. Negative Pressure
WARNING! Asphyxiation Risk! Negative pressure can cause spillage of combustion fumes and soot. Fireplace needs to draft properly for safety.
Draft is the pressure difference needed to vent fireplaces successfully. Considerations for successful draft include:
- Preventing negative pressure
- Location of fireplace and chimney
Negative pressure results from the imbalance of air available for the fireplace to operate properly. Causes for this imbalance include:
- Exhaust fans (kitchen, bath, etc.)
- Range hoods
- Combustion air requirements for furnaces, water heaters and other combustion appliances
- Clothes dryers
- Location of return-air to furnace or air conditioning
- Imbalances of the HVAC air handling system
- Upper level air leaks (recessed lighting, attic hatch opening, duct leaks)
To minimize the effects of negative air pressure, the following must be considered:
- Install the fresh air kit. Install the intake on the side of the house towards prevailing winds during the heating season.
- Ensure adequate outdoor air is supplied for combustion appliances and exhaust equipment.
- Ensure furnace and air conditioning return vents are not located in the immediate vicinity of the fireplace.
- Avoid installing the fireplace near doors, walkways or small isolated spaces.
- Recessed lighting should be of “sealed can” design; attic hatches weather stripped or sealed; and attic mounted ductwork and air handler joints and seams taped or sealed.
- Basement installations should be avoided due to stack effect. Stack effect creates negative pressure in lower levels. Hearth & Home Technologies recommends the use of direct vent fireplaces in basements.
Location of the fireplace and chimney will affect performance. As shown in Figure 4.2, the chimney should:
- Be installed through the warm space enclosed by the building envelope. This helps to produce more draft, especially during lighting and die-down of the fire.
- Penetrate the highest part of the roof. This minimizes the effects of wind turbulence.
- Be located away from trees, adjacent structures, uneven roof lines and other obstructions.
Offsets can restrict draft so their use should be minimized. Consider the fireplace location relative to floor and ceiling and attic joists.

Framing and Clearances
A. Selecting Appliance Location
When selecting a location for the appliance it is important to consider the required clearances to walls (see Figure 5.1).
WARNING! Risk of Fire or Burns! Provide adequate clearance around air openings and for service access. Due to high temperatures, the appliance should be located out of traffic and away from furniture and draperies.
NOTICE: Illustrations reflect typical installations and are FOR DESIGN PURPOSES ONLY. Illustrations/diagrams are not drawn to scale. Actual installation may vary due to individual design preference.

B. Constructing the Appliance Chase
A chase is a vertical box-like structure built to enclose the gas appliance and/or its vent system. In cooler climates the vent should enclosed inside the chase.
NOTICE: Treatment of ceiling firestops and wall shield firestops and construction of the chase may vary with the type of building. These instructions are not substitutes for the requirements of local building codes. Therefore, you MUST check local building codes to determine the requirements to these steps.
Chases should be constructed in the manner of all outside walls of the home to prevent cold air drafting problems. The chase should not break the outside building envelope in any manner.
Walls, ceiling, base plate and cantilever floor of the chase should be insulated. Vapor and air infiltration barriers should be installed in the chase as per regional codes for the rest of the home. Additionally, in regions where cold air infiltration may be an issue, the inside surfaces may be sheet rocked and taped for maximum air tightness. To further prevent drafts, the wall shield and ceiling firestops should be caulked with high temperature caulk to seal gaps. Gas line holes and other openings should be caulked with high temp caulk or stuffed with unfaced insulation. If the appliance is being installed on a cement slab, a layer of plywood may be placed underneath to prevent conducting cold up into the room.
C. Clearances
NOTICE: Install appliance on hard metal or wood surfaces extending full width and depth. DO NOT install directly on carpeting, vinyl, tile or any combustible material other than wood.
WARNING! Risk of Fire! Maintain specified air space clearances to appliance and vent pipe:
- Insulation and other materials must be secured to prevent accidental contact.
- The chase must be properly blocked to prevent blown insulation or other combustibles from entering and making contact with fireplace or chimney.
- Failure to maintain airspace may cause overheating and a fire.
D. Vinyl Flooring
Vinyl Flooring is sensitive to heat. A 14 inch minimum depth hearth extension is recommended when using vinyl flooring up to the wall. See Figure 5.2.
NOTICE: Clearances that do not meet the minimum guidelines could result in damage or buckling to the vinyl flooring and is done at the installer’s risk.
Hearth and Home Technologies does not recommend adhesive based vinyl flooring due to thermal expansion. Floating-style flooring can be used, but will reach temperatures up to 110°F in a room with ambient temperature of 70°F. Consult flooring specifications to ensure compatibility.


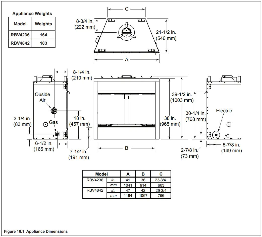
| Model # | A Rough Opening (Width) | B Rough Opening (Height) | C Rough Opening (Depth) | |
| RBV4236 | in. | 42 | 39-3/4 | 22 |
| mm | 1067 | 1010 | 559 | |
| RBV4842 | in. | 48 | 39-3/4 | 22 |
| mm | 1219 | 1010 | 559 | |
Note: If the inside of the framed cavity is to be finished, the framing dimensions must include the finished surface.
Example: If drywall is to be attached to the rear wall, the depth must be measured from the drywall surface.
E. Mantel and Wall Projections
WARNING! Risk of Fire! Comply with all minimum clearances as specified. Framing or finishing material closer than the minimums listed must be constructed entirely of noncombustible materials (i.e., steel studs, concrete board, etc).
Mantels

Termination Locations
A. Vent Termination Minimum Clearances
WARNING
Fire Risk.
Maintain vent clearance to combustibles as specified.
- DO NOT pack air space with insulation or other materials.
Failure to keep insulation or other materials away from vent pipe may cause overheating and fire.
![]() | ![]() |
Vent Information and Diagrams
A. Vent Guidelines
WARNING! Fire Risk/Asphyxiation! This appliance requires the specified pipe for operation. Incorrect pipe may cause spillage, condensation and overheating.
These models require 6 in. (152 mm) double wall, B-vent pipe.
- Follow pipe manufacturer’s installation guidelines when installing the appliance.
WARNING! Fire Risk/Explosion/Asphyxiation! DO NOT connect this gas appliance to a chimney flue serving a separate solid-fuel or gas burning appliance.
- Vent this appliance directly outside.
- Use separate vent system for this appliance.
May impair safe operation of this appliance or other appliances connected to the flue.

B. Vent System Configuration
CAUTION! Risk of Fire! ALL vent configuration specifications MUST be followed. This product is tested and listed to these specifications. Appliance performance will suffer if specifications are not followed.
Rise to Run Ratio = 2:1
Maximum Total Horizontal Run = 30 Feet
Minimum Total Vertical Rise = 12 Feet
Maximum Total Vertical Rise = 60 Feet
Maximum Number of Elbows: Four (45º)
WARNING! Risk of Fire or Explosion! Insulation and other combustibles must not infringe on clearances.
- ALWAYS maintain specified clearances around venting and firestop systems.
- Install firestops as specified.
Failure to keep insulation or other material away from vent pipe may cause fire.

Vent Clearances and Framing
A. Pipe Clearances to Combustibles
Vent clearances are per vent manufacturer’s specifications. The vent MUST be Listed B-Vent pipe.
WARNING! Risk of Fire! MAINTAIN AIR space clearance to vent. DO NOT pack insulation or other combustibles:
- Between ceiling firestops
- Between wall shield firestops
- Around vent system
Failure to keep insulation or other material away from vent pipe may cause over heating and fire.
B. Wall and Ceiling Penetration Framing
For a wall or ceiling penetration consult B-vent pipe manufacturer’s instructions to provide adequate clearances. Use same size framing materials as those used in the wall or ceiling construction. Firestop spacers must be used in wall and ceiling penetrations per the B-Vent pipe manufacturer’s specifications and national, regional and local codes.
Note: MUST terminate vertically.
C. Vertical Penetration Framing
WARNING! Fire Risk. DO NOT allow loose materials or insulation to touch vent. Hearth & Home Technologies Inc. requires the use of an attic shield.
The National Fuel Gas Code ANSI Z223.1 and NFPA 54 requires an attic shield constructed of 26 gauge minimum metal that extends at least 2 in. (51 mm) above insulation.
Attic shields must meet specified clearance and be secured in place.
Use B-vent manufacturer’s firestops to provide adequate clearances.
Appliance Preparation
A. Installing Outside Air Kit Damper Assembly
CAUTION! Risk of Cuts/Abrasions/Flying Debris.
Wear protective gloves and safety glasses during installation. Sheet metal edges are sharp.
WARNING! Risk of Fire/Asphyxiation. DO NOT draw outside combustion air from:
- Wall, floor or ceiling cavity.
- Enclosed space such as an attic or garage.
- Close proximity to exhaust vents or chimneys.
Fumes or odor may result.
- The outside air kit can only be installed on the left side of the appliance.
- Refer to the installation instructions provided with the kit.

B. Gas and Electrical Connections
If applicable, ensure that gas and electrical connections are installed at this time. Refer to Sections 11 (Gas Information) and 12 (Electrical Information).
C. Securing and Leveling the Appliance
WARNING! Risk of Fire! Prevent contact with:
- Sagging or loose insulation
- Insulation backing or plastic
- Framing and other combustible materials
Block openings into the chase to prevent entry of blown-in insulation. Make sure insulation and other materials are secured.
DO NOT notch the framing around the appliance standoffs.
Failure to maintain air space clearance may cause overheating and fire.
The diagram shows how to properly position and secure the appliance (see Figure 9.2). Nailing tabs are provided to secure the appliance to the framing members.
- Bend out nailing tabs on each side.
- Place the appliance into position.
- Keep nailing tabs flush with the framing.
- Level the appliance from side to side and front to back.
- Shim the appliance as necessary. It is acceptable to use wood shims underneath the appliance.
- Secure the appliance to the framing by using nails or screws through the nailing tabs.
- Secure the appliance to the floor by inserting two screws through the bottom front of the appliance.

Installing Vent Pipe
A. Assembly of Vent Sections
This B-Vent appliance requires 6 in. B-vent double-wall pipe. Follow the pipe manufacturer’s installation guidelines when installing the unit. This will ensure proper operation and prevent safety hazards.
WARNING! Risk of Fire/Exhaust Fumes! Assemble pipe sections per B-vent manufacturer’s instructions. Use support tabs for screws. Pipe may separate if not properly joined.
B. Attaching Vent to Firebox
Three tabs extend from appliance collar shield. Attach tabs to first section of B-vent pipe using self-tapping 1/4 in. screws supplied with appliance. See Figure 10.1.

C. Securing Vent Sections
Secure vent sections with vent supports following B-vent manufacturer’s instructions.
WARNING! Risk of Fire or Explosion! Use vent run supports per vent manufacturer’s installation instructions.
- Connect vent sections per vent manufacturer’s installation instructions.
- Maintain all clearances to combustibles. Maintain specified slope (if required).
- Improper support may allow vent to sag or separate.
D. Install Attic Insulation Shield
WARNING! Fire Risk. DO NOT allow loose materials or insulation to touch vent. Hearth & Home Technologies Inc. requires the use of an attic shield.
The National Fuel Gas Code ANSI Z223.1 and NFPA 54 requires an attic shield constructed of 26 gauge minimum metal that extends at least 2 in. (51 mm) above insulation.
Attic shields must meet vent manufacturer’s specified clearance and be secured in place per vent manufacturer’s instructions.
Gas Information
A. Fuel Conversion
- Make sure the appliance is compatible with available gas types.
- Conversions must be made by a qualified service technician using Hearth & Home Technologies specified and approved parts.
B. Gas Pressure
- Optimum appliance performance requires proper input pressures.
- Gas line sizing requirements will be determined in ANSI Z221.3 National Fuel Gas Code in the USA and CAN/CGA B149 in Canada.
- Pressure requirements are:
Gas Pressure Natural Gas Propane Minimum inlet pressure 5.0 in. w.c. 11.0 in. w.c. Maximum inlet pressure 10.0 in. w.c. 13.0 in. w.c. Manifold pressure 3.5 in. w.c. 10.0 in. w.c. WARNING! Risk of Fire or Explosion! High pressure will damage valve. Low pressure may cause explosion.
- Verify inlet pressures. Verify minimum pressures when other household gas appliances are operating.
- Install regulator upstream of valve if line pressure is greater than 1/2 psig.
WARNING
Fire Risk.
Explosion Hazard.
High pressure will damage valve.
Disconnect gas supply piping BEFORE pressure testing gas line at test pressures above 1/2 psig.
Close the manual shutoff valve BEFORE pressure testing gas line at test pressures equal to or less than 1/2 psig.
Note: Have the gas supply line installed in accordance with local codes, if any. If not, follow ANSI 223.1. Installation should be done by a qualified installer approved and/or licensed as required by the locality. (In the Commonwealth of Massachusetts installation must be performed by a licensed plumber or gas fitter).
Note: A listed (and Commonwealth of Massachusetts approved) 1/2 in. (13 mm) T-handle manual shut-off valve and flexible gas connector are connected to the 1/2 in. (13 mm) control valve inlet.
- If substituting for these components, please consult local codes for compliance.
C. Gas Connection
- Refer to Reference Section 16.A. for location of gas line access in appliance.
- The two shipping supports in the front of the fireplace (refer to Section 14) should be removed to allow easier access for connecting the gas line. Discard the supports. • Gas line may be run through knockout(s) provided.
- The gap between supply piping and gas access hole may be caulked with high temperature caulk or stuffed with non-combustible, unfaced insulation to prevent cold air infiltration.
- Ensure that gas line does not come in contact with outer wrap of the appliance. Follow local codes.
- Pipe incoming gas line into valve compartment.
- Connect incoming gas line to the 1/2 in. (13 mm) connection on manual shutoff valve.
WARNING! Risk of Fire or Explosion! Support control when attaching pipe to prevent bending gas line.
- A small amount of air will be in the gas supply lines.
WARNING! Risk of Fire or Explosion! Gas build-up during line purge could ignite.
- Purge should be performed by qualified service technician.
- Ensure adequate ventilation.
- Ensure there are no ignition sources such as sparks or open flames.
Light the appliance. It will take a short time for air to purge from lines. When purging is complete the appliance will light and operate normally.
WARNING! Risk of Fire, Explosion or Asphyxiation!
Check all fittings and connections with a non-corrosive commercially available leak-check solution. DO NOT use open flame. Fittings and connections could have loosened during shipping and handling.
WARNING! Risk of Fire! DO NOT change valve settings. This valve has been preset at the factory.
D. High Altitude Installations
NOTICE: If the heating value of the gas has been reduced, these rules do not apply. Check with your local gas utility or authorities having jurisdiction.
When installing above 2000 feet elevation:
- In the USA: Reduce burner orifice 4% for each 1000 feet above 2000 feet.
- In CANADA: Reduce burner orifice 10% for elevations between 2000 feet and 4500 feet. Above 4500 feet, consult local gas utility.
Electrical Information
A. Wiring Requirements
NOTICE: This appliance must be electrically wired and grounded in accordance with local codes or, in the absence of local codes, with National Electric Code ANSI/NFPA 70-latest edition or the Canadian Electric Code CSA C22.1.
- The two shipping supports in the front of the fireplace (refer to Section 14) should be removed to allow easier access when wiring the appliance. Discard the supports.
- Wire the appliance junction box to 110-120 VAC. This is required for use of optional accessories (standing pilot ignition) or proper operation of the appliance (Intellifire ignition).
- A 110-120 VAC circuit for this product must be protected with ground-fault circuit-interrupter protection, in compliance with the applicable electrical codes, when it is installed in locations such as in bathrooms or near sinks.
- Low voltage and 110 VAC voltage cannot be shared within the same wall box.
WARNING! Risk of Shock or Explosion! DO NOT wire 110V to the valve or to the appliance wall switch. Incorrect wiring will damage controls.
B. Intellifire Ignition System Wiring
- Wire the appliance junction box to 110 VAC for proper operation of the appliance.
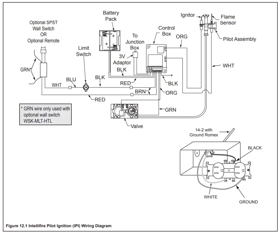
WARNING! Risk of Shock or Explosion! DO NOT wire IPI controlled appliance junction box to a switched circuit. Incorrect wiring will override IPI safety lockout. - Refer to Figure 12.1. Intellifire Pilot Ignition (IPI) Wiring Diagram.
- This appliance is equipped with an Intellifire control valve which operates on a 3 volt system.
- Plug the 3-volt AC transformer into the appliance junction box to supply power to the unit OR install two D cell batteries (not included) into the battery pack before use.
NOTICE: Batteries should not be placed in the battery pack while using the transformer. Remove batteries before using the transformer, and unplug the transformer before installing the batteries. Battery polarity must be correct or module damage will occur.
C. Optional Accessories Requirements
- This appliance may be used with a wall switch or a remote control.
- Wiring for optional Hearth & Home Technologies approved accessories should be done now to avoid reconstruction. Follow instructions that come with those accessories.
D. Electrical Service and Repair
WARNING! Risk of Shock! Label all wires prior to disconnection when servicing controls. Wiring errors can cause improper and dangerous operation. Verify proper operation after servicing.
WARNING! Risk of Shock! Replace damaged wire with type 105° C rated wire. Wire must have high temperature insulation.

E. Junction Box Installation
If the box is being wired from the OUTSIDE of the appliance:
- Remove the cover plate located on the outer shell – right side.
- Loosen two screws on the Romex connector, feed the necessary length of wire through the connector and tighten the screws.)
- Make all necessary wire connections and reattach the cover plate to the outer shell.
If the box is being wired from the INSIDE of the appliance:
- Remove the screw attaching the junction box/receptacle to the outer shell, rotate the junction box inward to disengage it from the outer shell (see Figure 12.4).
- Loosen the two screws on the Romex connector, feed the necessary length of wire through the connector and tighten the screws.
- Make all necessary wire connections to the receptacle and assemble the receptacle and cover to the junction box.
- Feed the necessary length of wire through the connector.
- Make all necessary wire connections to the junction box/ receptacle and reassemble the junction box/receptacle to the outer shell.
If the box is not to be wired at the time of appliance installation:
- Assemble receptor
Finishing
A. Mantel and Wall Projections
WARNING! Risk of Fire! Comply with all minimum clearances as specified. Framing closer than the minimums listed must be constructed entirely of noncombustible materials (i.e., steel studs, concrete board, etc.) Failure to comply could cause fire.
Mantels

B. Facing Material
- Metal front faces may be covered with non-combustible materials only.
- Facing and/or finishing materials must not interfere with air flow through louvers, operation of louvers or doors, or access for service.
- Facing and/or finishing materials must never overhang into the glass opening.
- Observe all clearances when applying combustible materials.
- Seal joints between the finished wall and appliance top and sides using a 300 °F minimum sealant. Refer to Figure 13.3.
WARNING! Risk of Fire! DO NOT apply combustible materials beyond the minimum clearances. Comply with all minimum clearances to combustibles as specified in this manual. Overlapping materials could ignite and will interfere with proper operation of doors and louvers.

Appliance Setup
A. Remove the Shipping Materials
Remove shipping materials and log box from inside or underneath the firebox.
B. Remove Shipping Supports
- Remove the screw holding the firebox to the shipping support. See Figure 14.1.
- Squeeze the support to disengage from the lances in the bottom pan. See Figure 14.2.
- Rotate the support (Figure 14.3), remove and discard.
- Repeat for the other support.

C. Clean the Appliance
Clean/vacuum any sawdust that may have accumulated inside the firebox or underneath in the control cavity.
D. Accessories
Install approved accessories per instructions included with accessories. Contact your dealer for a list of approved accessories.
WARNING! Risk of Fire and Electric Shock! Use ONLY Hearth & Home Technologies-approved optional accessories with this appliance. Using non-listed accessories could result in a safety hazard and will void the warranty.
E. Install the Log Assembly
- Carefully remove the fiber logs from the supplied log box, take care not to damage the logs.
- Locate Left Rear Log and Right Rear Log by using the slot in the bottom of the log to properly position the logs on the grate/burner placement tabs. See Fig. 14.4-14.8.


- Locate Right Front Log and Left Front Log by using the slot in the bottom of the log to properly position the logs on the grate/burner placement tabs. See Fig 14.4-14.13.


F. Place the Lava Rock & Vermiculite
- Place lava rock on top of the lava rock tray in front of and under the burner. See Figure 14.7.
- Sprinkle vermiculite evenly over area covered by lava rock. See Figure 14.8.
- It is not necessary to use entire bag of lava rock or vermiculite.

G. Place the Rockwool
WARNING! Risk of Explosion! Follow rockwool placement instructions. DO NOT place rockwool directly over burner ports. Replace rockwool material annually. Improperly placed rockwool interferes with proper burner operation.
- Place 1/2 in. pieces of rockwool on the burner pan so that rockwool touches but does not cover the holes in the burner pan. See Figure 14.23.
- Place rockwool under the front logs as shown in Figure 14.24.
- It is not necessary to use all the rockwool.

H. Glass Door Assembly
WARNING! Risk of Asphyxiation! Handle glass doors with care. Inspect the gasket to ensure it is undamaged and inspect the glass for cracks, chips or scratches.
- DO NOT strike, slam or scratch glass.
- DO NOT operate fireplace with glass removed, cracked, broken or scratched.
- Replace as a complete assembly.
WARNING! Risk of Fire or Asphyxiation! Appliances equipped with optional glass doors must be operated with doors fully open or fully closed.
- Use glass doors certified for use with this appliance.
Note: Glass doors are not optional in the Commonwealth of Massachusetts. They are required.
- DM1036 or DM1042 door installation on the RBV4236 or RBV4842 requires longer pins. The longer pins and screws to attach them are located on the valve bracket of the appliance. See Figure 14.25.

- Remove the shorter door pins using a Phillips screwdriver and replace them with the longer pins. See Figure 14.26.

I. Install Hood
The hood is shipped on top of the outer shell of the appliance. Remove the hood from its shipping location. Locate the four hood retaining clips and slide the hood into them. The hood must be attached or a fire hazard may result. See Figure 14.27.

- The logs and burner must be removed to access the air shutter. Refer to Section 14.H.
- Remove the two screws attaching the front burner support to the firebox bottom. See Figure 14.28.

- Remove the two screws attaching the back burner support to the burner pan. See Figure 14.29.

- Slide the burner assembly to the left and remove from the appliance. See Figure 14.30.

- The shutter can be adjusted as shown in Figure 14.31
- Closed position – natural gas
- Open position – propane

Troubleshooting
With proper installation, operation, and maintenance your gas appliance will provide years of trouble-free service. If you do experience a problem, this troubleshooting guide will assist a qualified service technician in the diagnosis of a problem and the corrective action to be taken. This troubleshooting guide can only be used by a qualified service technician. Contact your dealer to arrange a service call by a qualified service technician.
A. Intellifire Ignition System
| Symptom | Possible Cause | Corrective Action |
| 1. Pilot won’t light. The ignitor/ module makes noise, but no spark. | A. Incorrect wiring. | Verify “S” wire (white) for sensor and “I” wire (orange) for ignitor are connected to correct terminals on module and pilot assembly. |
| B. Loose connections or electrical shorts in the wiring. | Verify no loose connections or electrical shorts in wiring from module to pilot assembly. Verify connections underneath pilot assembly are tight; also verify connections are not grounding out to metal chassis, pilot burner, pilot enclosure, mesh screen if present, or any other metal object. | |
| C. Ignitor gap is too large. | Verify gap of igniter to right side of pilot hood. The gap should be approximately .17 inch or 1/8 in. (3 mm). | |
| D. Module. | Turn ON/OFF rocker switch or wall switch to OFF position. Remove ignitor wire “I” from module. Place a grounded wire about 3/16 in. (5 mm) away from “I” terminal on module. Place ON/OFF rocker switch or wall switch in ON position. If there is no spark at “I” terminal module must be replaced. If there is a spark at “I” terminal, module is fine. Inspect pilot assembly for shorted sparker wire or cracked insulator around electrode. Replace pilot if necessary. | |
| 2. Pilot won’t light, there is no noise or spark. | A. No power or transformer installed incorrectly. | Verify that transformer is installed and plugged into module. Check voltage of transformer under load at spade connection on module with ON/OFF switch in ON position. Acceptable readings of a good transformer are between 3.2 and 2.8 volts AC. |
| B. A shorted or loose connection in wiring configuration or wiring harness. | Remove and reinstall the wiring harness that plugs into module. Verify there is a tight fit. Verify pilot assembly wiring to module. Remove and verify continuity of each wire in wiring harness. Replace any damaged components. | |
| C. Improper wall switch wiring. | Verify that 110/VAC power is “ON” to junction box. | |
| D. Module not grounded. | Verify black ground wire from module wire harness is grounded to metal chassis of appliance. | |
| E. Module. | Turn ON/OFF rocker switch or wall switch to OFF position. Remove ignitor wire “I” from module. Place ON/OFF rocker switch or wall switch in ON position. If there is no spark at “I” terminal module must be replaced. If there is a spark at “I” terminal, module is fine. Inspect pilot assembly for shorted sparker wire or cracked insulator around electrode. | |
| 3. Pilot sparks, but pilot will not light. | A. Gas supply. | Verify that incoming gas line ball valve is “open”. Verify that inlet pressure reading is within acceptable limits. |
| B. Ignitor gap is incorrect. | Verify that spark gap from ignitor to pilot hood is .17 in. or 1/8 in (3 mm). | |
| C. Module is not grounded. | Verify module is securely grounded to metal chassis of appliance. | |
| D. Module voltage output / Valve/ Pilot solenoid ohms readings. | Verify battery voltage is at least 2.7 volts. Replace batteries if voltage is below 2.7. |
| 4. Pilot lights but continues to spark, and main burner will not ignite. (If the pilot continues to spark after the pilot flame has been lit, flame rectification has not occurred.) | A. A shorted or loose connection in flame sensing rod. | Verify all connections to wiring diagram in manual. Verify connections underneath pilot assembly are tight. Verify connections are not grounding out to metal chassis, pilot burner, pilot enclosure or screen if present, or any other metal object. |
| B. Poor flame rectification or contaminated flame sensing rod. | Verify that flame is engulfing flame sensing rod on left side of pilot hood. Flame sensing rod should glow shortly after ignition. Verify correct pilot orifice is installed and gas inlet is set to pressure specifications. Clean flame sensing rod with emery cloth to remove any contaminants that may have accumulated on flame sensing rod. | |
| C. Module is not grounded. | Verify module is securely grounded to metal chassis of appliance. Verify that wire harness is firmly connected to the module. | |
| D. Damaged pilot assembly or contaminated flame sensing rod. | Verify that ceramic insulator around the flame sensing rod is not cracked, damaged, or loose. Verify connection from flame sensing rod to white sensor wire. Clean flame sensing rod with emery cloth to remove any contaminants that may have accumulated on flame sensing rod. Verify continuity with a multimeter with ohms set at lowest range. Replace pilot if any damage is detected. | |
| E. Module. | Turn ON/OFF rocker switch or wall switch to OFF position. Remove ignitor wire “I” from module. Place ON/OFF rocker switch or wall switch in ON position. If there is no spark at “I” terminal module must be replaced. If there is a spark at “I” terminal, module is fine. | |
| 5. The pilot and main burner extinguish while in operation. | A. No propane in tank. | Check the propane tank. Refill the fuel tank. |
| B. Improper gas inlet pressure. | Verify with manometer. NG should read 5-14 inches w.c. Propane should read 10-14 inches w.c. | |
| C. Inner vent pipe leaking exhaust gases back into the system. | Check venting system for damage. Replace/repair improperly assembled pipe sections. | |
| D. Glass installed improperly. | Check to ensure glass is installed properly. Replace glass panel assembly. | |
| E. Improper vent cap installation. | Check for proper installation and freedom from debris or blockage. | |
| F. High limit switch has been automatically activated. | This appliance is equipped with an auto reset high limit switch which will shut down the appliance if it spills under flue blockage or excessive negative pressure conditions. Shut off the appliance and the gas supply. Do not attempt to operate the appliance until it has been examined by a qualified service technician. |
Reference Materials
A. Appliance Dimension Diagram
Dimensions are actual appliance dimensions. Use for reference only. For framing dimensions and clearances refer to Section 5.

B. Service Parts List
RBV4236IT, RBV4236IH
REVEAL 36” Gas Fireplace – BV
Beginning Manufacturing Date: May 2006
Ending Manufacturing Date: Active

| IMPORTANT: THIS IS DATED INFORMATION. Parts must be ordered from a dealer or distributor. Hearth and Home Technologies does not sell directly to consumers. Provide model number and serial number when requesting service parts from your dealer or distributor. | Stocked at Depot | |||
| ITEM | DESCRIPTION | COMMENTS | PART NUMBER | |
| Log Assembly 36” | SRV4048-057 | Y | ||
| 1 | Top Left Log | Pre 5/15/16, Must order complete assembly | SRV4048-184 | |
| 2 | Top Right Log | SRV4048-185 | ||
| 3 | Back Left Log | SRV4048-238 | ||
| 4 | Back Right Log | SRV4048-239 | ||
| 5 | Front Left Log | SRV4048-240 | ||
| 6 | Front Right Log | SRV4048-241 | ||
| Grate Assembly | SRV4048-034 | Y | ||
| 7 | Top Standoff | Qty 4 reg | SRV4044-111 | |
| 8 | Drywall Lip | 4048-161 | ||
| 9 | Right Baffle | 4048-118 | ||
| 10 | Flue Baffle Assembly | 4048-020 | ||
| 11 | Left Baffle | 4048-117 | ||
| 12 | Smoke Shield | 4048-127 | ||
| 13 | Hood | 29575 | ||
| 14 | Hearth Retainer | SRV4044-128 | ||
| 15 | Hearth Refractory | 4048-200 | ||
| 16 | Pilot Bracket | 4048-136 | ||
| 17 | Back Burner Support | 4048-138 | ||
| 18 | Front Burner Support | 4048-137 | ||
| 19 | Burner Pan Assembly – NG | 4048-024 | Y | |
| Burner Pan Assembly – Propane | 4048-025 | Y | ||
| 20 | Screen Bracket | 4048-169 | ||
| 21 | Upper Door Bracket | Qty 2 reg | SRV4048-142 | |
| 22 | Door Track | SRV15425 | ||
| 23 | Door Pivot Clip | Qty 2 reg | SRV31527 | |
| 24 | Firescreen Rod | Qty 2 reg | SRV11866 | Y |
| 25 | Firescreen Assembly | Qty 2 reg | 4048-018 | Y |
| 26 | Firescreen Handle | Qty 2 reg | SRV10002 | |
| 27 | Outside Air Assembly | 4044-036 | Y | |
| 28 | Fastener Pack | 4025-023 | ||
| 29 | Outside Air Plate Assembly | 4044-031 | ||
| 30 | Outside Air Shield | SRV33271 | Y | |
| 31 | Door Pin Screw | Qty 2 reg | SRV4021-384 | |
| 32 | Door Pin | Qty 2 reg | SRV4021-385 | |
| 33 | Valve Assembly | Refer to Valve page | ||
| 34 | Junction Box | 21878 | Y | |
| 35 | Junction Box Cover Plate | 4048-234 | ||
| 36 | Nailing Flange | Qty 4 reg | SRV4044-161 | |
| To replace the Lower Front Face (4044-124), Upper Front Face (4048-181), Right Column (4044-104) or Left Column (4044- 143) Please order an overlay part number CUST4018-001 and reference the part number that need to be repaired | ||||
Service Parts: RBV4236I, RBV4842I
![]() | ||||
| IMPORTANT: THIS IS DATED INFORMATION. Parts must be ordered from a dealer or distributor. Hearth and Home Technologies does not sell directly to consumers. Provide model number and serial number when requesting service parts from your dealer or distributor. | Stocked at Depot | |||
| ITEM | DESCRIPTION | COMMENTS | PART NUMBER | |
| Traditional Refractory RBV4236 RBV4842 | ||||
| Refractory Assembly | ||||
| 36.1 | Refractory Retainer | SRV11847 | ||
| 36.2 | Back Refractory | 4048-206 | 4048-207 | |
| 36.3 | Side Refractory (Qty 2 req) | 4048-208 | ||
| Herringbone Refractory | ||||
| Refractory Assembly | ||||
| 36.4 | Left Side Refractory | 4048-205 | ||
| 36.5 | Back Refractory | 4048-202 | 4048-203 | |
| 36.6 | Refractory Retainer | 11847 | ||
| 36.7 | Right Side Refractory | 4048-204 | ||
| Additional Parts | ||||
| Damper Kit | DG3 | |||
| Gas Operations Manual | 71680 | |||
| Hair Pin Clip | 101025/24 | Y | ||
| Installation Instructions & Owner’s Manual | 4048-210 | |||
| Lava Rock Bag Assembly | 4040-094 | |||
| Lava Rock | 4021-296 | |||
| Mineral Wool | SRV14333 | |||
| Vermiculite | 28746 | |||
| Limit Switch | SRV4021-383 | Y | ||
![]() | ||||
| IMPORTANT: THIS IS DATED INFORMATION. Parts must be ordered from a dealer or distributor. Hearth and Home Technologies does not sell directly to consumers. Provide model number and serial number when requesting service parts from your dealer or distributor. | Stocked at Depot | |||
| ITEM | DESCRIPTION | COMMENTS | PART NUMBER | |
| 32.1 | Pilot Assembly NG | SRV2090-012 | Y | |
| Pilot Assembly Propane | 2090-013 | Y | ||
| 32.2 | Flexible Bulkhead | SRV7000-156 | Y | |
| 32.3 | Valve Bracket | 4048-132 | ||
| 32.4 | Flex Ball Valve Assembly | SRV302-320 | Y | |
| 32.5 | Valve NG | SRV593-500 | Y | |
| Valve Propane | SRV593-501 | Y | ||
| 32.6 | Brass Connector – Male – Flex | Pkg of 5 | 303-315/5 | Y |
| 32.7 | Control Module | SRV593-592 | Y | |
| 32.8 | 3V Adapter | SRV593-593 | Y | |
| 32.9 | Wire Assembly | SRV593-590 | Y | |
| Battery Pack | SRV593-594 | Y | ||
| Orifice – #31C NG | RBV4236 | SRV582-831 | Y | |
| Orifice – #48C Propane | SRV582-848 | Y | ||
| Orifice – .125 C NG | RBV4842 | 4021-391 | Y | |
| Orifice – #48C Propane | SRV582-848 | Y | ||
| Wire Assembly – HIBLK60FM | SRV34937 | Y | ||
| Wire Assembly – HIBLU60FF | 4018-022 | |||
| Wall Switch Wire Assembly | 4018-046 | Y | ||
| Propane Gas Conversion Kit | DCKP-RBV | Y | ||
| Natural Gas Conversion Kit | DCKN-RBV | Y | ||
Service Parts: RBV4842IT, RBV4842IH

| IMPORTANT: THIS IS DATED INFORMATION. Parts must be ordered from a dealer or distributor. Hearth and Home Technologies does not sell directly to consumers. Provide model number and serial number when requesting service parts from your dealer or distributor. | Stocked at Depot | |||
| ITEM | DESCRIPTION | COMMENTS | PART NUMBER | |
| Log Assembly 42” | SRV4048-058 | Y | ||
| 1 | Top Left Log | Pre 5/15/16, Must order complete assembly | SRV4048-184 | |
| 2 | Top Right Log | SRV4048-185 | ||
| 3 | Back Left Log | SRV4048-242 | ||
| 4 | Back Right Log | SRV4048-243 | ||
| 5 | Front Left Log | SRV4048-244 | ||
| 6 | Front Right Log | SRV4048-245 | ||
| Grate Assembly | SRV4048-034 | Y | ||
| 7 | Top Standoff | Qty 4 reg | SRV4044-111 | |
| 8 | Drywall Lip | 4048-162 | ||
| 9 | Right Baffle | 4048-116 | ||
| 10 | Flue Baffle Assembly | 4048-020 | ||
| 11 | Left Baffle | 4048-115 | ||
| 12 | Smoke Shield | 4048-128 | ||
| 13 | Hood | 29576 | ||
| 14 | Hearth Retainer | SRV4044-109 | ||
| 15 | Hearth Refractory | 4048-201 | ||
| 16 | Pilot Bracket | 4048-136 | ||
| 17 | Back Burner Support | 4048-138 | ||
| 18 | Front Burner Support | 4048-137 | ||
| 19 | Burner Pan Assembly – NG | 4048-024 | Y | |
| Burner Pan Assembly – Propane | 4048-025 | Y | ||
| 20 | Screen Bracket | 4048-169 | ||
| 21 | Upper Door Bracket | Qty 2 reg | SRV4048-142 | |
| 22 | Door Track | SRV15427 | ||
| 23 | Door Pivot Clip | Qty 2 reg | SRV31527 | |
| 24 | Firescreen Rod | Qty 2 req | SRV12052 | Y |
| 25 | Firescreen Assembly | Qty 2 reg | 4048-019 | |
| 26 | Firescreen Handle | SRV10002 | ||
| 27 | Outside Air Assembly | 4044-036 | Y | |
| 28 | Fastener Pack | 13580 | ||
| 29 | Outside Air Plate Assembly | 4044-031 | ||
| 30 | Outside Air Shield | SRV33271 | Y | |
| 31 | Door Pin Screw | Qty 2 reg | SRV4021-384 | |
| 32 | Door Pin | Qty 2 reg | SRV4021-385 | |
| 33 | Valve Assembly | Refer to valve page | ||
| 34 | Junction Box | 21878 | Y | |
| 35 | Junction Box cover Plate | 4048-234 | ||
| 36 | Nailing Flange | Qty 4 reg | SRV4044-161 | |
| Surround Replacement Overlay | CUST4018-001 | |||
| Reference following parts: Bottom Face (4044-105), Upper Front Face (4048-182), Right Column (4044-104) or Left column (4044-143) CUST4018-001 Must be ordered | ||||
C. Optional Components
DCKP-RBV NG to Propane Gas Conversion Kit
DCKN-RBV Propane to NG Gas Conversion Kit

| Catalog # | A | B | C | E | E | |
| LDS-BV | in. | 26 | 12.5 | 15.5 | 22 | 23 |
| mm | 660 | 318 | 394 | 533 | 584 | |

SMART-STAT-HTL
Remote Control (For installation in Canada in a bedroom or bedsitting room.)
SMART-BATT-HTL
Battery-operated Remote Control (For installation in Canada in a bedroom or bedsitting room.)
WSK100-HTL
Wall Switch
DG3
Thermally Activated
Automatic Damper
See your Hearth & Home Technologies dealer for a complete listing of optional components.
D. Contact Information

Please contact your dealer with any questions or concerns.
For the location of your nearest dealer, please visit www.heatilator.com.
– NOTES –
NOTICE
DO NOT DISCARD THIS MANUAL
Important operating and maintenance instructions included.- Read, understand and follow these instructions for safe installation and operation.
- Leave this manual with party responsible for use and operation.
This product may be covered by one or more of the following patents: (United States) 6601579, 6769426, 6863064, 7077122, 7074035, 7098269, 7234932, 7258116, 7322819, 7422011, 7470729, 7726300, 8147240, 9625149 or other U.S. and foreign patents pending.
2000-945E
Hearth & Home Technologies
RBV4236/RBV4842
4048-210
Rev AN
01/22



























![Pleasant Hearth Electric Fireplace User Manual [model: 24-900-002] Pleasant Hearth Electric Fireplace User Manual [model: 24-900-002]](https://static-data1.manualsee.com/1/img/253/68707/2021/02/Pleasant-Hearth-electric-fireplace-User-Manual-Model-24-900-002.jpg)



![Pleasant Hearth Electric Fireplace Insert User Manual [model: 24-900-002] Pleasant Hearth Electric Fireplace Insert User Manual [model: 24-900-002]](https://static-data1.manualsee.com/1/img/92/71366/2021/02/Pleasant-Hearth-Electric-Fireplace-Insert-User-Manual-Model-24-900-002.jpg)
