torqeedo 1979-00 Cable Set Instruction Manual




Connection Diagram
| B1 | Cruise 10.0 R / FP TorqLink with TorqLink throttle |
| B2 | Cruise 10.0 R / FP TorqLink with aluminium throttle |
| B3 | Cruise 10.0 T |
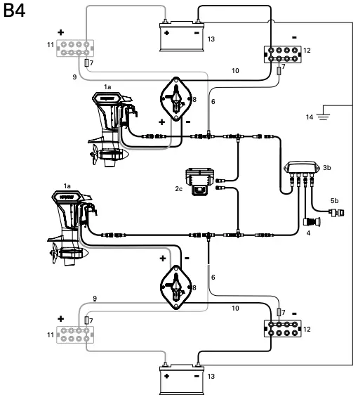
| B4 | Cruise 10.0 R / FP TorqLink Twin |
| 1a | Cruise 10.0 R / FP TorqLink (1240-20, 1241-20, 1242-20) |
| 1b | Cruise 10.0 T (1243-20, 1244-20, 1245-20) |
| 2a | TorqLink throttle (1976-00) |
| 2b | Aluminium throttle (1949-00, 1950-00, 1951-00) |
| 2c | Twin throttle (1952-00) |
| 3a | TorqLink Terminator Single |
| 3b | TorqLink Terminator Twin |
| 4 | Emergency stop switch |
| 5a | On/off switch |
| 5b | Key switch |
| 6 | TorqLink feeder cable (not with Cruise 10 T) |
| 7 | Feeder cable fuse: Round fuse type UL248-1.14, 2A |
| 8 | Mechanical main switch |
| 9 | Plus power cable |
| 10 | Minus power cable |
| 11 | Fuse holder with busbar – plus |
| 12 | Fuse holder with busbar – minus |
| 13 | Battery bank (set-up according to technical requirements) |
| 14 | Earthing point |
Important Information
- The cable set for third-party batteries is used to operate Torqeedo Cruise 10.0 motors from 2021 onwards with batteries other than the Torqeedo Power 48-5000.
- We recommend using a fuse holder with busbar and M8 connections for installation.
- Torqeedo Cruise systems are designed to be earthed during installation. If required, the system can be installed as an isolated system, which requires advanced knowledge and compliance with national regulations.
- Additional components are required to use this product.
- An earthing point is required for installation.
- This product requires no maintenance. However, please check it regularly for damage. Replace damaged cables immediately.
- Always use the latest version of the operating instructions. You can find these and further information at www.torqeedo.com, or scan the QR code on the back of these instructions.
![]()
- Before starting work, live parts must be disconnected from the power supply and secured against being switched on again throughout the work.
- Allow hot components to cool before carrying out work on the system.
- Valid local regulations must be observed during installation!
- Contact protection must be provided for installation.
- Do not wear metallic jewellery during installation, and take care not to touch the contacts.
- Follow the operating instructions for the other components!
- Do not connect any other electrical consumers to the fused circuit of the Torqeedo system.
Scope of supply
See page 1, figures A1 – A3
- 1 x plus power cable 95mm² for connection to M8 busbar
- 1 x minus power cable 95mm² for connection to M8 busbar
- 1 x TorqLink feeder cable with integrated fuses for connection to M8 busbar
Operating Conditions
Make sure that the operating conditions and the requirements for the energy source (battery bank) and its fuse are observed.Voltage level in volts (V) 42.0 V – 58.8 V Maximum battery current (permanent) 240 A Maximum battery current (short-term) 280 A Fuse load current cable* 350 A Fuse TorqLink feeder cable with integrated
fuses2 A
Type: UL248-1.14Cable cross-section for system earthing min. 50 mm²
Installation
See page 2-3, figures B1 – B4
- Check that the delivery is complete before installation, see page 1 (Fig.) A1 – A3.
- Check the product for damage before installation. Damaged cables must not be used.
- Carry out the installation as described in the following. Observe figures B1 – B4 on pages 2 – 3.
- Lay power cables 9 and 10 (Fig.) and TorqLink feeder cable 6 (Fig.) so that they do not rub against each other.
- Do not extend power cables 9 and 10 (Fig.).
- Power cables 9 and 10 (Fig.) can be shortened professionally if required.
- Maintain bending radii, 8 x diameter.
- Check that the cables of the battery bank are of the same length; adjust if necessary.
- Live parts must be fitted or installed with protection against accidental contact; the necessary installation space must be taken into account during the planning stage.
- The power cables 9 and 10 (Fig.) can become hot during operation, so in the course of installation, make sure that they are laid in a way that they are safe to touch.
- Do not lay power cables 9 and 10 (Fig.) in cable ducts or similar to make sure there is air cooling.
- Use fuse holders with busbar 11 and 12 (Fig.) to connect to the battery bank.
- Fuse the battery bank according to the manufacturer’s instructions. Observe the maximum cable lengths between the battery bank and the fuse.
- Install the cable for earthing the system between the battery minus pole and earthing point 14 (Fig.).
- If a second earthed on-board power system is available, make sure that both systems use a common earthing point.
- Connect TorqLink feeder cable 6 (Fig.) to TorqLink-Backbone. (not required with Cruise 10 T)
- Connect TorqLink feeder cable last to avoid voltage peaks.
- Set the battery type after installation and calibrate the battery bank; see Torqeedo Cruise operating instructions.
Operation and Maintenance
CAUTION! Risk of injury from electrical voltage. When carrying out maintenance work or troubleshooting, live parts must be disconnected from the power supply and secured against being switched on again throughout the work.
CAUTION! Risk of burns. Cables can become hot during operation. Do not touch cables during and just after operation.
- Regularly check all cables for damage and signs of abrasion.
- Regularly check that contacts and screw connections are tight.
- Only clean the cables with a soft cloth and mild detergent that is suitable for plastics (e.g. washing-up liquid). Do not use any chemicals or solvents for cleaning.
Troubleshooting

Disposal
Dispose of the product according to EU Directive 2012/19/EU (WEEE) and national laws. Do not dispose of the product with household waste.
Warranty Conditions
Warranty conditions and warranty certificate available at www.torqeedo.com.
Declaration of Conformity
The EU declaration of conformity can be downloaded from www.torqeedo.com.
Torqeedo Service Partners Worldwide
You can find contact details for all Torqeedo branches on the back of this manual. Contact details for all service partners can be found under the “Service Center” section of the partner search at www.torqeedo.com.
Torqeedo branches
Torqeedo GmbH
Friedrichshafener Straße 4a
82205 Gilching, Germany
[email protected]
Phone: +49 8153 9215-100
Torqeedo Inc.
171 Erick Street, Unit D-2
Crystal Lake, IL 60014, USA
[email protected]
Phone: +1 815 444 8806
Torqeedo Asia Pacific Ltd.
Athenee Tower, 23rd Floor, Wireless Road,
Lumpini, Pathumwan,
Bangkok, 10330 Thailand
[email protected]
Phone: +66 212 68030
UK / Ireland
[email protected]
P +44 1502 516224
France
[email protected]
P +33 240 010604
Spain / Portugal
[email protected]
P +34 609 385044
Torqeedo Service Center
Torqeedo GmbH
– Service Center
Friedrichshafener Straße 4a
82205 Gilching, Germany
[email protected]
Phone: +49 8153 9215-1266
Torqeedo Inc.
171 Erick Street, Unit D-2
Crystal Lake, IL 60014, USA
[email protected]
Phone: +1 815 444 8806
Torqeedo Service Partners worldwide
Contact details for all service partners can be found under the ‘Service Centre’ section of the partner search at www.torqeedo.com.

Version 1.0
039-00424
Disposal


















