Chiltrix VCT60 Stainless Steel Small Buffer Tank
Vertical or Horizontal Configuration Model VCT60
58 gallons/220 liters
Stainless Steel Inner Tank w/ Stainless Steel Jacket
2” Polyurethane Insulation
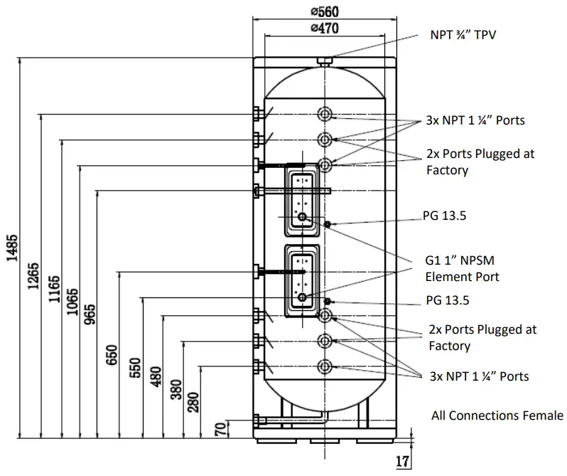
2x Element ports 1” NPSM
2x Element/Thermostat Cavities w/ Covers
Supports up to 2x 5500w Elements
6x Side-1 Ports 1.25” NPT Female (3 in /3 out)
4x Side-2 Ports 1.25” NPT Female (2 in / 2 out)
2x Drain Ports ¾” NPT Female (Vertical/Horizontal)
2x G½” Sensor Wells
1x G ¾” Anode Port w/ Anode
2x PG 13.5 Wiring Grommets
Diameter 22.05”
Height 59.84”
Dimensions



Buffer / Multi-Purpose All-Stainless Steel Tank 58 Gallons / 220 L

References
Air To Water Heat Pump Manufacturer | Air To Water Small Chiller Heat Pumps & Air Conditioners | Residential Home & Server Room Chillers | Chiltrix Inc.
Heat Recovery Water Heaters & Pool Heaters | Solar Air Conditioners | Water Heating & Pool Heating From AC | Small Air To Water Heat Pumps
Air To Water Heat Pump Manufacturer | Air To Water Small Chiller Heat Pumps & Air Conditioners | Residential Home & Server Room Chillers | Chiltrix Inc.



















