MITSUBISHI ELECTRIC CMY-R160-J Coupling Piece for BC Controller

Product Information
The CITY MULTI is a product line of air conditioning systems offered by Mitsubishi Electric Corp. The system comes with optional parts for PUHY-P-YGM/YSGM and PURY-P-YGM outdoor units. These optional parts include joints, headers, joint kit CMY-R160-J for BC controller, and high static pressure motor PAC-KBU04MT-F. These parts are designed to help connect and install the outdoor units easily and efficiently.
Product Joints and Headers
The Joints and Headers provided by Mitsubishi Electric Corp. are suitable for piping for the CITY MULTI system. For PUHY-P-YGM/YSGM and PURY-P-YGM, 4 sets of joints and 3 sets of headers are available. The joints and headers come with different sizes and specifications that can be used for both gas and liquid pipes. Details for applying the joint sets and header sets are outlined in System Design 2-8 and System Design 2-9 respectively, as well as in the installation manual.
Joint Kit CMY-R160-J for BC Controller
This joint kit is specifically designed to combine 2 ports of the BC controller at a PURY-P-YGM system. It enables down-stream indoor capacity above P55 as shown in Fig. 1. The kit includes instruction, joint pipes, cover plates, a band, and a reducer. The installation of the joint kit should follow the instructions provided in the manual. It is important to note that mixed cooling and heating mode at the same time for indoor units connecting to 1 port or 2 combined ports is not available.
High Static Pressure Motor PAC-KBU04MT-F
This optional part is designed to be used with the outdoor unit to provide high static pressure. It comes with a motor and is suitable for use in harsh environments. Installation of this part should be done by a professional technician, and the instructions in the installation manual should be followed carefully.
Product Usage Instructions
The optional parts outlined above are designed to work with the CITY MULTI system offered by Mitsubishi Electric Corp. The installation of these parts should be done by a professional technician, and all instructions in the manual should be followed carefully. The joints and headers provided can be used for piping for the CITY MULTI system, and the appropriate joint sets and header sets should be chosen based on the specifications of the system. The joint kit CMY-R160-J for BC controller should be installed according to the instructions provided in the manual, and it is important to note that mixed cooling and heating mode at the same time for indoor units connecting to 1 port or 2 combined ports is not available. Finally, the high static pressure motor PAC-KBU04MT-F should be installed by a professional technician according to the instructions in the installation manual.
JOINT
Piping for CITY MULTITM can be easily done with Joints and headers provided by MITSUBISHI ELECTRIC CORP. For PUHY-P-YGM/YSGM and PURY-P-YGM, 4 sets of Joints are available. Details for applying the Joint sets are referable to System Design 2-8. or their own Installation Manual.
CMY-Y102S-G

CMY-Y102L-G1

CMY-Y202-G1

CMY-Y302-G1

HEADER
Piping for CITY MULTITM can be easily done with Joints and headers provided by MITSUBISHI ELECTRIC CORP.. For PUHY-P-YGM/YSGM and PURY-P-YGM, 3 sets of Headers are available. Details for applying the Header sets are referable to System Design 2-9. or their own Installation Manual.
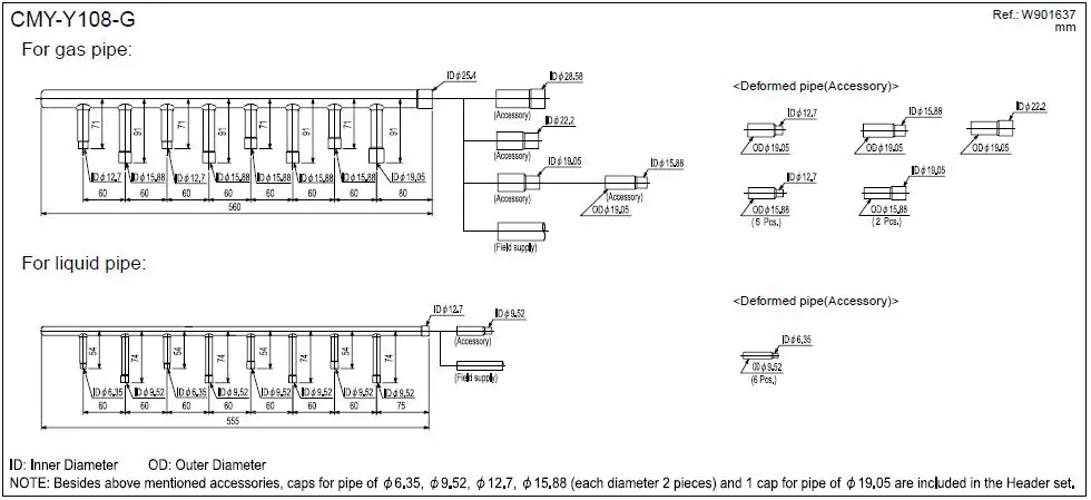
CMY-Y104-G

CMY-Y108-G mm

CMY-Y1010-G

JOINT KIT “CMY-R160-J” FOR BC CONTROLLER
Joint kit “CMY-R160-J” for the BC controller is used to combine 2 ports of the BC controller at a PURY-P-YGM system so as to enable downstream Indoor capacity above P55 as shown in Fig. 1.
The Joint kit includes the following items:


- Designing CMY-R160-J to a PURY-P-YGM system
The maximum downstream Indoor capacity for 1 port of BC controller is P54. When the downstream Indoor capacity is above P54, Joint kit CMY-R160-J is needed to combine 2 ports of BC controller to enlarge the capacity, like Group 2 and 3 in Fig. 1.
Maximum 3 Indoor units are allowed to connect to 1 port of BC controller or 2 combined ports of BC controller using CMY-R160-J.
When connecting Indoor units to 1 port of BC controller or 2 combined ports of BC controller using CMY-R160-J, CMY-Y102S-G or CMY-Y104-G is applicable, like Group 1 and 2 in Fig. 1
Caution: Mixed cooling and heating mode at the same time for Indoor units connecting to 1 port or 2 combined ports is not available.
- Piping at the installation site
The connection of CMY-R160-J to BC controller and pipe leading to Indoor units is referable to Fig. 2. Non-oxidized brazing is necessary. All piping must be careful to avoid foreign material getting inside. After piping and air-tight testing, insulation work to the Joint and pipe should be done. Details is available at the Installation Manual.
HIGH STATIC PRESSURE MOTOR PAC-KBU04MT-F
With PAC-KBU04MT-F, the PUHY-P-YGM/YSGM, PURY-P-YGM outdoor unit will gain external 30Pa or 60Pa static pressure, which makes the outdoor unit exhausting design much easier to coordinate with the building situation.
- Inside the package of PAC-KBU04MT-F, the following items are enclosed together with the installation manual.

- Installing the high static pressure motor PAC-KBU04MT-F onto the outdoor unit.
- You may order outdoor unit installed the optional PAC-KBU04MT-F instead of non-static pressure motor, and set the expected external static pressure at shipment, or change the motor by yourself at the field. For the details you need to talk to your provider.
- In the case you change the motor, and set the expected static pressure at the field. Instruction 2.2a, 2.2b and 2.2c should be followed.
- Mounting the motor
A. Remove the screw1, and remove the fan guard, referring to Fig.1.
B. Remove the screw2, and remove panel 1, referring to Fig.1.
C. Remove the nut, and remove the propeller fan, referring to Fig.2.
D. Remove the connector of the motor, referring to Fig.3.
E. Remove the screw3 of the motor, and exchange the motor, referring to Fig.4.
F. Connect the motor connectors. Secure the connectors with a clamp below the motor base not directly exposed to rainwater, referring to Fig.5.
G. Remove the screw4 from both sides of the side panel and replace the side panel with the supplied reinforcing plates. referring to Fig.6. (Other than PUHN type)
H. Put back the propeller fan, fan guard and panel in the reverse order from A-C. (Bind the nut tight with the torque of 20 ± 2 N·m.)
I. Attach the supplied label on the unit, referring to Fig.1.

- Mounting the motor
Switching for 30Pa or 60Pa static pressure
- Remove Panel 2, referring to Fig.1.
- Remove the control box cover.
- Set the DIPSW, which is on the front board in the control box, referring to the figure below. (For the DIPSW location, refer to the wiring nameplate on the back of the control box cover).
| PUHY-P-YGM, YMM, YUM PURY-P-YGM | DIPSW3-9 | DIPSW5-1 |
| 30Pa | ON | ON |
| 60Pa | ON | OFF |
| PUHN-P01YGM | DIPSW7-1 | DIPSW7-4 |
| 30Pa | ON | ON |
| 60Pa | ON | OFF |
The fieldwork of 2.2a and 2.2b needs working space at the front and back of the outdoor unit. Enough working space should be considered for the fieldwork of 2.2a and 2.2b. For example, upon corrective installation 20mm or the like interval is helpful.






















