
CHAMPION 7500w Wireless Remote Start Generator Owner’s Manual


or visit championpowerequipment.com
SAVE THESE INSTRUCTIONS. This manual contains important safety precautions which should be read and understood before operating the product. Failure to do so could result in serious injury. This manual should remain with the product.
Specifications, descriptions and illustrations in this manual are as accurate as known at the time of publication, but are subject to change without notice.
This product meets the requirements of the PGMA (Portable Generator Manufacturers’ Association) standard ANSI/PGMA G300-2015 (Safety and Performance of Portable Generators).


www.TakeYourGeneratorOutside.com
INTRODUCTION
Congratulations on your purchase of a Champion Power Equipment (CPE) product. CPE designs, builds, and supports all of our products to strict specifications and guidelines. With proper product knowledge, safe use, and regular maintenance, this product should bring years of satisfying service.
Every effort has been made to ensure the accuracy and completeness of the information in this manual at the time of publication, and we reserve the right to change, alter and/or improve the product and this document at any time without prior notice.
CPE highly values how our products are designed, manufactured, operated, and serviced as well as providing safety to the operator and those around the generator. Therefore, it is IMPORTANT to review this product manual and other product materials thoroughly and be fully aware and knowledgeable of the assembly, operation, dangers and maintenance of the product before use. Fully familiarize yourself, and make sure others who plan on operating the product fully familiarize themselves too, with the proper safety and operation procedures before each use. Please always exercise common sense and always err on the side of caution when operating the product to ensure no accident, property damage, or injury occurs. We want you to continue to use and be satisfied with your CPE product for years to come.
When contacting CPE about parts and/or service, you will need to supply the complete model and serial numbers of your product. Transcribe the information found on your product’s nameplate label to the table below

SAFETY DEFINITIONS
The purpose of safety symbols is to attract your attention to possible dangers. The safety symbols, and their explanations, deserve your careful attention and understanding. The safety warnings do not by themselves eliminate any danger. The instructions or warnings they give are not substitutes for proper accident prevention measures.
![]()
DANGER indicates a hazardous situation which, if not avoided, will result in death or serious injury.
![]()
WARNING indicates a hazardous situation which, if not avoided, could result in death or serious injury.
![]()
CAUTION indicates a hazardous situation which, if not avoided, could result in minor or moderate injury.
![]()
NOTICE indicates information considered important, but not hazard-related (e.g., messages relating to property damage).
IMPORTANT SAFETY INSTRUCTIONS
![]()
Cancer and Reproductive Harm – www.P65Warnings.ca.gov
![]()
Generator exhaust contains carbon monoxide, a colorless, odorless, poisonous gas. Breathing carbon monoxide will cause nausea, dizziness, fainting or death. If you start to feel dizzy or weak, get to fresh air immediately.
OPERATE GENERATOR OUTDOORS ONLY IN A WELL VENTILATED AREA AND POINT EXHAUST AWAY.
DO NOT operate the generator inside any building, including garages, basements, crawlspaces and sheds, enclosure or compartment, including the generator compartment of a recreational vehicle.
DO NOT allow exhaust fumes to enter a confined area through windows, doors, vents or other openings.
![]()
Using a generator indoors CAN KILL YOU IN MINUTES. Generator exhaust contains carbon monoxide. This is a poison you cannot see or smell.
NEVER use inside a home or garage, EVEN IF doors and windows are open.
ONLY use OUTSIDE and far away from windows, doors, and vents.

Install battery-operated carbon monoxide alarms or plug-in carbon monoxide alarms with battery back-up according to the manufacturer’s instructions.
![]()
Although the generator contains a spark arrester, maintain a minimum distance of 5 ft. (1.5 m) from dry vegetation to prevent fires.
![]()
Operate equipment with guards in place.
Rotating parts can entangle hands, feet, hair, clothing and/or accessories. Traumatic amputation or severe laceration can result.
Keep hands and feet away from rotating parts.
Tie up long hair and remove jewelry.
DO NOT wear loose-fitting clothing, dangling drawstrings or items that could become caught.
![]()
Generator produces powerful voltage.
DO NOT touch bare wires or receptacles.
DO NOT use electrical cords that are worn, damaged or frayed.
Use only Champion electrical cords for proper application.
DO NOT operate generator in wet weather.
DO NOT allow children or unqualified persons to operate or service the generator.
Use a ground fault circuit interrupter (GFCI) in damp areas and areas containing conductive material such as metal decking.
Connection to your home’s electrical system requires a listed 30A transfer switch installed by a licensed electrician and approved by the local authority having jurisdiction. The connection must isolate the generator from the utility power and must comply with all applicable laws and electrical codes.
![]()
Do not use generator for medical and life support uses.
In case of emergency, call 911 immediately.
NEVER use this product to power life support devices or life support appliances.
NEVER use this product to power medical devices or medical appliances.
Inform your electricity provider immediately if you or anyone in your household depends on electrical equipment to live.
Inform your electrical provider immediately if a loss of power would cause you or anyone in your household to experience a medical emergency.
![]()
Spark from removed spark plug wire can result in fire or electrical shock.
When servicing the generator:
Disconnect the spark plug wire and place it where it cannot contact the plug or any other metal object.
DO NOT check for spark with the plug removed.
Use only approved spark plug testers.
![]()
Running engines produce heat. Severe burns can occur on contact. Combustible material can catch fire on contact.
DO NOT touch hot surfaces.
Avoid contact with hot exhaust gases.
Allow equipment to cool before touching.
Maintain at least 3 ft. (91.4 cm) of clearance on all sides to ensure adequate cooling.
Maintain at least 5 ft. (1.5 m) of clearance from combustible materials.
![]()
Rapid retraction of the recoil cord will pull hand and arm towards the engine faster than you can let go. Broken bones, fractures, bruises or sprains could result. Unintentional startup can result in entanglement, traumatic amputation or laceration.
When starting engine, pull the recoil cord slowly until resistance is felt and then pull rapidly to avoid kickback.
DO NOT start or stop the engine with electrical devices plugged in and turned on.
![]()
Exceeding the generator’s running capacity can damage the generator and/or electrical devices connected to it.
DO NOT overload the generator.
DO NOT tamper with the governed speed.
DO NOT modify the generator in any way.
![]()
Improper treatment or use of the generator can damage it,
shorten its life or void the warranty.
Use the generator only for intended uses.
Operate only on level surfaces.
DO NOT expose generator to excessive moisture, dust, or dirt.
DO NOT allow any material to block the cooling slots.
If connected devices overheat, turn them off and disconnect them from the generator.
DO NOT use the generator if:
- Electrical output is lost
- Equipment sparks, smokes or emits flames
- Equipment vibrates excessively
![]()
This product contains a button battery. If swallowed, it could cause severe injury or death in just 2 hours. Seek medical attention immediately.
Fuel Safety
![]()
GASOLINE AND GASOLINE VAPORS ARE HIGHLY
FLAMMABLE AND EXPLOSIVE.
Fire or explosion can cause severe burns or death.
Gasoline and gasoline vapors:
- Gasoline is highly flammable and explosive.
- Gasoline can cause a fire or explosion if ignited.
- Gasoline is a liquid fuel but it’s vapors can ignite.
- Gasoline is a skin irritant and needs to be cleaned up immediately if spilled on skin or clothes.
- Gasoline has a distinctive odor, this will help detect potential leaks quickly.
- Gasoline expands or contracts with ambient temperatures. Never fill the gasoline tank to full capacity, as gasoline needs room to expand when temperatures rise.
- In the case of any petroleum gasoline fire, flames should never be extinguished unless the fuel supply valve can be turned OFF. By not doing so, if a fire is extinguished and the supply of fuel is not turned OFF, an explosion hazard could be created.
When adding or removing gasoline:
DO NOT light or smoke cigarettes.
Turn the generator off and let cool for at least two minutes before removing the gasoline cap. Always loosen the cap slowly to relieve pressure in the tank.
Only fill or drain gasoline outdoors in a well-ventilated area.
DO NOT pump gasoline directly into the generator at the gas station. Always use an approved container to transfer the fuel to the generator.
DO NOT overfill the gasoline tank.
Always keep gasoline away from sparks, open flames, pilot lights,
heat and other sources of ignition.
When starting the generator:
DO NOT attempt to start a damaged generator.
Always check that the gasoline cap, air filter, spark plug, fuel lines
and exhaust system are properly in place.
Always allow spilled gasoline to evaporate fully before attempting to start the engine.
Always be certain that the generator is resting firmly on level ground.
When operating the generator:
DO NOT move or tip the generator during operation.
When transporting or servicing the generator:
Always check that the fuel valve is in the OFF position and the gasoline tank is empty.
For LPG compatible models, check that the LPG cylinder is disconnected and stored securely away from the generator.
Disconnect the spark plug wire.
When storing the generator:
Store away from sparks, open flames, pilot lights, heat and other sources of ignition.
Do not store generator, gasoline or LPG cylinders near furnaces, water heaters, or any other appliances that produce heat or have automatic ignitions.
![]()
NEVER place a gasoline container, gasoline tank, LPG cylinder or any combustible material in the path of the exhaust stream during operation of the engine.
![]()
Never use a gasoline container, gasoline tank, or any other fuel item that is broken, cut, torn or damaged.
Safety and Dataplate Labels
These labels warn you of potential hazards that can cause serious injury. Read them carefully.
If a label comes off or becomes hard to read, contact Technical Support Team for possible replacement.



Safety Symbols
Some of the following symbols may be used on this product. Please study them and learn their meaning. Proper interpretation of these symbols will allow you to more safely operate the product.



Operation Symbols
Some of the following symbols may be used on this product. Please study them and learn their meaning. Proper interpretation of these symbols will allow you to more safely operate the product.

Quick Start Label Symbols
Some of the following symbols may be used on this product. Please study them and learn their meaning. Proper interpretation of these symbols will allow you to more safely operate the product.

Starting the Engine
![]()
Move generator outside and far away from windows, doors and intake ventilation covers.
- Check oil level.
Recommended oil is 10W-30. - Check gasoline level.
When adding gasoline, use a minimum octane rating of 87 and an ethanol content of 10% or less by volume. - Turn the fuel valve to “ON” position.
- Press ignition switch to the “ON” position.
- Move choke lever to “CHOKE” position.
- Pull the recoil cord.
- Move the choke lever to “RUN” position.
- Plug in desired device.
Stopping the Engine
- Turn off and unplug all connected electrical loads.
- Press the ignition switch to the “OFF” position.
- Turn the fuel valve to the “OFF” position.
Wireless and Electric Start
See in “Operation” section.
CONTROLS AND FEATURES
Read this operator’s manual before operating your generator. Familiarize yourself with the location and function of the controls and features. Save this manual for future reference.
Generator

- Gasoline Tank – 5.7 gal. (21.6 L)
- Gasoline Level Gauge
- Fuel Cap – Remove to add fuel.
- Choke – Used to start the engine (for manual start only).
- Fuel Valve – Used to turn fuel supply on and off to engine.
- Air Filter – Protects the engine by filtering dust and debris from the intake air.
- Never Flat Wheels – 9.5 in. (24.1 cm)
- Recoil Starter – Used to manually start the engine.
- Oil Fill Cap/Dipstick – Used to check and fill oil level.
- Battery – Provides 12V DC power the starting system.
- Ground Terminal – Consult an electrician for local grounding regulations.
- Folding Handle – Used to move unit by lifting and rolling on wheels. Do not use to lift or carry the unit.
- Control Panel – See Control Panel section.
Control Panel

- Ignition Switch – Used to START or STOP the generator.
- Intelligauge – Four mode digital meter for displaying voltage, frequency (hertz), run time, and total run time.
- Battery Switch – Enables/disables starting electrically.
- Circuit Breakers (Push Reset) – Protects the generator against electrical overloads.

Intelligauge
The LCD displays each mode for several seconds and then automatically cycles through.


Wireless Remote Control
This generator is equipped with a wireless remote control system for starting and stopping. The system consists of (5) main components:
- Receiver Control Module (RCM)
- Remote Key Fob
- Battery Switch
- Ignition Switch
- Auto-Choke
The Remote Control functions are enabled when:
- The Ignition Switch is in the “ON” position, AND
- The Battery Switch is in the “ON” position.
The Remote Control functions are disabled if either of the aboveconditions is not met.
To start the generator wirelessly, press the “START” button on the remote key fob one time. The engine will attempt to start (6) times. The RCM controls the Auto-Choke during each attempt to start. If the generator does not start, call Champion Customer Care team for assistance at 1-877-338-0999.
To stop the generator wirelessly, press the “STOP” button on the remote key fob one time.
Remote Control Power Consumption
While the Ignition Switch is in the “ON” position, the RCM is active and waiting for a remote signal. This function requires electrical current from the battery. If the Ignition Switch is left in the “ON” position for extended periods (several weeks), the battery can be completely drained.
Moving the Ignition Switch to the “OFF” position disables the Remote functions, but the RCM still consumes approximately 2 mA from the battery.
To prevent battery drain, press the Battery Switch to the “OFF” position. This disconnects power to the RCM so there is no current draw on the battery.
Control Panel Load Management
When the generator initially starts wirelessly, no voltage is supplied to the Control Panel for approximately 15 seconds. This allows the engine to reach full speed before electrical loads are applied to the generator.
When the generator is stopped wirelessly, the voltage to the Control Panel is immediately turned off. Then the engine stops approximately 5 seconds after the “STOP” button on the remote key fob is pressed. Turning the Control Panel voltage off before the engine shutdown protects connected appliances from being damaged by non-60 Hz voltage while the generator coasts to a stop.
The on/off voltage delay at startup and shut down only happen when the remote key fob is used. There is no voltage delay when the push-button electric start or recoil cord method is used. When the push-button electric start or recoil cord method is used, the operator must be sure all electrical loads (appliances) are turned OFF during startup and shutdown. Damage to the generator or the attached appliances can be caused by starting or stopping the generator while appliances are plugged in and turned ON.
FCC Statement for Remote Control Device
- This device complies with Part 15 of the FCC Rules. Operation is subject to the following two conditions:
1a. This device may not cause harmful interference.
1b. This device must accept any interference received, including interference that may cause undesired operation. - Changes or modifications not expressly approved by the party responsible for compliance could void the user’s authority to operate the equipment.
NOTICE
This equipment has been tested and found to comply with the limits for a Class B digital device, pursuant to Part 15 of the FCC Rules.
These limits are designed to provide reasonable protection against harmful interference in a residential installation. This equipment generates, uses and can radiate radio frequency energy and if not installed and used in accordance with the instructions, may cause harmful interference to radio communications.
However, there is no guarantee that interference will not occur in a particular installation. If this equipment does cause harmful interference to radio or television reception, which can be determined by turning the equipment off and on, the user is encouraged to try to correct the interference by one or more of the following measures:
- Reorient or relocate the receiving antenna.
- Increase the separation between the equipment and receiver.
- Connect the equipment into an outlet on a circuit different from that to which the receiver is connected.
- Consult dealer or an experienced radio/TV technician for help.


ASSEMBLY
Your generator requires some assembly. This unit ships from our factory without oil. It must be properly serviced with fuel and oil before operation.
If you have any questions regarding the assembly of your generator, call our Technical Support Team at 1-877-338-0999. Please have your serial number and model number available.
Unpacking
- Set the shipping carton on a solid, flat surface.
- Remove everything from the carton except the generator.
- Carefully cut each corner of the box from top to bottom. Fold each side flat on the ground to provide a surface area to work with the generator.
Install the Wheel Kit
![]()
The wheel kit is not intended for over-the-road use.
Install the Wheels
- Before adding fuel and oil, tip the generator onto it’s recoil end.
- Remove wheel hub cap (D) from wheel by inserting a small screwdriver into the slot provided and pry upward.
- Slide the roll pin (B) through the wheel (A) from the outside.
- Slide the roll pin through the mount point on the frame.
- Insert r-clip (C) into hole at end of roll pin.
- Re-install hub cap on wheel.
- Repeat to attach the second wheel.

Install the Support Leg
- Attach the support leg (E) to the generator frame with flange bolts (F) and flange lock nuts (G).
- Slowly tip the generator back down so that it rests on the wheels and support Leg.

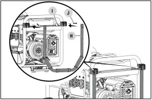
Install the Handle
- Place the handle (H) inside the mounting channel on the frame.
- Secure the handle to the frame using an short pin (J).
- Place an r-clip (I) on the end of the short pin and fasten securely.

Connect the Battery
- Cut cable tie on each side of battery connector.
- Push two halves of battery connector together tightly.

Add Engine Oil
![]()
DO NOT attempt to crank or start the engine before it has been properly filled with the recommended type and amount of oil. Damage to the generator as a result of failing to follow these instructions will void your warranty.
![]()
The generator rotor has a sealed, pre-lubricated ball bearing that requires no additional lubrication for the life of the bearing.
![]()
The recommended oil type for typical use is 10W-30 automotive oil. However, using the listed conventional oils shown in the “Recommended Engine Oil Type” chart may be used for typical use including the first 5 hours of the break-in run time period of the engine.
If running generator in extreme temperatures, refer to the “Recommended Engine Oil Type” chart.

- Place the generator on a flat, level surface.
- Remove oil fill cap/dipstick to add oil.
- Using a funnel, add up to 37.2 fl. oz. (1100 ml) of oil (included) and replace oil fill cap/dipstick. DO NOT OVERFILL.

4. Check engine oil level at every use and add as needed.

![]()
Once oil has been added, a visual check should show oil about 1-2 threads from running out of the fill hole.
When using the dipstick to check oil level, DO NOT screw in the dipstick while checking.
![]()
Check oil level often during the break-in period. Refer to the Maintenance section for recommended service intervals.
![]()
This engine is equipped with a low oil shut-off and will stop when the oil level in the crankcase falls below the threshold level.
![]()
The first 5 hours of run time are the break-in period for the unit. During the break in period stay at or below 50% of the running watt rating and vary the load occasionally to allow stator windings to heat and cool. Adjusting the load will also cause engine speed to vary slightly and help seat piston rings. After the 5 hour break-in period, change the oil.
![]()
Synthetic oil may be used after the 5 hour initial break-in period. Using synthetic oil does not decrease the recommended oil change interval. Full synthetic 5W-30 oil will aid in starting in cold ambient < 41º F (5º C) temperatures.
Add Fuel
![]()
Gasoline vapors are highly flammable and extremely explosive.
DO NOT light or smoke cigarettes. Fire or explosion can cause severe burns or death.
Only fill or drain fuel outdoors in a well-ventilated area.
DO NOT pump gasoline directly into the generator. Use an approved container to transfer the fuel to the generator. Never use a gasoline container, gasoline tank, or any other fuel item that is broken, cut, torn or damaged.
DO NOT overfill the gasoline tank. Always keep fuel away from sparks, open flames, pilot lights, heat and other sources of ignition.
Use clean, fresh, regular unleaded gasoline with a minimum octane rating of 87 and an ethanol content of 10% or less by volume. 
DO NOT mix oil with gasoline.
- Remove the gasoline cap.
- Slowly add gasoline to the tank. Tank is full when gasoline reaches red circle on screen. DO NOT OVERFILL. Gasoline can expand after filling. A minimum of ¼ in. (6.4 mm) of space left in the tank is required for gasoline expansion, although more than ¼ in. (6.4 mm) is recommended. Gasoline can be forced out of the tank as a result of expansion if overfilled, and can affect the stable running condition of the generator.

3. The approximate fuel level is shown on the fuel gauge on top of the fuel tank.

4. Screw on the gasoline cap and wipe away any spilled fuel.
![]()
Use unleaded gasoline with a minimum octane rating of 87 and an ethanol content of 10% or less by volume.
DO NOT light cigarettes or smoke when filling the tank.
DO NOT mix oil and gasoline.
DO NOT overfill the tank. Fill tank to approximately ¼ in. (6.4 mm) below the top of the tank to allow for gasoline expansion.
DO NOT pump gasoline directly into the generator at the pump.
Use an approved fuel container to transfer the gasoline to the generator.
DO NOT fill tank indoors.
DO NOT fill tank when the engine is running or hot.
![]()
Pouring gasoline too fast through the fuel screen may result in gasoline splashing over the generator and operator while filling.
![]()
The generator engine works well with 10% or less ethanol blend gasoline. When using ethanol-gasoline blends there are some issues worth noting:
- Ethanol-gasoline blends can absorb more water than gasoline alone.
- These blends can eventually separate, leaving water or a watery goo in the tank, fuel valve and carburetor. The compromised gasoline can be drawn into the carburetor and cause damage to the engine and/or potential hazards.
- If a fuel stabilizer is used, confirm that it is formulated to work with ethanol-gasoline blends.
- Any damages or hazards caused by using improper gasoline, improperly stored gasoline, and/or improperly formulated stabilizers, are not covered by manufacturer’s warranty.
It is advisable to always shut off the gasoline supply and run the engine to starvation after each use. See Storage instructions for extended non-use.
Grounding
Your generator must be properly connected to an appropriate ground to help prevent electric shock.
![]()
Failure to properly ground the generator can result in electric shock.
A ground terminal connected to the frame of the generator has been provided (see Controls and Features for terminal location). For remote grounding, connect a length of heavy gauge (12 AWG minimum) copper wire between the generator ground terminal and a copper rod driven into the ground. We strongly recommend that you consult with a qualified electrician to ensure compliance with local electrical codes.
Neutral Floating*
- Neutral circuit IS NOT electrically connected to the frame/ ground of the generator.
- The generator (stator winding) is isolated from the frame and from the AC receptacle ground pin.
- Electrical devices that require a grounded receptacle pin connection will not function if the receptacle ground pin is not functional.
Neutral Bonded to Frame*
- Neutral circuit IS electrically connected to the frame/ground of the generator.
- The generator system ground connects lower frame crossmember below the alternator. The system ground is connected to the AC neutral wire.
* See your Specifications section for specified type of grounding.
OPERATION
Generator Location
![]()
NEVER operate the generator inside any building, garage, basement, crawlspace, shed, enclosure or compartment, including a generator compartment of a recreational vehicle.
NEVER operate or start the generator in the back of an SUV, camper, trailer, truck bed (regular sides, flat or other configuration), under staircases, stairwells, next to walls or buildings or in any other location that will not allow for adequate cooling of the generator or for the proper exit of the exhaust flow from the muffler system.
DO NOT operate or store the generator in wet weather conditions such as rain or snow. Using a generator in wet conditions could result in serious injury or death due to electrocution.
In some state’s generators may be required to be registered with the local utility company when used at construction sites and may be subject to additional rules and regulations, consult your local municipal authority.
Generators should always be operated on a flat, level surface at all times (even when not in operation). Generators must have a minimum of 5 feet (1.5 m) of clearance from all combustible material.
Generators must also have a minimum of 3 feet (91.4 cm) of air flow clearance on all sides to allow for adequate performance cooling, maintenance and servicing.
Always place the generator in a well-ventilated area. NEVER place the generator near air intake vents or where exhaust fumes could be drawn into occupied or confined spaces. Always carefully consider wind and air currents when positioning generator.
Always allow generators to properly cool before transport or for storage purposes.
Failure to follow proper safety precautions may result in personal injury, damage to the generator and void the manufacturer’s warranty.
![]()
During operation the muffler and exhaust fumes will become hot. If adequate cooling and breathing space are not supplied, or if the generator is blocked or enclosed, temperatures can become extremely heated and may lead to fire.
Wet Conditions Alert: Do not expose to rain or use in damp locations except as follows:
If you must operate in rain or damp locations, DO NOT operate without proper protection of the electrical components.
Use of a safety canopy that is fire retardant and will provide proper air ventilation for the engines exhaust stream can be used. Keep all objects a minimum of 5 feet (1.5m) away from the generator at all times. Heat from the muffler surface and exhaust stream can ignite combustible materials.
Visit championpowerequipment.com or call to find your Storm Shield cover.
Surge Protection
Electronic devices, including computers and many programmable appliances use components that are designed to operate within a narrow voltage range and may be affected by momentary voltage fluctuations. While there is no way to prevent voltage fluctuations, you can take steps to protect sensitive electronic equipment.
- Install UL1449, CSA-listed, plug-in surge suppressors on the outlets feeding your sensitive equipment. Surge suppressors come in single- or multi-outlet styles.
They’re designed to protect against virtually all short-duration voltage fluctuations.
Wireless Set Button
The wireless set button is a feature that lets the user sync remote key fob to the generator. One can set up to two remotes or reset a remote with the generator. To reset a remote key fob or sync two remotes follow these steps:
- Turn the ignition switch to the “ON” position.

2. Turn the battery switch to the “ON” position.

3. Push and hold the wireless set button for approximately three seconds until the red light turns on.

4. Push and release the STOP button on the remote. The red light blinks once to erase the remote program.

5. Push and release the START button. The red light blinks once to program the remote.

6. Push and hold the programming button approximately three seconds until the red light turns off.

7. Test start and stop features.
![]()
Only two remote key fobs can be synced with one generator at a time.
![]()
Changing a remote key fob battery may not require the user to reset the remote. If remote not functioning as before battery change, proceed with Wireless Set Button instructions.
Starting the Engine
- Make certain the generator is on a flat, level surface.
- Turn the gasoline fuel valve to the “ON” position.

Wireless Remote Start
Wireless remote starting is only possible within 80 feet of the generator.
DO NOT attempt to adjust the choke. The remote system will automatically close and open the choke.
1. Push the battery switch to the “ON” position.

2. Push the ignition switch to the “ON” position.

3. Press and release the “START” button on the remote key fob. DO NOT hold the button down, only press the button once. The engine will attempt to start six times.

Electric Start
DO NOT attempt to adjust the choke. The remote system will automatically close and open the choke.
1. Push the battery switch to the “ON” position.

2. Press and hold the ignition switch to the “START” position. Release as the engine begins to start. If the engine fails to start within five seconds, release the switch and wait at least ten seconds before attempting to start the engine again.

![]()
If the ignition switch is held down in the “START” position longer than 5 seconds it could damage the starter.
Manual Start
- Disconnect all electrical loads from the generator. Never start or stop the generator manually with electrical devices plugged in or turned on.
2. Push the ignition switch to the “ON” position.

3. Move the choke to the “CHOKE” position.
3a. For restarting a warm engine, move the choke to 75% of the “CHOKE” position.

4. Pull the recoil cord slowly until resistance is felt and then pull rapidly

5. Do not over-choke. As soon as engine starts, move the choke to the “RUN” position over a 2-5 second duration.

![]()
Keep choke in “CHOKE” position for only 1 pull of the recoil cord. After first pull, move choke to “RUN” position for up to 3 pulls of the recoil cord. Too much choke leads to spark plug fouling/engine flooding due to lack of incoming air. This will cause the engine not to start.
![]()
For gasoline restarts with hot engine in hot ambient temperature > 86°F (30°C), keep choke in 75% of the “CHOKE” position for only 1 pull of the recoil cord. After first pull, move choke to “RUN” position for up to 3 pulls of the recoil cord. Too much choke leads to spark plug fouling/engine flooding due to lack of incoming air. This will cause the engine not to start.
![]()
For gasoline starting in cold ambient temperature < 59°F (15°C), the choke must be in 100% of “CHOKE” position for manual start procedures. Do not over-choke. As soon as engine starts, gradually move the choke lever to the “RUN” position over a 2-5 second duration.
![]()
For Wireless and Electric Start only: A safety feature is provided which delays the electrical power availability during starting mode. The delay lasts for approximately 15 seconds. The delay is provided to prevent damage to the generator if electrical loads are inadvertently turned on during engine startup.
![]()
If the engine starts but does not continue to run make certain that the generator is on a flat, level surface. This engine is equipped with a low oil sensor that will prevent the engine from running when the oil level falls below a critical threshold.
Battery
![]()
When the battery switch is in the “ON” position, the switch will light up if the battery is sending out a charge. If the switch does not light up while in the “ON” position, check that the battery connection is still good.
![]()
The supplied 12V battery does re-charge while the engine is running and the battery switch is turned ON, but it is also recommended that the battery be fully charged at least once per month or maintained with a trickle charger or battery maintainer (not included).
Connecting Electrical Loads
Let the engine stabilize and warm up for a few minutes after starting.
Plug in and turn on the desired 120 or 240 (if applicable) Volt AC single phase, 60 Hz electrical loads.
- DO NOT connect 3-phase loads to the generator.
- DO NOT overload the generator
![]()
Always remember to plug your appliances directly into the generator and do not plug the generator power cord into any electrical outlet or connect to the circuit breaker panel in your home. Connecting a generator to your home’s electric utility company’s power lines, or to another power source, called ‘backfeeding’ is a dangerous practice that is illegal in many states and municipalities.
This action if done incorrectly could damage your generator, appliances and could cause serious injury or death to you or a utility worker when attempting to restore power during an outage occurrence in the neighborhood who may then unexpectedly encounter high voltage on the utility line and suffer a fatal shock.
Whether injuries occur or not, if installed incorrectly and not to applicable laws and codes, you may be subject to fines or the utility company may disconnect your home power should this practice be found in your home.
If the generator will be connected to a building electrical system, those connections must isolate the generator power from the utility power. You are responsible for ensuring your generator’s electricity does not backfeed into the electric utility power lines. These connections must comply with all applicable laws and codes – Consult your local utility company or a qualified electrician to properly install this connection.
Do Not Overload Generator
Never exceed the specified capacity when adding loads to the generator. Each individual receptacles is protected against overload by a circuit breaker. If the amperage of any circuit breaker exceeds its rating, the circuit breaker opens and the electrical output to that receptacle is lost. If a 30A circuit breaker opens, the 20A receptacle will also lose electrical output. Remove the load from the receptacle and reset the open circuit breaker to restore electrical output.
Capacity
Follow these simple steps to calculate the running and starting
watts necessary for your purposes:
- Select the electrical devices you plan on running at the same time.
- Total the running watts of these items. This is the amount of power you need to keep your items running.
- Identify the highest starting wattage of all devices identified in step 1. Add this number to the number calculated in step 2. Starting wattage is the surge of power needed to start some electric driven equipment. Following the steps listed under “Power Management” will guarantee that only one device will be starting at a time.
Power Management
Use the following formula to convert voltage and amperage to watts:
Volts × Amps = Watts
To prolong the life of your generator and attached devices, follow these steps to add electrical load:
- Start the generator with no electrical load attached.
- Allow the engine to run for several minutes to get up to temperature.
- Plug in and turn on the first item. It is best to attach the item with the largest load first.
- Allow the engine to stabilize.
- Plug in and turn on the next item.
- Allow the engine to stabilize.
- Repeat steps 5-6 for each additional item.
GFCI
Your generator is equipped with ground fault circuit interrupter (GFCI) receptacles. In the event of a ground fault, a GFCI trips automatically to stop the flow of electricity and prevent serious injury. The green indicator light (A) on the receptacle will also turn off. Press the “RESET” (B) button located on the front of the receptacle to restore flow of electricity. The indicator light will also turn back on. GFCI does not protect against circuit overloads.
To ensure proper operation of the GFCI duplex, perform this test monthly:
- With the generator running, plug a lamp into the GFCI receptacle. Turn the lamp on.
- Press the “TEST” (C) button located on the front of the receptacle to trip the device. This should immediately stop the flow of electricity and shut off the lamp. If the electricity is not stopped, do not use this receptacle until it has been serviced or replaced.
- Press the “RESET” button located on the front of the receptacle to restore the flow of electricity. If the indicator light does not come back on or if the GFCI cannot be reset then it must be replaced.

![]()
In any electrical application, some current will flow through the protective ground conductor to the ground, this is called leakage current. It takes 4 mA (0.004 A) and higher of leakage current from the hot wire to the ground to cause a GFCI to trip. On circuits protected by GFCI’s, leakage current can cause unnecessary and intermittent tripping.
Some stationary motors, such as a bathroom vent fan, fluorescent lighting fixtures or some refrigerators, may produce enough leakage to cause nuisance tripping. To avoid nuisance tripping, a GFCI should not supply:
- Fluorescent or other types of electric-discharge lighting fixtures.
- Permanently installed electric motors, like air conditioners, furnaces or refrigerators.
Stopping the Engine
Remote Stop
- Turn off all electrical connected loads. Never start or stop the generator with electrical devices turned on.
- Let the generator run at no-load for several minutes to stabilize internal temperatures of the engine and generator.
- Press the “STOP” button on the remote key fob.

![]()
Engine will shut off but the battery switch, ignition switch, and fuel valve will remain in the “ON” position waiting for the next start instruction.
To completely shut down the generator, make sure the ignition switch, battery switch, and fuel valve are in the “OFF” position when the generator will not be used for an extended period of time.
![]()
Battery power is drawn while the generator is in standby mode (battery switch ON).
Do not leave generator in standby mode for an extended period of time or the battery will be completely drained and the wireless remote and electric start feature will no longer function.
Manual Stop
- Turn off and unplug all electrical connected loads. Never start or stop the generator with electrical devices plugged in or turned on.
- Let the generator run at no-load for several minutes to stabilize internal temperatures of the engine and generator.
- Press the ignition switch to the “OFF” position.

4. If generator was started electrically, press the battery switch to the “OFF” position.

5. Turn the fuel valve to the “OFF” position.

Important: Always ensure that the fuel valve, the ignition switch, and the battery switch are in the “OFF” position when the generator will not be used for an extended period of time.
![]()
If the engine will not be used for a period of two (2) weeks or longer, please see the Storage section for proper engine and fuel storage.
Moving the Generator
- NEVER lift or carry the generator using the folding handle.
- ALWAYS place the generator on its wheels in the upright position.
- ALWAYS turn the generator off and ensure the fuel valve is closed.
- ALWAYS make sure engine and muffler are cooled down before the generator can be handled safely (typically 15-30 minutes).
- Begin by raising the folding handle, found on opposite side of wheels.
- Using the handle, tilt the end of the generator slightly off the ground until balanced on the wheels.
- While maintaining balance, roll the generator to the desired location.

- NEVER tilt sideways while moving the generator.
- Failure to follow these instructions could result in personal injury or damage to the generator.
Operation at High Altitude
The density of air at high altitudes is lower than at sea level. Engine power is reduced as the air mass and air-fuel ratio decrease. Engine power and generator output will be reduced approximately 3½% for every 1000 ft. of elevation above sea level. At high altitudes increased exhaust emissions can also result due to the increased enrichment of the air fuel ratio. Other high altitude issues can include hard starting, increased fuel consumption and spark plug fouling.
To alleviate high altitude issues other than the natural power loss, CPE can provide a high altitude carburetor main jet. The alternative main jet and installation instructions can be obtained by contacting our Technical Support Team. Installation instructions are also available in the Technical Bulletin area of the CPE website. The part number and recommended minimum altitude for the application of the high altitude carburetor main jet is listed in the following table.
In order to select the correct high altitude main jet it is necessary to identify the carburetor model. For this purpose, a code is stamped on the side of the carburetor. Select the correct high altitude jet part number corresponding to the carburetor code found on your particular carburetor.

![]()
Operation using the alternative main jet at elevations lower than the recommended minimum altitude can damage the engine. For operation at lower elevations, the originally supplied standard main jet must be used. Operating the engine with the wrong engine configuration at a given altitude may increase its emissions and decrease fuel efficiency and performance.
MAINTENANCE
Make certain that the generator is kept clean and stored properly. Only operate the unit on a flat, level surface in a clean, dry operating environment. DO NOT expose the unit to extreme conditions, excessive dust, dirt, moisture or corrosive vapors.
![]()
Never operate a damaged or defective generator.
![]()
Improper maintenance will void your warranty.
![]()
For Emission control devices and systems, read and understand your responsibilities for service as stated in the Emission Control Warranty Statement of this manual.
The owner/operator is responsible for all periodic maintenance.
Complete all scheduled maintenance in a timely manner.
Correct any issue before operating the generator.
For service or parts assistance, contact our
Technical Support Team at 1-877-338-0999.
Cleaning the Generator
![]()
DO NOT spray generator directly with water.
Water can enter the generator through the cooling slots and damage the generator windings. It can also contaminate the fuel system.
- Use a damp cloth to clean exterior surfaces of the generator.
- Use a soft bristle brush to remove dirt and oil.
- Use an air compressor (25 PSI) to clear dirt and debris from the generator.
- Inspect all air vents and cooling slots to ensure that they are nclean and unobstructed.
To prevent accidental starting, remove and ground the spark plug wire before performing any service.
Changing the Engine Oil
Change oil when the engine is warm. Refer to the oil specification to select the proper grade for your operating environment.
- Remove the oil drain bolt with a 12 mm socket (not included) and extension.

2. Allow the oil to drain completely into an appropriate container.

3. Replace the oil drain bolt.
4. Add oil according to Add Engine Oil in Assembly section.
DO NOT OVERFILL. Oil not included for routine maintenance.
5. Dispose of used oil at an approved waste management facility.
![]()
Once oil has been added, a visual check should show oil about 1-2 threads from running out of the fill hole. If using the dipstick to check oil level, DO NOT screw in the dipstick while checking.
Cleaning and Adjusting the Spark Plug
- Remove the spark plug cable from the spark plug.
- Use a spark plug socket tool (not included), or a 13/16 in. (21 mm) socket (not included) to remove the plug.

3. Inspect the electrode on the plug. It must be clean and not worn to produce the spark required for ignition.
4. Make certain the spark plug gap is 0.024-0.031 in. (0.7-0.8 mm).

5. Refer to the spark plug types in Specifications when replacing the plug.
6. Firmly re-install the plug.
7. Attach the spark plug cable to the spark plug.
Cleaning the Air Filter
- Remove the snap-on cover holding the air filter to the assembly.

- Remove the foam element.
- Wash in liquid detergent and water. Squeeze thoroughly dry in a clean cloth.
- Saturate in clean engine oil.
- Squeeze in a clean, absorbent cloth to remove all excess oil.
- Place the filter in the assembly.
- Reattach the air filter cover and snap in place.
Cleaning the Spark Arrestor
- Allow the engine to cool completely before servicing the spark arrestor.
- Remove the two screws holding the cover plate which retains the spark arrestor to the muffler.
- Remove the spark arrestor screen.
- Carefully remove the carbon deposits from the spark arrestor screen with a wire brush.

- Replace the spark arrestor if it is damaged.
- Position the spark arrestor on the muffler and attach with the screws removed in step 2.
![]()
Failure to clean the spark arrestor will result in poor engine performance.
![]()
Federal and local laws and administrative requirements indicate when and where spark arrestors are required. When ordered, spark arrestors are required for operation of this generator in National Forest lands. In California, this generator must not be used on any forest-covered land, brush-covered land, or grass-covered land unless the engine is equipped with a spark arrestor.
Adjusting the Governor
![]()
Tampering with the factory set governor will void your warranty.
The air-fuel mixture is not adjustable. Tampering with the governor can damage your generator and your electrical devices and will void your warranty. Contact our Technical Support Team at 1-877-338-0999 for all other service and/or adjustment needs.
Generator Battery
Your generator is equipped with an automatic battery charging circuit that charges the battery while the engine is running. The battery will maintain a proper charge if the unit is used on a regular basis (about once every two weeks). If it is used less frequently, the battery should be connected to a trickle charger or battery maintainer (not included) to keep the battery properly charged.
Maximum charging rate should not exceed 1.5 amps. Follow the instructions included with the battery charger. The battery should be fully charged at least once per month. If the battery is not able to start the engine, it can be started by manually pulling the engine recoil cord. If the battery voltage is extremely low, the charging circuit may not be able to re-charge the battery. In this case, the battery must be connected to a standard automotive style battery charger for re-charging before it can be used.
Disconnect the Battery
- Pull two halves of battery connector apart.

Charge the Battery
For a generator equipped with batteries for electric starting, proper battery maintenance and storage should be followed. A trickle charger or battery maintainer should be used to charge the battery while the generator is in storage. Maximum charging rate should not exceed 1.5 amps. Follow the instructions included with the trickle charger or battery maintainer. The battery should be fully charged at least once per month.
Remote Key Fob Battery
![]()
- Always purchase the correct size and grade of battery most suitable for the intended use.
- Clean the battery contacts and also those of the device prior to battery installation.
- Remove batteries from equipment which is not to be used for an extended period of time.
- Remove batteries if consumed or if product is to be left unused for a long time.
Maintenance Schedule
Follow the service intervals indicated in the following maintenance schedule.
Service your generator more frequently when operating in adverse conditions.
Contact our Technical Support Team at 1-877-338-0999 to locate the nearest CPE certified service dealer for your generator or engine maintenance needs.
EVERY 8 HOURS OR PRIOR TO EACH USE
- Check oil level
- Clean around air intake and muffler
FIRST 5 HOURS (BREAK IN)
- Change oil
EVERY 50 HOURS OR ANNUALLY
- Clean air filter
- Change oil if operating under heavy load or in hot environments
EVERY 100 HOURS OR ANNUALLY
- Change oil
- Clean/adjust spark plug
- Clean spark arrestor
- Clean fuel valve filter*
EVERY 250 HOURS
- Clean combustion chamber*
- Check/adjust valve clearance*
EVERY 3 YEARS
- Replace fuel line*
* To be performed by knowledgeable, experienced owners or CPE certified service centers.
STORAGE
![]()
To avoid accidental or unintended ignition of your generator during periods of storage, the following precautions should be followed:
- When storing the generator make sure the ignition switch and fuel valve are set to the “OFF” position.
Short Term Storage (up to 30 days)
Gasoline may gum up and clog the carburetor if the generator is not run or carburetor drained within 4 weeks.
- Be sure all appliances are disconnected from the generator.
- Start the generator as instructed in Starting the Engine section.
- Turn the fuel valve to the “OFF” position.
- Let the engine run until fuel starvation has stopped the engine. This usually takes a few minutes.
- Move the ignition switch to the “OFF” position.
Mid Term Storage (30 days – 1 year)
Gasoline in the tank has a maximum shelf life of up to 1 year with the addition of a properly formulated fuel stabilizer and stored in a cool, dry place.
- Be sure all appliances are disconnected from the generator.
- Add a properly formulated fuel stabilizer to the gasoline tank.
- Turn the fuel valve to the “ON” position.
- Start and run the generator for 10 minutes so the treated gasoline cycles through the fuel system.
- Option 1: Drain Gasoline from Carburetor
5a. Turn ignition switch to the “OFF” position and allow generator to cool completely before continuing.
5b. Turn the fuel valve to the “OFF”.
5c. Use the drain bolt on the carburetor to empty any excess gasoline from the carburetor into an appropriate container. Use a funnel (and appropriate hose if necessary) under the carburetor drain bolt to avoid spillage.
5d. When gasoline stops flowing from the carburetor, replace and tighten the carburetor drain bolt and be sure to properly dispose of the drained gasoline according to local regulations or guidelines. - Option 2: Run Dry
6a. With the generator running, turn the fuel valve to the “OFF” position and allow the generator to run until the engine stops from complete fuel starvation. This may take a few minutes.
6b. Turn ignition switch to the “OFF” position and allow generator to cool completely before continuing. - Remove the spark plug cap and spark plug and pour about a tablespoon of oil into the cylinder.
- Pull the recoil cord slowly to crank the engine to distribute the oil and lubricate the cylinder.
- Install the spark plug and spark plug cap.
- Clean the generator according to Cleaning the Generator.
- Store the generator in a cool, dry place out of direct sunlight.
Long Term Storage (over 1 year)
For storage over 1 year, the gasoline tank and carburetor must be
completely drained of gasoline.
- The generator is to be OFF and all appliances disconnected.
- Turn the fuel valve to the “ON” position.
- Use the drain bolt on the carburetor to empty any excess gasoline from the gasoline tank and carburetor into an appropriate container. Use a funnel (and appropriate hose if necessary) under the carburetor drain bolt to avoid spillage.
- When gasoline stops flowing from the carburetor, replace and tighten the carburetor drain bolt and be sure to properly dispose of the drained gasoline according to local regulations or guidelines.
- Turn the fuel valve to the “OFF” position.
- Follow steps 7-11 according to Mid Term Storage.
Removing from Storage
![]()
If the generator has been improperly stored for a period longer than 30 days with ethanol blended gasoline in the gasoline tank and/or carburetor, all fuel must be drained and the carburetor must be thoroughly cleaned of ethanol build up. This process involves technically advanced tasks. For assistance please call our Technical Support Team at 1-877-338-0999.
If the gasoline tank and carburetor were properly emptied of all ethanol blended gasoline prior to the generator being stored, follow the below steps when removing from storage.
- Be sure the ignition switch is in the “OFF” position.
- Add gasoline to the generator according to Add Fuel.
- Turn the fuel valve to the “ON” position.
- After 5 minutes check the carburetor and air filter areas for any leaking gasoline. If any leaks are found, the carburetor will need to be disassembled and cleaned or replaced. If no gasoline leaks are found, turn the fuel valve to the “OFF” position.
- Check engine oil level and add clean, fresh oil if needed. See Oil Specifications for proper oil type.
- Check and clear air filter of any obstructions such as bugs or cobwebs. If necessary, clean air filter according to Cleaning the Air Filter.
- Start the generator according to Starting the Engine.
SPECIFICATIONS


![]()
A technical bulletin regarding valve adjustment procedures is available at www.championpowerequipment.com.
Oil Specifications
DO NOT OVERFILL.
Type.. . . . . . . . . . . . . . . . . . . . . . . . . . . . . . . . . . . . . . . . . . . . *See following chart
Capacity.. . . . . . . . . . . . . . . . . . . . . . . . . . . . . . . . . . . . . . 37.2 fl. oz. (1100 ml)

![]()
Temperature will affect engine oil and engine performance. Change the type of engine oil used based on temperature shown in the “Recommended Engine Oil Type” table.
Fuel Specifications
Use unleaded gasoline with a minimum octane rating of 87 and an ethanol content of 10% or less by volume. DO NOT USE E15 or E85. DO NOT OVERFILL.
- Gasoline Capacity.. . . . . . . . . . . . . . . . . . . . . . . . . . . . . . . . . . 5.7 gal. (21.6 L)
Propane (LPG)
- Use only an approved LPG cylinder equipped with an OPD (overfilling prevention device) valve.
Battery Specifications
Type.. . . . . . . . . . . . . … . . . . . . . . . . . . Rechargeable, Non-Spillable Lead Acid
Volts DC.. . . . . . . . . . . . . . . . . . . . . . . . . . . . . . . . . . . . . . . . . . . . . . . . . . . . . . . . . . 12
Capacity.. . . . . . . . . . . . . . . . . . . . . . . . . . . . . . . . . . . . . . . . . . . . . . . . . . . . . . . 14 Ah
Temperature Specifications
Starting Temperature Range (°F/°C).. . . . . . . . . . . 5 to 104/-15 to 40
Remote Starting Temperature
Range (°F/°C).. . . . . . . . . . . . . . . . . . . . . . . . . . . . . . . . . . . 23 to 104/-5 to 40
![]()
An important message about temperature: Your product is designed and rated for continuous operation at ambient temperatures up to 104°F (40°C). When needed, it may be operated at temperatures ranging from 5°F (-15°C) to 122°F (50°C) for short periods of time. If exposed to temperatures outside this range during storage, it should be brought back within this range before operation. In any event, the product must always be operated outdoors, in a well-ventilated area and away from doors, windows and vents.
TROUBLESHOOTING




For other issues and technical support:
Technical Support Team
Toll Free 1-877-338-0999
[email protected]
WARRANTY*
CHAMPION POWER EQUIPMENT
3 YEAR LIMITED WARRANTY
Warranty Qualifications
To register your product for warranty and FREE lifetime call center technical support please visit: https://www.championpowerequipment.com/register
To complete registration you will need to include a copy of the purchase receipt as proof of original purchase. Proof of purchase is required for warranty service. Please register within ten (10) days from date of purchase.
Repair/Replacement Warranty
CPE warrants to the original purchaser that the mechanical and electrical components will be free of defects in material and workmanship for a period of three years (parts and labor) from the original date of purchase and 270 days (parts and labor) for commercial and industrial use. Transportation charges on product submitted for repair or replacement under this warranty are the sole responsibility of the purchaser. This warranty only applies to the original purchaser and is not transferable.
Do Not Return The Unit To The Place Of Purchase
Contact CPE’s Technical Service and CPE will troubleshoot any issue via phone or e-mail. If the problem is not corrected by this method, CPE will, at its option, authorize evaluation, repair or replacement of the defective part or component at a CPE Service Center. CPE will provide you with a case number for warranty service. Please keep it for future reference. Repairs or replacements without prior authorization, or at an unauthorized repair facility, will not be covered by this warranty.
Warranty Exclusions
This warranty does not cover the following repairs and equipment:
Normal Wear
Products with mechanical and electrical components need periodic parts and service to perform well. This warranty does not cover repair when normal use has exhausted the life of a part or the equipment as a whole.
Installation, Use and Maintenance
This warranty will not apply to parts and/or labor if the product is deemed to have been misused, neglected, involved in an accident, abused, loaded beyond the product’s limits, modified, installed improperly or connected incorrectly to any electrical component. Normal maintenance is not covered by this warranty and is not required to be performed at a facility or by a person authorized by CPE.
Other Exclusions
This warranty excludes:
- Cosmetic defects such as paint, decals, etc.
- Wear items such as filter elements, o-rings, etc.
- Accessory parts such as starting batteries, and storage covers.
- Failures due to acts of God and other force majeure events beyond the manufacturer’s control.
- Problems caused by parts that are not original Champion Power Equipment parts.
When applicable, this warranty does not apply to products used for prime power in place of a utility.
Limits of Implied Warranty and Consequential Damage
Champion Power Equipment disclaims any obligation to cover any loss of time, use of this product, freight, or any incidental or consequential claim by anyone from using this product.
THIS WARRANTY AND THE ATTACHED U.S. EPA and/or CARB EMISSION CONTROL SYSTEM WARRANTIES (WHEN APPLICABLE) ARE IN LIEU OF ALL OTHER WARRANTIES, EXPRESS OR IMPLIED, INCLUDING WARRANTIES OF MERCHANTABILITY OR FITNESS FOR A PARTICULAR PURPOSE.
A unit provided as an exchange will be subject to the warranty of the original unit. The length of the warranty governing the exchanged unit will remain calculated by reference to the purchase date of the original unit.
This warranty gives you certain legal rights which may change from state to state or province to province. Your state or province may also have other rights you may be entitled to that are not listed within this warranty.
Contact Information
Address
Champion Power Equipment, Inc.
12039 Smith Ave.
Santa Fe Springs, CA 90670 USA
www.championpowerequipment.com
Customer Service
Toll Free: 1-877-338-0999
[email protected]
Fax no.: 1-562-236-9429
Technical Service
Toll Free: 1-877-338-0999
[email protected]
EMERGENCY 24 HOUR SUPPORT: 1-562-204-1188
*Except as otherwise stipulated in any of the following enclosed Emission Control System Warranties (when applicable) for the Emission Control System: U.S. Environment Protection Agency (EPA) and/or California Air Resources Board (CARB). Whichever warranty applies for the longer period, either this 3 year limited warranty or the applicable Emission Control System Warranty, shall supersede the other.
CHAMPION POWER EQUIPMENT, INC. (CPE),
THE UNITED STATES ENVIRONMENTAL PROTECTION AGENCY (U.S. EPA)
AND THE CALIFORNIA AIR RESOURCES BOARD (CARB) EMISSION CONTROL SYSTEM WARRANTY
Your Champion Power Equipment (CPE) engine complies with both the U.S. EPA and state of California Air Resources Board (CARB) Exhaust and Evaporative emissions regulations.
YOUR WARRANTY RIGHTS AND OBLIGATIONS:
The US EPA, California Air Resources Board, and CPE are pleased to explain the Federal and California Exhaust and Evaporative Emission Control Systems Warranty on your 2020 small off-road engine (SORE) and engine powered equipment. In California, new equipment that use small off-road engines (SORE) must be designed, built and equipped to meet the State’s stringent anti-smog standards.
CPE must warrant the exhaust and evaporative emission control system on your small off-road engine (SORE) for the period listed below, provided there has been no abuse, neglect, unapproved modification, or improper maintenance of your equipment leading to the failure of
the exhaust and evaporative emission control systems.
Your evaporative emission control system may include parts such as: carburetors, fuel tanks, fuel lines, (for liquid fuel and fuel vapors), fuel caps, valves, canisters, filters, clamps, connectors, and other associated components. Also included for your exhaust emission control system may be the fuel-injection system, the ignition system, catalytic converter and other exhaust emission related assemblies. Where a warrantable condition exits, CPE will repair your small off-road engine (SORE) at no cost to you including diagnosis, parts and labor.
MANUFACTURER’S WARRANTY COVERAGE:
This exhaust and evaporative emission control system is warranted for two years. If any exhaust and evaporative, emission related part on your engine or equipment is defective in, the part will be repaired or replaced by CPE.
OWNER WARRANTY RESPONSIBILITIES:
As the small off-road engine (SORE) owner, you are responsible for the performance of the required maintenance listed in your Owner’s Manual. CPE recommends that you retain all your receipts covering maintenance on your small off-road engine (SORE), but CPE cannot deny warranty coverage solely for the lack of receipts.
As the small off-road engine (SORE) owner, you should be aware that CPE may deny you warranty coverage if your small off-road engine (SORE) or a part has failed due to abuse, neglect, improper maintenance or unapproved modifications.
You are responsible for presenting your small off-road engine to an Authorized CPE distribution center, service center or alternate service outlet as described in (3)(f) below or CPE dealer or CPE, Santa Fe Springs, Ca. as soon as the problem exists. The warranty repairs shall be completed in a reasonable amount of time, not to exceed 30 days.
If you have any questions regarding your warranty coverage, you should contact:
Champion Power Equipment, Inc.
Customer Service
12039 Smith Ave.
Santa Fe Springs, CA 90670
1-877-338-0999
[email protected]
EXHAUST AND EVAPORATIVE EMISSION CONTROL SYSTEM WARRANTY
The following are specific provisions relative to your Exhaust and Evaporative Emission Control System (ECS) Warranty Coverage.
- APPLICABILITY: This warranty shall apply to 1995 and later model year California small off-road engines (SORE) (for other states, 1997 and later model year engines). The ECS Warranty Period shall begin on the date the new engine or equipment is delivered to its original, end-use purchaser, and shall continue for 24 consecutive months thereafter.
- GENERAL EMISSIONS WARRANTY COVERAGE
CPE warrants to the original, end-use purchaser of the new engine or equipment and to each subsequent purchaser that each of its small off-road engines (SORE) is:
2a. Designed, built and equipped to conform to U.S. EPA emissions standards for spark-ignited engines at or below 19 kilowatts and all applicable regulations adopted by the California Air Resources Board and
2b. Free from defects in materials and workmanship that cause the failure of a warranted part to be identical in all material respects to the part as described in the engine manufacturer’s application for certification for a period of two years. - THE WARRANTY ON EXHAUST AND EVAPORATIVE EMISSION-RELATED PARTS WILL BE INTERPRETED AS FOLLOWS:
- Any warranted part that is not scheduled for replacement as required maintenance in the Owner’s Manual shall be warranted for the ECS Warranty Period. If any such part fails during the ECS Warranty Period, it shall be repaired or replaced by CPE according to Subsection “d” below. Any such part repaired or replaced under the ECS Warranty shall be warranted for any remainder of the ECS Warranty Period.
- Any warranted, exhaust and evaporative emissions-related part which is scheduled only for regular inspection as specified in the Owner’s Manual shall be warranted for the ECS Warranty Period. A statement in such written instructions to the effect of “repair or replace as necessary”, shall not reduce the ECS Warranty Period. Any such part repaired or replaced under the ECS Warranty shall be warranted for the remainder of the ECS Warranty Period.
- Any warranted, exhaust and evaporative emissions-related part which is scheduled for replacement as required maintenance in the Owner’s Manual shall be warranted for the period of time prior to the first scheduled replacement point for that part. If the part
fails prior to the first scheduled replacement, the part shall be repaired or replaced by CPE according to Subsection “d” below. Any such exhaust and evaporative emissions-related part repaired or replaced under the ECS Warranty, shall be warranted for the remainder of the ECS Warranty Period prior to the first scheduled replacement point for such emissions-related part. - Repair or replacement of any warranted, exhaust and evaporative emissions-related part under this ECS Warranty shall be performed at no charge to the owner at a CPE Authorized Service Outlet.
- The owner shall not be charged for diagnostic labor which leads to the determination that a part covered by the ECS Warranty is in fact defective, provided that such diagnostic work is performed at a CPE Authorized Service Outlet.
- CPE shall pay for covered exhaust and evaporative emissions warranty repairs at non-authorized service outlets under the following circumstances:
i. The service is required in a population center with a population over 100,000 according to U.S. Census 2000 without a CPE Authorized Service Outlet AND
ii. The service is required more than 100 miles from a CPE Authorized Service Outlet. The 100 mile limitation does not apply in the following states: Alaska, Arizona, Colorado, Hawaii, Idaho, Montana, Nebraska, Nevada, New Mexico, Oregon, Texas, Utah and Wyoming. - CPE shall be liable for damages to other original engine components or approved modifications proximately caused by a failure under warranty of an emission-related part covered by the ECS Warranty.
- Throughout the ECS Warranty Period, CPE shall maintain a supply of warranted exhaust and evaporative emission-related parts sufficient to meet the expected demand for such exhaust and evaporative emission-related parts.
- Any CPE Authorized and approved exhaust and evaporative emission-related replacement part may be used in the performance of any ECS Warranty maintenance or repair and will be provided without charge to the owner. Such use shall not reduce CPE’s
warranty obligation. - Unapproved add-on or modified parts may not be used to modify or repair a CPE engine. Such use voids this ECS Warranty and shall be sufficient grounds for disallowing an ECS Warranty claim. CPE shall not be liable hereunder for failures of any warranted parts of a CPE engine caused by the use of such an unapproved add-on or modified part.
EMISSION-RELATED PARTS INCLUDE THE FOLLOWING: (using those portions of the list applicable to the engine)

TO OBTAIN WARRANTY SERVICE:
You must take your CPE engine or the product on which it is installed, along with your warranty registration card or other proof of original purchase date, at your expense, to any Champion Power Equipment dealer who is authorized by Champion Power Equipment, Inc. to sell and service that CPE product during his normal business hours. Alternate service locations defined in Section (3)(f) above must be approved by CPE prior to service. Claims for repair or adjustment found to be caused solely by defects in material or workmanship will not be denied because the engine was not properly maintained and used.
If you have any questions regarding your warranty rights and responsibilities, or to obtain warranty service, please write or call Customer Service at Champion Power Equipment, Inc.
Champion Power Equipment, Inc.
12039 Smith Ave.
Santa Fe Springs, CA 90670
1-877-338-0999
Attn.: Customer Service
[email protected]
Read More About This Manual & Download PDF:


5d. When gasoline stops flowing from the carburetor, replace and tighten the carburetor drain bolt and be sure to properly dispose of the drained gasoline according to local regulations or guidelines.


















