Champion Power Equipment, Inc., Santa Fe Springs, CA the USA
MODEL #200929
PARTS INFORMATION
9500W WIRELESS REMOTE START GENERATOR
SERIAL NUMBER RANGE: ALL

To order replacement parts please visit:
shop.championpowerequipment.com
or call 1-877-338-0999.
Contents hide
GENERATOR PARTS DIAGRAM

GENERATOR PARTS LIST
| # | Part Number | Description | Qty. |
| 1 | 90007-0625-0301 | Hexagon Flange Bolt, M6 x 25, Black Zinc | 4 |
| 2 | 90408-Y020110-0005 | Flat Washer, 06, Black Zinc | 4 |
| 3 | ELLJEJ-YXZJ-F000 | Fuel Tank Assembly – See Figure F | 1 |
| 4 | 90685-D080-0E/10 | Clamp, 08 x 00.6 x 7 | 2 |
| 5 | 90698-Y1Z0110-0002 | Protective Rubber Sleeve | 2 |
| 6 | ELLJEJ-JJZJ-H000 | Frame Assembly – See Figure H | 1 |
| 7 | 90685-YJ30110-0200 | Clamp, 09.5×08 | 1 |
| 8 | 16805-YJ90110-0000 | Tube, Evaporative to Air Cleaner | 1 |
| 9 | 90685-D090-OEAO | Clamp, 09 x 00.8 x 8 | 2 |
| 10 | 82153-YGMO210-00A0 | Heat Film, Fuel Tank | 1 |
| 11 | 90305-0600-3301 | Hexagon Flange Nut, M6, Black Zinc | 2 |
| 12 | 82153-YGM0110-00A0 | Heat Film, Carbon Canister | 1 |
| 13 | 16801-YDK0110-00A1 | Carbon Canister, 750cc | 1 |
| 14 | 90001-0612-0305 | Hexagon Flange Bolt, M6 x 12, Black Zinc | 1 |
| 15 | 17003-YJ70110-0100 | Bracket, Air Cleaner Support | 1 |
| 16 | 31114HYGM0110-0001 | DC Wire Harness, Engine | 1 |
| 17 | 31115-Y6D0110-0001 | Strap, Battery | 1 |
| 18 | 31112HYGMO210-0000 | DC Wire Harness, Battery | 1 |
| 19 | 31110-Y9X0110-00A0 | Battery, 12V/14Ah | 1 |
| 20 | 90026-0408-09 | Hexagon Flange Bolt, M6 x 25, White Zinc | 4 |
| 21 | 18250-YGM0110-0000 | Spark Arrestor | 1 |
| 22 | 80019-YJP0210-H7A0 | Guide Hood, Muffler | 1 |
| 23 | 90007-0612-A301 | Hexagon Flange Bolt, M6 x 12, Black Zinc | 4 |
| 24 | 18100-YGMO211-H7A0 | Muffler | 1 |
| 25 | 90001-0816-0109 | Hexagon Flange Bolt, M8 x 16, White Zinc | 2 |
| 26 | 90001-0816-0305 | Hexagon Flange Bolt, M8 x 16, Black Zinc | 2 |
| 27 | 18030-YJ70110-0900 | Bracket, Muffler Support, White Zinc | 1 |
| 28 | 18101-Z0D0310-00A0 | Muffler Gasket | 1 |
| 29 | 90303-0800-0301 | Nut, M8, Black Zinc | 2 |
| 30 | R500DV000FB-CMP308 | Engine Assembly – See Figure B | 1 |
| 31 | ELLJEJ-DJZJ-E000 | Alternator Assembly – See Figure E | 1 |
| 32 | 90001-0625-0305 | Hexagon Flange Bolt, M6 x 25, Black Zinc | 1 |
| 33 | 30009-Y910110-0000 | Grounding Wire | 1 |
| 34 | 90312-0600-0301 | Wing Nut, M6, Black Zinc | 1 |
| 35 | 90415-0600-Z301 | Lock Washer, Toothed, Black Zinc | 1 |
| 36 | 90408-0600-E305 | Flat Washer, Black Zinc | 3 |
| 37 | 90303-0600-3305 | Hexagon Nut, M6, Black Zinc | 1 |
| 38 | 90403-0600-0305 | Spring Washer, Black Zinc | 2 |
| 39 | 90007-0616-A305 | Hexagon Flange Bolt, M6 x 16, Black Zinc | 4 |
| 40 | 35610-YGM0410-H200 | Control Panel Assembly – See Figure G | 1 |
| 41 | 39024-YGM0110-0000 | Remote Key Fob | 1 |
| 42 | ELLJEJ-XS0-0000 | Muffler Assembly | 1 |
ENGINE PARTS DIAGRAM

ENGINE PARTS PART LIST
| # | Part Number | Description | Qty. |
| 1 | 90001-0612-0101 | Hexagon Flange Bolt, M6 x 12, White Zinc | 4 |
| 2 | 12410-ZOD0110-01A0 | Cylinder Head Cover, White Zinc | 1 |
| 3 | 12004-Z0J0510-0000 | Cylinder Head Cover Gasket | 1 |
| 4 | 12003-ZON0110-0100 | Cylinder Head Bolt, M10 x 85, White Zinc | 4 |
| 5 | R500DV-OGT-0000 | Cylinder Head – See Figure C | 1 |
| 6 | 30010-Z010110-0040 | Spark Plug, F6RTC | 1 |
| 7 | 90502-1220-0040 | Pin, 012 x 20 | 2 |
| 8 | 14081-Z080110-0000 | Valve Tappet | 2 |
| 9 | 13200-Z000110-0009 | Piston Ring Assembly | 1 |
| 10 | 13111-Z000110-0009 | Piston | 1 |
| 11 | 13010-ZOD0110-00A0 | Connecting Rod Assembly | |
| 12 | 90804-Y5Z0210-0001 | Stop Block | 1 |
| 13 | 90685-Z130210-0100 | Clamp, 017 x 14, White Zinc | 1 |
| 14 | 17004-Z000310-0000 | Tube, Breather, 012.5×016 x 108 | 1 |
| 15 | 14070-Z000110-0000 | Valve Lifter, 06 x 191 | 2 |
| 16 | 13122-Z100110-0000 | The clip, Piston Pin | 2 |
| 17 | 13121-Z000110-0000 | Piston Pin | 1 |
| 18 | 11310-Z000110-0BAO | Crankcase Subassembly | 1 |
| 19 | 90548-0202-00A0 | Bearing, 6206 | 2 |
| 20 | 13300-ZOD0110-00A0 | Crankshaft Assembly | 1 |
| 21 | 13401-ZOD0110-0000 | Balancing Shaft | 1 |
| 22 | 90502-0812-00A0 | Pin, 08 x 12 | 2 |
| 23 | 11001-ZOD0110-0000 | Crankcase Gasket | 1 |
| 24 | 16400-Z100110-0000 | Governor Gear Assembly | 1 |
| 25 | 90547-6208-00A1 | Bearing, 6208 | 1 |
| 26 | 15010-ZOD0110-L400 | Oil Dipstick, PMS 109C | 1 |
| 27 | 11411-Z000110-0BAO | Crankcase Cover | 1 |
| 28 | 90001-0840-03 | Hexagon Flange Bolt, M8 x 35, Black Zinc | 9 |
| 29 | 90682-Z0J0110-0001 | Oil Seal, 052 x 040 x 9 | 2 |
| 30 | 14200-Z000110-00A9 | Camshaft Assembly | 1 |
| 31 | 28101-Z080110-0001 | Plug, Rubber | 1 |
| 32 | 11007-Z080110-0300 | Drain Plug Bolt, M12 x 18, Black Zinc | 2 |
| 33 | 09100-Z170310-0100 | Starter Motor Assembly | 1 |
| 34 | 90684-Z080110-0001 | Clamp, 08 | 2 |
| 35 | 28110-Z710210-L401 | Cover, Engine Fan | 1 |
| 36 | 90001-0612-03 | Hexagon Flange Bolt, M6 x 12, Black Zinc | 9 |
| 37 | 28261-Z980110-0001 | Retainer Ring, Recoil Starter | 1 |
| 38 | 28200-Z590110-H200 | Recoil Starter Assembly | 1 |
| 39 | 90001-0620-03 | Hexagon Flange Bolt, M6 x 20, Black Zinc | 3 |
| 40 | 90001-0835-0102 | Hexagon Flange Bolt, M8 x 35, White Zinc | 2 |
| 41 | 19306-ZOD0110-0100 | Air Deflector, Crankcase, White Zinc | 1 |
| 42 | 90001-0610-03 | Hexagon Flange Bolt, M6 x 10, Black Zinc | 2 |
| 43 | 90412-Z080110-00A0 | Washer, 021 x 012 x 2 | 2 |
| 44 | 19304-Z100210-0101 | Cylinder Body Shroud | 1 |
| 45 | 13510-ZOD0410-0000 | Flywheel | 1 |
| 46 | 19352-Z100120-00A2 | Engine Fan | 1 |
| 47 | 30400-Z190210-00A0 | Ignition Coil | 1 |
| 48 | 90001-0628-01A0 | Hexagon Flange Bolt, M6 x 28, White Zinc | 2 |
| 49 | 28002-ZOD0110-0000 | Starter Pulley, White Zinc | 1 |
| 50 | 13501-Z080110-00A0 | Flywheel Nut, M16 x 1.5, White Zinc | 1 |
| 51 | R500DV-HYQ-0003 | Carburetor Assembly – See Figure D | 1 |
| 52 | 17100-ZOD0210-0000 | Air Cleaner Assembly | 1 |
| 53 | 17151-ZOD0210-0000 | Element 1, Air Cleaner | 1 |
| 54 | 17151-ZOD0310-0000 | Element 2, Air Cleaner | 1 |
| 55 | 90305-0600-33 | Hexagon Flange Nut, M6, Black Zinc | 3 |
| 56 | 16061-ZOD0110-0000 | Governor Shaft | 1 |
| 57 | 90412-Z080210-00A0 | Washer, 08.4 x 019.5 x 0.8 | 2 |
| 58 | 16070-Z100120-0001 | Governor Arm, White Zinc | 1 |
| 59 | 16072-Z010310-0000 | Bolt, M6 x 21, Governor Arm, White Zinc | 1 |
| 60 | 16063-ZOD0110-0100 | Spring, Governor, 01.8 x 019.5 x 136 | 1 |
| 61 | 90682-Z100210-0001 | Oil Seal, 014 x 08 x 4 | 1 |
| 62 | 90501-Z010110-0001 | Pin, White Zinc | 1 |
| 63 | 16012-Z080110-0000 | Throttle Returning Spring | 1 |
| 64 | 16062-Z100110-0001 | Govemeor Rod, White Zinc | 1 |
| 65 | 16520-ZOD0110-0100 | Air Guide, Engine Fan, White Zinc | 1 |
| 66 | 90305-Z010210-0300 | Hexagon Flange Nut, M10, Black Zinc | 1 |
| 67 | 37060-Z080120-0000 | Engine oil Sensor, W/O Nut | 1 |
| 68 | 90001-0616-01A0 | Hexagon Flange Bolt, M6 x 16, White Zinc | 2 |
| 69 | 90684-Z030120-0001 | Clip, 06 x 10.6 x 100 | |
| 70 | 90685-Z0D0110-0100 | Clamp, 016 x 1.6 | 1 |
| 71 | 90001-0516-01 | Hexagon Flange Bolt, M5 x 16, White Zinc | 2 |
| 72 | 30500-Z170120-0000 | Starter Relay | 1 |
CYLINDER HEAD PART DIAGRAM

CYLINDER HEAD PART LIST
| # | Part Number | Description | Qty. |
| 1 | 14310-Z0D0110-0000 | Rocker Arm Assembly | 2 |
| 2 | 14318-Z990111-00A0 | Rocker Arm Shaft Assembly | 2 |
| 3 | 90001-0612-03 | Hexagon Flange Bolt, M6 x 12, Black Zinc | 1 |
| 4 | 12419-Z950310-0000 | Pin Limit Plate, Cylinder Head Cover | 1 |
| 5 | 12104-Z010110-0000 | Lash Cap, Valve | 2 |
| 6 | 12109-Z0D0110-00A0 | Valve Lock Clamp, 05.5×09 | 4 |
| 7 | 12112-ZOD0110-0000 | Valve Spring Retainer | 2 |
| 8 | 12103-Z990110-0000 | Valve Spring | 2 |
| 9 | 12101-Z020110-0000 | Valve Seal Guide | 1 |
| 10 | 12140-ZOD0210-0BA9 | Cylinder Head | 1 |
| 11 | 90204-Z100410-00A0 | Stud, M6/M8 x 110, Black Zinc | 2 |
| 12 | 90203-Z010110-0301 | Stud, M8 x 34, Black Zinc | 2 |
| 13 | 12131-ZOD0210-0000 | Cylinder Head Gasket | 1 |
| 14 | 12121-Z0D0210-00A0 | Exhaust Valve | 1 |
| 15 | 12111-Z0D0210-00A0 | Intake Valve | 1 |
CARBURETOR PART DIAGRAM
CARBURETOR PART LIST
| # | Part Number | Description | Qty. |
| 1 | 17002-Z0D0110-0000 | Gasket, Inlet | 1 |
| 2 | 16003-Z0D0110-0001 | Carburetor Insulator Plate | 1 |
| 3 | 16001-Z100110-0000 | Carburetor Gasket | 1 |
| 4 | 16100-Z0D0511-00M0 | Carburetor Assembly | 1 |
| 5 | 17001-Z0D0110-0000 | Air Cleaner Gasket | 1 |
| 6 | 90685-Z030610-01A1 | Clamp, 08 x 0.6 x 7, White Zinc | 1 |
| 7 | 90686-Z510110-00M1 | Fuel Tube, 04.5 x 08.5 x 190 | 1 |
| 8 | 16108-Z080110-0000 | Valve, Solenoid | 1 |
| 9 | 16112-Z080110-0000 | Seal Ring, Float | 1 |
| 10 | 16161-Z000110-00A0 | Main Jet(H128x0.39), Standard | 1 |
| 16161-Z191210-00A2 | Main Jet(H128x0.41), Altitude 3000-6000 F eet | / | |
| 16161-Z100410-00A2 | Main Jet(H128x0.43), Altitude 6000-8000 Feet | / | |
| 11 | 90681-Z010110-0000 | Seal Ring | 1 |
ALTERNATOR PART DIAGRAM
ALTERNATOR PART LIST
| # | Part Number | Description | Qty. |
| 1 | 31330-YGM0110-0000 | Rotor, AL, 0204 x 158 | 1 |
| 2 | 31310-YGM0310-0000 | Stator, AL, 0204 x 158 | 1 |
| 3 | 31303HY090110-0000 | Terminal Block | 1 |
| 4 | 31320-YGM0110-0000 | Carbon Brush Assembly | 1 |
| 5 | 90001-0516-0105 | Hexagon Flange Bolt, M5 x 16, White Zinc | 6 |
| 6 | 30049-Y950110-0101 | Bolt, M10 x 285, Rotor, White Zinc | 1 |
| 7 | 30048-Y950110-0100 | Bolt, M6 x 199, Stator, White Zinc | 4 |
| 8 | 30060-YGM0110-0000 | AVR | 1 |
| 9 | 51124-YJ70110-0100 | Mounting Bracket, White Zinc | 1 |
| 10 | 90007-0512-A301 | Hexagon Flange Bolt, M5 x 12, Black Zinc | 2 |
| 11 | 30009-YJ70110-0000 | Grounding Wire | 1 |
| 12 | 90303-0500-31A0 | Type 1 hexagon nut, M5, White Zinc | 2 |
| 13 | 90403-0500-03 | Spring Washer, Black Zinc | 2 |
| 14 | 31300-YGM0310-0000 | Alternator Assembly, AL, D204 x 158 | 1 |
| 15 | 30023-YC20110-00A0 | Stopper, Motor Right Cover | 1 |
| 16 | 30024-Y730110-0001 | Vent, Alternator Fan | 1 |
| 17 | 90001-0510-0105 | Hexagon Flange Bolt, M5 x 10, White Zinc | 1 |
| 18 | 30021-YJ70111-00A0 | End Housing | 1 |
| 19 | 31316HYGM0110-0600 | Bolt, Stator, M5 x 235 | 2 |
| 20 | 90408-Y030110-0100 | Flat Washer, White Zinc | 1 |
| 21 | 30022-YJ70110-L400 | Cover, End Housing | 1 |
| 22 | 90001-0612-0305 | Hexagon Flange Bolt, M6 x 12, Black Zinc | 1 |
| 23 | 90001-0512-0901 | Hexagon Flange Bolt, M5 x 12, White Zinc | 2 |
| 24 | 90727-Y020110-00A0 | Tie, 4×200 | 2 |
| 25 | 90408-0500-E1A0 | Flat Washer, 05, Black Zinc | 2 |
FUEL TANK PART DIAGRAM

FUEL TANK PART LIST
| # | Part Number | Description | Qty. |
| 1 | 16804-YGM0110-0000 | Tube, Fuel Tank Vent, 04.5 x 08.5 x860 | 1 |
| 2 | 16652-YGM0110-00A0 | Fuel Filter | 1 |
| 3 | 16601-Y020120-0001 | Vibration Mount 1, 012.5 x 16, Fuel Tank | 4 |
| 4 | 90683-Y020110-0005 | Bushing, White Zinc | 4 |
| 5 | 16620-YGM0110-L4A0 | Fuel Tank, 29.1 L | 1 |
| 6 | 16750-Y020211-0001 | Fuel Valve Assembly | 1 |
| 7 | 90740-Z010610-00A1 | Clamp, 09 | 1 |
| 8 | 15150-YGKO110-00A0 | Valve, Reversal | 1 |
| 9 | 16730-YGM0110-00A0 | Fuel Tank Cap | 1 |
| 10 | 37200-YGM0110-00A0 | Fuel Gauge | 1 |
| 11 | 30431-YCM0310-0001 | Rubber Sleeve, Fuel Tube, 09.5 x 011 x 150 | 1 |
OUTLET PANEL PART DIAGRAM

OUTLET PANEL PART LIST
| # | Part Number | Description | Qty. |
| 1 | 35680-YGM0310-0200 | Housing, Control Panel | 1 |
| 2 | 90803-Y030110-0000 | Indicator Lamp | 1 |
| 3 | 35614-Y4D0210-0000 | L14-30R Receptacle, 30A, 125V/250V | 1 |
| 4 | 35654-YGKO610-0000 | Receptacle Cover, L14-30R | 1 |
| 5 | 35654-YGKO110-0000 | Cover, Push Botton | 4 |
| 6 | 31234-YGKO110-0000 | 30Amp Circuit Breaker, Push Botton | 2 |
| 7 | 31234-YBE0210-0000 | 20Amp Circuit Breaker, Push Botton | 2 |
| 8 | 30008-YGKO210-0000 | OVF Module | 1 |
| 9 | 30007-Y9X0210-0000 | Charging Module | 1 |
| 10 | 35646-YHB0110-0000 | Reset Button | 1 |
| 11 | 35000-Y8E0110-0000 | Switch Assembly | 1 |
| 12 | 30008-YGMO210-0000 | OVF Module | 1 |
| 13 | 35632-YGMO211-0000 | Intelligauge, INT1AOF | 1 |
| 14 | 35627-YGM0310-0000 | 39.5Amp Circuit Breaker, 2P Flip | 1 |
| 15 | 35614-Y4D0310-0000 | 14-50R Receptacle, 50A, 125V/250V | 1 |
| 16 | 35614-Y9X0110-0000 | 5-20R GFCI Receptacle, 20A, 125V/125V | 2 |
| 17 | 90305-0400-71A0 | Hexagon Flange Nut, M4, White Zinc | 10 |
| 18 | 35654-YGKO810-0000 | Receptacle Cover, 14-50R | 1 |
| 19 | 35654-YGKO910-0000 | Receptacle Cover, 5-20R | 2 |
| 20 | 35650-YGM0110-H200 | Control Panel | 1 |
| 21 | 35160-Y7CO210-0000 | Switch Assembly | 1 |
| 22 | 35660HYGM0410-0000 | Wire Harness, Control Panel | 1 |
| 23 | 35621-Y020110-0000 | Rectifier Bridge | 1 |
| 24 | 35720-YHD0110-0000 | CO Module | 1 |
| 25 | 90107-4216-01A0 | Self Tapping Screw, ST4.2 x 16, White Zinc | 2 |
FRAME ASSEMBLY PART DIAGRAM

FRAME ASSEMBLY PART LIST
| # | Part Number | Description | Qty. |
| 1 | 51100-YGM0111-H2A0 | Frame | 1 |
| 2 | 90306-1000A0301 | Hexagon Flange Nut, M10, Black Zinc | 4 |
| 3 | 51012HY030120-0000 | Vibration Mount 1, Frame | 4 |
| 4 | 90501-Y2C0110-03A1 | R-Clip, Black Zinc | 2 |
| 5 | 44001-V580110-L401 | Cover, Hub Decorated | 2 |
| 6 | 44020-YGM0110-0300 | Roll Pin, 016 x 95, Black Zinc | 2 |
| 7 | 44110-YGM0110-L400 | Wheel, 9.5 in,PMS 109C | 2 |
| 8 | 90305-0800-3305 | Hexagon Flange Nut, M8, Black Zinc | 7 |
| 9 | 51016-YGM0110-H2A0 | Support Leg | 1 |
| 10 | 90001-0816-0305 | Hexagon Flange Bolt, M8 x 16, Black Zinc | 2 |
| 11 | 51014-YGM0110-0000 | Vibration Mount, Support Leg | 2 |
| 12 | 24329-YGMO210-H2A0 | Heat Shield | 1 |
| 13 | 90001-0612-0305 | Hexagon Flange Bolt, M6 x 12, Black Zinc | 2 |
| 14 | 90504-Y9X0110-0305 | Pin Shaft | 2 |
| 15 | 90583-YGKO110-03A0 | R-Clip, 02 x 38, Black Zinc | 2 |
| 16 | 54110-YGM0110-H2A0 | Handle, 025 x 1.2 | 1 |
| 17 | 90722-YEC0110-0001 | Plug, End | 2 |
| 18 | 54101-YGM0110-L400 | Handle Grip | 1 |
| 19 | 90103-0416-5301 | Screw, M4 x 16, White Zinc | 2 |
| 20 | 90001-0816-0305 | Hexagon Flange Bolt, M8 x 16, Black Zinc | 1 |
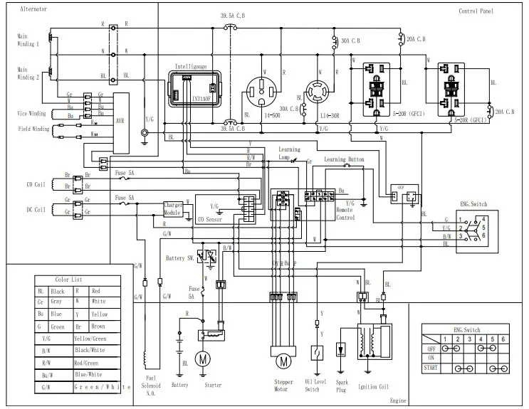
WIRING DIAGRAM

ALTERNATOR PART LIST


















