KFI Products SE25 Stealth Series Synthetic Cable Atv Utv Winch

Product Information
- Product Name: STEALTH SERIES SYNTHETIC CABLE ATV/UTV WINCH MODEL #SE25 2,500 LB. (1134 KG)
- Manufacturer: KFI Products – Kappers Fabricating, Inc.
- Country of Manufacture: China
- Revision Date: 20220817
- Website: www.kfiproducts.com
Product Usage Instructions
- Read and save the operator’s manual. It contains important safety precautions that must be understood before operating the product.
- Ensure that the serial label is placed for reference.
- Mount the winch by following the instructions provided in the installation section of the manual.
- If using the Mini Rocker Switch, mount it and connect the hand remote socket as described in the manual.
- Wire the winch according to the Winch Wiring Diagram and Controller Wiring Diagram provided in the manual.
- Inspect the synthetic cable before each use and replace if necessary. Refer to the Synthetic Cable Inspection section for detailed instructions.
- Install the cable hook stopper to prevent damage and ensure safe usage. Instructions for installation and use can be found in the Cable Hook Stopper Installation and Use section.
- Familiarize yourself with general tips for safe operation, self-recovery techniques, and winching techniques provided in the
General Tips for Safe Operation, Self Recovery, and Winching Techniques sections respectively. - Follow the instructions in the Synthetic Cable Usage section for proper usage of the synthetic cable.
- If using the winch for snow plow purposes, refer to the Snow Plow Usage section for specific instructions.
- Consider using a protective sheath to increase the durability and lifespan of the synthetic cable. Instructions for installing the protective sheath are provided in the Protective Sheath section.
For troubleshooting and warranty information, refer to the Troubleshooting and Warranty sections respectively.
Contact Information: For further assistance, please refer to the Contact Information section or visit the manufacturer’s website at www.kfiproducts.com.
INTRODUCTION
Congratulations on your purchase of a KFI winch. KFI researches and develops winches to strict specifications. With proper use and maintenance, this winch will bring years of satisfying service.
Accessories
Kappers Fabricating, Inc. manufactures, purchases, and sells accessories designed to help you get the most from your purchase. To find out more about our products, visit our web site at: www.kfiproducts.com
This Manual
Every effort has been made to ensure the accuracy and completeness of information in this manual. We reserve the right to change, alter, and or improve the product and this document at any time without prior notice.
Record the model as well as date and place of purchase for future reference. Have this information available when ordering parts and when making technical or warranty inquiries.
SAFETY DEFINATIONS
The purpose of safety symbols is to attract your attention to possible dangers. The safety symbols, and their explanations, deserve your careful attentions and understanding. The safety warnings do not by themselves eliminate any danger. The instructions or warnings they give are not substitutes for proper accident prevention measures.
- DANGER indicates a hazardous situation which, if not avoided, will result in death or serious injury.
- WARNING indicates a hazardous situation which, if not avoided, could result in death or serious injury.
- CAUTION indicates a hazardous situation which, if not avoided, could result in minor or moderate injury.
- NOTICE indicates information considered important, but not hazard-related (e.g. messages relating to property damage or physical injury).
IMPORTANT SAFETY INSTRUCTIONS
WARNING
- Cancer and Reproductive Harm – www.P65Warnings.ca.gov
- Read this manual thoroughly before operating the winch. Failure to follow instructions could result in serious injury or death.
- Do not exceed the rated capacity.
DANGER
- Do not use this winch for lifting or moving people or animals.
- Keep yourself and others a safe distance to the side of the cable when under tension.
- Never step over a cable or near a cable under load.
WARNING
- The cable may break before the motor stalls. For heavy loads at or near rated capacity, use a pulley block/snatch block to reduce the load on the cable.
- Do not move the vehicle to pull a load (towing) on the winch cable. This could result in cable breakage.
- Pull only on area of the vehicle as specified by the vehicle manufacturer.
- Do not use the winch to secure or hold a vehicle for a long period of time. Do not use the winch to secure a vehicle for transport.
- Disconnect the remote control and battery leads when not in use for extended periods.
- Avoid “shock loads” by using the control switch intermittently to take up slack in the cable. “Shock loads” can far exceed the rated capacity for the winch cable and drum.
Do not accelerate your vehicle while winching. Loss of traction can cause a shock load on the cable. Do not use cable as a pull strap. - Batteries contain acid and produce explosive gases. Keep sparks, flames and cigarettes away from batteries at all times. Wear safety glasses and protect the eyes at all times. Do not lean over the batteries during operation.
- Do not use as a hoist. Do not use for overhead lifting.
- When re-spooling the cable, ensure that the cable spools in the under-wind position with the cable entering the drum from the bottom, not the top.
To re-spool correctly, and while wearing gloves, keep a slight load on the cable while pushing the remote button to draw in the cable. Walk toward the winch not allowing the cable to slide through your hands. Do not let your hands get within 12 in. of the winch while respooling. Turn off the winch and repeat the procedure until a few feet of cable are left. Disconnect the remote control and finish spooling by rotating the drum by hand with the clutch disengaged. Keep hands clear of the fairlead and drum while the winch is under power.
CAUTION
- Use gloves to protect hands when handling the cable. Never let the cable slide through your hands.
- Do not wrap the cable around any object and hook it back onto itself.
- Apply blocks to the wheels of the vehicle when on an incline.
- Duration of winching pulls should be kept as short as possible.
- If the motor becomes uncomfortably hot to the touch, stop winching immediately and let it cool down for a few minutes. Do not pull for more than one minute at or near the rated load.
- If the motor stalls, do not maintain power to the winch.
- Electric winches are designed and made for intermittent use and should not be used in constant duty applications.
- Never release the free spool clutch when there is a load on the winch.
- Use the Hand-Saver strap when handling the winch hook for spooling or unspooling the cable.
CONTROL AND FEATURES
Read this operator’s manual before operating your winch. Familiarize yourself with the location and function of the control features. Save this manual for future reference.
Winch
- Motor – 1.20 HP 12V DC motor provides power to the planetary gear mechanism.
- Winch Drum – The winch drum is the cylinder on which the cable is stored. It can feed or wind the cable depending on the switch assembly.
- Synthetic Cable – 3/16 in. x 50 ft. Synthetic cable designed specifically for load capacity of 2,500 lbs. (48 usable feet with five wraps on the drum). The synthetic cable feeds onto the drum in the “under wind” position through the roller fairlead (4) and is looped at the end to accept the clevis hook pin (11).
- Roller Fairlead – When using the winch at an angle the roller fairlead acts to guide the synthetic cable onto the drum and minimize damage to the cable from abrasion on the winch mount or bumper.
- Free Spooling Clutch – The clutch allows the operator to manually disengage (“Release”) the spooling drum from the gear train. Engaging the clutch (“Engage”) locks the winch into the gear system.
- Braking System – Braking action is automatically applied to the winch drum when the winch motor is stopped or there is a load on the cable.
- Planetary Gear System – The reduction gears convert the winch motor power into extreme pulling forces. This system allows high torque while maintaining compact size and light weight.
- Mini Rocker Switch – Handle bar mounted switch for powering cable in/out of the winch drum.
- Fairlead Mount – Adapter to mount the winch and fairlead for utility applications.
- Contactor – Power from the vehicle battery flows through the weather sealed solenoid switch before being directed to the winch motor.
- Clevis Hook – Provides a means for connecting the looped ends of cables to an anchor.
- Cable Hook Stopper – Protects the rollers, motors, and gears.
- Hand Saver Strap – Used to assist cable feed.

INSTALLATION
This KFI 2,500 lb winch is designed with a bolt pattern that is standard for this class of winch. Many winch mounting kits are available that utilize this bolt pattern for the most popular ATVs and UTVs. You can find most of the ATV/UTV winch mounts on our website
(www.kfiproducts.com).
Mount the Winch
WARNING
Before starting to install this winch, disconnect the vehicle ground and positive leads from the battery.
- Install the winch and fairlead with the supplied hardware per the instructions provided with the model specific winch mounting kit or prepare a flat, secure mounting location for the winch.
CAUTION: Mounting bolts must be SAE Grade 5 or better and torqued to 17 ft. lbs.
NOTICE: This kit includes mounting bolts with different lengths for fastening the winch (M8 x 20, 25, and 30mm long). Use the length that best fits your mounting application. Refer to vehicle specific mount instructions for more information.
CAUTION: If you choose not to use a model specific mounting kit, you will need to drill holes in the structural support of the vehicle. Be certain that your structural support is sufficient for the pulling forces of this winch. - Attach the winch using supplied M8 x 25mm or 30mm bolts and washers thru the fairlead bracket or model specific winch mount and into the winch.
- Disengage the clutch by rotating the clutch cap to the RELEASE position. Release the synthetic cable and pull through the roller fairlead.
- Attach the clevis hook to the cable and the hand saver strap to the clevis hook.

Mount the Contactor
Find a location for the contactor. If the model specific mounting kit does not indicate a recommended contactor location, then it is recommended that the contactor be mounted close to the battery in a clean dry location. Be certain the location you choose allows for sufficient clearance form all metal components. Drill mounting holes if required. Once a location is found, do not install until all wiring is completed.
- Install Handlebar Mounted Mini Rocker Switch
- The Handlebar Mounted Mini Rocker Switch is normally installed on the left handlebar.
- Use electrical tape wrapped around the handlebar to prevent rotation of the switch mounting brackets.
Do NOT tighten over any hoses or cables. - Once your switch is mounted you can route wires back to the contactor location.
- Splice the end of the red wire to an ignition controlled (keyed) power source using the supplied wire splice. You may need to use a test light or multimeter to locate a suitable wire. The wire should only have power when the key is in the ON position.
Mount the Hand Remote Socket (optional, sold separately)
- Determine a mounting location for the Hand Remote socket. Be certain the area behind the selection location is clear.
- Drill three holes as shown in the following figure and install using supplied hardware. You can also use the rubber cap attached to the remote socket as a template.

- Once your remote socket is mounted, you may route wires back to the contactor location.
- Splice the end of the red wire to an ignition controlled (keyed) power source using the supplied wire splice. You may need to use a test light or multimeter to locate a suitable wire. The wire should only have power when the key is in the ON position.
- Secure the wires with supplied cable ties.
Wiring the Winch
CAUTION: Never route electrical wires across any sharp edges, through or near moving parts, or near parts that become hot.
- Connect the yellow and blue wires to the motor terminals on the winch. Torque the nuts on the motor to 5.7 N-m (50 in lbs) Route the opposite ends to the contactor location.
- Connect the yellow and blue wires to the contactor block (yellow to yellow, blue to blue). DO NOT tighten nuts.
- Connect the red and black wires to your contactor block (red to red, black to black). DO NOT tighten nuts. Route the opposite ends to the battery location .
- Connect the mini rocker switch to the contactor block (black to black, green to green). (See diagram on page 9).
- Once all wiring is connected to the contactor, finish mounting it to the contactor location using supplied M6 hardware (See diagram page 8).
WARNING: Failure to follow specific wiring instructions may result in damage to your wiring system or equipment.
NOTICE: Depending on the location of the contactor, you may need to use an alternate winch wiring configuration. Please see the “Alternate Winch Wiring Diagram” available on: www.kfiproducts.com - Torque the contactor terminal nuts to 4.5 N-m (40 in lbs) Do NOT over tighten.
- Place all terminal boots over terminals and secure all cables with zip ties or electrical tape.
NOTICE: If you are installing the remote socket along with the mini rocker switch, you will need to connect the remote socket to the contactor and then the mini rocker switch to the remote socket. - Connect the battery leads from the contactor to the vehicle’s battery (black to black, and red to red.
- Check for proper drum rotation. Turn the clutch cap to the RELEASE position. Pull out some cable from the drum and then turn the clutch cap to the ENGAGE position to engage the gears. Make sure your vehicle is running and press the cable out button on the switch. If the spool is turning and releasing more cable, then your connections are accurate. If the spool is turning and collecting more cable, then reverse the leads on the motor. Repeat and check rotation.
CAUTION: Battery cables should not be drawn taut. Leave some slack for cable movement.
NOTICE: Always hold the bottom nut with a wrench while tightening motor wire terminals. Do not allow the bottom nut to spin, else you may damage the end cap.
Winch Wiring Diagram
Motor End Terminal Rotation
With some applications, the motor terminals may need to be rotated to avoid interference with other components. If rota-tion is required please give us a call at 1-877-346-2050 for instructions or visit our website at www.kfiproducts.com and look in the support section.
Controller Wiring Diagram
Cable Hook Stopper Installation and Use
- Release winch and pull out approximately 2 feet of cable.
- Assemble cable hook stopper as shown in diagram with the flat portion of the two halves resting against your fairlead. Tighten fasteners.
- To stow hook, engage clutch and retract cable onto winch spool until hook is snug against the hook stopper and fairlead.
- Position cable hook stopper at approx. 3/4 of the total line distance towards the hook while using your winch to help reduce whip back in the event of cable breakage.

General Tips for Safe Operation
- Your SE25 winch is rated at 2,500 lbs. capacity in first layer (max) when spooling the first cable layer on the drum. Overloads can damage the winch, motor and/or cable.
- The vehicle engine should be kept running during operation of the winch to minimize battery drain and maximize power and speed of the winch. If the winch
is used for a considerable time with the engine off the battery may be drained and too weak to restart the engine. - Get to know your winch before you actually need to use it. We recommend that you set up a few test runs to familiarize yourself with rigging techniques, the sounds your winch makes under various loads, the way the cable spools on the drum, etc.
- Inspect the cable and equipment before each use. A frayed or damaged cable should be replaced immediately. Use only manufacturer’s identical replacement cable with the exact specifications.
- Inspect the winch installation and bolts to ensure that all bolts are tight before each operation.
- Store the remote control inside your vehicle in a place that it will not be damaged.
- Any winch that appears to be damaged in any way, is found to be worn, or operates abnormally MUST
- BE REMOVED FROM SERVICE UNTIL REPAIRED. It is recommended that the necessary repairs be made by a manufacturer’s authorized repair facility.
- Pull only on areas of the vehicle as specified by the vehicle manufacturer.
- Only attachments and/or adapters supplied by the manufacturer are to be used.
Self Recovery
- Locate a suitable anchor such as a strong tree trunk or boulder. Always use a sling as an anchor point.

- Your winch is equipped with a roller fairlead to help guide the cable and to reduce binding on short side pulls.
- Do not winch from an acute angle as the cable will pile up on one side of the drum causing damage to cable and the winch.

- Short pulls from an angle can be used to straighten the vehicle. Long pulls should be done with the cable straight out from the winch/vehicle.

- When pulling a heavy load, place a cable hook stopper, blanket or jacket over the cable five or six feet from the hook.
- In the event of a cable snap it will dampen the snap back. For additional protection open the hood of the vehicle.
Winching Techniques
- Take time to assess your situation and plan your pull.
- Put on gloves to protect your hands.
- Release the clutch and free-spool the winch; it’s faster than using the switch and saves battery power.
- Attach the hook strap to the clevis hook.
- Pull out the cable to your desired anchor point using the hook strap.
- Secure the clevis hook to the anchor point: Sling, chain or snatch block. Do not attach the hook back onto the cable.
- Engage the clutch.
- Start your engine to ensure power is being replenished to the battery.
- Power in the cable guiding the cable under tension to draw up the slack in the cable. Once the cable is under tension, stand clear. Never step over the cable.
- Double check your anchors and make sure all connections are secure.
- Inspect the cable. Make sure there are at least 5 wraps of cable around the winch drum.
- Place a Cable Hook Stopper over the cable approximately 5 to 6 feet from the hook.
- Clear the area. Make sure all spectators stand clear and that no one is directly in front or behind the vehicle or anchor point.
- Begin winching. Be sure that the cable is winding evenly and tightly around the drum. The vehicle that is being winched can be slowly driven to add assistance to the winching process. Avoid shock loads; keep the cable under tension.
- The vehicle to be winched should be placed in neutral and the parking brake released. Only release the loads to the winch. This can damage the winch, cable and vehicle.
- The winch is meant for intermittent use. Under full load with a single line rig do not power in for more than a minute without letting the motor cool down for a few minutes and then resume the winching operation.
- The winching operation is complete once the vehicle is on stable ground and is able to drive under its own power.
- Secure the vehicle. Be sure to set the brakes and place the vehicle in park.
- Release the tension on the cable. The winch is not meant to hold the vehicle for long periods of time.
- Disconnect the cable from the anchor.
- Rewind the cable. Make sure that any cable already on the drum has spooled tightly and neatly. If not, draw out the cable and re-spool from the point where the cable is tight.
- Keep your hands clear of the winch drum and fairlead as the cable is being drawn in.
- Secure the hook and hook strap.
- Disconnect the remote control and store in a clean, dry place.
- Clean and inspect connections and mounting hardware for next winching operation.
- Never use the winch as a tie down.
- Use brake pedal when under full tension.
Synthetic Cable Usage
Exercising proper care to prolong the usable life of a Synthetic Cable is your responsibility.
- Minimize Cable Abrasion – Use the supplied protective sheath when the cable comes in contact with trees, rocks, or other sharp abrasive objects. The sheath is design to stay in position while the cable slips through it during use.
- Keep the Cable Clean – Dirt, sand, and debris will cause abrasion. Use the protective sheath to cover the cable on the spool once the cable is in the stowed position.
- Avoid Sharp Bends – If the cable is positioned at a sharp angle, the strength under load will decrease and cable damage or failure may result.
- Correct Spool Winding – When re-spooling cable without a load, it is always better to have someone apply a load to the line while you reel in evenly. Re-spool the cable evenly and tightly on the drum. If cable is wound loosely, it may become wedged under adjacent layers and bind.
- DO NOT Grease or Oil – Do not lubricate synthetic cable with greases or oils. Keep grease and oil away at all times.
Snow Plow Usage
Winches are commonly used to lift a Snow Plow System, but precautions and correct usage are required to prevent costly damage.
NOTICE: Follow these precautions before using your Winch to lift a Plow. Failure to do so may result in damage to your winch or vehicle frame.
- Stop the plow before full lift height – failure to do so will cause the winch to pull against itself (i.e. “bottom out”) and will cause damage to the winch components, your plow frame and your vehicle frame.
NOTICE: Winch damage such as stripped gears, broken housings and bent or damaged parts caused by exceeding your plow’s lift height are not covered under warranty. - Do not continue to hold the Spool In button to power the winch while reversing your vehicle or other instances where the operator may become distracted while plowing.
Protective Sheath
- Repeated spooling of a short length of cable will increase heat and friction where the rollers contact the synthetic cable. Minimize wear and the possibility of premature failure by SLIDING THE PROTECTIVE SHEATH BACK UP THE SPOOL.
- When the plow system is the in the DOWN position, freespool out enough additional cable that you can slide the sheath back up the spool (approx 7-8 ft more). Push the sheath back up thru the optional Cable Hook Stopper and the rollers. Re-spool the winch.
- Be sure that the sheath completely clears the roller fairlead once spooled tightly onto the winch. The sheath will wrap around several layers on the spool. Reposition the sheath back near the hook when not used for plowing.

MAINTENANCE
The owner/operator is responsible for all periodic maintenance.
Complete all scheduled maintenance in a timely manner. Correct any issue before operating the winch.
WARNING
- Never operate a damaged or defective winch.
- Improper maintenance will void your warranty.
NOTICE: For service or parts assistance, contact our help line at 1-877-346-2050.
Motor
Periodically when not used very often, or after wet / damp conditions. Be sure to run the motor in free spool until the motor is warm. This helps dry out any moisture and condensation trapped inside the housing.
Lubrication
All moving parts within the Electric Winch have been Lubricated using high temperature lithium grease at the factory. No internal lubrication is required under normal conditions.
If the winch is subjected to extreme conditions lubrication may be required using a high temperature lithium grease. Retract Cable Assembly onto drum being careful not to allow kinking or over heating of the winch.
NOTICE: Do NOT attempt to lubricate or grease the synthetic cable. Grease and oil will attract dirt and debris which cause abrasion.
Synthetic Cable Inspection
- Periodically, inspect the synthetic cable for wear. When new, it will have a smooth finish.
After normal use, the outer surface will appear slightly fuzzy. This is expected and protects the underlaying fibers.
- Once approximately 25% of the outer fibers show wear, the cable must be replaced.

- Inspect the inner and outer fibers by compressing the cable.

- Look for powdered fiber or abrasion (signs of internal wear). Consider the amount of wear on the internal fibers when determining the percent of wear for replacement.
- Glossy or glazed sections in the cable are usually caused by compression, such as the cable being wound on the drum or through a pulley block. This is considered normal.
NOTICE: If you compress a glazed section of cable and it remains hardened, then the cable has suffered heat damage and must be replaced.
WARNING: Sharp edges and rough surfaces will shorten cable life. Inspect the cable and protective sheath before use. Replace cable immediately if it has cut strands, fused or melted fibers, odd stiff sections, chemical contamination, flat areas, or lumps that cannot be eliminated after flexing the cable.
Cable Assembly Replacement
It is recommended that any modifications be performed by a manufacturer’s authorized repair facility, and that only manufacturer-supplied parts be used
- Rotate the clutch cap to the “Release” position.
- Extend Cable Assembly to its full length. Note how the existing cable is connected to the inside of the drum.
- Remove old Cable Assembly and attach new one.
- Rotate the clutch cap to the “Engage” position.
NOTICE: Inspect cable before and after each use. If cable becomes frayed it must be replaced.
SPECIFICATIONS
Performance:
- Rated Pull ………………………………….. 2,500 lb (1134 kg)
- Gear Reduction Ratio …………………………………….. 171:1
- Motor ……………….Permanent Magnet, 1.20 HP (DC 12V)
- Drum Size …………………… 1.50 x 3.15 in. (38 x 80 mm)
- Cable Dimensions …. 3/16 in. x 50 ft. (4.8mm x 15.25m)
- Net Weight ……………………………………… 24.3 lb. (11 kg)
- Mounting Bolt Pattern ………………………………………………4.88 in. x 3.00 in. (12.4 cm x 7.6 cm)
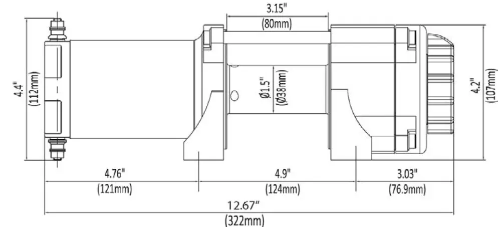
- Overall Dimensions …………………………………………………12.67 in. (L) x 4.06 in. (W) x 4.20 in. (H) (32.2 cm x 10.3 cm x 10.7 cm)
| Line Speed and Motor Current (First Layer) | ||||||
| Line Pull | LB | 0 | 1000 | 1500 | 2000 | 2500 |
| KG | 0 | 454 | 680 | 907 | 1134 | |
| Line Speed (12 VDC) | FPM | 8.86 | 7.55 | 6.23 | 5.25 | 4.27 |
| MPM | 2.7 | 2.3 | 1.9 | 1.6 | 1.3 | |
| Max Current | A | 15 | 50 | 80 | 120 | 170 |
| Run Time * | Minutes | 1 | 1 | 1 | 1 | 1 |
| Cooling Time ** | Minutes | 5 | 5 | 5 | 5 | 5 |
If the motor becomes uncomfortably hot to the touch, stop winching immediately and let it cool down for 5 minutes. Do not pull for more than one minute at or near the rated load.
Electric winches are designed and made for intermittent use and should not be used in constant duty applications.
| Line Pull and Cable Capacity Per Layer | ||||||
| Layers of Cable on Drum | 1 | 2 | 3 | 4 | 5 | |
| Rated Line Pull | LB | 2500 | 2033 | 1713 | 1480 | 1303 |
| KG | 1134 | 922 | 777 | 671 | 591 | |
| Cable Capacity | FT | 7.15 | 15.45 | 24.7 | 34.5 | 50 |
| M | 2.18 | 4.71 | 7.52 | 10.52 | 15.24 | |

Parts Diagram & List

| # | Part Number | Description | Qty |
| 1 | MOTOR-25-BL | Motor Assembly | 1 |
| 2 | HW-0002-B | Screw M6 x 20 Socket | 4 |
| 3 | HW-0003-B | Washer Ø6 | 6 |
| 4 | WP-0005-B | Tie Bar Ø10 x 85 | 2 |
| 5 | WP-0006 | Bushing, Shaft | 1 |
| 6 | WP-0007 | Shaft, Splined | 1 |
| 7 | WP-0025 | Set Screw M5 x 8 | 1 |
| 8 | WP-0004 | Drum, Steel, Standard | 1 |
| 9 | SYN19-S50 | Cable, Synthetic, 3/16″ x 50ft | 1 |
| 10 | WP-0009 | Bushing, Drum, Rear | 1 |
| 11 | WP-0010 | Washer, Thrust, Front | 1 |
| 12 | WP-0011 | Gear Ring, Output | 1 |
| 13 | WP-0012 | Gear Carrier Asm | 1 |
| 14 | HW-0004 | Circlip Ø15 | 1 |
| 15 | WP-0013 | Spring, Clutch | 1 |
| 16 | WP-0014 | Clutch Housing Cover | 1 |
| 17 | HW-0005-B | Screw M6 x 70 Socket | 2 |
| 18 | WP-0015 | Bearing 16002 Sealed | 1 |
| 19 | WP-0001 | Clutch Cap | 1 |
| 20 | HW-0006-B | Washer Ø6 Lock | 1 |
| 21 | HW-0007-B | Screw M6 x 16 Phillips | 1 |
| 22 | WP-0016 | Bushing, Axis Support | 1 |
| 23 | WP-0017 | Bearing 6002 Sealed | 1 |
| 24 | WP-0018 | Bushing, Clutch | 1 |
| 25 | WP-0019 | Washer, Above Clutch | 1 |
| 26 | WP-0020 | Cam, Clutch Gear | 1 |
| 27 | WP-0021 | Gear Housing | 1 |
| 28 | WP-0022 | Gear Ring | 1 |
| 29 | WP-0024 | Gasket | 1 |
| 30 | WP-0023 | Bushing, Motor | 1 |
| 31 | 100495 | Bracket, Fairlead, Standard | 1 |
| 32 | SE-RF | Roller Fairlead, Stealth | 1 |
| 33 | WP-0030-BLK | Hand Saver Strap, Black | 1 |
| 34 | ATV-CONT | Contactor | 1 |
| 35 | ATV-MR | Switch, Mini-Rocker | 1 |
| 36 | SE-WIRES- ATV-WIN | Wiring, Winch, ATV | 1 |
| 36.1 | WP-0092 | Terminal Protector | 4 |
| 37 | SE-WIRES- ATV-BAT | Wiring, Battery, ATV | 1 |
| 37.1 | WP-0092 | Terminal Protector | 4 |
| # | Part Number | Description | Qty |
| 38 | SE-HOOK | Clevis Hook, 1/4″ | 1 |
| 39 | ATV-SCHS | Split Cable Hook Stopper | 1 |
| 40 | SE-A-CAPKIT | Motor End Cap Assembly | 1 |
| 41 | ATV-RPS | Protective Sheath, Replacment | 1 |
| 42 | HK-500 | Hardware Kit, Black | 1 |
| 42.01 | HW-0001 | Wire Tap | 2 |
| 42.02 | HW-0014-B | Nut M6 Nylock | 4 |
| 42.03 | HW-0006-B | Washer Ø6 Lock | 4 |
| 42.04 | HW-0003-B | Washer Ø6 | 4 |
| 42.05 | HW-0013-B | Bolt M6 x 25 | 4 |
| 42.06 | HW-0015-B | Bolt M6 x 20 | 2 |
| 42.07 | HW-0010-B | Bolt M10 x 20 | 2 |
| 42.08 | HW-0011-B | Washer Ø10 Lock | 2 |
| 42.09 | HW-0012-B | Nut M10 Nylock | 2 |
| 42.10 | HW-0016-B | Washer Ø8 | 8 |
| 42.11 | HW-0009-B | Washer Ø8 Lock | 4 |
| 42.12 | HW-0008-B | Bolt M8 x 25 | 4 |
| 42.13 | HW-0018-B | Bolt M8 x 20 | 4 |
| 42.14 | HW-0017-B | Bolt M8 x 30 | 4 |
TROUBLESHOOTING
| Problem | Cause | Solution |
| Motor does not run, Contactor makes a click sound. | Incorrect Wiring | Check Winch Wiring Diagram, make sure all wires are correctly connected. |
| Incorrect Wiring | Hand Remote / Mini Rocker Switch wires must be connected green to green and black to black. | |
| Loose battery cable connections | Hand tighten nuts on all cable connections. | |
| Motor Issue | Contact KFI Technical Support | |
| Water has entered motor | Allow to drain and dry. Run in short burst with load until completely dry. | |
| Brake Spring installed backwards | Contact KFI Technical Support. | |
| Motor does not run, NO click sound from Contactor. | Incorrect Wiring | Check Winch Wiring Diagram, make sure all wires are correctly connected. |
| Switch Ignition Wire | Check connection to an ignition fed source. Must supply 12V with the key on and vehicle running. | |
| Contactor malfunctioning | Contact KFI Technical Support. | |
| Switch malfunctioning | Contact KFI Technical Support. | |
| Motor runs, Spool turns in one direction only. | Incorrect Wiring | Check wiring diagram, verify switch wires (black/ green) are properly connected and making good contact. |
| Defective or stuck Contactor | Tap contactor to loosen plungers. | |
| Defective Switch assembly | Replace Switch assembly. | |
| Contactor malfunctioning | Contact KFI Technical Support. | |
| Motor runs, Spool does NOT turn. | Clutch not engaged | Rotate Clutch Cap to Engage. |
| Broken Coupler / stripped Shaft | Replace Coupler or Shaft | |
| Spool turns, but no movement from Cable | Cable not attached to Spool | Contact KFI Technical Support. |
| Motor runs slowly or without normal power. | Insufficient current or voltage. | The battery is weak, recharge. Run winch with vehicle motor running (battery should have a strong charge). |
| Loose or corroded battery cable connections | Clean, tighten, or replace. | |
| Worn Brushes | Replace with End-Cap Kit (#SE-A-CAPKIT) Contact KFI Technical Support. | |
| Motor overheating | Winch running time too long | Allow winch to cool down periodically. |
For further support, contact:
KFI Tech Support
Mon-Thr 8:00 AM – 5:00 PM (CST/CDT) Fri 7:00 AM – 1:00PM (CST/CDT)
Toll Free: 1-877-346-2050
[email protected]
KFI Products Website Support:
Common installation, maintenance, and troubleshooting guides are available on our website.
https://www.kfiproducts.com/support.html
WARRANTY
KAPPERS FABRICATING, INC.
1 YEAR LIMITED LIFETIME WARRANTY
Warranty Qualifications
Kappers Fabricating Inc. (KFI) will register this warranty upon receipt of your Warranty Registration Card and a copy of your sales receipt from one of KFI’s resale locations as proof of purchase. Please submit your warranty registration and your proof of purchase within Fifteen (15) days of the date of purchase.
Repair/Replacement Warranty
KFI warrants to the original purchaser that mechanical components will be free of defects in material and workmanship for the usable lifetime of the product (90 days for commercial use); and electrical components will be free of defects in material and workmanship for (1) years (90 days for commercial use); from the original date of purchase. Transportation charges on product submitted for repair or replacement under this warranty are the sole responsibility of the purchaser. This warranty only applies to the original purchaser and is not transferable.
Do Not Return The Unit To The Place Of Purchase
Contact KFI’s Technical Service and KFI will troubleshoot any issue via phone or e-mail. If the problem is not corrected by this method, KFI will, at its option, authorize evaluation, repair or replacement of the defective part or component at a KFI Service Center. KFI will provide you with a case number for warranty service. Please keep it for future reference. Repairs or replacements without prior authorization, or at an unauthorized repair facility, will not be covered by this warranty.
Warranty Exclusions
This warranty does not cover the following repairs and equipment:
Normal Wear
Winches need periodic parts and service to perform well. This warranty does not cover repair when normal use has exhausted the life of a part or the equipment as a whole.
Installation, Use and Maintenance
This warranty will not apply to parts and/or labor if this winch is deemed to have been misused, neglected, involved in an accident, abused, loaded beyond the winch’s limits, modified, installed improperly or wired incorrectly to any electrical component. Normal maintenance is not covered by this warranty.
Other Exclusions
- The winch cable or synthetic cable.
- Cosmetic defects such as paint, decals, etc.
- Accessory parts such as storage covers.
- Misuse, abuse, neglect, acts of God, terrorism and causes beyond the control of KFI.
- Problems caused by parts that are not original Kappers Fabricating Inc. parts.
- Cable Stacking and Water Submersion or Damage Caused by Water.
Warranty Procedure
- Contact KFI Technical support to acquire a Return Authorization (RA) number.
- KFI may request additional materials (such as original sales receipt, date of purchase, technical details, or photos of Product condition) prior to issuing an RA number.
- At the discretion of KFI, Buyer shall mail, ship, or otherwise deliver to KFI the Warrantied Product, at the address noted below.
Limits of Implied Warranty and Consequential Damage
Kappers Fabricating Inc. disclaims any obligation to cover any loss of time, use of this product, freight, or any incidental or consequential claim by anyone from using this winch. THIS WARRANTY IS IN LIEU OF ALL OTHER WARRANTIES, EXPRESS OR IMPLIED, INCLUDING WARRANTIES OF MERCHANTABILITY OR FITNESS FOR A PARTICULAR PURPOSE
A unit provided as an exchange will be subject to the warranty of the original unit. The length of the warranty governing the exchanged unit will remain calculated by reference to the purchase date of the original unit.
This warranty gives you certain legal rights which may change from state to state. Your state may also have other rights you may be entitled to that are not listed within this warranty.
Contact Information
Address
KFI Products
Winch Customer Service
P.O. BOX 32
721 SATA DRIVE
SPRING VALLEY, MN 55975
Corporate
KAPPERS FABRICATING, INC.
P.O. BOX 32
1015 INDUSTRIAL DR.
SPRING VALLEY, MN 55975
Customer Service
Mon – Thr 8:00 AM – 5:00 PM (CST/CDT)
Fri – 7:00 AM – 1:00 PM (CST/CDT)
Toll Free: 1-877-346-2050 Opt 1
Fax No: 1-507-346-2010
E-mail: [email protected]
Technical Service
Mon – Thr 8:00 AM – 5:00 PM (CST/CDT)
Thr – 7:00 AM – 1:00 PM (CST/CDT)
Toll Free: 1-877-346-2050 Opt 2
E-mail: [email protected]
Website
https://www.kfiproducts.com



Do NOT tighten over any hoses or cables.






After normal use, the outer surface will appear slightly fuzzy. This is expected and protects the underlaying fibers.


NOTICE: If you compress a glazed section of cable and it remains hardened, then the cable has suffered heat damage and must be replaced.













