
MODEL #201104
Champion Power Equipment, Inc., Santa Fe Springs, CA USA

PARTS INFORMATION
3500W PORTABLE GENERATOR
SERIAL NUMBER RANGE: ALL
![]() | To order replacement parts please visit: shop.championpowerequipment.com or call 1-877-338-0999. |
Contents hide
GENERATOR PARTS DIAGRAM

GENERATOR PARTS LIST
| # | Part Number | Description | Qty. |
| 1 | 90001-0625-0305 | Hexagon Flange Bolt, M6 x 25, Black Zinc | 5 |
| 2 | 90408-Y020110-0005 | Flat Washer, 06, Black Zinc | 4 |
| 3 | ELYYLS-YXZJ-F000 | Fuel Tank Assembly – See Figure F | 1 |
| 4 | 18001-Z950110-00A0 | Muffler Gasket | 1 |
| 5 | 90303-0800-3305 | Flange Nut, M8, Black Zinc | 2 |
| 6 | 18100-YH90110-00A0 | Muffler Assembly | 1 |
| 7 | 18250-YGKO210-0000 | Spark Arrestor | 1 |
| 8 | 18255-YGKO110-0000 | Plate, Spark Arrestor | 1 |
| 9 | 90001-0510-03 | Hexagon Flange Bolt, M5 x 10, Black Zinc | 2 |
| 10 | 90001-0612-0305 | Hexagon Flange Bolt, M6 x 12, Black Zinc | 1 |
| 11 | 18030-Y020110-H3A1 | Bracket, Muffler Support | 1 |
| 12 | 90001-0816-0305 | Hexagon Flange Bolt, M8 x 16, Black Zinc | 2 |
| 13 | 90698-Y1Z0110-0001 | Protective Rubber Sleeve | 1 |
| 14 | ELYYLS-JJZJ-H000 | Frame Assembly – See Figure H | 1 |
| 15 | ELYYLS-DJZJ-E000 | Alternator Assembly – See Figure E | 1 |
| 16 | R210MV000FB-CMP303 | Engine, 212cc – See Figure B | 1 |
| 17 | 17003-Y110130-0001 | Bracket, Air Cleaner Support | 1 |
| 18 | 90001-0612-0305 | Hexagon Flange Bolt, M6 x 12, Black Zinc | 5 |
| 19 | 90415-0600-Z301 | Lock Washer, Toothed, Black Zinc | 1 |
| 20 | 30009-Y910110-0001 | Grounding Wire | 1 |
| 21 | 90408-0600-E305 | Flat Washer, Black Zinc | 3 |
| 22 | 90303-0600-3305 | Flange Nut, M6, Black Zinc | 1 |
| 23 | 90403-0600-0305 | Spring Washer, Black Zinc | 2 |
| 24 | 90312-0600-0301 | Wing Nut, M6, Black Zinc | 1 |
| 25 | 35610-YGKO111-H200 | Control Panel Assembly – See Figure G | 1 |
ENGINE PARTS DIAGRAM

ENGINE PARTS PART LIST
| # | Part Number | Description | Qty. |
| 1 | 90001-0612-0101 | Hexagon Flange Bolt, M6 x 12, White Zinc | 4 |
| 2 | 12410-Z950210-01A0 | Cylinder Head Cover Assembly, White Zinc | 1 |
| 3 | 12004-Z950410-00A0 | Cylinder Head Cover Gasket | 1 |
| 4 | 12003-Z010310-0000 | Cylinder Head Bolt, M8 x 60, Black Zinc | 4 |
| 5 | R210V-OGT-0000 | Cylinder Head Assembly – See Figure C | 1 |
| 6 | 30010-Z010110-0000 | Spark Plug, F6RTC | 1 |
| 7 | 13200-Z140210-00A9 | Piston Ring Assembly | 1 |
| 8 | 13122-Z010110-0000 | Circlip, Piston Pin | 2 |
| 9 | 13010-Z950110-00A0 | Connecting Rod | 1 |
| 10 | 17004-Z010310-0001 | Tube, Breather, 08 x 012 x 95 | 1 |
| 11 | 90502-1114-00A0 | Pin, 011 x 14 | 2 |
| 12 | 14071-Z950110-0000 | Valve Lifter | 2 |
| 13 | 14081-Z040110-0000 | Valve Tappet | 2 |
| 14 | 13111-Z950120-00A0 | Piston | 1 |
| 15 | 13121-Z010110-0000 | Piston Pin, 018 x 054 | 1 |
| 16 | 16400-Z0X0110-00A0 | Governor Gear Assembly | 1 |
| 17 | 90547-0205-00A0 | Bearing, 6205 | 2 |
| 18 | 37060-Z010120-0001 | Engine oil Sensor, W/O Nut | 1 |
| 19 | 90305-Z010210-0300 | Hexagon Flange Nut, M10, Black Zinc | 1 |
| 20 | 90001-0614-01A0 | Hexagon Flange Bolt, M6 x 14, White Zinc | 2 |
| 21 | 14200-Z950210-0000 | Camshaft Assembly | 1 |
| 22 | 13300-Z950111-00A0 | Crankshaft Assembly | 1 |
| 23 | 90502-0912-00A0 | Pin, 09 x 12 | 2 |
| 24 | 11001-Z440110-00A0 | Crankcase Gasket | 1 |
| 25 | 15010-Z2M0110-L400 | Oil Dipstick | 1 |
| 26 | 11411-Z530111-0BAO | Crankcase Cover | 1 |
| 27 | 90001-0832-03 | Hexagon Flange Bolt, M8 x 32, Black Zinc | 6 |
| 28 | 90682-Z300110-0001 | Oil Seal, 025 x 041.25 x 6 | 2 |
| 29 | 11310-Z531010-0BM | Crankcase Assembly | 1 |
| 30 | 11007-Z010310-0000 | Drain Plug Bolt, M10 x1.25 x15, Black Zinc | 2 |
| 31 | 90408-Z010510-00A0 | Washer, 010 x 015.8 x 1.5 | 2 |
| 32 | 90740-Z010110-0001 | Clamp | 1 |
| 33 | 19340-Z010810-0100 | Lower Shield, White Zinc | 1 |
| 34 | 90001-0616-01A0 | Hexagon Flange Bolt, M6 x 16, White Zinc | 1 |
| 35 | 28110-Z010610-L400 | Cover, Engine Fan | 1 |
| 36 | 28261-Z2M0110-0000 | Retainer Ring, Recoil Starter | 1 |
| 37 | 28200-Z141010-H200 | Recoil Starter Assembly | 1 |
| 38 | 90001-0610-03 | Hexagon Flange Bolt, M6 x 10, Black Zinc | |
| 39 | 19304-Z950120-0001 | Air Guide, Crankcase | 1 |
| 40 | 90001-0612-03 | Hexagon Flange Bolt, M6 x 12, Black Zinc | 4 |
| 41 | 90251-0618-03 | Bolts & Washer Assembly, Black Zinc | 3 |
| 42 | 30400-Z440410-0001 | Ignition Coil | 1 |
| 43 | 90001-0625-01A0 | Hexagon Flange Bolt, M6 x 25, White Zinc | 2 |
| 44 | 13510-Z440410-0000 | Flywheel | 1 |
| 45 | 19352-Z440110-0001 | Fan, Engine Cooling | 1 |
| 46 | 28002-Z1E0110-0000 | Starter Pulley, White Zinc | 1 |
| 47 | 13501-Z010110-00A0 | Flywheel Nut, M14 x 1.5, White Zinc | 1 |
| 48 | R210V-HYO-D000 | Carburetor Assembly – See Figure D | 1 |
| 49 | 17100-Z0X0110-0001 | Air Cleaner Assembly | 1 |
| 50 | 17151-Z300310-0000 | Element, Air Cleaner | 1 |
| 51 | 90305-0600-33 | Hexagon Flange Nut, M6, Black Zinc | 3 |
| 52 | 16061-Z010110-0000 | Governor Shaft | 1 |
| 53 | 90408-Z010210-00A0 | Washer, 06.2 x 015 x 0.6 | 1 |
| 54 | 90501-Z010110-0001 | Pin, Governor Arm, White Zinc | 1 |
| 55 | 16070-Z010110-0001 | Governor Arm, White Zinc | 1 |
| 56 | 16520-Z4A0111-0000 | Throttle Control Assembly, White Zinc | |
| 57 | 16063-Z010310-0100 | Spring, Governor | 1 |
| 58 | 16062-Z010210-0100 | Governor Rod, White Zinc | 1 |
| 59 | 16012-Z010310-0000 | Throttle Valve Returning Spring | 1 |
| 60 | 16072-Z010310-0000 | Governor Support Bolt, M6 x 21, Black Zinc | 1 |
CYLINDER HEAD PART DIAGRAM

CYLINDER HEAD PART LIST
| # | Part Number | Description | Oty. |
| 1 | 12109-Z810110-0000 | Valve Lock Clamp | 4 |
| 2 | 12103-Z010110-0000 | Valve Spring | 2 |
| 3 | 12101-Z810210-0000 | Seal, Inlet Valve | 1 |
| 4 | 90203-Z010110-0000 | Stud, M8 x 34, Black Zinc | 2 |
| 5 | 12140-Z950210-0BA0 | Cylinder Head | 1 |
| 6 | 12121-Z950110-0000 | Exhaust Valve | 1 |
| 7 | 12111-Z950110-0000 | Inlet Valve | 1 |
| 8 | 14318-Z950110-0000 | Rocker Shaft Assembly | 2 |
| 9 | 14310-Z950110-0000 | Valve Rocker Assembly | 2 |
| 10 | 90001-0610-03 | Hexagon Flange Bolt, M6 x 10, Black Zinc | 1 |
| 11 | 12419-Z950310-00A0 | Pin Plate, Cylinder Head Cover | 1 |
| 12 | 12112-Z810210-0000 | Retainer, Valve Spring | 2 |
| 13 | 90204-Z010210-0000 | Stud, M6 x 96, Black Zinc | 2 |
| 14 | 12131-Z950210-0000 | Cylinder Head Gasket | 1 |
CARBURETOR PART DIAGRAM

CARBURETOR PART LIST
| # | Part Number | Description | Oty. |
| 1 | 16002-Z950110-0000 | Carburetor Insulator Gasket | 1 |
| 2 | 16003-Z950110-0000 | Carburetor Insulator Plate | 1 |
| 3 | 16001-Z010110-0000 | Carburetor Gasket | 1 |
| 4 | 16100-Z950510-00M0 | Carburetor | 1 |
| 5 | 17001-Z010210-0000 | Air Cleaner Gasket | 1 |
| 6 | 90685-D080-0EA0 | Clamp, 08 x 7 x 0.6 | 1 |
| 7 | 90686-Z010810-00M1 | Tube, Fuel, 04.5 x 08.5 x 140 | 1 |
| 8 | 16112-Z010110-0000 | Seal Ring, Float | 1 |
| 9 | 16161-Z151910-00A2 | Main Jet (78#), Standard | 1 |
| 16161-Z151610-00A5 | Main Jet (75#), Altitude 3000-6000 Feet | / | |
| 16161-Z151310-00A3 | Main Jet (72#), Altitude 6000-8000 Feet | / | |
| 10 | 90681-Z010610-0000 | Seal Ring | 1 |
ALTERNATOR PART DIAGRAM

ALTERNATOR PART LIST
| # | Part Number | Description | Oty. |
| 1 | 31330-YHB0110-0000 | Rotor, AL, D160 x 130 | 1 |
| 2 | 31310-YGKO210-0000 | Stator, AL, D160 x 130 | 1 |
| 3 | 31303HY020110-0000 | Terminal Block | 1 |
| 4 | 31300-YGKO310-0000 | Alternator Assembly, AL, D160 x 130 | 1 |
| 5 | 90001-0516-0105 | Hexagon Flange Bolt, M5 x 16, White Zinc | 6 |
| 6 | 30048-YE30110-0900 | Bolt, M6 x 174, Stator | 4 |
| 7 | 30022-YGKO110-L400 | Cover, End Housing, Yellow, PMS109C | 1 |
| 8 | 90001-0512-0301 | Hexagon Flange Bolt, M5 x 12, Black Zinc | 2 |
| 9 | 30023-Y020110-0900 | Stopper, Motor Right Cover | 1 |
| 10 | 90001-0612-0305 | Hexagon Flange Bolt, M6 x 12, Black Zinc | 1 |
| 11 | 31320-YGKO110-0000 | Carbon Brush Subassembly | 1 |
| 12 | 30021-Y020310-00A0 | End Housing | 1 |
| 13 | 90408-Y020210-0001 | Flat Washer, Black Zinc | 1 |
| 14 | 30049-YE30110-0001 | Bolt M8 x 230, Rotor | 1 |
| 15 | 30060-YGKO110-0000 | Rectifier | 1 |
FUEL TANK PART DIAGRAM

FUEL TANK PART LIST
| # | Part Number | Description | Oty. |
| 1 | 37200-YGKO110-00A0 | Fuel Gauge | 1 |
| 2 | 16730-YGM0110-00A0 | Fuel Tank Cap | 1 |
| 3 | 16652-YGM0110-00A0 | Fuel Filter | 1 |
| 4 | 15150-YGKO110-00A0 | Valve, Reversal | 1 |
| 5 | 16750-Y020211-0001 | Valve, Fuel Shutoff with Filter | 1 |
| 6 | 90685-D080-OEAO | Clamp, 08 x 07 x 0.6 | 1 |
| 7 | 30431-Y020110-0001 | Rubber Sleeve, Fuel Tube | 1 |
| 8 | 16601-Y020120-0001 | Vibration Mount, Fuel Tank | 4 |
| 9 | 90683-Y020110-0005 | Bushing, White Zinc | 4 |
| 10 | 16620-YGKO110-L4A0 | Fuel Tank, 17.8 L | 1 |
| 11 | 90740-Z010610-00A1 | Clamp, 09 | 1 |
| 12 | 16804-Y1K0210-0001 | Tube, Vent, 04.5 x 08.5 x 685 | 1 |
| 13 | 30431-YCM0310-0001 | Rubber Sleeve, Vent Tube, 09.5 x 011 x 150 | 1 |
| 14 | 90685-D105-0EA0 | Clamp, 010.5 x 00.5 x 8 | 1 |
OUTLET PANEL PART DIAGRAM

OUTLET PANEL PART LIST
| # | Part Number | Description | Qty. |
| 1 | 35601-YGKO110-0200 | Control Panel Housing | 1 |
| 2 | 30008-YGKO210-0000 | OVP Module | 1 |
| 3 | 35632-YGKO110-0000 | Intelligence, VFT-2 | 1 |
| 4 | 31234-YBE0210-0000 | 20Amp Circuit Breaker, Push Button, 125/250V | 1 |
| 5 | 35654-YGKO110-0000 | Cover, Circuit Breaker | 2 |
| 6 | 35614-Y4D0110-0000 | L5-30R Receptacle, 30A, 125V | 1 |
| 7 | 35614-Y2D0110-0000 | TT-30R Receptacle, 30A, 125V | 1 |
| 8 | 356141730110-0000 | 5-20R Duplex Receptacle, 20A, 125V | 1 |
| 9 | 35654-YBE0110-0000 | Cover, Receptacle 5-20R | 1 |
| 10 | 35660-YGKO110-0000 | Wire Harness | 1 |
| 11 | 35160-Y450110-0000 | Switch, Engine | 1 |
| 12 | 35650-M0110-H200 | Control Panel | 1 |
| 13 | 31234-M0110-0000 | 30Amp Circuit Breaker, Push Button, 125V/250V | 1 |
| 14 | 35654-MO210-0000 | Receptacle Cover, L5-30R | 1 |
| 15 | 35654-M0310-0000 | Receptacle Cover, TT-30R | 1 |
| 16 | 90305-0400-71A0 | Hexagon Flange Nut, M4, White Zinc | 8 |
FRAME ASSEMBLY DIAGRAM

FRAME ASSEMBLY PART LIST
| # | Part Number | Description | Oty. |
| 1 | 90305-0800-3305 | Hexagon Flange Nut, M8, Black Zinc | 8 |
| 2 | 51005HY020120-0000 | Vibration Mount 1, Frame | 2 |
| 3 | 51011HY020120-0000 | Vibration Mount 2, Frame | 2 |
| 4 | 51100-YGKO510-H2A0 | Frame | 1 |
| 5 | 90305-0600-0302 | Hexagon Flange Nut, M6, Black Zinc | 4 |
| 6 | 51014HY020120-00A0 | Support Leg, Frame | 4 |
| 7 | 90007-0616-A305 | Hexagon Flange Bolt, M6 x 16, Black Zinc | 4 |
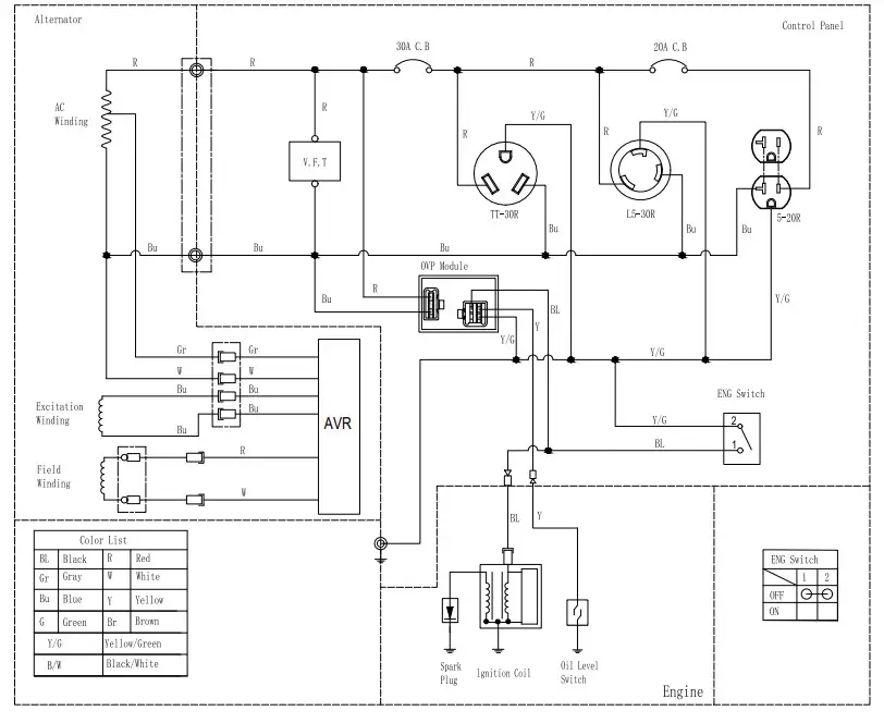
WIRING DIAGRAM

201104 – 3500W PORTABLE GENERATOR




















