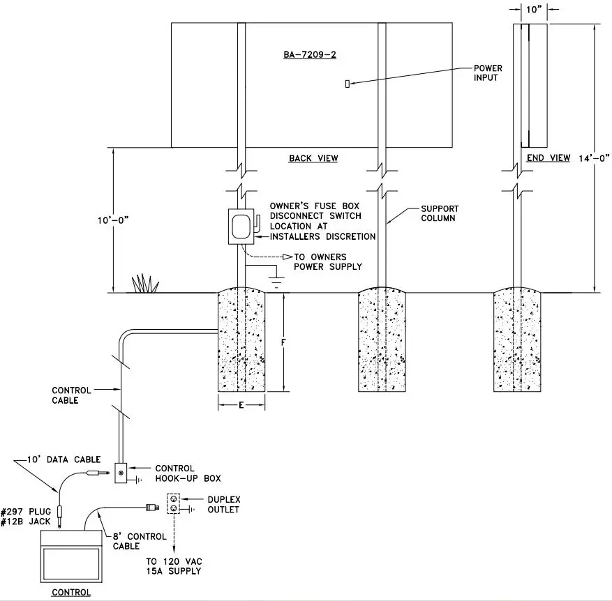
FAIR-PLAY BA-7209-2 Baseball Scoreboard

DIMENSIONS

- COLUMNS AND FOOTINGS SHOWN HERE, PROVIDED BY OTHERS, ARE SIZED TO COMPLY WITH IBC 2006 90 MPH EXPOSURE 8 REQUIREMENTS. THE
- MANUFACTURED PRODUCT EXCEEDS THE REQUIREMENTS OF IBC 2006 90 MPH EXPOSURE 8 AS MOUNTED IN THIS DRAWING. SOIL- AVERAGE WITH ALLOWABLE STRESSES OF 2500 psf. DESIGN SHOULD BE ALTERED FOR DIFFERENT SOIL CONDITIONS, CLEARANCE, OR LOCAL CODES. FAIR-PLAY ASSUMES NO RESPONSIBILITIES FOR INSTALLATIONS DONE BY OTHERS.
- CONTROL CABLES- SUGGEST 3/ 4″ CONDUIT BE USED FOR BURIED CABLE IN AREAS WHERE IT MAY BE SUBJECT TO MECHANICAL DAMAGE. POWER WIRES SHOULD BE ROUTED IN SEPARATE CONDUIT FROM CONTROL CABLE.
- INSTALLATION DRAWING SHOULD BE REVIEWED BY A LICENSED PROFESSIONAL ENGINEER IN YOUR AREA PRIOR TO CONSTRUCTION.
- REFERENCE 01-0500-01 FOR INSTALLATION NOTES

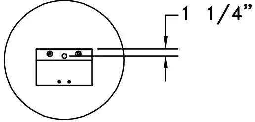
DETAIL A

CUSTOMER APPROVAL

THIS DOCUMENT CONTAINS FAIR-PLAY PROPRIETARY INFORMATION. ANY DISCLOSURE, USE OR DUPUCATION OF THE DOCUMENT
• OR OF ANY INFORMATION CONTAINED THEREIN FOR OTHER THAN THE SPECIFIC PURPOSE FOR WHICH IT WAS DISCLOSED IS
EXPRESSLY PROHIBITED, EXCEPT AS MAY BE OTHERWISE AGREED TO IN WRmNG. COPYRIGHT 2022.




















