FAIR-PLAY BB-1725-4 Basketball Scoreboard Instructions
Connections

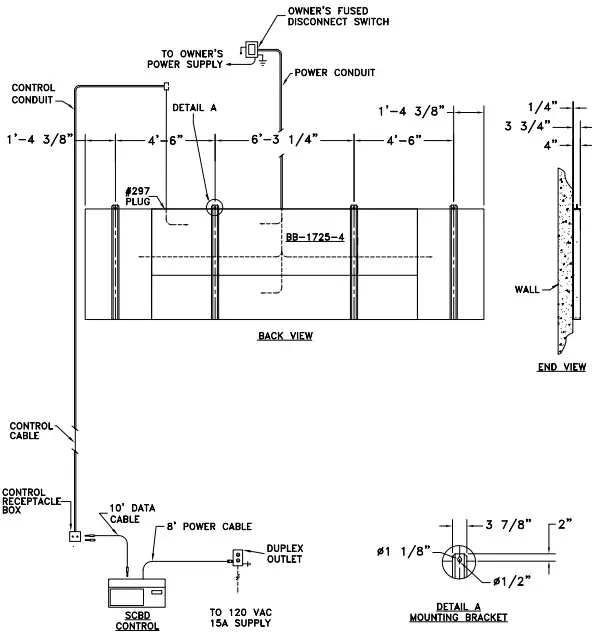
NOTES: POWER WIRES SHOULD BE ROUTED IN SEPARATE CONDUIT FROM CONTROL CABLE. SUGGEST 1/2″ CONDUIT FOR CONTROL.
VENTILATION- THE SCOREBOARD BACK INCORPORATES FANS FOR AIR CIRCULATION. INSTALL SCOREBOARD SO AIR FLOW IS NOT RESTRICTED.
ATTACHMENT TO WALL- USE 3/8″ TOGGLE BOLT WITH WASHER FOR TILE WALL, OR 3/8″ EXPANSION BOLT WITH WASHER FOR MASONRY WALL.
FAIR-PLAY ASSUMES NO RESPONSIBILITIES FOR INSTALLATIONS DONE BY OTHERS.
- REFERENCE 01-0500-01 FOR INSTALLATION NOTES.
| CUSTOMER APPROVAL: | MY SIGNATURE BELOW SIGNIFIES MY APPROVAL TO PROCEED WITH THE DESIGN WORK SPECIFIED HEREIN AND ACKNOWLEDGEMENT THAT I HAVE RECEIVED AND READ THE INSTALLATION SPECIFICATIONS CONTAINED IN FAIR-PLAY DOCUMENT NO. 01-0500-01. CONSULT YOUR FAIR-PLAY SALES ASSOCIATE IF YOU SHOULD HAVE ANY QUESTIONS OR REQUIRE ANY CHANGES TO THIS DOCUMENT. | |
| PROJECT: | SIGNATURE: | DATE: |
| REFERENCE #: | PRINT NAME: | |
THIS DOCUMENT CONTAINS FAIR-PLAY PROPRIETARY INFORMATION. ANY DISCLOSURE, USE OR DUPLICATION OF THE DOCUMENT OR OF ANY INFORMATION CONTAINED THEREIN FOR OTHER THAN THE SPECIFIC PURPOSE FOR WHICH IT WAS DISCLOSED IS EXPRESSLY PROHIBITED, EXCEPT AS MAY BE OTHERWISE AGREED TO IN WRITING. COPYRIGHT 2022.
| Mt INSTALLATI❑N FOR BB-1725-4 | Drawn BY Bew | B | MODELBB-1725-4 |
| DATE 01-19-17 | DWG No01-1725-03-2 | ||
| A | UPDATED TITLE BLOCK | 09-20-22 | BEW |
| OR | ORIGINAL RELEASE | 01-19-17 | BEW |
| REV .REV . # | CHANGE | DATE | BY |
















