POWER-LITE O18W-MS 5.8GHz Microwave Motion Sensor

Detached, DIP switch
- 5.8GHz microwave motion sensor with dimmable function.
- Suitable for Tri-Proof light.
- Detached version flexible installalion.
- Constant current output.
- 3 year limited warranty.
Detection coverage
The Diagram as below shows the detection radius under 100% of detection range

Technical data
| Input voltage | 220~240VAC 50/60Hz |
| Input current | 0.12A(Max) |
| Input power | 24W (Max) |
| Stand-by power | ≤ 1W (230VAC) |
| Output LED current | 300mA |
| Output LED voltage | 28V~42V DC |
| Output LED power | 12W |
| Detection area | 50%/100% |
| Hold time | 5s/90s/3min/10min |
| Daylight threshold | 15 Lux/Disable |
| Stand-by period | 0s / 30s / 10min / + ∞ |
| Stand-by dimming level | 10%/25% |
| Microwave frequency | 5.8GHz±75MHz |
| Microwave power | <0.3mW |
| Mounting height | 2.5-4.5m (ceiling mounted) |
| Detection range | Radius, 3-7m (ceiling mounted) |
| Empty load voltage | ≤ 55VDC |
| Power factor | ≥ 0.9 |
| Efficiency | ≥ 80% (Max.) |
| Operating temperature | Ta: -20°C~50°C Tc: 80°C |
| Abnormal protection | SCP: Auto recovery, OVP, OCP, OTP |
| IP rating | IP20 |
Factory Default Setting: Detection area 100%/ Hold time 5s/ Daylight threshold Disable/Standby period 0s/ Stand-by dimming level 10%.
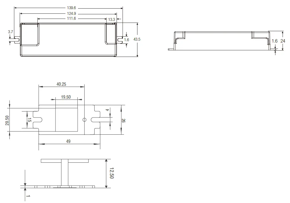
Mechanical structure

Dimensions (Unit: mm)

Wiring diagram

Settings

Detection area
In this area, movement will be detected and able to trigger the sensor. 100% detection area is also known as the strong sensitivity
| 100% | |
| 50% |
Hold-time
The period of light stays at 100% brightness after moving objects leave the detection area.
| 5s | ||
| 90s | ||
| 3min | ||
| 10min |
Daylight threshold
Definition of the ambient brightness; only when the ambient brightness is lower than the preset specific lux amount, the sensor will work; when it’s preset as “disable”, the sensor works everytime it detects motion regardless of the
ambient brightness.
| 15lux | |
| Disable |
Stand-by period
The period of light keeping low output before it’s completely switched off. When it’s present as , the light always keeps at low output if there is no movement in the detection area and doesn’t turn off.
| 0s | ||
| 30s | ||
| 10min | ||
| +oo |
Mode selection
Sensor mode on when the DIP switch is up; sensor mode off when the DIP switch is down.
| Sensor work | |
| Sensor diseble |
Stand-by dimming level
The definition of low output in the standby period.
| 10% | |
| 25% |
Application
Automatically ON/OFF function:
Light on when detect movement and off after people leave at night. Applications: Corridor, Staircase. The daylight threshold is set to “2lux,10lux,50lux”

No Daylight Function
The daylight threshold is set to “Disable”.
Light on when detect movement, After people leave, Light off after stand-by period.
Applications: Dim places such as Basement Parking, Underpass.

Function Demo – Dimmable control/Corridor function

Attention
- Please read the instructions carefully before using this product and keep it well for all users to read at any time.
- The sensor should be installed by qualified electrician and ensure power is off before the installation.
- We reserve the right to modify any incorrect text, image and necessary technical parameters.
- Any unauthorised modification is forbidden, otherwise all guarantees will be immediately invalid.
Installation precautions
- Microwave sensor can be installed in any lamp except the one with full metal shell.
- The detected surface cannot be shielded by metal objects.
- Make sure the microwave module is completely exposed outside.
- The detection surface of the sensor module shall be installed facing the detection area.
- Should be kept away from the driver to avoid interference generation and lamp flashing.
- Wiring must be strictly in accordance with the wiring diagram to avoid short circuit.
Application Environment
- Suitable for indoor installation to avoid false triggering due to external factors such as rain, wind or tree swing.
- Shall not be installed in the place with all four metal shelters and small space (such as galvanised iron roof).
- Shall note be mounted installation, so as to avoid false trigger caused by the lamp itself shaking.
- Shall not be installed next to large operating machines such as ventilator/ceiling fan to avoid false triggering caused by machine vibration.
User Notes
- Microwave can penetrate walls or glass thinner than 20cm and attenuate if thicker than 20cm.
- The driver voltage shall be stable and float within 10%.
- Detection area will be affected by speed of motion, mounting height and movement volume.
- Conduct test on sunny days without the lampshade which will affect the tested lux value.
1800 909 306
nedlandsgroup.com.au
[email protected]

















