Operating Manual
FOR MODELS:
LDG12S, LDG12S3
INTRODUCTION
Thank you for purchasing our product.
This product is guaranteed against faulty manufacture for a period of 24 months from the date of purchase. Please keep your receipt as proof of purchase.
This guarantee is invalid if the product is found to have been abused or tampered with in any way, or not used for the purpose for which it was intended. Faulty goods
should not be returned to the place of purchase, the generator should be returned to the supplier of the product. No product can be returned without prior permission. This guarantee does not affect your statutory rights.
When contacting WPE about parts and/or service, you will need to supply the complete model and serial numbers of your product. Transcribe the information found on your product’s nameplate label to the table below
WPE TECHNICAL SUPPORT TEAM
44(0)1942 715 407
MODEL NUMBER
SERIAL NUMBER
DATE OF PURCHASE
PURCHASE LOCATION
IMPORTANT
- Children should be kept at a safe distance from the generator and NEVER allowed to operate it.
- Your new generator needs a break in period of approx. 10 hours with NO more 75% maximum load being applied. After first 10 hours the oil MUST be changed, recommended oil 10W30 low or Non Synthetic.
- Don’t touch the engine or muffler while generator is in operation. Please pay attention to warning and caution stickers on the generator.
- Electrical equipment (including cable and plug connecting component) should be in good condition before starting and inspected prior to use.
- If replacing circuit breaker it must be equivalent or better in specification of the one to be removed.
- Due to high mechanical stress, only rubber sheathed cables are recommended to be used.
- When using extension cords or mobile distribution cabinet, the wire with 1.5mm2 cross section should not be longer than 50 metres; and for 2.5mm2 cross section wire should not be longer than 100 metres in length.
- With manual starting, always use decompression lever. (ONLY on Open Frame Type)
- On standard working ambient conditions (minus 5 to 40 degree Centigrade), the generator can be operated at normal running loads. If the working condition of circumstance are not normal either too high or too low, the generator should be run at a lower output of no more than 75% maximum load. When temperature, altitude and humidity is higher than standard working condition, the generator MUST reduce the output load to no more than 75% maximum load.
- Before any inspection or maintenance of the generator, the engine must be stopped and allowed to cool for a minimum 30 minutes. Check and maintain the generator according to the period table and schedule sheet in the manual.
- Except the daily maintenance or cleaning, any inspection or readjustment should be conducted by authorized professional person and source the requested original components by them from the supplier. (Contact your local dealers).
- Your newly overhauled machine must
FEATURES
WPE Diesel generator possesses the following features:
This series diesel generator adopts super-light type, air cooled, 4-stoke direct injection diesel engine and has twostarting options:
- Recoil start
- Electric start.
They are equipped with large capacity fuel tank, circuit protector, A.C and sometimes D.C voltage outputs, low oilpressure alarm and automatic stopping device.
The diesel generator serves as an UPS stand-by power supply in many different applications including open working site, construction and field army. Emergency power of poultry farm, fishery, forestry, garden, hotel, shop, and office.
This operation manual tells you how to operate and service your new diesel generator. Please read it before using the diesel generator to ensure proper handing and operation. Following these instructions carefully will keep your diesel generator in the best working condition, allowing to prolong the life of your diesel generator.
If you have any questions concerning your new product or any of the information given in this manual, please contact 44(0)1942 715 407.
PARAMETERS
The generators can generate specified power when used in the following conditions:
Altitude: < 1000m
Ambient Temperature: 5 to 40°C
Relative humidity: <90%
WARNING
Exhaust/mufflers and gases are very hot to touch. DO NOT add or install any exhaust/muffler extensions, by doing so you will void any warranty offered.
Preventing burns
NEVER touch or handle exhaust/muffler, engine when generator is running or hot, always leave approx 30 minutes for the exhaust/muffler & engine to cool before handling.
IMPORTANT
Please read and understand this operation manual to insure safe operation, and pay high attention to the following main points of operation otherwise it may cause personal injury and damage to equipment. Preventing fires
The fuel of diesel engine is light diesel fuel , so gasoline, kerosene etc. must NEVER be used. Wipe away all fuel spills with a clean cloth. Keep gasoline, kerosene, matches and other explosives and inflammable substance away from the generator, because the temperature around the exhaust muffler is very high during operation. To prevent fire hazards and to provide adequate ventilation, keep the generator at least 1.5 meter away from buildings, structures and other equipment during operation.
Operate the generator on a flat level surface, there may be fuel spillage or poor operation if the generator is tilted. Preventing exhaust gas inhalation Exhaust gas contains poisonous carbon monoxide.
Always use the generator in outdoor locations minimum 1.5m anyway from window, doors or opening. Generators MUST never be used indoors, in garages, cabins, out building, sheds or any confined spaces including vehicles and vehicle compartments. Electric shocks, short circuits In order to avoid electric shocks or short circuit, do not
touch the generator, when either it or your hands are wet. This generator is not waterproof , so it should NEVER be used in a place exposed to rain, snow or water sprays.
The generator should be ground to prevent electric shocks. Please connect a length of heavy wire between the generator’s ground terminal and an external ground device, ground rod or stake – minimum 200mm deep.
Do not connect any equipment to the generator before you start it.
WARNING
Most appliance motors require more than their rated wattage for start up. Do not exceeded the current limit specified for any one socket.
Charging the battery Battery electrolyte contains sulphuric acid. Protect your eyes, skin and clothing. In case of contact, flush thoroughly with water and get prompt attention, especially if your eyes are affected. Batteries generate hydrogen gas, which can flames or sparks near a battery, especially during charging. Charge the battery in a fully ventilated area.
WARNING
Know how to stop the generator quickly, and understand how to operate all of the controls. Never permit anyone to operate the generator without proper instruction.
Always wear a helmet, safety shoes and proper clothing. Keep pets and children away from the generator when it is in operation.
PREPARATION BEFORE START
Selection and handling of fuel
- Only light diesel fuel can be used.
- The fuel must be filtered .
- Fuel should be free of water or dust because these can contaminate the fuel injection system.
- Do not overfill the tank beyond the top of the red plug inside the fuel tank filter, use fuel gauge on top of tank.
- Do not smoke and allow sparks in the area where the engine is refueled or where gasoline is stored.
- Do not spill fuel when refueling, make sure the filter cap is securely closed.
Selection and handling of oil
- Check oil level before every operation.
- Set the generator on a level surface.
- Open the door to find the oil dip stick.
- To check the oil level, simply dip the dipstick into the pan. Do not screw in the dipstick when checking.

NOTICE
Nothing effects the performance and durability of the generator more than the oil you use. If inferior oil is used or if your engine oil is not changed regularly, the risk of piston seizure, piston ring sticking and accelerated wear of the cylinder liner, bearings and other moving components increase significantly.
- Make sure to check the oil level and to refill with oil to the specified level before starting the generator, even though it is equipped with a low oil pressure warning system.
- If your generator doesn’t start by the 5th attempted or starts and cuts out, your oil level is to low and needs to topped up.
NOTICE
Oil should be changed after the first 20 hours (or 1 month) of use and then every 3 months or 100 hours of use.
Be sure to drain the oil while the engine is warm but not hot . It is difficult to drain the oil completely after cooling.
WARNING
NEVER add or attempt to change oil into the generator while the engine is running.
Check air filter
- Loosen the wing nut, detach the cover of air cleaner and remove the element. Do not wash air cleaner element with detergent . Use water or petrol (MUST allow to dry before replacing).
- The air cleaner element must be changed when the output of engine decreases or the color of exhaust is abnormal.
- Never run the generator without the air cleaner element. This may cause rapid engine wear.
- Reattach the cover of air cleaner and tighten the wing nut.
Ensure no load on generator
- Turn off the main circuit breaker and any other loads.
- Be sure to turn off the main circuit breaker before starting the generator. If the switch is not on the “OFF“ position, sudden application of load could be very dangerous, when the diesel engine is started.
- The generator should be earthed to prevent electric shocks. (Recommended).
Handling of dual voltage type generator
- Operation of change over switch: The AC circuit breaker on the control panel must be set to ‘OFF’ position before running the machine. After starting the generator, allow the speed to reach rated RPM and then turn the AC circuit breaker to the “ON” position, so that the receptical sockets can be used for operating equipment.
- NEVER try to switch between voltages when the AC circuit breaker is ON and equipment plugged IN.
- Set the main AC circuit breaker to the “OFF” position when using the 12v DC power supply.
Check for Airlock
WARNING
The FUEL and engine OIL are drained off by factory prior to transportation. Generators are dry for storage.
- Check for airlock in fuel pipeline, and find whether there is air mixed into the pipeline, if yes, drain away the air from the pipeline before refuel and start the diesel engine.
- Fuel filter should be minimum 75% full, if not then air may be present in system.
- The method to remove is, loosen the 17mm gland nut connection between injecting pump and high pressure brass pipeline, put run lever to “RUN” position and turn over the engine until fuel starts to jet out.
- Replace and re-tighten 17mm gland and repeat the process if engine still does not start.
OPERATION
Low oil warning system
- Device works to stop the engine automatically when the oil pressure falls below the regulatory level and will prevent engine seizure when the engine oil is running low or engine pressure is lost.
- The oil temperature will rise high if the engine is operated with insufficient engine oil. On the other hand, too much oil is dangerous because the oil may combust and cause a sudden and excessive rise in engine rpm, so before operating the machine each day be sure to check the oil and fill oil to the specified level if necessary.
Opening the cabinet door and cover.
Opening the cabinet door and raise the door and check daily.
- Turn the handle anticlockwise to open cabinet door.
- Turn the handle clockwise to lock cabinet door.
Break-in operation
While your generator is still new, application of heavy loads may shorten the life of the engine. Follow the breakin procedures during the first 20 hours.
- Avoid applying any heavy load during the break-in period.
- Change engine oil regularly. Change the engine oil every 20 hours or one month after the initial use, and every 3 months or 100 hours thereafter.
Starting the generator
Electric Start
- Turn the AC circuit breaker switch to “OFF” position,
Make sure the generator is grounded recommended 200mm earth rod.
- Turn the starting key to the “Sart” position. (for no more than 8 seconds).
- Remove your hand from teh key as soon as teh engine starts and let the key return automatically to the initial position.
WARNING
If the starting motor soesnt start, please wait at least 30 seconds before attempting to start again.
WARNING
Please Note: If the starting motor is run for too long it will flatten the battery.
Battery
Check the level of the fluid in the battery once every month. When the level drops to the lower upper mark replenish with distilled water up to the upper mark.
If battery fluid is low, the engine may fail to start because too little electricity is reaching the starter motor. Always keep the fluid level between the upper level and lower level.
If too much battery fluid is applied, the fluid may spill and corrode the surrounding parts. DO NOT over fill. Batteries are only covered by a 1 year warranty from original date of purchase.
Operating your generator
- Warm up the engine without load for about 3 minutes
- Our generator is equipped with low oil warning system. The engine will stop automatically in case of low oil pressure or a lubrication oil shortage. The engine will stop immediately if restarted without a lubrication oil refill. To check the oil level and refill
- Do not loosen or readjust either the engine speed limiting bolt or fuel injection limiting bolt (They have been factory set) otherwise performance and fuel economy will be affected.
Check during operation
- Any abnormal sound or vibration?
- The engine misfiring or running rough.
- What about the color of the exhaust gas? (Is it black or too white?)
If you notice any of the above phenomenon, stop the engine and consult your nearest dealer or contact technical support on 44(0)1942 715 407.
AC Operation
- Start the engine and make sure the ‘GREEN’ pilot lamp turns on. If it does not, the filament may be burnt out.
- The speed of generator must reach rated speed (lever at top).
- Generator can load when the indicator of voltmeter shows at 240±10% (50Hz) on the panel of control box.
- Plug in the appliance.
WARNING
Do not start two or more machines simultaneously.
Start them one by one. Do not use floodlights together with other machines. - Be sure that all pieces of equipment are in good working condition before connecting them to the generator.
- If an appliance or piece of equipment begins to operate abnormally, becomes sluggish, or stops suddenly, turn off the generator immediately. Then disconnect the appliance and examine it for signs of malfunction.
- If overloading of the circuit trips the AC circuit protector, reduce the electrical load on the circuit, and wait a few minutes before resuming operation .
- If the LCD display voltmeter is too low or too high, stop the machine and examine it for cause of fault.
Stopping the generator
- DO NOT stop the generator when it is under load. It will damage the generator.
- Turn off the AC circuit breaker.
- Leave the engine speed lever in the “RUN” position, operate the engine without load for approx 3 minutes,
DO NOT stop the engine suddenly because this may cause the temperature to rise abnormal and cause the nozzle to damage and seize the engine. - Turn the ignition key anticlockwise to “OFF” position .
MAINTENANCE
Periodic check and maintenance are very important for keeping the engine in good condition. Please read the detailed description of operating manual for each part.
Shut off the engine before performing any maintenance.
If the engine must run, make sure the area is well ventilated. The exhaust contains poisonous carbon monoxide gas.
After the engine has been used, clean it immediately with a cloth to prevent corrosion and remove sediment.
DAILY
| Check oil level | |
| Check and replenish fuel | |
| Check for oil leakage | |
| Battery Liquid | |
| Air Cleaner | |
| Check and tighten and engine parts if loose |
FIRST 20 HOURS
| Change oil | |
| Clean Oil Filter |
EVERY 100 HOURS OR 3 MONTHS
| Chain oil | |
| Change oil filter | |
| Change fuel filter | |
| Clean Air Filter | |
| Check/Adjust valve clearance* |
EVERY 2 YEARS
| Replace fuel line* |
* Special tools or skills are required – please do not attempt yourself – consult Technical Support on 44(0)1942 715 407.
Changing engine oil (Every 100Hrs)
Refill with the recommended oil 10W30 Non or part synthetic.
- Open left door, use the fork to release the drain plug (don’t take out screw), put the oil guide groove under the drain plug, let its outlet connect with oil container, then completely remove the oil drain plug.
- Begin to release out the oil and when the oil sump is empty, if necessary, use the diesel to clean the inside of the cylinder block.
- Replace the drain plug.

- Move the plastic rounded lid on the top of generator, unscrew the cylinder head oil cap, fill the oil until reach the oil gauge max limited in the end screw back the cylinder head stud.
Cleaning the air filter (Every 100 hours)
Move the upper plate and back cover of the generator, you will see the air cleaner. release the clip, unload the lower half part of the air cleaner, and take out the filter element in the middle; wash the filter element with diesel fuel and put it back in the air cleaner after it is dry.

Checking and replenishing battery fluid and charging and battery (Monthly)
This diesel engine uses a 12v battery. The battery fluid will be lost through continuous charging and discharging.
Before starting , check for physical damage to the battery and also the electrolyte level, and replenish with distilled water up to the upper mark if necessary. When actual damage is discovered , replace the battery immediately. Batteries are covered by 12 months warranty from the original date of purchase.
STORAGE
If your generator should be stored in long time, the following preparation should be made.
- Operate the diesel engine about 10 minutes with NO load and stop it.
- Wait approx. 10 mins when the engine is still warm, drain engine oil out, then refill new 10W30 engine oil.
TROUBLESHOOTING
| Problem | Cause | Solution |
| Engine will not start. | No fuel. | Add fuel. |
| The battery is flat | Recharge or replace | |
| Check oil level | Add oil if needed | |
| Valve clearance is not correct | Adjust the clearance as per operational manual | |
| Piston ring worn or rings in wrong place | Change and adjust piston ring | |
| Bolts of cylinder head are not tight | Tighten the bolts | |
| Engine is running but no output. | AC circuit breaker is turned ‘OFF’ | Put the main AC switch to the “ON” position |
| The contact of socket is not good | Adjust the feet of socket | |
| AVR is broken | Replace AVR | |
| Other. | Contact Technical Support 44(0)1942 715 407. |
TECHNICAL SPECIFICATIONS
| MODEL: | LDG12S | LDG12S3 |
| Type | Single Phase A.0 | 3 Phase |
| Frequency (Hz) | 50/60 | 50/60 |
| Rated Power (kW) | 10 | 13 |
| Max Power (kW) | 11 | 14 |
| Voltage (A.C) | 110,115.120.220.230.240.110/220,115/230.120/240 | 220/380 / 230/400 |
| Power Factor | 1 | 0.8 |
| Engine Type | 290 F | |
| Type | 4 Stroke, Twin cylinder, air cooled | |
| Speed (rpm) | 3000/3600 | |
| Start System | Electric Start | |
| Fuel | Diesel | |
| Fuel Capacity (L) | 60 | |
| Operation capacity (hr) | <12/11.5 | |
| Nett Weight (kg) | 295 | I 300 |
| Dimensions (Lx W x H) mm | 1160 x 675 x 945 | |
WARRANTY
We at Warrior understand the importance of warranty for service & repair, we are now offering a standard 2 Year (Warrior Diesel Generators) without the need for registering your purchase. We still have the option for product registration for customer who still would like to use the website and to keep in touch with ourselves.
Please view the limitations below and read the full T&C’s about the warranty offered on a particular product.
All we require is the either a copy of the original proof of purchase or an invoice supplied from retailer at the time of purchase to enable the claim to be raised. Please keep your proof of purchase safe for the duration of your terms, in the unfortunate event you need our technical support we will ask for this to be provided on each claim, NO proof of purchase any warranty claim will be delayed or rejected.
Repair / Replacement Warranty
Warrior branded diesel generators warrants to the original purchaser up to 2 Years for domestic usage that the mechanical and electrical components will be free of defects in material and workmanship for a period of Year One (1) [Parts and Labour] Year Two (2) [Parts Only] from the original date of purchase or 1000 hours which ever comes first.
Industrial & Commercial Use
One Year (1) [Parts and Labour] or 500 hours which ever comes first.
Transportation charges on any product submitted for repair or replacement under this warranty are the sole responsibility of the purchaser. This warranty only applies to the original purchaser and is not transferable.
Do Not Return the Unit to the Place of Purchase
Contact Warrior Technical Service and we will troubleshoot any issue via phone or e-mail. If the problem is not corrected by this method, Warrior will, at its option, authorise evaluation, repair or replacement of the defective part or component at our own Service Center. If and when an product has to be replaced it will be on a like for like basis not old for new. Warrior will provide you with a case number for warranty service and this can be monitored through your login account. Please keep it for future reference. Repairs or replacements without prior authorization, or at an unauthorized repair facility, will not be covered by this warranty. We do have warranty exclusions for customers outside the United Kingdom please see our full T&C’s.
Warranty Exclusions
This warranty DOES NOT cover the following:
Normal Wear
Your product needs periodic parts and service to perform well. This warranty does not cover repair when normal use has exhausted the life of a part or the equipment as a whole.
Installation, Use and Maintenance
This warranty will not apply to parts or labour if your product is deemed to have been misused, neglected, involved in an accident, abused, overloaded beyond the generator’s limits, modified, installed improperly or connected incorrectly to any electrical component or system. Normal maintenance is not covered by this warranty.
Other Exclusions
This warranty excludes:
- cosmetic defects such as paint, decals, etc.,
- worn parts including piston & rings, spark plugs, filters
- accessory parts including wheels & recoil assemblies
- failures due to acts of God and other force majeure events beyond the manufacturer’s control
- problems caused by parts that are not original Warrior Power Equipment parts
- alteration or modification(s) made by any party other than the manufacturer including exhaust extension and filtration systems.
- all hoses plastic or rubber, reducing valves and regulators
- any third party electrical equipment
12v Battery
- All batteries supplied Over 1 Year Old.
Suitable Transfer Switch
Any MTS (Manual Transfer) & ATS (Automatic Transfer) systems other that ones supplied by ourselves under WARRIOR or Warrior will not be considered suitable and will invalidate all warranties given. Please contact us direct before installing any Transfer system.
Limits of Implied Warranty and Consequential Damage
Winch Solutions Ltd (CG) disclaims any obligation to cover any loss of time, use of this product, freight, or any incidental or consequential claim costs by anyone using this product.
THIS WARRANTY IS IN LIEU OF ALL OTHER WARRANTIES, EXPRESS OR IMPLIED, INCLUDING WARRANTIES OF MERCHANTABILITY OR
FITNESS FOR A PARTICULAR PURPOSE.
A unit provided as an exchange will be subject to the warranty of the original unit. The length of the warranty governing the exchanged unit will remain calculated by reference to the purchase date of the original unit. This warranty gives you certain legal rights which may change from country to country. Your country may also have other rights you may be entitled to that are not listed within this warranty.
ENGINE PARTS DIAGRAM

| Item | Description | Quantity | Item | Description | Quantity |
| 1 | Control gate | 1 | 13 | Muffler assyII | 1 |
| 2 | Control panel | 1 | 14 | Shock absorber | 6 |
| 3 | Battery boards | 1 | 15 | Battery | 1 |
| 4 | Front cover | 1 | 16 | Inner cover | 1 |
| 5 | Left door | 1 | 17 | Air cover | 1 |
| 6 | Upper plate | 1 | 18 | Back cover | 1 |
| 7 | Rubbe rcover | 1 | 19 | Bottom seat | 1 |
| 8 | Alternator clapboard | 1 | 20 | Fuel tank | 1 |
| 9 | Alternator | 1 | 21 | Wheel | 2 |
| 10 | Muffler heat insulation cover | 1 | 22 | Lock wheel | 2 |
| 11 | Muffler assy I | 1 | 23 | Door lock cover | 2 |
| 12 | Engine | 1 | 24 | Right door | 1 |
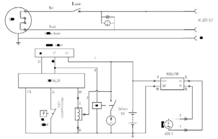
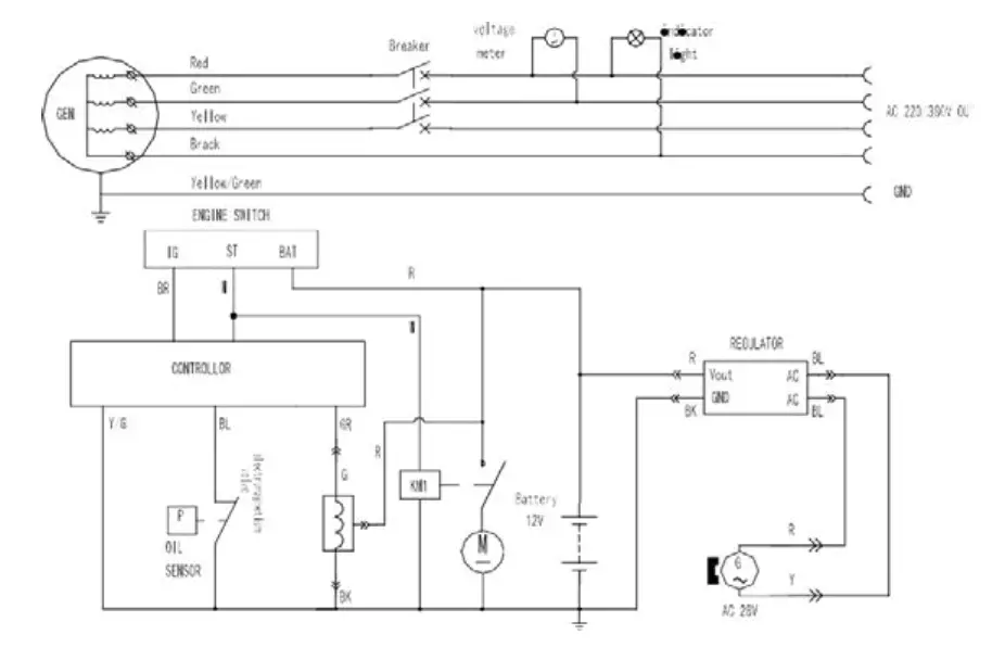
WIRING DIAGRAM
Electrical Wiring Diagram (Single Phase Generator)
Electrical Wiring Diagram (Three Phase Generator)

Warrior Europe
Service & Technical Contacts
United Kingdom:
BPE Holdings
Unit 17-18
Bradley Hall Trading Estate
Bradley Lane, Standish
Wigan, WN6 0XQ, UK
Tel: +44 (0) 1942 715 407
[email protected]


Cleaning the air filter (Every 100 hours)

















