WhisperPower ELITE GV 2 Mobile Diesel Generator

Product Information
The product is called ELITE GV, which comes in different models including GV 2, GV 3, GV 3+, ELITE GV 8, GV 10, GV 12, and ELITE GV 15. These genverters are designed for mobile use.
The manufacturer of the product is WHISPERPOWER BV, located at Kelvinlaan 82, 9207 JB Drachten, Netherlands. For more information,
you can visit their website at www.whisperpower.com.
The installation manual version is V3.2, dated May 2022.
Product Usage Instructions
Installation
1. General:
– Follow the instructions provided in this manual for the installation process.
2. Location:
– Choose an appropriate location for the genverter installation.
3. Protection against dirt, sand and bad weather conditions:
– Ensure that the genverter is protected from dirt, sand, and adverse weather conditions.
4. Sound and vibration reduction:
– Take measures to minimize sound and vibration produced by the genverter.
5. Further recommendations:
– Follow any additional recommendations provided in the manual for optimal performance.
6. Ventilation:
– Provide adequate ventilation for the genverter to prevent overheating.
7. Connections:
– Make the necessary connections as described in the manual.
8. Fuel supply:
– Ensure a proper fuel supply for the genverter to operate smoothly.
8.1 Fuel tank:
– Use a suitable fuel tank for storing the required fuel.
8.2 Fuel lift pump:
– Install a fuel lift pump as specified in the manual.
INTRODUCTION
USE OF THIS MANUAL
This manual serves as a guideline for the safe and effective installation of the WhisperPower two and three cylinder genverters for mobile applications.
It is obligatory that every person who is involved with the installation of the genverter must be completely familiar with the contents of this manual, and that he/she carefully follows the instructions contained herein.
To ensure reliability and durability of the equipment, it is very important that the installation is carried out with the utmost care and attention. To avoid problems, such as temperature problems, noise levels, vibration, etc. the instructions set out in this manual must be followed and all installation work must be carried out only by qualified, authorized and trained personnel, consistent with the locally applicable standards and taking into consideration the safety guidelines and measures (Chapter 2 of the user’s manual).
The information, specifications, illustrations and statements contained within this publication are given with our best intentions and are believed to be correct at the time of going to press.
Our policy is one of continued development and we re-serve the right to amend any technical information without prior notice.
Whilst every effort is made to ensure the accuracy of the particulars contained within this publication neither the manufacturer, distributor, or dealer in any circumstances shall be held liable for any inaccuracy or the consequences thereof.
Keep this manual in a secure place!
VALIDITY OF THIS MANUAL
All of the specifications, provisions and instructions contained in this manual apply solely to standard versions of the two and three cylinder genverters delivered by WhisperPower.
This manual is valid for the following models:
Description
- ELITE GV 2 (Kubota Z482)
- ELITE GV 3 (Kubota D722)
- ELITE GV 3+ (Kubota D1105)
- ELITE GV 8 (Kubota Z482)
- ELITE GV 10 (Kubota D722)
- ELITE GV 12 (Kubota D722)
- ELITE GV 15 (Kubota D1105)
Refer to the user’s manual for identification of the genverter. For other models see our website: www.whisperpower.com.
WARNING!
During installation and commissioning of the genverter, the Safety Guidelines & Measures are applicable at all times. See Chapter 2 of the user’s manual.
WARNING!
A warning symbol draws attention to special warnings, instructions or procedures which, if not strictly observed, may result in damage or destruction of equipment, severe personal injury or loss of life.
DANGER!
This danger symbol refers to electric danger and draws attention to special warnings, instructions or procedures which, if not strictly observed, may result in electrical shock with possibly severe personal injury or loss of life.
WARNING!
Before working on the system read the safety instructions in the user’s manual.
INSTALLATION PARTS
Besides the parts that are included with the delivery you need at least the parts listed in 4.4 to install the genverter. Please note that this listing may not be complete, as every installation differs from the other. Oil is not included in the supply. Refer to the user’s manual for the right specifications.
GENVERTERS ON VEHICLES
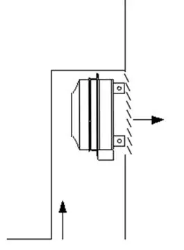
On vehicles the engine is cooled by an external radiator with an electric driven fan (12VDC or 230VAC).
When the genverter is mounted inside the vehicle the radiator should blow out air through the wall (Figure 1). When this is not possible the radiator can better be mounted outside the canopy and outside the vehicle. This can be in the side, below or on top or of the vehicle.
The exhaust is of the dry type and includes a stainless steel flexible bellow and high quality mufflers. Also the exhaust can be at the side, below or on top of the vehicle.
IT IS VERY IMPORTANT TO EVALUATE ALL PRO’S AND CONT’S BEFORE MAKING A CHOICE HOW TO SET UP THE INSTALLATION.
Figure 1: Radiator mounted in the side of the vehicle
Figure 2: Radiator mounted below the vehicle
Figure 3: Radiator mounted on the roof of the vehicle
INSTALLATION
GENERAL
To ensure reliability and durability of the equipment, it is very important that the installation is carried out with the utmost care and attention. To avoid problems, such as temperature problems, noise levels, vibration, etc. the instructions set out in this manual must be followed and all installation work must be carried out professionally.
WARNING!
The genverter incorporates powerful permanent magnets. Cardiac patients, especially those living with a pacemaker, should bear this in mind.
LOCATION
When looking for a proper place for a genverter in a vehicle all relevant aspects have to be taken into account
- Accessibility
- Solid foundation
- Space to mount the radiator (refer to 2.8)
- Space to mount the exhaust (refer to 2.9)
- A route to fit the fuel lines
- The air flow through the genset (refer to 2.6)
Because of their small dimensions, WhisperPower genverters can be installed in tight locations. Please consider that even almost maintenance-free machinery must still remain accessible.
When selecting the location for the genverter, make sure there is sufficient room to carry out any maintenance work. The unit must be easily accessible on the service side. All models can be serviced from one side. Oil filling can be done on the service side and on the top. The top of the engine (rocker cover) has to be accessible for adjustment of the valve clearance.
Please also note that in spite of the automatic oil pressure switch the oil level must checked regularly.
PROTECTION AGAINST DIRT, SAND AND BAD WEATHER CONDITIONS
The unit can be mounted below a vehicle. However, be aware of the bad conditions below a truck when driving in rain or snow. Figure 4: Mounting of the WhisperPower genverter. Also protect the unit from a spray of water and/or mud behind the wheels. In some territories there is sand in the air. In such situations, it is recommended to fit the air inlet of the engine compartment with an air inlet strainer.
SOUND AND VIBRATION REDUCTION
Position the genverter as low as possible in the vehicle. The genverter is secured to the base frame inside the canopy by means of a flexible engine mountings system. This frame is must be solidly mounted in the vehicle, not using rubber mountings again. When it is possible to mount the unit directly on the chassis of the vehicle this has advantages in preventing vibrations by resonance.
Further recommendations
WhisperPower genverters are standard equipped with a sound cover canopy. This sound cover has been designed to give effective sound insulation. For optimum sound and vibration dampening, the following factors should be considered.
- Most importantly, the structure on which the genverter is placed must be stiff. Directly below the base frame, the structure should be supported vertically to the chassis of the vehicle. When this is not possible horizontal structures should be made stiff by additional provisions (Figure 4).
- In larger vehicles a separate and insulated space for the genverter will help to dampen the noise even further.
- Avoid mounting the genverter in close proximity to thin walls or floors that may cause resonance.
- Sound dampening is extremely poor if the genverter is mounted on a light weight flimsy surface such as plywood which will only amplify vibrations. If mounting on a thinner surface cannot be avoided, this should be at least be reinforced with stiffening struts or ribbing. If possible, holes should be drilled or cut through the surface to help reduce the resonance. Covering the surrounding walls and floors with a heavy coating plus foam will certainly improve the situation.
- Never connect the base of the genverter directly to walls or tanks (Figure 4).

VENTILATION
When not in the open air below a truck, the genverter normally draws air from the engine compartment. An engine compartment with natural ventilation must have vent openings of adequate size and location to enable the genverter set to operate without overheating. To allow an ample supply of air within the temperature limits of the genverter an opening of at least 900 cm2 is required.
A “sealed” engine compartment must have a good extraction ventilator to maintain reasonable ambient temperatures. High temperature of intake air reduces engine performance and increases engine coolant temperatures. Air temperatures above 40°C reduce the engine power by 2% for each 5°C of rise. At higher temperatures the electric output will be lower. To minimize these effects the engine room temperature must not exceed the outside ambient air temperature by more than 15°C.
Apply a combination of ventilators, blowers and air intake ducting to meet the temperature limit. The air inlet ducts should run to the bottom of the engine compartment to clear fumes from the bottom and to circulate fresh air. Air outlets should be at the top of the engine compartment to remove the hottest air. An engine compartment blower should be used as an extraction ventilator to remove air from the engine room.
In cases where it is impossible to meet the above mentioned temperature limit by using engine compartment ventilation, connections are to be made for an air inlet directly to the genverter enclosure. With these connections the genverter can be directly connected to an air duct.
Air inlets should be louvered, where appropriate, to protect the engine room and to protect the genverter from rain and water spray.
CONNECTIONS
The genverter comes with all supply lines and output cables (i.e. electric cables, exhaust connection, fuel lines etc.) already connected. The supply lines are fed through the capsule’s front base. The connections are marked as shown in Figures 5-8.
Refer to Section 5.1 for a graphical overview of installation and wiring connection requirements.
All electrical connections, cable types and sizes must comply with the appropriate national regulations. Supplied cables are rated for ambient temperatures up to 70°C. If the cables are required to meet higher temperature requirements, they must be run through conduits.
ATTENTION!
Before working on the system, read the safety instructions.
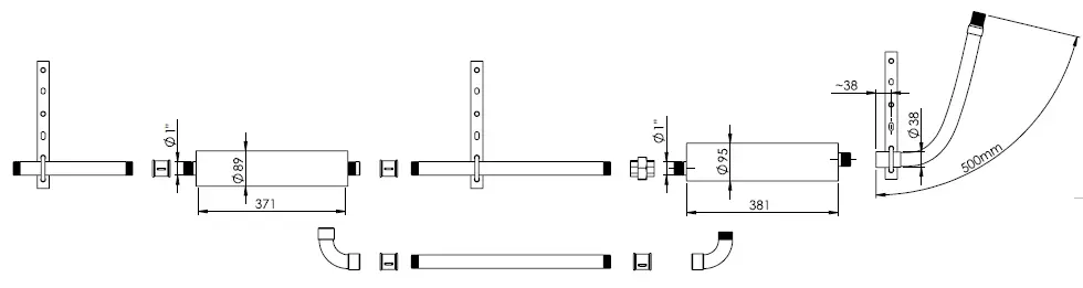
- Exhaust: 1″Thread
- To expansion tank
- AC Power 4G4
- AC Sense 4G2.5

- Water in (cold) hose 25 mm
- Fuel out 8mm
- Fuel in 8mm
- Battery + “Red” 25mm?
- Battery – “Black” 25mm?
- Water out (hot) hose 25 mm
Figures 5 and 6: Connections for genverters using Z482, L2E, D722 and L3E engine blocks)
FUEL SUPPLY
Fuel tank
Fuel tanks should be made of appropriate material such as (stainless) steel or plastic. Steel tanks should not be galvanized or painted inside. Condensation can occur in metal tanks when temperature changes. Therefore, water accumulates at the bottom of the tank and provisions should be made for the drainage of this water.
The tank will need a filling connection, a return connection and an air ventilation connection which will require protection against water entry.
Some official regulations do not allow connection points at the base of the fuel tank; connections are to be made at the top of the tank with internal tubing down to a few cm above the bottom of the tank. When using the existing fuel tank of the car engine, fitting should be carried out with extra care. Both a supply line and a return line should be installed and go into the tank from the top. Interference of the two systems (car engine and genverter engine) should be avoided. Driving the tank empty below the level of the suction pipe of the genverter could make it necessary to bleed the fuel system.
Figure 9: Fuel tank below the genverter
Figure 10: Fuel tank above the genverter
- Exhaust: 1-1/2″ Thread
- To expansion tank
- AC Power 5G6
- AC Sense 4G2.5

- Water in (cold) hose 25 mm
- Fuel out 8mm
- Fuel in 8mm
- Battery + “Red’ 25mm?
- Battery – “Black” 25mm?
Water out (hot) hose 25 mm
Figures 7 and 8:
Connections for genverters using D1105 engine block
Fuel lift pump
All models are fitted with an external fuel lift pump. This should be mounted close to the tank, in an angle or vertically to prevent air bubbles from blocking the system.
Figure 11: Fuel line assemblies with pump mounted vertically or in an angle
Fuel pipes
When the tank is above the genverter (Figure 10) we recommend ending the return line on the top of the tank. When the return is on the top, siphoning of the return line is impossible in case of a leakage. Only the fuel supply line will need to be fitted with a fuel cock. When the tank is below the genverter (Figure 9) we recommend ending the return line on the bottom of the tank below the inlet of the supply line.
Both supply and return fuel pipe lines should be made of appropriate material and have an 8 mm inner diameter. The quality of the tubing of fuel pipes may be subject to local regulations depending on the application of the vehicle.
The fuel pipes can be connected to the flexible hoses which are on the genverter and are prepared to be fitted to 8 mm pipe. The resulting fuel line complies with CE standards as well as ISO 7840 A2.
It is important to avoid bends in the pipes, as they could trap air bubbles. The return pipe should never be connected to the suction pipe. The return line should be of 8 mm diameter and go straight back via the top to the bottom of the tank. When the return is too narrow, has too many bends and goes back to the bottom of the fuel tank (i.e. bypassing the top), the back-pressure may be too high. This results in irregular running of the engine. When the engine runs irregularly, check if back-pressure is the problem by disconnecting the return line just outside the canopy and draining it in a canister. When the engine runs smooth now, the return piping has to be changed. It could also help to install a second (electrical 12V) fuel lift pump in the supply line to increase the pressure.
Fuel filters
A fine fuel filter is installed which requires maintenance. WhisperPower recommends installing an extra fuel filter/ water fuel separator near the fuel tank.
Before starting your genverter for the first time follow the fuel system bleeding procedure in the user’s manual.
RADIATOR COOLING
General instructions
The radiators can be mounted below the floor, in the side or on the roof of the vehicle. It is recommended to install the radiator as close as possible to the unit. The piping should be fitted as direct as possible.
It is very important to use good quality heat and pressure resistant hose and fittings. Therefore it is strongly recommended to use WhisperPower installation kits.
How and where to mount the radiator
The radiator kit includes rubber mountings to prevent vibrations from being transferred to the body of the vehicle. Due to the differences between vehicles general instructions are hard to give. For OEM customers, WhisperPower can supply a customized installation kit.
When mounting the radiator it is important to take care that the outgoing connection, which is the connection to the engine inlet, is on the top position (Figure 17, detail A) and is connected to the expansion tank. Also when the radiator is mounted flat at the bottom of the vehicle the outgoing connection is connected to the expansion tank. This is the best way to have the system release air and to add liquid when necessary.
Bottom-mounted radiator
When bottom-mounted, the radiator should not be the lowest point of the vehicle to avoid damage.
A free flow of air should be ensured. When horizontally mounted, the fan should be on top, causing a flow of air downwards. Often it is possible to find a place where extra space above the fan helps to create a free flow of air. It is recommended to fit a shield below the radiator, catching stones and dirt and operating as a spoiler. The distance between the radiator and the shield should be at least 50 mm. Sometimes it is possible to build the radiators and shield on a sub frame that is mounted below the vehicle as a module.
MEASURES HAVE TO BE TAKEN TO PREVENT THE HOT AIR FROM CIRCULATING AND REDUCING THE CAPACITY OF THE RADIATORS.
Figure 12: Bottom-mounted radiators with shield
Side-mounted radiators
Both effective and easy is to mount the radiator in the side of the vehicle, if possible below the level of the top of the engine. A louvered grid should protect the radiator from rain and objects, but must not block the airflow. The fan should be inwards, causing the air to blow outwards. A disadvantage of having the radiator in the side is possibly more noise from the electric fan and a flow of air that could be felt by people passing by.
A free flow of air should be ensured.
Figure 13: Side-mounted radiator
Roof-mounted radiators
The radiator on the roof is often the best option from the point of view of keeping the noise of the fan away from people and it will give the best result in dissipating the heat. However, this option may conflict with the possible need to keep the vehicle as low as possible.
Another disadvantage is that the piping has to go through the roof which requires connections to be made waterproof. When having the radiators horizontally mounted on the roof (Figure 14) enough space (50 mm) should be between the roof and the radiator fan to have a free flow of air. When the radiator is roof-mounted there should be protection against weather conditions. To avoid damage while the vehicle is driving at high speed, the use of a spoiler may be necessary.
Figure 14: Two examples of top mount radiators
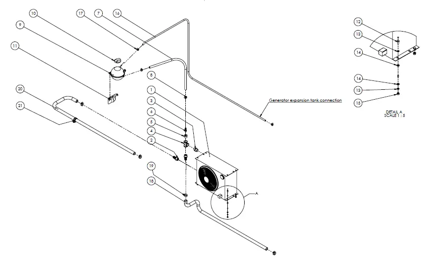
How and where to mount the expansion tank
When the radiators are above the engine, the piping should be fitted below the top of the radiators! (see Figure 15). Bends in the piping that can trap air bubbles, should be avoided or ventilated (see Figure 16). The expansion tank must be fitted in the outgoing circuit of the radiator, i.e. the inlet pipe of the engine
Piping should not rise above the radiator inlet!
Figure 15: Air traps should be avoided
Figure 16: Ventilating an air trap
Special attention should be paid to the ventilation of the system. The expansion tank for the coolant is also used to release air bubbles and makes it possible to add coolant into the system in an easy way. This expansion tank should be at the highest point of the system and mounted as high as possible.
Most cooling problems originate from air traps blocking the circulation of the engine coolant.
We use a pressurised system. Wherever the radiators are mounted, it is necessary to ventilate the exhaust manifold of the engine. The exhaust manifold has an 8 mm connection for ventilation. The delivery includes 8 mm high pressure and high temperature resistant hose in the to connect the hose connection on the side of the manifold to the expansion tank.
The cooling system should be filled with long-life G12+ cooling liquid. Initially the engine cooling system can be filled via the cap on the exhaust manifold of the engine. However, when the radiator is above the engine one can only fill the system to the level of the manifold. Additional filling has to be done via the expansion tank. 
Figure 17: Outgoing circuit connected to the expansion tank
When the radiator is flat mounted on the roof, the expansion tank should be mounted a little higher. (see Figure 18, detail B).
Figure 18: Low profile radiator assembly on the roof
DRY EXHAUST SYSTEM
General remarks
A dry exhaust muffler system should be very effective in silencing the exhaust when applying the right mufflers. However, noise could be generated by vibrations in the mufflers and be transferred to the chassis. Tacit factors like the length of specific pipe sections could cause the noise to be amplified. It is very difficult to take these factors into account.
Figure 19: Dry exhaust systems on vehicles
The standard WhisperPower exhaust kit contains the materials to perform a professional installation. It includes a stainless steel flexible bellow (hose) to allow for expansion and to prevent vibrations from being transferred. Rubbers are supplied to mount the mufflers flexible. Insulation jackets for the flexible bellow and the resonance muffler are optionally available, and very effective in dampening vibrations. Still, additional measures may have to be taken like an extra clamp in a vibrating section of pipe, insulation blankets on other parts of the system and possibly even additional mufflers.
WHEN THE EXHAUST IS LED THROUGH THE ROOF OF A VEHICLE, MEASURES HAVE TO BE TAKEN TO PREVENT RAINWATER FROM ENTERING THE SYSTEM. SPECIAL RAIN CAPS ARE AVAILABLE AS AN OPTION.
Figure 20: Ways to prevent water from getting in
A negative feature of a dry exhaust system is the heat radiated by its components. When a dry exhaust has its outlet on the roof, all the pipes inside the vehicle have to be insulated.
The exhaust pipes will be very hot and all accessible pipes and mufflers are dangerous to people when not insulated.
Some companies specialize in insulating hot pipes, and fancy systems are available to make them look better. Alternatively, you can wind fiberglass or rock wool around the pipes and seal the insulation with aluminum tape.
The standard dry exhaust system
The standard exhaust system comprises:
On the genverter set:
- An insulated exhaust bend
In the exhaust installation kit: - A stainless steel shielded flexible bellow
- A resonance muffler
- An absorption muffler
- Clamps and rubbers
- Fittings, bends and pipes to make the various connections
- Blankets for thermal and acoustic insulation (optionally available).
The mufflers are high quality industrial mufflers much more effective, robust and durable than mufflers made for automotive use.
Installation of the exhaust
An essential step in determining the location of the genverter is considering how install the exhaust. Usually, space can be found below the vehicle to mount the mufflers. The outlet should blow the fumes away from the doors. When the gasses are in the flow of air blowing from the radiators this will help to make the fumes less noticeable. Fumes must not be sucked into the flow of air passing through the radiators. In calm conditions, a slight smell of exhaust fumes around the vehicle is hardly avoidable.
Bringing the exhaust to the top of the vehicle gives the best results on noise and smell. However, pipes inside the vehicle should be insulated and there should be a collar around the hole in the roof to prevent the ingress of rainwater.
The mufflers should be wide apart: the resonance muffler close to the genverter and the absorption muffler on the end of the line, with at least 1 m pipe in between. A short pipe (30 cm) should be on the far end after the absorption muffler. The absorption muffler requires no particular flow direction and could be mounted both ways. The resonance muffler, however, should be mounted taking into account the indication shown on the muffler itself.
The resonance muffler should be fitted taking into account the gas flow direction indicated.
The exhaust kit contains clamps for mounting the exhaust pipes to stainless steel bars. These bars should be mounted to the vehicle chassis. It is recommended to use rubber mountings whenever possible. However, care should be taken that the heat conducted through the brackets will not affect the rubber. Figure 21 shows how to mount the rubber in a safe way. An extra safeguard in steel wire or chain may be considered.
Figure 21: Mounting bracket in rubber with safeguard
ELECTRICAL INSTALLATION
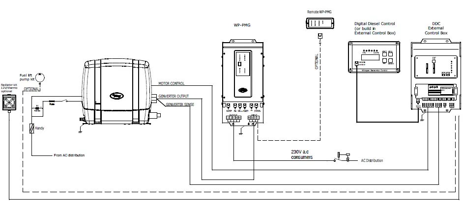
DIGITAL DIESEL CONTROL SYSTEM
The standard electrical control system is in 12 Volt with negative earth. Non-earth return is available as an option. The engine is controlled by a highly advanced microprocessor based system: Digital Diesel Control, which has both a local control and a remote panel.
REMOTE CONTROL
A remote control panel also containing a microprocessor is included in the delivery, as well as a 10 m 8-pole communication cable (Figure 22). Other lengths are available on request. A longer (up to 30 m) cable can be connected if required. For distances exceeding 30 m, please consult the WhisperPower service department.
Figure 22: Remote control cable
The control panel can be mounted in the dashboard using the plastic sawing template. For dimensions, refer to the drawings in Chapter 5.
Two more remote control panels (slave panels) can be put in parallel using the modular connectors on the back of the units. Actually, the slaves are regular remote control panels offering all functions again.
When using the factory settings, installation is very simple: just plug in both end of the communication cable and the genverter is ready to use (Figure 22).
ACOUSTIC ALARM OR WARNING LAMP
An external max. 150 mA relay can be connected in order to generate an acoustic warning, light a warning lamp, etc. Be aware of polarity as some relays have a diode inside and must be connected plus to plus and minus to minus as indicated (Figure 23).
Figure 23: Remote box terminals
CONNECTION FOR EMERGENCY STOP / FIRE ALARM SWITCH
Figure 24: Connection for emergency stop / fire alarm switch
To connect an emergency stop button or to stop the generator automatically in case of a fire alarm, you can use the bypass connection between fastons J7 and J18 on the backside of the local control panel (Figure 24). To do so, remove this bypass connection and then replace it by an emergency switch or a potential free fire alarm switch with normally closed contacts.
AUTOMATIC STARTING AND STOPPING
General
WhisperPower cannot be held responsible for damage caused by the genverter running unattended using the auto-start/stop mode or interval mode.
Using the auto-start/stop or interval mode, the genverter may start unexpectedly. When working on the electrical system, the 3 Amp fuse must be removed from the control panel and the battery plus cable must be removed from the battery.
Included in the delivery are warning stickers to be applied on several parts of the electric installation (transfer switch, distribution box, etc.) to warn against possible automatic starting of the genverter.
The WhisperPower Digital Diesel Control system offers several options for automatic starting and stopping. This menu as well as other DDC menus may be locked. For unlocking and setting these options, refer to the APPENDIX of the DDC user’s manual.
Start/stop by external switch
At the back of the DDC remote control panel (40209102), you will have the possibility to connect two wires in order to allow the genverter being started by an external signal. This requires the optional 12-pole green connector (part no. 50209119).
Two common options are shown in Figure 25, where the signal can be provided by an external relay or by the Whisper Battery Monitor (WBM).
Figure 25: Connection for start/stop by external signal
Another possibility is to monitor the voltage of a second battery (not being the starter battery) and to start the genverter automatically when this voltage drops below a set value.
This second battery is often called “auxiliary battery” or “service battery”. It is referred to as BAT2 in the DDC menus. A sense wire to monitor the second battery should be connected (check polarity!) to the connector on the back of the remote panel (Figure 23). The sense wires must be connected directly to the second battery and be protected by a 3A fuse.
Settings: For settings other than the factory settings, refer to the DDC user’s manual, especially to the APPENDIX.
STARTER BATTERY
For starting, the genverter requires a 12V starter battery of 80 Ah (smaller models) or 100 Ah (ELITE GV/3+ and ELITE GV 15).
The genverter can be connected to the main engine battery or have its own battery. We strongly recommend the use of a separate battery for the genverter and keeping the wiring system for the car engine and the domestic DC supply system completely separate and individually connected to separate batteries.
However, the negatives of all the batteries on the vehicle should be interconnected to avoid difference in the voltage level of the earth on different places causing trouble to electronic devices which might be in the system.
The above recommendation is not valid for vehicles having the starter battery of the vehicle engine or other auxiliary equipment positive grounded. When this is the case an expert should be consulted.
The starter battery is charged by the alternator on the engine. However, when the genverter is not used for an extended period of time, its control system may eventually drain the starter battery. The WhisperPower catalogue (check www.whisperpower.com) offers several solutions to prevent this from happening:
- A battery switch may be installed to interrupt the positive connection.
- An AC-supplied battery charger may also help to keep the battery in good condition when the genverter is not used (see also battery installation kit).
- WhisperPower also offers high efficiency battery charging units which are able to charge both the vehicles’s main battery and the starter battery.
OTHER RECOMMENDATIONS AND WARNINGS
The battery should be secured for poor road conditions and the terminals should be insulated. For extra safety the battery can be enclosed in a wooden, plastic, fiberglass etc. (non metal) box. Even when the earth return system is applied a negative battery cable should be used and the vehicle should not to be used as a conductor.
The battery cables are supplied in a standard length of 2.5 m. If longer cables are required a larger cross sectional area should be considered to compensate for voltage reduction.
warning
When two batteries are used in series to provide a 24 Volt supply system, never take off 12 Volt (starting) power from one of these batteries. This will result in severe damage to both batteries within a short time.
Disconnect the battery leads if electrical welding is to be carried out, otherwise damage will be caused to the diodes of the alternator.
As explosive hydrogen gases may be discharged during charging, the battery should be located in a well-ventilated space. Ensure that the supplied battery cable connectors are properly fitted. Never remove these during or shortly after charging, as sparking may occur, igniting the hydrogen gases.
ALTERNATING CURRENT
warning
- The electric power supplied by the genverter is of a high voltage and dangerous to people. Before working on the system read the sections on safety in the users manual.
- Be aware that people are not used to have AC available on a vehicle. Put warning signs on wall sockets and on junction boxes. Instruct non-regular users of the vehicle. Warn maintenance personnel of garages that do service on the vehicle.
- Generators used on vehicles that are operated in a hazardous environment often have to fulfil special regulations and additional measures have to be taken accordingly.
These genverters are designed to generate power for both AC and DC installations, depending on the type of WhisperPower PowerCube or Power Module installed with the genverter. Be sure that all electrical installations (including all safety systems) comply with all regulations required by the local authorities. All electrical safety/shutdown and circuit breaking systems have to be installed onboard as the genverter itself cannot be equipped with such equipment for every possible variation.
The vehicle’s power supply system should be suitable and safe for the voltages applied and the power that will be generated. Special attention has to be paid on dividing the system in branches which are fused individually.
It is absolutely essential that each and every circuit in the electrical system be properly installed by a qualified electrician.
FUSE
It is the installer’s responsibility to protect the live wires between the genverter and the PMG/DC PowerCube. Check the electrical information on the identification plate in order to calculate the right fuse size.
GROUNDING
The AC alternator windings are not grounded.
The housing of the alternator and all other metal parts are grounded. The position of the earth lug is shown in Figures 5 and 7.
The electric installation in the vehicle possibly needs to be protected against insulation failures. Methods of protection are subject to rules that may differ depending on the use of the vehicle and local standards. Experts in this field should be consulted.
CABLE
For the power cable between the generator and PMG/DC Powercube we recommend the use of 4 wire three phase or 5 wire three phase oil resistant cable. This cable should have a sufficient cross sectional area. The generator comes with a power cable pre-installed with a length of 2 meters. For long cables it is recommended to apply cables with a larger cross section (refer to ISO 13297 annex A). See the manuals of the PMG or DC Powercube for specifications on the output power cables of these devices.
INSTALLATION SUMMARY
GENERAL
- Mount the genverter directly, without additional vibration dampers, on a solid surface.
- If applicable, mount the separate cooling system.
- Connect exhaust system.
- Connect ‘fuel supply line’ to the water separator/ fuel filter.
- Connect ‘fuel return line’ to the fuel tank.
- Connect remote panel (just plug in).
- Connect the AC cables to the PMG/DC PowerCube.
- Connect the battery cables to the 12V starter battery’s positive and negative terminals.
- If applicable, connect the power supply of the external radiator.
- Install a WhisperPower battery charger (optional).
COMMISSIONING TABLE
- Check if the air inlet is sufficient.
- Check if the cooling system for the engine is properly installed and properly filled with G12+ cooling liquid.
- Check if the exhaust system is properly installed. Check maximum length of exhaust hose, diameter of exhaust piping.
- Check all coolant connections.
- Check the AC cables and the grounding.
- If the genverter is installed with a WP-PMG, check if an AC breaker is installed before or after the power source selector. When there is only a circuit breaker, use it to disconnect the generating set from the grid.
- Check all DC connections, check if the battery switch/ circuit breaker is closed.
- Open the fuel valve. Check if there are no air leaks in the fuel supply line, and check if the lift of the fuel is less than 1 m. Check if there is no air in the water fuel separator.
- Check the oil level and color of the oil.
- To bleed the fuel system, push the “Start” button on the local control (not on the remote panel) and hold at least 5 s and as long as necessary to bleed the system.
- Start the engine by pushing the start button.
- If the genverter is installed with a WP-PMG, check the delay of 5 to 10 seconds in the power source selector transfer.
- Check voltage under ‘no load’ conditions.
- Check if the genverter can bring the full load.
- Check if the battery charger of the genverter is working (max. 14.5 V).
- Close the sound shield and check the noise level.
- Stop the genverter and check the engine again for leakages of oil, fuel or coolant and check the oil level again.
Installation checklist available on our website: www.whisperpower.com.
Commissioning form available on our website: www.whisperpower.com.
TECHNICAL DATA
Refer to the User’s Manual for an overview of general technical specifications.
SPECIFICATION OF THE ACCESSOIRIES
| Item Fuel filter/water separator | Size on Elite GV2, GV/3, GV 8, GV 10 and GV 12 | 30 micron | Size on Elite GV/3+ and Elite GV 15 |
| Fuel inlet and return | 8 mm | ||
| Cooling system connections | 25 mm | 25 mm | |
| Flexible exhaust bellow/hose | 1”BSP | 1½”BSP | |
| Exhaust piping | 1” | 1½” | |
| Exhaust mufflers | 1”BSP | 1½”BSP | |
| Starter battery | 80 Ah | 100 Ah |
EXHAUST KITS
1” Dry exhaust



Installation instructions:
- Muffler item 1: Place as close as possible to the end of the pipeline
- Muffler item 2: Place as close as possible to the engine
Recommended gas velocity of 35 – 50 m/sec. (at the end pipe)
Recommended distance between both mufflers min. meter max. 6 meters


FUEL KIT

| no | qty | article no | description | dimensions |
| 42 | 1 | 50230091 | Filter head for fuel strainer/water separator | M14x1.5 mm |
| 43 | 2 | 50221618 | Parallel male coupling | M14 – 8 mm |
| 44 | 2 | 50221619 | Parallel male coupling | M14 – 10 mm |
| 45 | 2 | 50221620 | Hose connection, outer cone | M16x1.5 mm, 8 mm |
| 46 | 50230092 | Filter for fuel strainer/water separator | ||
| 48 | 4 | 50221522 | Hose clamp, stainless | 10-16 mm |
| 49 | 2 | 50221632 | Gasket ring | 18x14x1.5 mm |
| not shown | 2 | 50221203 | Straight coupling | 8 mm |
| not shown | 2 | 50221252 | Barbed-smooth hose nipple | 8 mm |
| TOTAL | 40230205 | FUEL KIT | ||
| OPTIONAL MATERIALS AVAILABLE | ||||
| no | qty | article no | description | dimensions |
| 48 | 50221522 | Hose clamp, stainless | 10-16 mm | |
| not shown | per m | 50222020 | copper fuel pipe | 6×8 mm |
| not shown | per m | 50220063 | fuel hose | 8×16 mm |
BATTERY INSTALLATION KIT
BATTERY INSTALLATION KIT
| article no | description | dimensions |
| 61112002 | WBC-Handy 20 charger 12V / 2A | 157 x 33 x 34 mm |
| 40290093 | battery terminal (NEG-) | |
| 40290094 | battery terminal (POS+) | |
| 40290099 | M8 battery pole adapter set | |
| 40290098 | isolation caps (red & black) | |
| 50214701 | WP-Compact Manual Battery Switch, 300A | 72 x 72 x 78 mm |
| 40290106 | INSTALLATION KIT FOR BATTERIES UP TO 100 Ah | |
| RECOMMENDED BATTERIES | ||
| article no | description | dimensions |
| 40290061 | AGM-Power 12V 80Ah Absorbed Glass Matt | 350 x 167 x 180 mm |
| 40290031 | AGM-Power 12V 100Ah Absorbed Glass Matt | 328 × 172 × 222 mm |


230VAC RADIATOR KIT
Radiator kit for Elite GV/2, Elite GV 8, Elite GV/3, Elite GV 10 and Elite GV12


Radiator kit for Elite GV/3 and Elite GV 15


DIAGRAMS & DRAWINGS
SYSTEM DIAGRAMS
NOTE: A4-size drawings can be downloaded from www.whisperpower.com.

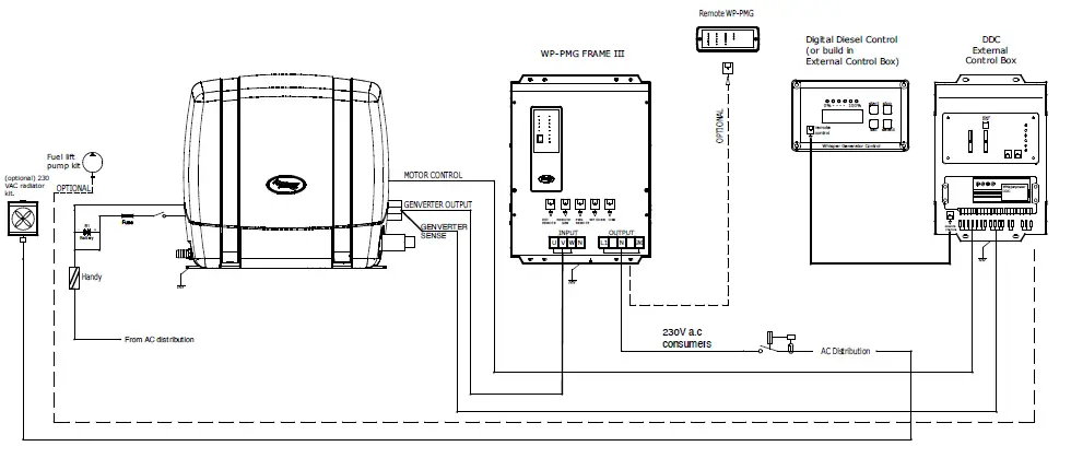
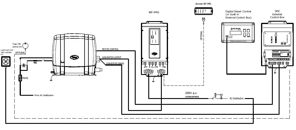
Figure 27: Layout of genverter system with PMG and 230VAC radiator 
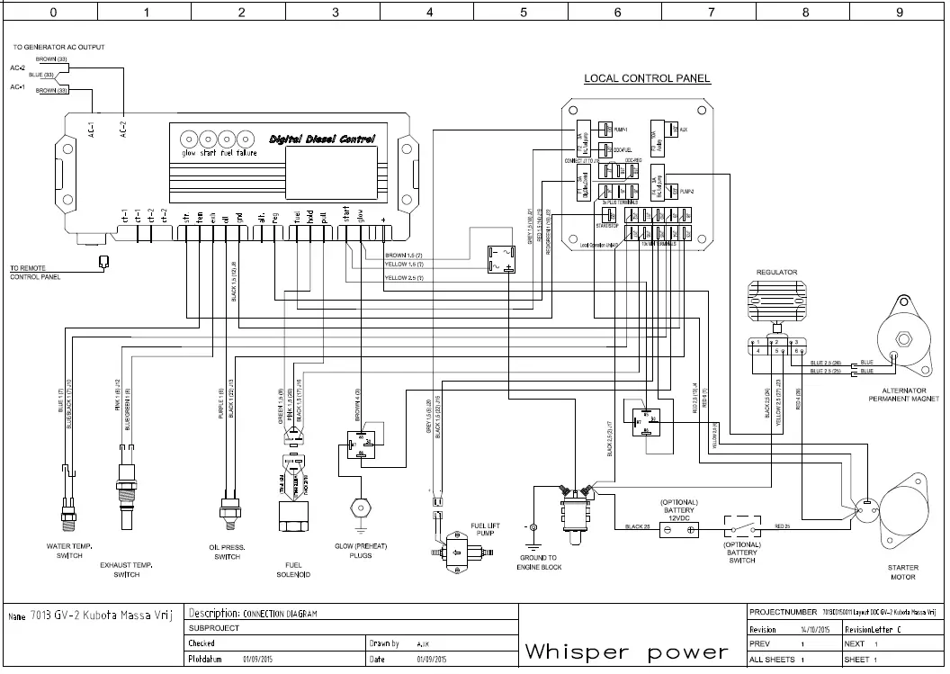
Figure 29: Electrical control diagram
MECHANICAL DRAWINGS

- Exhaust: 1 Thread
- To expansion tank
- AC Power 4G4
- AC Sense 4G2.5
- Water in (cold) hose 25 mm
- Fuel out 8mm
- Fuel in 8mm
- Battery + “Red* 25mm?
- Battery – “Black” 25 mm’
- Water out (hot) hose 25 mm
- Air Filter housing
- Fuel line injector
- Fuel injection pump
- Oil Filler cap
- Thermostat cover
- V-belt
- Accelerator
- Stop solenoid
- Oil dipstick
- Oil Filter
- Dynamo
- Temperature sensor
- Coolant Filler cap
- Manifold
- Exhaust
- Starter Motor
- Aternator
- A. 550 mm
- B. 165 mm
- C. 275 mm
- D. 622 mm
- E. 660
- F. 615 mm
- G. 645 mm

Figure 30: Elite GV 2 and Elite GV 8

- Exhaust: 1″Thread
- To expansion tank
- AC Power 4G4
- AC Sense 4G2.5
- Water in (cold) hose 25 mm
- FTeout &mm
- Fuel in 8mm
- Battery + “Red” 25mm?
- Battery. “Black” 25mm?
- Water out (hot) hose 25 mm
- Air Filter housing
- Oil Filler cap
- V-belt
- Accelerator
- Oil Filter
- Dynamo
- Temperature sensor
- Coolant Fill
- Manifold
- Exhaust
- Starter Motor
- A. 550 mm
- B. 165 mm
- C. 275 mm
- D. 620 mm
- E. 740 mm
- F. 695 mm
- G. 725 mm

Figure 31: Elite GV 3, 10 and Elite GV 12

- Exhaust: 1-1/2* Thread
- To expansion tank
- AC Power 5G6
- AC Sense 46245
- Water in (cold) hose 25 mm
- Fuel out &mm
- Fuelin Emm
- Battery + “Red* 25mm°
- Battery – “Black* 25mm?
- Water out (hot) hose 25 mm
- Air Filter housing
- Oil dipstick
- injection
- Ston salonoid
- Injection pump
- Oil Filler cap
- V-belt
- Speed control lever
- Manual lift pump
- Manual stop lever
- Oil Filter
- Oil pressure switch
- Dynamo
- Thermostatic cover
- Temperature sensor
- Coolant Filler cap
- Manitold
- Exhaust
- Starter Motor
- Alternator
- A. 570 mm
- B 225 mm
- C. 335 mm
- D.690 mm
- E. 880 mm
- F 815 mm
- G. 845 mm
Kelvinlaan 82, 9207 JB Drachten, Netherlands
www.whisperpower.com / [email protected]


Figures 5 and 6: Connections for genverters using Z482, L2E, D722 and L3E engine blocks)
Figures 7 and 8:


















