
Operating Manual
Diesel Generators
FOR MODELS: 6500SV-(EU), 6500SV3-(EU), 6500SVWRC-(EU), 6500SV3WRC-(EU), 6500SV3-NO
6500SV3-NO Diesel Generators
SAVE THESE INSTRUCTIONS. This manual contains important safety precautions which should be read and understood before operating the product. Failure to do so could result in serious injury. This manual should remain with the product. Specifications, descriptions and illustrations in this manual are as accurate as known at the time of publication but are subject to change without notice.
REV 20221117
Warrior Power Equipment, Unit 17-18, Bradley Hall Trading Estate,Bradley Lane, Standish, Wigan, WN6 0XQ, United Kingdom
WPE DIESEL GENERATORS
INTRODUCTION
Thank you for purchasing our product.
This product is guaranteed against faulty manufacture for a period of 24 months or 1000 running hours from the date of purchase. Please keep your receipt as proof of
purchase. Full T&C’s can be found on the warranty page in this manual or our website www.championpowerequipment.co.uk
This guarantee will be voided if the product is found to have been abused or modified/tampered with in any way, or not used for the application/purpose for which it was
intended. Faulty goods should not be returned to the place of purchase. The generator should be returned to the supplier of the product. No product can be returned
without prior permission, returning generators costs are solely the responsibility of the user/owner. This guarantee does not affect your statutory rights.
When contacting WPE about parts and/or service, you will need to supply the complete model and serial numbers of your product. Transcribe the information found on your product’s nameplate label to the table below
WPE TECHNICAL SUPPORT TEAM
[email protected]
MODEL NUMBER
SERIAL NUMBER
DATE OF PURCHASE
PURCHASE LOCATION
IMPORTANT
- Children should be kept at a safe distance from the generator and NEVER allowed to operate it.
- Your new generator needs a break in period of approx. 10-20 hours with NO more 75% maximum load being applied. After first 20 hours the oil MUST be changed, recommended oil type is 10W30 part or full Synthetic. Alternative types of oil can be found in the oil chart further in the manual under maintenance.Don’t touch the engine or muffler while generator is in operation. Please pay attention to warning and caution stickers on the generator.
- Electrical equipment (including cable and plug connecting component) should be in good condition before starting and inspected prior to use.
- If replacing circuit breaker it must be equivalent or better in specification of the one to be removed.
- Due to high mechanical stress, only rubber sheathed cables are recommended to be used.
- When using extension cords or mobile distribution cabinet, the wire with 1.5mm2 cross section should not be longer than 50 metres; and for 2.5mm2 cross section wire should not be longer than 100 metres in length.
- With manual starting, always use decompression lever. (ONLY on Open Frame Type)
- On standard working ambient conditions (minus 5 to 40 degree Centigrade), the generator can be operated at normal running loads. If the working condition of circumstance are not normal either too high or too low, the generator should be run at a lower output of no more than 75% maximum load.
When temperature, altitude and humidity is higher than standard working condition, the generator MUST reduce the output load to no more than 75% maximum load. - Before any inspection or maintenance of the generator, the engine must be stopped and allowed to cool for a minimum 30 minutes. Check and maintain the generator according to the period table and schedule sheet in the manual.
- Except the daily maintenance or cleaning, any inspection or readjustment should be conducted by authorized professional person and source the requested original components by them from the supplier. (Contact your local dealers).
- Your newly overhauled machine must endure a breaking-in period of at least 10 hours, the output should not exceed 75% of the maximum load.
FEATURES
WPE Diesel generator possesses the following features: This series diesel generator adopts super-light type, air cooled, 4-stoke direct injection diesel engine and has two starting options:
- Remote Start (6500SVWRC & 6500SV3WRC)
- Electric start.
They are equipped with large capacity fuel tank, circuit protector, A.C and sometimes D.C voltage outputs, low oil pressure alarm and automatic stopping device.
The diesel generator serves as an UPS stand-by power supply in many different applications including open working site, construction and field army. Emergency power of poultry farm, fishery, forestry, garden, hotel, shop, and office.
This operation manual tells you how to operate and service your new diesel generator. Please read it before using the diesel generator to ensure proper handing and operation. Following these instructions carefully will keep your diesel generator in the best working condition, allowing to prolong the life of your diesel generator.
If you have any questions concerning your new product or any of the information given in this manual, please contact [email protected].
PARAMETERS
The generators can generate specified power when usedin the following conditions:
Altitude: < 1000m
Ambient Temperature: 5 to 40°C
Relative humidity: <90%
WARNING
Exhaust/mufflers and gases are very hot to touch. DO NOT add or install any exhaust/muffler extensions, by doing so you will void any warranty offered.
Preventing burns
NEVER touch or handle exhaust/muffler, engine when generator is running or hot, always leave approx 30 minutes for the exhaust/muffler & engine to cool before handling.
IMPORTANT
Please read and understand this operation manual to nsure safe operation, and pay high attention to the following main points of operation otherwise it may cause personal injury and damage to equipment.
Preventing fires
The fuel of this diesel engine is light diesel fuel , so petrol, kerosene or bio-diesel etc must NEVER be used. Diesel with dyes is not recommended and if used monthly maintenance is strongly recommended otherwise it will result in degraded engine performance and(or) damage to engine.
Wipe away all fuel spills with a clean cloth. Keep petrol, kerosene, matches and other explosives and inflammable substance away from the generator, because the temperature around the exhaust muffler is very high during operation. To prevent fire hazards and to provide adequate ventilation, keep the generator at least 1.5 meter away from buildings, structures and other equipment during operation.
Operate the generator on a flat level surface, there may be fuel spillage or poor operation if the generator is tilted.
WARNING
NEVER run the generator on MAX watts for longer than ten (10) minutes, by doing so you will cause the engine to overheat and then stall; risking fire. If in event this happens immediately stop the generator and allow to cool for minimum 30 mins.
Preventing exhaust gas inhalation
Exhaust gas contains poisonous carbon monoxide.
Always use the generator in outdoor locations minimum
- 5m anyway from window, doors or opening.
Generators MUST never be used indoors, in garages, cabins, out building, sheds or any confined spaces including vehicles and vehicle compartments.
Electric shocks, short circuits
In order to avoid electric shocks or short circuit, do not touch the generator, when either it or your hands are wet.
This generator is not waterproof , so it should NEVER be used in a place exposed to rain, snow or water sprays.
The generator should be ground to prevent electric shocks. Please connect a length of heavy wire between the generator’s ground terminal and an external ground
device, ground rod or stake – minimum 200mm deep. Do not connect any equipment to the generator before you start it.
WARNING
Most appliance motors require more than their rated wattage for start up. Do not exceeded the current limit specified for any one socket. NEVER overload or run generator for long periods of time on Max watts. If generator shows signs of overheating STOP immediately and allow to cool for minimum 30mins.
Charging the battery
Battery electrolyte contains sulphuric acid. Protect your eyes, skin and clothing. In case of contact, flush thoroughly with water and get prompt attention, especially if your eyes are affected. Batteries generate hydrogen gas, which can flames or sparks near a battery, especially during charging.
Charge the battery in a fully ventilated area.
WARNING
Know how to stop the generator quickly, and understand how to operate all of the controls. Never permit anyone to operate the generator without proper instruction.
Always wear a helmet, safety shoes and proper clothing. Keep pets and children away from the generator when it is in operation.
PREPARATION BEFORE START
Selection and handling of fuel
– Only light diesel fuel can be used.
– The fuel must be filtered .
– Fuel should be free of water or dust because these can contaminate the fuel injection system.
– Do not overfill the tank beyond the top of the red plug inside the fuel tank filter, use fuel gauge on top of tank – Do not smoke and allow sparks in the area where the
engine is refueled or where gasoline is stored.
– Do not spill fuel when refueling, make sure the filter cap is securely closed.
Selection and handling of oil
– Set the generator on a level surface.
– Fill the engine oil into the inlet.
– To check the oil level, simply dip the dipstick into the pan. Do not screw in the dipstick when checking.
NOTICE
Nothing effects the performance and durability of the generator more than the oil you use. If inferior oil is used or if your engine oil is not changed regularly, the risk of piston seizure, piston ring sticking and accelerated wear of the cylinder liner, bearings and other moving components increase significantly.
Make sure to check the oil level and to refill with oil to the specified level before starting the generator, even though it is equipped with a low oil pressure warning system.
If your generator doesn’t start by the 5th attempted or starts and cuts out, your oil level is to low and needs to topped up.
NOTICE
Oil should be changed after the first 10 hours (or 1 month) of use and then every 3 months or 100 hours of use.
Always drain the oil while the engine is warm but not hot . It is difficult to drain the oil completely after cooling.
As a general rule oil is full when it can be visually seen on the middle – upper threads of the port. Do not over fill otherwise this will result in degraded engine performance and possible damage to engine.
WARNING
NEVER add or attempt to change oil into the generator while the engine is running. Check air filter
– Loosen the wing nut, detach the cover of air cleaner and remove the element. Do not wash air cleaner element with detergent . Use water or petrol (MUST allow to dry before replacing).
– The air cleaner element must be changed when the output of engine decreases or the color of exhaust is abnormal.
– Never run the generator without the air cleaner element. This may cause rapid engine wear.
– Reattach the cover of air cleaner and tighten the wing nut.
Ensure no load on generator
– Turn off the main circuit breaker and any other loads.
– Be sure to turn off the main circuit breaker before starting the generator. If the switch is not on the “OFF“ position, sudden application of load could be very dangerous, when the diesel engine is started.
– The generator should be earthed to prevent electric shocks. (Recommended).
Handling of dual voltage type generator
– Operation of change over switch: The AC circuit breaker on the control panel must be set to ‘OFF’ position before running the machine. After starting the generator, allow the speed to reach rated RPM and then turn the AC circuit breaker to the “ON” position, so that the receptical sockets can be used for operating equipment.
– NEVER try to switch between voltages when the AC circuit breaker is ON and equipment plugged IN.
– Set the main AC circuit breaker to the “OFF” position when using the 12v DC power supply.
Check for Airlock
WARNING
The FUEL and engine OIL are drained off by factory prior to transportation. Generators are dry for storage.
– Check for airlock in fuel pipeline, and find whether there is air mixed into the pipeline, if yes, drain away the air from the pipeline before refuel and start the diesel engine.
– Fuel filter should be minimum 75% full, if not then air may be present in system.
– The method to remove is, loosen the 17mm gland nut connection between injecting pump and high pressure brass pipeline, put run lever to “RUN” position and turn over the engine until fuel starts to jet out.
– Replace and re-tighten 17mm gland and repeat the process if engine still does not start.
OPERATION
Preheater Feature
This generator is equipped with a Preheater button
function for cold temperatures less than 0°C, this featureis designed to warm the engine and oil up first using the 12v DC power provided from the battery prior to the
engine being cranked over.
If the outside temperature is less than 0°C it is recommended to use the preheater function button first before starting the engine.
- Turn the Ignition key to the ‘ON’ position
- Press and hold the preheater button for minimum 5 secs until the solid red illumination light appears
- Release the button and start generator normally using key or remote (Wireless remote models Only)
If the generator fails to start repeat steps 1-3 maximum 3 times only, if the generator doesnt start after 3 attempts contact your local service agent.
Low oil warning system
– Device works to stop the engine automatically when the oil pressure falls below the regulatory level and will prevent engine seizure when the engine oil is running low or engine pressure is lost.
– The oil temperature will rise high if the engine is operated with insufficient engine oil. On the other hand, too much oil is dangerous because the oil may combust and cause a sudden and excessive rise in engine rpm, so before operating the machine each day be sure to check the oil and fill oil to the specified level if necessary.
Low Oil Warning Light
Your generator is equipped with a low oil warning light.
If the event the light is illuminated ‘Solid Red’ then your generator requires oil to be added immediately.
- Stop running application immediately and turn off engine and allow to cool for approx 10-15mins.
- Remove oil level dipstick and clean.
- Add oil, using an oil funnel (not provided) and check using oil level dipstick (as good general rule oil is full when it can been visually seen on the middle/upper threads of the port). If using the oil dipstick NEVER screw in oil level dipstick to take a reading simply rest against top of the port and view reading.
- Screw back in oil level dipstick
- Run the engine for 10mins without any load allowing the oil to fully circulate.
- Check oil level again
Failure to add the recommended oil capacity may result in increased engine wear and(or) damage to the engine.
Opening the cabinet door and cover.
Opening the cabinet door and raise the door and check daily.
- Turn the handle anticlockwise to open cabinet door.
- Turn the handle clockwise to lock cabinet door.
Break-in operation
While your generator is still new, application of heavy loads may shorten the life of the engine. Follow the breakin procedures during the first 20 hours.
- Avoid applying any heavy load during the break-in period.
- Change engine oil regularly. Change the engine oil every 20 hours or one month after the initial use, and every 3 months or 100 hours thereafter.
- If using is hot weather or high loads change oil 100 hours or 1 month.
Starting the generator
Recoil start (Open Frame Type Only)
- Open the fuel cock (at the “ON” position).
- Put the engine speed lever in the “RUN” position.
- Pull out the recoil starting handle.
- Pull out the handle to the point where your hands feel strong resistant and then return it to the initial position.
- Push down the decompression lever. (It will return automatically when the recoil starter is pulled).
- Pull out the recoil starting handle briskly with both hands.
- Do not allow the handle grip to snap back against the engine. Return it gently to prevent damage to the starter.
WARNING
NEVER pull out or touch the recoil when the diesel engine is running, otherwise it will damage the engine. (open frame type only) - In cold weather, when diesel engine is difficult to start, remove the red plug from the rocker arm cover and add 2 cc of engine oil.
- Replace the red plug before starting.
- Always keep the red plug in the cover except when adding oil, otherwise rain , dirt and other contaminants may enter the engine and cause accelerated wear of internal engine parts. This in turn can cause serious engine problems.
Electric Start
- Turn ignition key clockwise to ‘ON’ position.
- Put the engine speed lever in the “RUN” position.
- Turn the ignition key clockwise to “Start” position.
- Release your hand from the key as soon as the engine starts and let the key return automatically to initial ‘ON’ position.
- For cold weather starting refer to Preheater feature
- If the starter motor doesn’t engage and turn over the engine after 10 seconds, please wait for about 30 seconds before attempting to start again and repeat this process. .
WARNING
Please Note: NEVER hold the key in the start position for more than 10 secs, release and try again if the engine does not start first time otherwise damage can occur to starter motor.
If the starting motor is run for too long it will flatten the battery and the generator will not start (Canopy type)
Remote Control (If Applicable)
Generator can be started or stopped remotely using a wireless transmitter
- Ensure lever is in ‘RUN’ position
- Leave ignition key in ‘OFF’ position (No Clockwise Turn).
- To start engine, press and hold button ‘A’ on transmitter for approx. 3-5 seconds.
- If generator does not start repeat 1-2 steps and retry.
- To stop engine press ‘B’ button on transmitter.
WARNING
In electric key start mode: After the generator is stopped or not in use you MUST turn the ignition key to the ‘OFF’ position otherwise battery will flatten over time.
WARNING
If Generator doesn’t start after 3 attempts, steps 1-3 need to be REPEATED as well as general maintenance of oil level and fuel level need to be checked.
Never allow anybody other than the owner or user to remotely start or stop the generator using the wireless transmitter. Constantly starting and stopping the generator will damage electric/ electronic components or equipment and also will cause increased engine wear.
If the generator doesn’t not start at all after many attempts there may be malfunction or fault and you will need to contact your local service centre on [email protected].
WARNING
NEVER run the generator on MAX watts for longer than 10mins, by doing so you will cause the engine to start to stall and overheat risking fire, immediately stop the generator and allow to cool for minimum 30mins.
Battery
Check the level of the fluid in the battery once every month. When the level drops to the lower upper mark replenish with distilled water up to the upper mark.
If battery fluid is low, the engine may fail to start because too little electricity is reaching the starter motor. Always keep the fluid level between the upper level and lower level.
If too much battery fluid is applied, the fluid may spill and corrode the surrounding parts. DO NOT over fill. Batteries are only covered by a 1 year warranty from original date of purchase.
Operating your generator
- Warm up the engine without load for about 3 minutes.
- Our generator is equipped with low oil warning system. The engine will stop automatically in case of low oil pressure or a lubrication oil shortage. The engine will stop immediately if restarted without a lubrication oil refill. To check the oil level and refill
- Do not loosen or readjust either the engine speed limiting bolt or fuel injection limiting bolt (They have been factory set) otherwise performance and fuel economy will be affected.
- For Low oil refer to Low Oil warning lamp.
- Failure to add the recommended oil capacity may result in increased engine wear and(or) damage to the engine.
Check during operation
- Any abnormal sound or vibration?
- The engine misfiring or running rough.
- What about the color of the exhaust gas? (Is it black or too white?)
If you notice any of the above phenomenon, stop the engine and consult your nearest dealer or contact technical support on [email protected].
AC Operation
- Start the engine and make sure the ‘GREEN’ pilot lamp turns on. If it does not, the filament may be burnt out.
- The speed of generator must reach rated speed (lever at top).
- Load can be added to generator when the indicator volt meter on the panel shows selected voltage. Voltage tolerance can vary between +-10%.
- Plug in the appliance.
WARNING
Do not start two or more machines simultaneously.
Start them one by one. Do not use floodlights together with other machines. - Be sure that all pieces of equipment are in good working condition before connecting them to the generator.
- If an appliance or piece of equipment begins to operate abnormally, becomes sluggish, or stops suddenly, turn off the generator immediately. Then disconnect the appliance and examine it for signs ofmalfunction.
- If overloading of the circuit trips the AC circuit protector, reduce the electrical load on the circuit, and wait a few minutes before resuming operation .
- If the LCD display voltmeter is too low or too high, stop the machine and examine it for cause of fault.
Voltage Selector Switch
You generator is supplied with a new 3 way voltage selector switch. (Single Phase UK Models Only)
- Turn the voltage selector switch to position ‘0’ when generator is not in use or being starting.
- Push the circuit breaker to ‘OFF’ position.
- Start up the generator and allow engine to stabilize for approx 5 minutes..
- Plug in your electrical equipment and turn ‘ON’ the piece of equipment.
- Turn the voltage selector switch to either position 1 or 2 for the required voltage. Read the voltage display for the correct voltage output.
- Push the circuit breaker to the ‘ON’ position.
- Check power to the equipment by operating it.
- To change selected voltage, first turn ‘OFF’ equipment and disconnect the plug from the generator socket.
- Choose new equipment and voltage repeat steps 1-7
- Never switch between position 1 or 2 whilst equipment is plugged in, always disconnect equipment before changing voltage.
- When not in use always turn the switch to ‘0’ and disconnect equipment or push circuit breaker to ‘OFF’ position.
DC Operation
The DC terminal may be used for charging 12V automotive type batteries only.
- When using automotive-type batteries with battery cables, be sure to disconnect the minus pole battery cable from the battery before charging.
- Start the engine.
- Connect the charging cable to the battery terminals and the DC terminals of generator. Connect the positive battery terminal to the positive generator terminal. Do not reverse the charging cables, or serious damage to the generator and/or battery may occur.
Do not allow the free ends of the cable to touch each other. If this occurs, it will be short circuit the battery When a large capacity battery is charged, excessive current flows(the value varies depending on the discharging condition) , and the fuse for the direct current will blow. - Batteries produce explosive gases. Keep sparks, flames and cigarettes well away. To prevent the possibility of creating a spark near the battery, always connect the charging cables to battery first and only then to the generator. When disconnecting, you should disconnect the cables at the generator first.
- Charge the battery in a well ventilated place. Before charging, remove the cap from each cell of the battery. Discontinue charging if the electrolyte temperature exceeds 45°C.
WARNING
Do not attempt to start an automobile engine while the generator is still connected to the battery.
NEVER try to use both DC 12 volt and AC at the same time.
Stopping the generator
- Turn off the AC circuit breaker.
- Leave the engine speed lever in the “RUN” position, operate the engine without load for approx 3 minutes,DO NOT stop the engine suddenly because this may
cause the temperature to rise abnormal and cause the nozzle to damage and seize the engine. - Push down the stop lever or Turn the ignition key anticlockwise to “OFF” position .
WARNING
If the engine keeps on running even after the speed lever is pressed at the “Stop” position, turn the ignition key to ‘OFF’ position. NEVER try to stop the engine with the decompression lever (Open Frame Type Only)
MAINTENANCE
Periodic check and maintenance are very important for keeping the engine in good condition. Please read the detailed description of operating manual for each part.
Shut off the engine before performing any maintenance. If the engine must run, make sure the area is well ventilated. The exhaust contains poisonous carbon monoxide gas.
After the engine has been used, clean it immediately with a cloth to prevent corrosion and remove sediment. 
DAILY
- Check oil level
- Check and replenish fuel
- Check for oil leakage
- Check and tighten and engine parts if loose
FIRST 20 HOURS
- Change oil
- Drain fuel tank
- Adjust valve clearance for intake & exhaust valves*
- Lap intake & exhaust valves*
MONTHLY
- Check battery fluid
- Check air filter
EVERY 100 HOURS OR 3 MONTHS
- Change oil
- Clean oil filter
EVERY 300 HOURS OR 6 MONTHS
- Tighten head bolts on engine*
- Replace oil filter
- Replace air filter
- Clean fuel filter
- Check fuel injection pump*
- Check fuel injection nozzle*
- Check fuel pipe
- Adjust valve clearance for intake & exhaust valves*
EVERY 1000 HOURS OR ANNUALLY
- Replace fuel filter
- Lap intake & exhaust valves*
- Replace piston rings*
EVERY 3 YEARS
- Replace fuel line*
- Special tools or skills are required – please do not attempt yourself – consult Technical Support on [email protected]. Charges may apply.
Changing engine oil (Every 100Hrs)
Remove the oil filler cap. Remove the drain plug and drain the used oil while the engine is still warm. The oil drain plug is located on the bottom of the engine block next
to the oil filter. Tighten the drain plug and refill with the recommended oil 10W30 Non or part synthetic.
Cleaning the oil filter (Every 300 hours)
Undo the 10mm bolt and Remove the oil filter (located at the bottom of the engine block next to the oil drain plug). Clean with water or petrol and DO NOT use any detergents.
Changing the air cleaner element (every 300 hours)
Do not wash the air cleaner element with detergent because this is a dry type element use water or petrol. Allow to dry fully before replacing it.
WARNING
Never start the engine without the element, or with a defective element. Change the element in time Cleaning and replacing the fuel filter (Every 300 hours)
The fuel filter also has to be cleaned regularly to insure maximum engine efficiency .
- Drain the fuel (diesel) from the fuel tank.
- Loosen the small clips on the hoses. Remove fuel filter and Wash through thoroughly with diesel fuel (ONLY). Remove the lock nut, end cap and diffuser discs and clean the carbon deposit.
- If using diesel with dye, Filters MUST be changed every 100 hours or 1 month. Fuel injections system MUST be cleaned every 300 hours.
Checking and replenishing battery fluid and charging and battery (Monthly)
This diesel engine uses a 12v battery. The battery fluid willbe lost through continuous charging and discharging. Before starting , check for physical damage to the
battery and also the electrolyte level, and replenish with distilled water up to the upper mark if necessary.
When actual damage is discovered , replace the battery immediately. Batteries are covered by 12 months warranty from the original date of purchase.
STORAGE
If your generator should be stored in long time, the following preparation should be made.
- Operate the diesel engine about 10 minutes with NO load and stop it.
- Wait approx. 10 mins when the engine is still warm, drain engine oil out, then refill new 10W30 engine oil.
- Pull out the red plug on the cylinder head cover of diesel engine and add 2ml of lubricate oil in cylinder, and finally put the red plug back it to original place.
- Maintenance of starting position
– Manual starting (Open Frame Type Only)
– Put the lever to the ‘RUN’ position
– Press the red pressure-reduce handle (noncompression position), pull the recoil handle 2-3 times. (Don’t start diesel engine).
TROUBLESHOOTING
| Problem | Cause | Solution |
| Engine will not start. | No fuel. | Add fuel. |
| The switch is not at “ON” position | Turn it to “ON” position | |
| The high pressure fuel pump, injection nozzle cannot inject orthe fuel amount is insufficient. | Remove the injection nozzle out and repair it or bleed the fuel injection system. | |
| The control lever of speed is not at “RUN” position | Put the control level to “RUN” position | |
| Check oil level | Add oil if needed | |
| The speed and force to pull the recoil starter is not enough | Start the diesel engine according to the requirements of operating procedure of start | |
| The injection nozzle is dirty or blocked | Clean or replace injection nozzle | |
| The battery is flat | Recharge or replace | |
| Engine will not start with Remote Control. | Ignition key is not in the ON position | Check steps 1-3 on RC instructions |
| Lever not in to RUN position | Check steps 1-3 on RC instructions | |
| Oil or fuel level low | Add oil or fuel if needed | |
| Engine is running but no output. | AC circuit breaker is turned ‘OFF’ | Put the main AC switch to the “ON” position |
| The contact of socket is not good | Adjust the feet of socket | |
| The rated speed of generator cannot be reached | Adjust engine governor according to the requirements | |
| Other. | Contact Technical Support [email protected]. |
NOTE: When welding, if you find the electricity is too large for welder or the engine shuts down by overload during welding, it may cause by the AVR’s regulator to damage or short circuit.
WARRANTY
We at Warrior understand the importance of warranty for service & repair, we are now offering a standard 2 Year (Warrior Diesel Generators)
without the need for registering your purchase. We still have the option for product registration for customer who still would like to use the websiteand to keep in touch with ourselves.
Please view the limitations below and read the full T&C’s about the warranty offered on a particular product.
All we require is the either a copy of the original proof of purchase or an invoice supplied from retailer at the time of purchase to enable the claim to be raised. Please keep your proof of purchase safe for the duration of your terms, in the unfortunate event you need our technical support we will ask for this to be provided on each claim, NO proof of purchase any warranty claim will be delayed or rejected.
Repair / Replacement Warranty
Warrior branded diesel generators warrants to the original purchaser up to 2 Years for domestic usage that the mechanical and electrical components will be free of defects in material and workmanship for a period of Year One (1) [Parts and Labour] Year Two (2) [Parts Only] from the original date of purchase or 1000 hours which ever comes first.
Industrial & Commercial Use One Year (1) [Parts and Labour] or 500 hours which ever comes first.
Transportation charges on any product submitted for repair or replacement under this warranty are the sole responsibility of the purchaser. This warranty only applies to the original purchaser and is not transferable.
Do Not Return the Unit to the Place of Purchase
Contact Warrior Technical Service and we will troubleshoot any issue via phone or e-mail. If the problem is not corrected by this method, Warrior will, at its option, authorise evaluation, repair or replacement of the defective part or component at our own Service Center. If and when an product has to be replaced it will be on a like for like basis not old for new. Warrior will provide you with a case number for warranty service and this can be monitored through your login account. Please keep it for future reference. Repairs or replacements without prior authorization, or at an unauthorized repair facility, will not be covered by this warranty. We do have warranty exclusions for customers outside the United Kingdom please see our full T&C’s.
Warranty Exclusions
This warranty DOES NOT cover the following:
Normal Wear
Your product needs periodic parts and service to perform well. This warranty does not cover repair when normal use has exhausted the life of a part or the equipment as a whole.
Installation, Use and Maintenance
This warranty will not apply to parts or labour if your product is deemed to have been misused, neglected, involved in an accident, abused, overloaded beyond the generator’s limits, modified, installed improperly or connected incorrectly to any electrical component or system. Normal maintenance is not covered by this warranty.
Other Exclusions
This warranty excludes:
– cosmetic defects such as paint, decals, etc.,
– worn parts including piston & rings, spark plugs, filters
– accessory parts including wheels & recoil assemblies
– failures due to acts of God and other force majeure events beyond the manufacturer’s control
– problems caused by parts that are not original Warrior Power Equipment parts
– alteration or modification(s) made by any party other than the manufacturer including exhaust extension and filtration systems.
– all hoses plastic or rubber, reducing valves and regulators
– any third party electrical equipment
12v Battery
– All batteries supplied Over 1 Year Old.
Suitable Transfer Switch
Any MTS (Manual Transfer) & ATS (Automatic Transfer) systems other that ones supplied by ourselves under WARRIOR or Warrior will not be considered suitable and will invalidate all warranties given. Please contact us direct before installing any Transfer system.
Limits of Implied Warranty and Consequential Damage
Winch Solutions Ltd (CG) disclaims any obligation to cover any loss of time, use of this product, freight, or any incidental or consequential claim costs by anyone using this product.
THIS WARRANTY IS IN LIEU OF ALL OTHER WARRANTIES, EXPRESS OR IMPLIED, INCLUDING WARRANTIES OF MERCHANTABILITY OR
FITNESS FOR A PARTICULAR PURPOSE.
A unit provided as an exchange will be subject to the warranty of the original unit. The length of the warranty governing the exchanged unit will remain calculated by reference to the purchase date of the original unit. This warranty gives you certain legal rights which may change from country to country. Your country may also have other rights you may be entitled to that are not listed within this warranty.
TECHNICAL SPECIFICATIONS
| MODEL: | 6500SV-(EU) | 6500SVWRC-(EU) | 6500SV3-(EU) | 6500SV3WRC-(EU) | ||
| Type | Single Phase A.0 | Three Phase AC | ||||
| Frequency (Hz) | 50 | 50 | ||||
| Rated Power IkW1 | 5. | 5 | ||||
| Max Power IMO | 5.0 | 6. | ||||
| Voltage CAL) | 110115, 220. 230. 24011/220115/230120/240 | 2201380 240/415 | ||||
| Voltage (DC) | 12V | |||||
| Current (D.C1 | flA | |||||
| Power Factor | tO | 0.8 | ||||
| Phase Number | Single Phase | Three Phase | ||||
| Pole Number | 2 | |||||
| Excitation | Self-excitation | |||||
| Insulation | 1 | |||||
| Voltage Regulation System | Condenser compensating system | |||||
| Engine Type | 188F Euro 5: LAI88FG | |||||
| Type | 4 Stroke. single cylkider. air cooled. direct injection diesel engine | |||||
| Speed (rpm) | 3000 Euro 5:3000 | |||||
| Bore x Stroke (mm) | 88 x 78 | |||||
| Displacement (.) | 0.474 | |||||
| Cooling System | Forced Ai Cooled | |||||
| Lubrication System | Forced Lubrication | |||||
| tube oi capacity | 2. | |||||
| Fuel | Diesel | |||||
| Fuel Capacity (.) | 16 | |||||
| Preheater | Included | |||||
| Low Pressure Alarm | Included | |||||
| Start System | Electric Start | |||||
| Wireless Remote Start | No | Yes | No | Yes | ||
| ATS Input | Yes | Na | Yes | No | ||
| Operation capacity lhrl | 7. | |||||
| Acid battery capocity(A141 | 30 | |||||
| Caw free battery capacity (AH) | 30 | |||||
| Nett Weight (kgl | WO | |||||
| Dimensions (I. x W x FI) mm | 885x550x745 | |||||
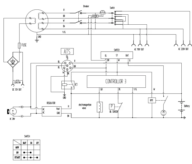
WIRING DIAGRAM

ENGINE PARTS DIAGRAM

ENGINE PARTS LIST

PARTS DIAGRAM
| B23 | Rage oll | NS | 2 | 43 | (Out Inlay | 707 JO Pint Pail | |
| B22 | Rove WO | 1110•40 | 6 | 42 | 1(ty sold | 4711 | 1 |
| B21 | P46 vOtr | 1 | It | 41 | YWnelv | it 490- WO | 1 |
| B20 | Knopf nil | Bq | It | 40 | Cothtl cool | 1 | |
| B19 | 110611007 | 1112 | 8 | 39 | NV Ott | 645•5 | ION |
| B18 | (19 | 25. | 4 | 38 | (101V AI /So* | gnomes | I |
| B17 | Rove AO | 116 | 2 | 37 | At Sad Auer WI | 61. | 4 |
| B16 | /MOO ly no | 16 | 2 | 36 | Minim SUM, | 161/8 | 4 |
| B15 | Rag/ 101 | pm | 6 | IS | arty | S00O511) | I |
| B14 | Ivitel Hove NI | 6192A | 2 | 1 | Faumisrosper | 1 | |
| B13 | Rots vil | I$’% | * | 33 | rolomickdolloal | 857* | I |
| B12 | sors0 wester | 3 | 4 | 17 | IN rtbs slew | 1 | |
| B11 | Rage tun | 118’10 | 4 | II | Swam 0011tc | IFBAOSKO | 1 |
| B10 | Flan nmher | 816 | 38 | 30 | A dais odIkr | 103500)580 | 1 |
| B9 | Ft/rge1d1 | Iry | 4 | 29 | NV Mier | RIM | I |
| B8 | 11The1c0 | 1/610 | 4 | 21 | ret1101 | 452. | VS |
| B7 | Rove 1d1 | 1010 | 4 | 77 | CIO lv gOeVe | lA110/78/85 | 4 |
| B6 | flvge 101 | 1161 | 11 | 26 | foil kak | I | |
| B5 | /40/ Id | NI | 4 | 25 | b 1 | 1A110/78/86 | I |
| 84 | *to wale | 1) | IS | 24 | NV ItA01 | 10536005 | 1 |
| 3 | Rove 101 | 11596 | 5 | 8 | /011olid(* SI ve | 120 | 1 |
| 2 | top sold Folsom | 8612 | 2 | 22 | 11111t/ skrOt01001 | 1( 00)5140 | 1 |
| 81 | Nov WI | 118•25 | 4 | 21 | BOA OR NO | SOWS | 1 |
| 20 | 11/111“ omt1 | 1616 | 4 | ||||
| 67 | Mink ofeirkcone | 5010511 | t | 73 | Ow ItAkciavrenl | 5000530 | 1 |
| 66 | AYR rani sari | v8500090 | I | 2. | Bilkrytroctel | 1¢810)5 | 1 |
| 65 | 01 Wire | I | 2. | Flo cog Imbot | IEGS00)5 | I | |
| 64 | Bose slat lobs | U83601S-48111 | 4 | 14 | Bo cue Wit | itrlyms | I |
| 63 | 1 ortmtly tom | 1 | 1-3 | Fs, case cow | LES)015 | 1 | |
| 62 | MtAr Om | lor IV V* Any | 4 | IN | ‘Atm cute Octet | LIC60015 | 1 |
| 61 | Sargivl Woo) | S0105 rovov | i | 1.I | Mia pfttlae1 | trios | i |
| 60 | Ellie 90e 9ft wee | INOS p3) | 1 | 1? | 181srtlioded1Y | 2 | |
| 59 | A r Ow (Ittf | 1(69:1006 | 1 | 16 | Oran Ouplit | 16v0n10/6 | I |
| Sts | k Vim OrleOr1W | 14r6d0vels6S6’5111 | IS | 030 own/0mo | V8500*-01027 | I | |
| St | NU VMS | 600 | 2 | 14 | SW aster | 6 | 2 |
| 56 | BelftYrII/W gate | I | 9 | Astor toll | Yrp ail Alms* | I | |
| SS | BOkof | Wry BM Ism* | 1 | V | AIR | WO | 1 |
| St | Red leery tie | 501 | 1 | 1 | SOD Oil | 110b0orpiandr | 4 |
| SI | barn we/1RM | 7•7 as WOrif | I | 11 | Rin Allerlo !dr I* | 106’241 | 1 |
| 52 | Bid IdIente | 660 | I | 9 | Vnarreckr | 0160-073 | 1 |
| Si | acklderpote Om | Orr wilt hilery | I | II | futon /rut Am | 190 | 1 |
| SO | Hsok WI | 2200! | 2 | 1 | Rev awer | Yr, All tort/ | 1 |
| 49 | B11107 Pk | I(67100(-03103 | 1 | 6 | 01011Ct ‘della teritrix01 | inflict | I |
| 48 | Bet It coml | 17 | I | S | Bet** nobler | My | I |
| 47 | Aeil IX met! | 17 | 1 | I | SIder cov | 42/45/SO1d | I |
| 46 | Gritotto toll | 116•22 | i | I | ROAM | 41/45/S(10/ | 1 |
| 45 | Om WO/toss/ | I | 2 | frtni tootr | Viol AI Olvnlor | I | |
| 44 | Stole | 1,70M Welke | 2 | 1 | Noe | 161164ASS6FAAAVR | I |
| No | Description | Specluccim | Illy | No | Uestnplon | Speclecioi | Oly |
For warranty and repair enquiries, please contact the retailer where you purchased your Warrior Product.
United Kingdom: BPE Holdings
Unit 17-18 Bradley Hall Trading Estate
Bradley Lane, Standish Wigan, WN6 0XQ, UK
[email protected]
Sweden: BPE Nordic AB Valnäsgatan 2
44252 Ytterby Sweden
[email protected]
Germany: BPE Solutions Deutschland GmbH Altrottstraße 31
D-69190 Walldorf Germany
[email protected]
France: BPE Solutions France SAS 3 Boulevard de Belfort
59000 Lille France
[email protected]


















