WARRIOR Air Cooled Diesel Engine Instruction Manual
PREFACE
Every attempt has been made to present within this service manual, accurate and up to date technical information. However, development on this series is continuous. Therefore, the information within this manual is subject to change without notice and without obligation.
The information contained within this service manual is the sole property of the factory. As such, no reproduction or replication in whole or part is allowed without the express written permission of the factory.
Information presented within this manual assumes the following:
- The person or persons performing service work on this series engines is properly trained and equipped to safely and professionally perform the subject operation;
- The person or persons performing service work on this series engines possesses adequate hand and the special tools to safely and professionally perform the subject service operation;
- The person or persons performing service work on this series engines has read the pertinent information regarding the subject service operations and fully understands the operation at hand.
GENERAL SERVICE MANUAL NOTES
- Use only genuine repair parts. Failure to use genuine parts could result in substandard performance and low longevity.
- All data presented are in metric format. That is, dimensions are presented in millimeters (mm), torque is presented in Newton-meters (Nm), weight is presented in kilograms (Kg), volume is presented in liters or cubic centimeters (cc) and pressure is presented in barometric units (bar).
ENGINE TYPE

SUMMARY OF FIRST MAINTENANCE OPERATIONS
| FREQUENCY OPERATIONS | h 8 | h 200 | h 300* | h 2500 | h 5000 |
| SUMP OIL LEVEL CHECK | O | ||||
| AIR CLEANER CLEANING | O | ||||
| COOLING FINS CLEANING | O | ||||
| OIL CARTER REPLACEMENT | O | ||||
| REPLACING OIL CARTRIDGE | O | ||||
| FUEL FILTER REPLACEMENT | O | ||||
| SETTING ROCKER ARMS CLEARANCE VENTILSPIEL | O | ||||
| SETTING AND INJECTORS CLEANING | O | ||||
| PARTIAL OVERHAUL | O | ||||
| TOTAL OVERHAUL | O |
*”In case of low use: every 6 months.
If you are using oil of a quality lower than the recommended one then you will have to replace it every 100 hours.
WARNING SIGNS
DANGER
respecting these directions the user may place at risk persons and objects.
CAUTION
By not respecting these directions the user can cause technical damage to the unit and/or to the installation.
SAFETY INSTRUCTIONS
- The engine has been built to the specifications of a machine manufacturer, and it is his responsibility to ensure that all necessary action is taken to meet the essential and legally prescribed health and safety requirements. Any use of the machine other than that described cannot be considered as complying with its intended purpose as specified by the factory, which therefore declines all responsibility for accidents caused by such operations.
- The following instructions are intended for the user of the machine in order to reduce or eliminate risks, especially those concerning the operation and standard maintenance of the engine.
- The user should read these instructions carefully and get to know the operations described. By not doing so he may place at risk his own health and safety and that of anyone else in the vicinity of the machine.
- The engine may be used or mounted on a machine only by personnel suitably trained in its operation and aware of the dangers involved. This is particularly true for standard and, above all, special maintenance work. For special maintenance contact personnel trained specifically by the factory. This work should be carried out in accordance with existing literature.
- The factory declines all responsibility for accidents or for failure to comply with the requirements of law if changes are made to the engine’s functional parameters or to the fuel flow rate adjustments and speed of rotation, if seals are removed, or if parts not described in the operating and maintenance manual are removed and reassembled by unauthorized personnel.
- In addition to all other machine specifications, ensure that the engine is in a near horizontal position when starting. If starting manually, ensure that the necessary operations can be performed without any risk of striking against walls or dangerous objects. Rope starting (except for recoil rope starting) is not permitted even in emergencies.
- Check that the machine is stable so that there is no risk of overturning.
- Get to know the engine speed adjustment and machine stop operations.
- Do not start the machine in closed or poorly ventilated environments. The internal combustion process generates carbon monoxide, an odourless and highly toxic gas, so spending too long a time in an environment where the engine discharges its exhaust products freely can lead to loss of consciousness and even death.
- The engine may not be used in environments containing flammable materials, explosive atmospheres or easily combustible powders, unless adequate and specific precautions have (machines). been taken and are clearly stated and certified for the machine.
- To prevent the risk of fire, keep the machine at a distance of at least one metre from buildings or other .
- Children and animals must be kept at a sufficient distance from the machine to prevent any danger resulting from its operation.
- Fuel is flammable, so the tank must be filled only when the engine is turned off. Dry carefully any fuel that may have spilled, remove the fuel container and any clothes soaked in fuel or oil, check that any sound-absorbing panels made of porous material are not soaked with fuel or oil, and make sure that the ground on which the machine is located has not absorbed fuel or oil.
- To start the engine following the specific instructions provided in the engine and/ or machine operating manual. Do not use auxiliary starting devices not originally installed on the machine (e.g.Start pilot systems which utilise ether etc.)
- Before starting, remove any tools that have been used for carrying out maintenance work to the engine and/or the machine and check that any guards removed have been replaced. In cold climates it is possible to mix kerosene with the diesel fuel to make the engine easier to start. The liquids must be mixed in the tank by pouring in first the kerosene and then the diesel fuel. Consult the technical office for mixture proportions. Petrol may not be used because of the risk of it forming flammable vapours.
- During operation the surface of the engine reaches temperatures that may be dangerous. Avoid in particular all contact with the exhaust system. Before carrying out any work on the engine, turn it off and allow it to cool down. Do not perform any temperatures that may be dangerous. Avoid in particular all contact with the exhaust system.
- Before carrying out any work on the engine, turn it off and allow it to cool down. Do not perform any operation while the engine is running.
- The liquid cooling circuit is under pressure. Do not carry out any checks before the engine has cooled down, and even then open the radiator cap or the expansion tank cautiously. Wear protective clothing and glasses. If there is an electric fan, do not approach the engine while it is still hot as the fan may come on moving even when the engine is not running. Clean the cooling system with the engine turned off.
- While cleaning the oil bath air filter, check that the oil is disposed of in such a way as not to harm the environment. Any filtering sponges in the oil bath air filter should not be soaked with oil. The cyclone pre-filter cup must not be filled with oil.
- Since the oil must be emptied out while the engine is still hot (approx. 80°C), particular care should be taken in order to avoid burns. In any case make sure that oil does not come into contact with your skin because of the health hazards involved.
- Check that the discharged oil, the oil filter and the oil contained in the oil filter are disposed of in such a way as not to harm the environment.
- Close the fuel tank filler cap carefully after each filling operation. Do not fill the tank right up to the top, but leave sufficient space to allow for any expansion of the fuel.
- Fuel vapours are highly toxic, so fill up only in the open air or in well ventilated environments.
- Do not smoke or use naked flames while filling.
- Take care when removing the oil filter as it may be hot.
- The operations of checking, filling up and replacing the cooling liquid must be carried out with the engine turned off and cold. Take particular care if liquids containing nitrites are mixed with others not containing these compounds as this may give rise to the formation of nitrosamines which is a health hazard. The cooling liquid is polluting, so dispose of in a environment-friendly manner.
- During operations which involve access to moving parts of the engine and/ or removal of the rotary guards, disconnect and insulate the positive cable of the battery so as to prevent accidental short circuits and activation of the starter motor.
- Check the belt tension only when the engine is turned off.
- In order to move the engine use exclusively the eyebolts fitted for this purpose by the factory. These lifting points are however not suitable for the entire machine, so in this case use the eyebolts fitted by the manufacturer.
- When a peripheral device uses a flywheel generator power,do not disconnect the battery connections from the engine, or it may give the peripheral damage.
CHARACTERISTICS
| 290F | ||
| CYLINDERS | N. | 2 |
| BORE | mm | 90 |
| STROKE | mm | 75 |
| DISPLACEMENT | cm3 | 954 |
| MAX INTERMITTENT ANGULARITY (PEAK VALUES)(MAX 1′) | 25°(35°) | |
| OIL QUANTITY | L | 3.0 |
| DRY WEIGHT | Kg | 81 |
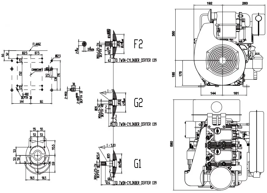
OVERALL DIMENSIONS

BEFORE STARTING
Carefully read and follow all instructions in this booklet as well as all those with the equipment on which this engine is used. Failure to do so will make warranty void.
USE
The engine may be damaged if operated with insufficient lube oil. It is also to supply too much lube oil to the engine because a sudden increase in engine rpm could be caused by its combustion. Use proper lube oil preserve your engine. Nothing affects the performance and durability of your engine more than the
lube oil you use. If inferior oil is used, or if your engine oil is not changed regularly, the risk of piston seizure, piston ring sticking, and accelerated wear out the cylinder liner, bearing and other moving components increases significantly.
Always use oil with the right viscosity for the ambient temperature in which your
engine is being operated. Use the chart on this page when choosing your engine oil.
The used engine oil can cause skin-cancer if kept frequently in contact for prolonged period. If contact with oil cannot be avoided, wash carefully your hands with water and soap as soon as possible.
Do not disperse the oil in the ambient, as it has a high pollution power.
GRADE
PRESCRIBED LUBRICANT
AGIP SUPER DIESEL MULTIGRADE 15W40 specifications API CF-4/SG ACEA E2, B2 MIL-L-46152 D/E.
In the countries where AGIP products are not available, use oiIAPI SJ/CF for Diesel engines or oil corresponding to the military specification MIL-L-46152 D/E.
290F ENGINE OIL CAPACITY
| 290F | |
| OIL VOLUME AT MAX LEVEL(FILTER INCLUDED) Liters | 3.15 |
| OIL VOLUME AT MAX LEVEL(WITHOUT FILTER) Litres | 3.0 |
Oil filling and level inspections must be carried out with the engine on a flat surface.
Remove oil filler cap. Pour the oil in and reassemble oil cap.
- Make sure that is nearly at max. Fit the dipstick correctly back in place.
Do not disperse the oil in the ambient, as it has a high power.
AIR CLEANER FILLING
Open air cleaner and remove element. Fill with engine oil up to level mark.
Reassemble air cleaner
Make sure that the filter is mounted in the correct way otherwise dust and other impurities could infiltrate into the intake ducts.
REFUELING
To avoid explosions or fire outbreaks, do not smoke or use naked flames during the operations.
- Fuel vapours are highly toxic. Only carry out the operations outdoors or in a well ventilated place.
- Keep your face well away from the plug to prevent harmful vapours from being
inhaled. Dispose of fuel in the correct way and do not litter as it is highly polluting. - When refuelling, it is advisable to use a funnel to prevent fuel from spilling out. The fuel should also be filtered to prevent dust or dirt from entering the tank.
- Use the same type of diesel fuel as used in cars. Use of other types of fuel could damage the engine.
- The cetane rating of the fuel must be higher than 45 to prevent difficult starting.
- Do not use dirty diesel fuel or mixtures of diesel fuel and water since this would cause serious engine faults.
- Do not fill the fuel tank completely , but just up to 1 cm (0.39 in) from the top of the tank, to provide space for fuel movement. Wipe any fuel spillage from engine before starting.

With low ambient temperatures (-10°C) add specific additives to diesel fuel, to avoid paraffine crystals solidification.
AIR BLEEDING
Operate fuel feeding pump until a steady flow is obtained.
Throttle to maximum position.
STARTING
- In addition to all other machine specifications, ensure that the engine is in a near horizontal position when starting. If starting manually, ensure that the necessary operations can be performed without any risk of striking against walls or dangerous objects. Rope starting (except for recoil rope starting) is not permitted even in emergencies.
- Check that the machine is stable so that there is no risk of it overturning.
ELECTRIC STARTING
Do not actuate starter for more than 20 seconds at a time. If engine does not start, wait 1 minute before repeating attempt If engine does not start after two attempts, trace the cause according to Diagnosis Chart .
- First position Warning light on

- 2 ° Position – Starting.

- Key always in on (1) position when engine is running

AFTER STARTING
At idle speed for a few minutes according to table.
| Temperature | Time |
| ≤ -20°C | 5′ |
| -20°C ~ -10°C | 2’ |
| -10°C~5°C | |
| Z5°C | 20″ |
RUN-IN
During first 50 hours do not exceed 70% of maximum rated power.
BEFORE STOPPING
At idling speed for a few minutes.
TURNING OFF ENGINES
Do not stop the engine when operating at full load or high speed. Before stopping it. Let it run for a short time at low idle.
MAINTENANCE
Operation description.
- Use only genuine the factory repair parts.
Failure to use genuine the factory parts could result in sub standard performance and ow longevity. - The non-observance of the operations described in the following pages can involve the risk of technical damages to the machine and/or the installation.
- Failure to do so will make warranty void.
- Maintenance operations to carry out on cold engine .
AFTER THE FIRST 50 WORKING HOURS
Oil carter replacement.
Oil filter replacement.
If level is under the minimum, fill up.
Remove the lower filtering element.
AIR CLEANER CLEANING
Open air cleaner and emove element.Clean the upper bowl.
Always use protective goggles when compressed air is used.
Never use solvents with a low flash point to clean the filter element. Such action could cause an explosion.- Do not disperse the oil in the ambient, as it has a high pollution power.
Clean and dry filtering element.
Drain and clean bowl. Fill with engine oil up to level mark. Reassemble air cleaner.
Make sure that the filter is mounted in the correct way otherwise dust and other impurities could infiltrate into the intake.

COOLING FINS CLEANING
- Remove air shroud.

- Clean fins with a brush and kerosene. Dry with compressed air. Reassemble air shroud.

OIL CHANGGE AND OIL FILTER REPLACEMENT
To quickly and completely drain off the engine oil, it is advisable to carry out this operation when the engine is hot.
The used engine oil can cause skin-cancer if kept frequently in contact for periods. If contact with oil cannot be avoided, wash carefully your hands with water and soap as soon as possible. Do not disperse the oil in the ambient, as it has a high pollution power.
- Remove the plug and drain the oil into a suitable vessel.
- Remove and replace oil filter.
Use only genuine the factory repair parts. - When replacing the oil filter, keep it separate from the other waste material.

The used engine oil can cause skin-cancer if kept frequently in contact for prolonged periods. If contact with oil cannot be avoided, wash carefully your hands with water and soap as soon as possible. Do not disperse the oil in the ambient, as it has a high pollution power.
- Reassemble oil drain cap.
- Remove oil filter cap.

- Pour the oil in and reassemble oil cap.

- Check that the level is turned up, with the engine level.
- Check that the level is up with the motor plan.
- Make sure that it is at max with engine on level surface.

Before restarting, make sure that the oil dipstick and the oil drain and fill plugs have been correctly fitted back in place to prevent lubricant from spilling out.
The factory warranty obligations here above described will be cancelled if:
- Our engines are not correctly installed and as a consequence the correct functional parameters are not respected and altered.
- Our engines are not used according to the instructions reported in the “Use and Maintenance” booklet supplied with each engine.
- Any seal affixed to the engine by the factory has been tampered with or removed.
- Spare parts used are not original factory.
- Feeding and injection systems are damaged by unauthorized or poor quality fuel types.
- Electrical system failure is due to components, connected to this system, which are not supplied or installed by the factory.
- Engines have been disassembled, repaired or altered by any part other than an authorized our agent.
SETTING ROCKER ARMS CLEARANCE

Adjustments and controls must be carried out on cold engine.
Valve-rocker arm clearance setting : Remove rocker arm cover – Turn flywheel until piston reaches T.D.C.on compression stroke – Unlock adjusting screw nuts
– Set feeler gauge (mm. 0.15) after turning flywheel until pistol reaches – Tighten adjusting screws locking nuts.
SETTING AND INJECTORS CLEANING.
An injector pressure setting test pump with an adequate pressure gauge are required to clean and calibrate the injectors – Remove the injector — Connect it to the pump and pressure gauge — Operate the pump —Check to make sure that the injector atomizes and that the pressure setting is 220-230 Kg/cmz. If the injector fails to atomize, unscrew the ring nut, clean the central hole and the needle pin with a brass brush, then thoroughly wash with gasoline. If it atomizes but the pressure setting is lower, increase the height of the shims under the calibrating spring. Lower the height of the shims if the pressure is excessive.
Partial overhaul: Valve and seat lapping -Injection equipment checking – injection timing – Injection timing – Bumping clearance – Crankshaft and camshaft end play – Cylinder head tightening.
Total overhaul as above plus: Cylinder grinding/boring operations and piston replacement – Grinding/boring operations or replacement of valve seats, guides,vaIves, crankshaft, main bearing and connecting rod bearing, if necessary.
STORAGE
1 + 6 months Oil carter and oil filter replacement.
Fuel filter replacement.
Cooling fins cleaning.
Seal inlet and exhaust with stick tape.
Wrap engine with a sheet of plastic and put it on a wood base.
IF STORAGE EXCEEDS 6 MONTHS PLEASE CONTACT OUR AUTHORIZED SERVICE CENTRES.
CIRCUITS
ELECTRICAL SYSTEM
Battery not supplied. Ground rubber mounted engines.
RECOMMENDED BATTERIES
In standard start conditions
12V – 66Ah/300A
- Ignition key (optional)
- Voltage regulator
- Engine starter
- Battery (not included)
- Alternator
- Pressure switch
- Battery recharge warning light (optional)
- Oil pressure warning light (optional)
PART ORDERS
For any spare parts order please specify following details:
ENGINE TYPE AND SERIAL NUMBER – Version (K) – on the engine name plate.
TROUBLESHOOTING
| PROBABLE CAUSE | FAILURE TO START. | START AND STOPS | POOR ACCELER -ATION | UNST -EADY SPEED | BLACK SMOKE | WITH SMOKE | LOW OIL PRESSURE | |
| MAINTENANCE | Clogged air filter | |||||||
| Excessive idle operation | ||||||||
| Incomplete run-in | ||||||||
| Overloaded | ||||||||
| SETTINGS / REPAIRS | Incorrect injection timing | |||||||
| Governor linkage wrongly set | ||||||||
| Governor spring broken | ||||||||
| Low idle speed | ||||||||
| Rings worn or sticking | ||||||||
| Worn cylinder | ||||||||
| Valves sticking | ||||||||
| Worn main con. rods bearings | ||||||||
| Loose cylinder locknuts | ||||||||
| FUEL SYSTEM | Obstructed fuel line | |||||||
| Fuel filter clogged | ||||||||
| Air leaks in fuel syst | ||||||||
| Clogged tank vent hole | ||||||||
| Injector sticking | ||||||||
| Injection pump valve sticking | ||||||||
| Injector not adjusted | ||||||||
| Faulty fuel feeding pump | ||||||||
| Hardened inj. pump rack | ||||||||
| Extra fuel control level sticking | ||||||||
| LUBRICATION | Oil level too high |
| Oil pressure sticking | |
| Oil pressure regulator not adjusted | |
| Worm oil pump | |
| Air into oil suction line | |
| Faulty pressure gauge or pressure switch | |
| Oil suction line clogged |
| ELECTRICAL SYST. | Discharged battery |
| Cable connections uncertain or incorrect | |
| Faulty starting switch | |
| Faulty starting motor |




























