TEKNO PROGET MGTP 22 SS YR Diesel Generator

MGTP 22 SS YR USE MANUAL
TECHNICAL SPECIFICATIONS
GENERATOR
| Type | Linz PRO18S A/4 |
| Three phase power | 20 kVA 400V |
| Frequency | 50 Hz |
| Cosφ | 0.8 |
| Insulation class | H |
| Mechanical protection | IP23 |
ENGINE
| Engine type | Yanmar 4TNV88-BIB |
| N° cylinders | 4 |
| Displacement | 2190 cm3 |
| Power | 25 HP |
| Engine speed | 1500 r.p.m. |
| Cooling | Water |
| Fuel | Diesel |
| Oil sump capacity | 3.4 L |
| Starting system | Elettrico/Electric |
DIMENSIONS AND WEIGHT
| Noise level | 90 Lwa |
| Battery | 12V |
| Fuel tank capacity | 130lt |
| Dry weight | 700 Kg |
| Dimensions (L. x W. x H.) | 1850x900x1400 mm |
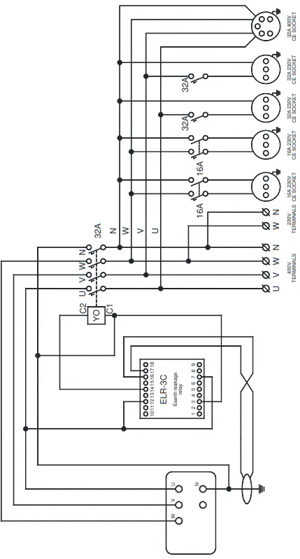
CONTROLS DESCRIPTION

Pct.2.1
| N° | Description | N° | Description |
| 1 | DSE | 10 | 230V 1Ph 16A sockets protection |
| 2 | DSE supplying switch | 11 | 230V 1Ph 16A sockets protection |
| 3 | Fuel level monitor | 12 | 3Ph 32A 400V CE socket |
| 4 | Earth leakage relay | 13 | 1Ph 32A 230V CE socket |
| 5 | Main circuit breaker | 14 | 1Ph 16A 230V CE socket |
| 6 | Remote control connector | 15 | 3Ph 400V hard wires |
| 7 | EMERGENCY STOP | 16 | 1Ph 230V hard wires |
| 8 | 230V 1Ph 32A sockets protection | 17 | Battery charger active signal lamp |
| 9 | 230V 1Ph 32A sockets protection | 18 | Battery charger inlet plug |
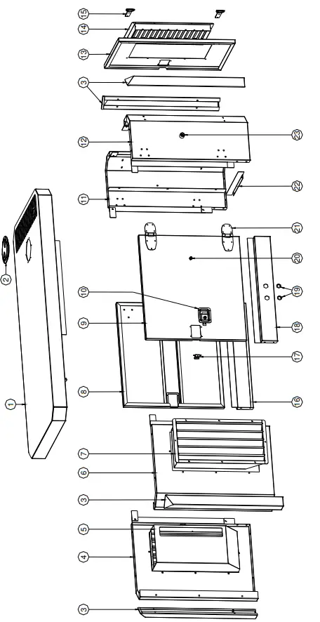
SPARE PARTS
BASEFRAME SPARE PARTS
| N° | Code | Description |
| 1 | Z352-016 | Lifting hook |
| 2 | Z340-050 | Lifting beam |
| 3 | Z218-079 | Bracket |
| 4 | C003-041 | Manual pump |
| 5 | C003-019 | Battery switch |
| 6 | Z327-077 | Battery switch bracket |
| 7 | Z327-078 | Battery switch closure |
| 8 | 340-202 | Alternator beam |
| 9 | Z334-003 | Fuel tank |
| 10 | C001-687-228 | Floating |
| 11 | C003-185 | Fuel tank cap |
| 12 | C003-1248 | Valve |
| 13 | Z334-028 | Fuel tank platen |
| 14 | Z340-022 | Battery support |
| 15 | Z016-247 | Battery beam |
| 16 | C003-670 | Battery |
| 17 | Z337-035 | Closure |
| 18 | 340-206 | Separator |
| 19 | 340-201 | Engine beam |
| 20 | Z340-037 | Exhaust |
| 21 | Z340-002 | Baseframe |
| 22 | Z340-056 | Exhaust exit pipe |
POWER PACK SPARE PARTS
| N° | Code | Description |
| 1 | C011-203 | Linz PRO18S A/4 |
| 2 | C006-360 | Yanmar 4TNV88-BIB |
| 3 | C002-010 | Shock absorber |
| 4 | 340-205 | Engine mounting |
| 5 | 340-209 | Exhaust flexi-pipe |
CANOPY SPARE PARTS
| N° | Code | Description |
| 1 | 340-207 | Canopy top |
| 2 | C003-777 | Manhole |
| 3 | Z340-018 | Corner |
| 4 | Z340-017 | Front left corner |
| 5 | Z340-029_SX | Air intake grid |
| 6 | Z340-016 | Front right corner |
| 7 | Z340-029 | Air intake grid |
| 8 | 340-028_MIR | Door |
| 9 | Z340-028 | Door |
| 10 | C003-020 | Lockage |
| 11 | 340-203 | Rear left corner |
| 12 | 340-204 | Rear right corner |
| 13 | Z340-030 | Door |
| 14 | Z340-031 | Grid |
| 15 | C003-905 | Hinge |
| 16 | Z340-020 | Left band |
| 17 | Z218-185 | Lockage bracket |
| 18 | Z340-019 | Right band |
| 19 | C003-066 | Wire crosing |
| 20 | C003-667 | Male door stopper |
| 21 | C003-1035 | Hinge |
| 22 | Z340-032 | Edge |
| 23 | C003-666 | Female door stopper |
CONTROL PANEL SPARE PARTS 
| N° | Code | Description |
| 1 | C003-1036 | Lockage |
| 2 | Z340-012 | Door |
| 3 | C001-494 | DSE 3110 |
| 4 | C001-233-2 | 1 way switch |
| 5 | C001-442 | Fuel level monitor |
| 6 | C003-069 | Circuit breaker cover |
| 7 | C001-261 | Earth leakage relay |
| 8 | C001-260-32 | 4 poles 32A circuit breaker with tripping coil |
| 9 | C008-001 | 3P+T female connector |
| 10 | C003-940 | Emergency stop |
| 11 | C003-030 | Circuit breaker cover |
| 12 | C001-019-32 | 1 pole 32A circuit breaker |
| 13 | C001-019-16N | 1P+N 16A circuit breaker |
| 14 | C001-506 | 400V 32A 3P+N+T CE socket |
| 15 | C001-507 | 230V 32A 1P+N+T CE socket |
| 16 | C001-670 | 230V 16A 1P+N+T CE socket |
| 17 | Z016-071 | Alluminium platen |
| 18 | 340-253 | Terminals cover |
| 19 | C001-251 | M6 terminal |
| 20 | C001-032 | Security switch |
| 21 | C001-735-V | Green signal lamp |
| 22 | C001-340 | 230V 16A 1P+N+T CE plug |
| 23 | C003-1157 | Knob |
| 24 | C003-351 | Wire stopper |
| 25 | 340-252 | Dashboard |
| 26 | 340-039 | Alluminium platen |
| 27 | Z340-046 | Rear cover |
| 28 | C001-284 | Fuse housing |
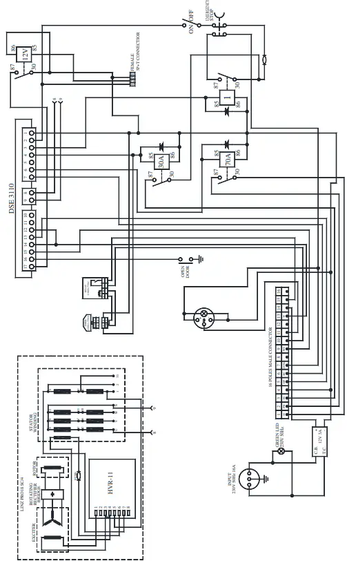
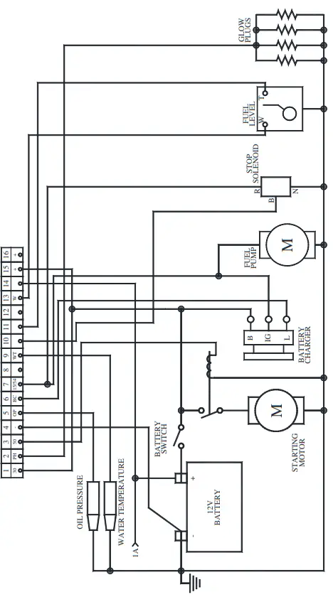
WIRING DIAGRAM


USING MANUAL
EARTH CONNECTION
Connect the unit to the earth, means the suitable clamp.
Earth Leakage Circuit Breaker.
The product is equipped with an Earth Leakage Circuit Breaker (ELCB) which guarantees user protection against electric shocks due to unwanted connect with live parts of the circuit or insulation fault.
Warning!
In order to guarantee ELCB proper operation, the product must be earthed. Earth connection have to be conform to IEC 364 standard.
Warning!
Check weekly the ELCB functioning by the suitable TEST push button on the ELCB.
FUNCTIONING MODES
The machine can work in 2 different modes:
- Local mode: The machine will be started and stopped by the local controls.
- Remote mode: The machine will be started and stopped by the remote device.

pct. 5.3
LOCAL MODE
- Switch ON the DSE supplying switch (n°2 pct.2.1).
- To start the machine push the START button (n°3 pct.5.3).
- To stop the machine push the STOP button (n°1 pct.5.3).
REMOTE MODE
- Connect the remote START/STOP device to the remote connector (n°5 pct.2.1).
- Switch ON the DSE supplying switch (n°2 pct.2.1).
- Push the AUTO button (n°2 pct.5.3).
- The machine will be started and stopped by the remote device.
- To stop manually the machine, and to exit the AUTO mode, push the STOP button.
WARNING
In order to preserve the engine performance we strongly suggests to follow the maintenance operations and the maintenance schedule reported in the engine manufacturer “Use and maintenance” user manual. Poor maintenance could result in a shorter period of operation and in performance decrease.
GENERAL USE INSTRUCTION
TRANSPORTATION
The machine must be fixed carefully to the motor vehicle if it has to be moved to the place of use. Raise the machine using the lifting eye if the model foresees it; otherwise, lift it using a forklift, taking care that the weight is well balanced on the two forks. It is advised not to stay in the range of action during these operations; furthermore we suggest not to keep the machine hung up for long. If the machine is delivered without the wheels on, mount them before switching the machine on. During the normal use of the machine mounted on wheels (in a building yard or anywhere), the operator must ascertain that the machine is weel placed in order to avoid unforeseen displacement.
CAUTION
- Be careful: the generating set or the welder is furnished WITHOUT lube oil. Provide the machine with “10 W 40” multigrade oil indicated for temperatures from – 20° C to 40° C in the quantity indicated in the engine SPECIFICATION section.
- Be careful: if the machine is fitted with a water cooled engine fill the radiator circuit with a solution made up by 50% water and 50% antifreeze liquid inthe quantity indicated i the engine SPECIFICATION section.
- Be careful: the generating set is furnished with flat battery and without acid. Fill it using sulphuric acid in a 30% – 40% concentrated solution up to the complete covering of the elements. During this operation, we suggest the operator to use the gloves; the accidental contact with the sulphuric acid solution must be washed up immediately with cold water and, if necessari, a doctor must be consulted.
- Be carefull: don’t disconnect battery cables when the engine runs. This coud result in serious damages to the machine.
- Be carefull: BEFORE OPERATING THE MACHINE the neutral, or the equivalen winding point, MUST be connected effectively to the earth
(without any switch or other device that may interrupt the electric connection) from the earth clamp available on the machine, and identified by the symbol:
- Be carefull: for normal transportation, follow the instructions as specified in the TRASPORTATION section. Make sure that the machine doesn’t overturn in order to avoid spill of acids from the battery.
RUNNING IN
For the first 50 hours of operation of the machine do not employ more than 70% of the maximum power indicated in the technical specifications. In this way, a proper engine running in is guaranteed.
STARTING AND WORKING
- Make the earth connection (see the USE INSTRUCTIONS).
- If the machine model IS NOT equipped with a earth leakege circuit breaker the available socket is intended ONLY for connecting the machine to a switch board equipped with all protection devices imposed by current law regulations.
- Check the perfect state and efficiecy of the cables.
- Make sure that all the switches, electric connections and regulations are inthe right position for the starting (see USE INSTRUCTIONS and CONTROL PANELS DESCRIPTIONS).
- While welding, eyes and body must be protected by gloves, maskes Use the machine in well ventilated places, taking care that the exhaust gas and the welding smokes eventually produced (where welders are used) do not stagnate. Keep the machine away from walls or other kind of obstacles i order to avoid air or gas recycling. If the machine is employed in closed places, use aspirators in order to guarantee a proper air recycling.
- The fuel refill must not be made while smoking or close to flames. This operation must be done when the engine is switched off.
- Do not fill the tank at its maximum level and clean up the fuel eventually overflowed.
- Check daily if there is loss of fuel or lubrificating oil on the ducts or on the engine.
- For machines provided zith liftable canopy insert the foreseen security sistems in order to avoid injures caused by an unexpected closure.
FORBIDDEN USE
- Do not connect the machine to the commercial electric network.
- Do not work close to inflammable materials or where there are explosive gas and vapours.
- Do not work in narrow and badly ventilated places.
- Do not work without using the protections placed in their proper positions and in perfect conditions.
- Do not touch the exhaust muffler and the parts of the engine next to it.
- Do not make service operations while the engine is running.
- Any service made on the electric parts must be done when the engine is stopped and by specialized technicians.
- Keep away from the moving parts of the engine while working and do not approach the machine with free and too long clothes.
SERVICE AND CLEANING
- We suggest a frequent cleaning of the machine since the presence of dirt can compromise the efficiency of the machine. The frequency of this operation tightly depends on the place where the machine is used. We advise, anyway. to pay special care to the service of:
- OIL LEVEL, OIL FILTER, AIR FILTER, COOLING LIQUID LEVEL, COOLING LIQUID LEVEL, HEAT EXCHANGER, VENTILATION DUCTS AND INTAKES, BATTERY
TEMPORARY STANDSTILL
- If the machine has to be stopped for a long period (more than one year), we suggest to leave the motor oil and the fuel in and the water in the radiator in order to avoid oxydizing effects.
- When the machine turns to work again, the liquids must be replaced, the battery must be charged; the belts and their statem the pipes, the rubber hoses and their resistance must be checked and a visual inspections of the electric connections must be done.
SCRAPPING
In order to preserve the environnement, it is advised to dispose of the oil, the fuel and the bettery that will be destroyed in proper places and ccording to the current laws. For the complete range of the materialsm see the list below:
- FERROUS MATERIALS: steel, cast iron, aluminium, copper, brass are udes in the bearing structure of engine, alternator, transformers, etc. PLASTIC
- MATERIALS: rubber, bakelite, epovit, lexan are used for the instruments, engine pipes, junction boxes and connectors, fuel tank, fuel cap, wheels, antivibration damper, condenser housing, fans, belts, filters and hoses.
- ELECTRONIC MATERIALS: various components, diodes, resistances, electronic panels.
- VARIOUS MATERIALS: rock woll, sound proofing materials.
- LIQUIDS: fuel, gasoline, cooling liquids, battery acid.
























