LIVOX LIDAR Avia High quality 3D Data Sensor
Product Profile
Introduction
The Livox Avia is a highly reliable and lightweight LiDAR sensor that features a long detection distance, high precision, and wide field-of-view (FOV). It can be used for a wide range of applications such as robotics, mapping, and vehicle-to-everything (V2X). High Detection Range: The Avia has significantly optimized the detection range of low reflectivity objects (e.g., rebar, concrete, rock, or soil) by 70%. Light Weight: The compact and portable Avia weighs just 498 g, making it suitable for drone mapping and
small robots. Triple Return: Firmware supports up to triple return in mapping so as to better meet the needs of forestry mapping. Alternative Scanning Patterns: The Avia supports both non-repetitive and repetitive scanning patterns. Nonrepetitive scanning technology is used to improve the static scanning effect and the effect for the vertical plane during on-the-fly mapping. Repetitive scanning technology is used for better density uniformity of point cloud data. Built-in IMU Module: The model of the built-in inertial measurement unit (IMU) is BMI088 and the push frequency is 200 Hz. User-Friendly Livox Viewer: Livox Viewer is a computer software designed for Livox LiDAR sensors and Livox Hub. Users can check real-time point cloud data of all the Livox LiDAR sensors connected to a computer and also record the point cloud data to view offline or for future application. The simple interface makes it easy to use. Open-Source Livox SDK: A software development kit (SDK) is provided to help develop customizable applications using the data acquired from the point cloud data. Livox SDK supports Windows, Linux, Mac OS, and ROS. The Avia has a detection range of up to 320 m, which can be reached when the target object reflects 80% or more of light. For reference, grey concrete walls and roads have a reflectivity range from 15% to 30%, while white plaster walls have a reflectivity range from 90% to 99% in an environment with a temperature of 25° C (77° F) and a solar illuminance of 100 klx. Before using for the first time, remove the screen protector from the optical window.
Product Characteristics
The Avia utilizes Livox’s unique scanning technology and provides two scanning point cloud patterns: nonrepetitive scanning patterns and repetitive scanning patterns. Users can choose the scanning pattern according to their requirements. When using non-repetitive scanning, the scanning density is denser in the center of the FOV compared to the surrounding area. For non-repetitive scanning point cloud patterns, the Avia has a FOV of 77.2° vertically and 70.4° horizontally. In the center of the FOV within a radius of 10°, the point cloud density rivals traditional 32-line LiDAR sensors within 0.1 s and traditional 64-line LiDAR sensors within 0.2 s. The point cloud density in the rest of the FOV rivals traditional 32-line LiDAR sensors within 0.2 s. Over time, the point cloud density and coverage inside the FOV increase significantly and reveal more detailed information of the surroundings.

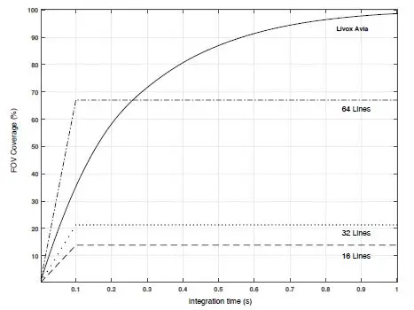
Figure 1.2.2 displays the FOV coverage of the Avia compared with other non-Livox LiDAR sensors that use traditional mechanical scanning methods. The diagram shows that when the integration time is less than 0.3 s, the FOV coverage of the Avia is slightly better than a 64-line LiDAR sensor. As the integration time increases, however, the FOV coverage of the Avia increases significantly. After 0.8 s, the FOV coverage approaches 100%, so almost all areas are illuminated by laser beams
Figure 1.2.2 The FOV coverage of the Avia compared with non-Livox LiDAR sensors using traditional mechanical scanning methods. The 16-line non-Livox LiDAR sensor has a vertical FOV of 30°, the 32-line non-Livox LiDAR sensor is 41°, and the 64-line non-Livox LiDAR sensor is 27°. For the repetitive scanning pattern, the repeat cycle is about 0.1 s, and the horizontal FOV is consistent with that of the non-repetitive scanning pattern, which is 70.4°. The minimum vertical FOV is 4.5°, the maximum is 6.8°, and the vertical angular resolution is slightly better than traditional 32-line LiDAR sensors. 
The performance of the scanning method is defined by the FOV coverage, which is calculated as the fraction of FOV illuminated by laser beams. The FOV coverage (C) can be calculated with the following formula:
Point cloud specifications
Overview
Livox Avia
- Optical Window
The laser passes through the optical window and scans objects in the FOV. - Conversion Cable
To connect the Avia to the Livox Converter 2.0, users can use this cable or a cable of their own. Refer to the Cables section for more information. - Mounting Hole
Make sure to use the correct screws when mounting. - Locating Hole
The locating hole makes it easy for users to findthe correct location to mount a fixed support for the Avia. Refer to the Dimensions section for more information.
Livox Converter 2.0
- LiDAR Connector Port
- A JAE MX34012NF1 type connector port is used to connect to the Avia. The mating connector is JAE MX34012SF1 LiDAR.
- Power Por
- Connects to an external power supply. When the Avia is connected to the Livox Convertor 2.0, users can use a power supply of 9 to 30 V. The connector type is MOLEX 1053313-1102. The mating connector is MOLEX 105307-1202.
- Ethernet Port
- An RJ45 type Ethernet connector used to connect to Ethernet cables.
- Sync Port
- The 3-pin sync port supports 3.3V LVTTL syncsignal input. Refer to Table 2.2.2 for more information. If needed, the mating connector of the sync port connector is Famfull 9.510A0-003- 1R0. JST GHR-03V-S is also compatible.
Connectors
M12 Aviation Connector
The Avia uses the high-reliability M12 aviation connector (male). It is a M12 12P A-code fully shielded male connector that meets the IEC61076-2-101 standard. The connector type is Finecables MA12MAHD12STXXXB14, and the IP rating is IP67. When the M12 aviation connector is used with the conversion cable, users can connect the Avia to the Livox Connector 2.0 for connecting power and transmitting control signals and data. If users want to improve the waterproof and dustproof protection of their system, they can replace the conversion cable with a cable of their own. The mating connector is a M12 12P A-code fully shielded female connector.

Conversion Cable
The Livox Avia includes a conversion cable. To connect the Livox Avia to the Livox Converter 2.0, users can use this cable or a cable of their own.
Conversion Cable description
Sync signal description
Visit https://github.com/Livox-SDK/Livox-SDK and refer to the Software Development Kit (SDK) section for more information about the sync signal.
Power Cable and Sync Cable
Power Cable
Connect “A” to the power port of the Livox Converter 2.0 and connect “B” to an external DC power supply. The connector type of this power cable is MOLEX 105307-1202.
Power cable description
Sync Cable
Connect “A” into the sync port of the Livox Converter 2.0 and connect “B” to the sync signal. The sync cable has a 3-pin connector. The connector type is Famfull 9.510A0-003-1R0, which is compatible with JST GHR03V-S type connectors. Refer to the Data Synchronization section for more information.
Sync cable description
Ethernet Port
The Livox Converter 2.0 supports a 100BASE-TX standard RJ45 Ethernet port. The Avia uses two twisted pairs to send and receive data.
Mounting the Livox Avia
Effective Field of View (FOV) Range
As shown below, the Avia has a FOV of 70.4° horizontally and 77.2° vertically. When mounting the sensor, make sure that the FOV is not blocked by any objects. Go to www.livoxtech.com/avia to download the 3D models of the Avia and its FOV.
Note that the effective detection range of the Avia varies based on where the object is within the FOV. The closer to the edge of the FOV, the shorter the effective detection range is. The closer to the center of the FOV, the farther the effective detection range. Refer to the diagrams below:
Mounting Notice
- Read and understand the following warnings before mounting the Avia.
- Before use, remove the screen protector from the optical window.
- Significant dust and stains on the optical window will affect the performance of the Avia LiDAR sensor. Follow the instructions in the Maintenance section to clean the optical window using compressed air, isopropyl alcohol, or a lens cloth.
- When mounting the Avia, the field of view must not be blocked by any object, including glass.
- There are no restrictions on which direction the Avia can be installed. The top or bottom surface can be used to mount the Avia. It is recommended that the surface is parallel to the ground when mounting.
- The Avia cannot bear any extra payload. Otherwise, the reliability of the product cannot be guaranteed.
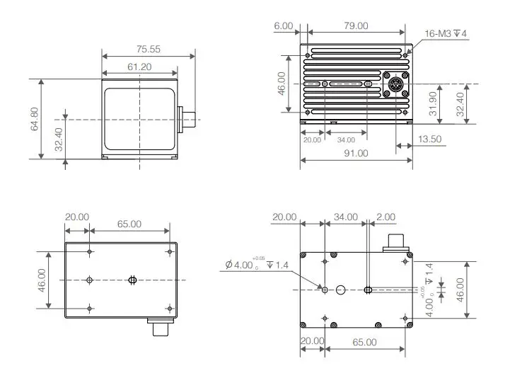
Dimensions
Refer to the dimensions and the mounting holes in the diagrams below to mount or embed the Avia to or in an appropriate place on the target base using M3 screws. Since the top and bottom sides as well as the left and right sides of the Avia are symmetric to the optical axis, the Avia can be mounted using any of these sides. The Avia can also be mounted or embedded to or in an appropriate place on a mounting bracket (not included).
Livox Converter 2.0
Refer to the dimensions below to mount the Livox Converter 2.0 correctly
Livox Converter 2.0 Weight & Dimensions
Getting Started
External Power Supply
The working voltage range of the Avia is from 10 to 15 V, with a recommended working voltage of 12 V. When an extension cable is required, make sure to increase the output voltage of the external power source due to the extra voltage reduction. Make sure the maximum voltage does not exceed 15 V. The minimum working voltage should be increased in a low-temperature environment. Note that the power cable may generate voltage fluctuation where the voltage exceeds 15 V in some scenarios such as if the power cable is interfered with or other devices connected to another power source in the parallel circuit suddenly power off. In such scenarios, the Avia may not work normally or may even be damaged. Normally, the working power of the Avia is 9 W. In an environment where the temperature is from -20° to -10° C (–4° to 14° F), the Avia will first enter self-heating mode, which lasts at least three minutes. In self heating mode, the working power of the Avia may reach up to 31 W. The working power of the Avia varies at different temperatures. Below shows the relationship between the temperature of the environment and the working power of the Avia. Make sure the power supply is suitable based on the peak power value of the Avia.
Connection
The Avia uses an M12 aviation connector for power supply as well as control signal and data transmission. Refer to the Cables section for more information about the connector. The Livox Converter 2.0 integrates a LiDAR port, a sync port, a power port, and an Ethernet port. For temporary use or to ensure optimal performance, it is recommended to use a Livox Converter 2.0 and a conversion cable. The Avia uses an Ethernet cable for data transmission and supports user datagram protocol (UDP). Both static and dynamic IP address configurations are supported. All Avia LiDAR sensors are set to static IP address mode by default with an IP address of 192.168.1.1XX (XX stands for the last two digits on the serial number of the Avia LiDAR sensor). The default subnet masks of the Avia LiDAR sensors are all 255.255.255.0, and their default gateways are 192.168.1.1. Directly connect the Livox Avia to the computer when using for the first time. The static and dynamic IP addresses are connected in different ways. 1. The static IP address is connected by default and in this mode the Avia can be connected to a computer directly. 2. To connect to the dynamic IP address, make sure the Avia is switched to dynamic IP mode by using Livox Viewer or the Livox SDK. In dynamic address mode, the addresses are assigned to the Avia using dynamic host configuration protocol (DHCP).
Static IP address:
- Follow the steps to set the IP address of your computer to static IP address: Windows® system
- Click to enter the Network and Sharing Center under Control Panel.
- Click the network you are using and click “Properties”.
- Double click “Internet Protocol Version 4 (TCP/IPv4)”.
- Set the static IP address of the computer to 192.168.1.50 and the subnet mask to 255.255.255.0. Click “OK” to complete.
Ubuntu™-16.04 system
- The IP address of the computer can be configured by using ifconfig command at the terminal. The configuration code is as below: ~$ sudo ifconfig enp4s0 192.168.1.50 (replace “enp4s0” with the network port name of the computer)
- Connect the Avia, Livox Converter 2.0, external power source, and computer by following Figure 4.2.1

- Connect the Avia to the 1.5m aviation connector and converter connector cable. Next, connect the 1.5m cable to the Livox Converter 2.0.
- Connect the computer and the Livox Converter 2.0 to the router using Ethernet cables. Make sure both the Livox Converter 2.0 and the computer are connected to the LAN port on the router.
- Connect the Livox Converter 2.0 to an external power source.
Dynamic IP address:
- Follow Figure 4.2.1 to connect the Livox Avia, Livox Converter 2.0, external power source, and computer.
- Run Livox Viewer, click to open the settings page, and set the IP address of the Avia to dynamic IP address.
- Disconnect the Avia, conversion cable, Livox Converter 2.0, external power source, and computer.
- Follow the steps to set the IP address of your computer to dynamic IP address:
Windows system
- Click to enter the Network and Sharing Center under Control Panel.
- Click the network you are using and click “Properties”.
- Double click “Internet Protocol Version 4 (TCP/IPv4)”.
- Select “Obtain an IP address automatically” and “Obtain DNS server address automatically”, then click “OK” to complete.
Ubuntu-16.04 system
- Click to open “Network”.
- Click “IPv4”, and then click “Automatic (DHCP)”. Click “Apply” to complete.
- Connect the Avia, conversion cable, Livox Converter 2.0, router, computer, and external power supply by following Figure 4.2.2.

- Connect the Avia to the 1.5m aviation connector and converter connector cable. Next, connect the 1.5m cable to the Livox Converter 2.0.
- Connect the computer and the Livox Converter 2.0 using an Ethernet cable.
- Connect the Livox Converter 2.0 to an external power source.
Usage
Coordinates
The Avia has a built-in IMU. The coordinates of the point cloud O-XYZ and of the IMU O’-X’Y’Z’ are defined as below:
Output Data
The output information of Livox Avia LiDAR sensors includes point cloud data and IMU data. Both point cloud data and IMU data have timestamp and status codes, while point cloud data also has the target reflectivity, coordinates, and tag information.
Point Cloud Data
A point cloud is the collection of the points where the surface of an object was detected in the FOV of the LiDAR sensor. Each point contains the following information. Target reflectivity: 0 to 255. 0 to 150 corresponds to the reflectivity within the range of 0 to 100% in the Lambertian reflection model. 151 to 255 corresponds to the reflectivity of target objects with retroflection properties. Coordinates: can be expressed as Cartesian coordinates (x, y, z) and Spherical coordinates (r, θ, φ). The relationship between Cartesian and Spherical coordinates is shown in the figure below. When there is no object within the detection range or the object is placed outside the detection range, the coordinates of the point cloud will be expressed as (0, 0, 0) in Cartesian coordinates and as (0, θ, φ) in Spherical coordinates. Tags: indicate the return type of the laser and if the point detected is a noise. The format of the tag is as shown below: Each tag is composed of one byte. In this byte, bit7, and bit6 are
- Group 1, bit5 and bit4 are Group 2, bit3 and bit2 are Group 3 while bit1 and bit0 are Group 4.
- Group 2 indicates the return sequence of the sampling point. Featuring a coaxial optical path, the Avia itself will generate a laser return even if there is no detectable object around. This return is recorded as return 0. After that, if there is any object within the detectable range, the first laser that returns to the Avia is recorded as return 1, and then return 2, and so on. If the object is too close to the Avia, such as 1.5 m away, the first effective return will be merged into return 0, and be recorded as return 0.
- Group 3 indicates if the sampling point is noise based on the intensity of the return. Normally, the intensity of the
returns of the noise generated due to the interference of atmosphere particles such as dust, rain, fog, and snow is quite low. Therefore, noise is divided into two categories based on the intensity of the return received. “01” represents a low intensity return, indicating that the samples have a high possibility of being noise such as dust; “10” represents a moderate intensity return, indicating that the samples have a moderate possibility of being noise such as rain and fog. The lower the confidence level of the sample is, the lower the possibility that it is noise. - Group 4 indicates if the sampling point is noise based on its spatial position. Normally, when the Avia LiDAR sensors detect two objects in close proximity of each other, there will be some thread-like noise between the two objects. Noise is divided into three categories. The lower the confidence level of noise is, the lower the possibility that it is noise.
Note: Point property based on intensity and point property based on spatial position are not yet available for Avia. Contact Livox if you require either.
Timestamp
Both point cloud data and IMU data have timestamp information. There are three ways to synchronize data with the Avia: IEEE 1588-2008, Pulse Per Second (PPS), and GPS (PPS+UTC). IEEE 1588-2008: IEEE 1588-2008 is the Precision Time Protocol (PTP) enabling precise synchronization of clocks in measurement and control systems by Ethernet. Livox LiDAR sensors, as the ordinary clock in the PTP, only support UDP/IPV4 for PTP. Livox LiDAR sensors support the following message events: Sync, Follow_up,
Delay_req, Delay_resp.
PPS: PPS uses the sync cable for data synchronization. Refer to the Cables section for more information. The synchronization logic is shown in the figure below. The pulse interval in PPS is 1s (t0 = 1000 ms) while the continuous time of high-level voltage is from 20 ms to 200 ms (20 ms <t1< 200ms). The rising edge of PPS resets the timestamp to zero, so the timestamp of the point cloud data indicates the duration between the point cloud sampling and the PPS rising edge
GPS
GPS is a way to synchronize the data using the sync cable and UTC time. The PPS port logic is the same as the PPS synchronization mentioned above. Users are able to send the UTC time of each pulse to the Avia via SDK communication protocol. The logic of the UTC Time command is shown below. The timestamp of the point cloud data stands for the UTC sampling time of the point cloud once GPS synchronization is in use. Refer to the SDK Communication Protocols section for more information about commands.
Status Codes
Both point cloud data and IMU data have status code information. The status codes display the current working status of the Avia LiDAR sensors. By checking the status codes, users can see the temperature status, voltage status, motor status, dust warning, service life warning, and PPS signal status. Status codes can be viewed in Livox Viewer or the Livox SDK. Refer to the Livox Viewer User Manual for more information about how to check status codes.

Working States & Working Modes


The Avia also has three working modes: Normal, Standby, and Power Saving. These modes can be set in Livox Viewer and the Livox SDK.

Multiple Return Mode
The Avia can be set to Multiple Return mode using Livox Viewer or the Livox SDK. The Avia can generate a point cloud of up to three returns in Multiple Return mode, which has a point rate of 720,000 points per second. To set the return mode, run Livox Viewer after the Avia is connected. Click the desired device under Device Manager. Click to select the return mode.
IMU
Avia has a built-in IMU providing the altitude data of the Avia. The push frequency of the IMU can be set using Livox Viewer or the Livox SDK. The method to set the IMU push frequency is the same as setting the return mode of the LiDAR sensor.
Livox Viewer
Livox Viewer is a computer software designed for Livox LiDAR sensors and Livox Hub. Users can check realtime point cloud data of all the Livox LiDAR sensors connected to a computer, and also record the point cloud data to view offline or for future application. The simple interface makes it easy to use. For more information, download the Livox Viewer User Manual from the website https://www.livoxtech.com/downloads
Software Development Kit (SDK)
Besides using Livox Viewer to check real-time point cloud data, users can also use the SDK or ROS to apply the point cloud and IMU data acquired from Livox LiDAR sensors to different scenarios.
SDK Communication Protocol
With the SDK Communication Protocol, users can learn how to customize the Livox LiDAR sensors. The SDK Communication Protocol encompasses the following three types of data: Control Command Data: Configuration and query of LiDAR parameters and status information. Point Cloud Data: Point cloud data generated by LiDAR. IMU Data: IMU data generated by the built-in IMU. All data is stored in little-endian format. Visit http://www.livoxtech.com/sdk to learn more information about the SDK Communication Protocol, Livox SDK API Reference, and ROS Toolkit.
Storage, Transportation, and Maintenance
Storage
- The storage temperature range for the Livox Avia is from -40° to 85° C (-40° to 185° F). Keep Avia LiDAR sensors in a dry and dust-free environment.
- Make sure Avia LiDAR sensors are not exposed to environments containing poisonous or corrosive gases or materials.
- DO NOT drop Avia LiDAR sensors and be careful when placing a LiDAR sensor in storage or taking it out of storage.
- If a Avia LiDAR sensor is not to be used for more than three months, regularly check the sensors and connectors for abnormalities.
Transportation
- Before transportation, place Avia LiDAR sensors in a suitable box for transportation and make sure it is secure.
- Make sure to place foam inside the transportation box and that the box is clean and dry.
- DO NOT drop Avia LiDAR sensors and always be careful when carrying a LiDAR sensor.
Maintenance
Under normal circumstances, the only maintenance required for the Avia is to clean the optical window of the LiDAR sensor. Dust and stains on the optical window can negatively affect the performance of the LiDAR sensor. Make sure to regularly clean the optical window to prevent this from happening. First, check the surface of the optical window to see if cleaning is necessary. If it is necessary to clean, follow the steps below:
- Use compressed or canned air:
- DO NOT wipe a dusty optical window, as it will only cause more damage. Dust the optical window with compressed or canned air before wiping the optical window. Note that if the optical window has no visible stains afterward, it is not necessary to wipe it also.
- Wipe the stains:
- DO NOT wipe using a dry lens tissue, as it will scratch the surface of the optical window. Use the lens tissue provided with isopropyl alcohol. Wipe slowly to remove the dirt instead of redistributing it on the surface of the optical window.
Troubleshooting
After-Sales Information
Visit www.livoxtech.com/support to check the after-sales policy and warranty conditions for Livox LiDAR sensors.
Appendix
- Appendix 1
- Livox Avia Dimensions (Unit: mm)

- Livox Avia Dimensions (Unit: mm)
- Appendix 2
- Livox Converter 2.0 Dimensions (Unit: mm)

- Livox Converter 2.0 Dimensions (Unit: mm)
























