
Outdoor Digital Timer Box
Sku; HODT01B
Instruction Manual

Thank you for your purchase. Please contact us if you have any questions. We will get back to you within 24 hours. Email: [email protected] Please attach your Order ID so that we can serve you better.
Warning: This timer should be installed by a licensed electrician. Turn the power off at the main panel before servicing this switch or the equipment it controls. IMPORTANT: For outdoor use. Rain-tight or wet location conduit, hubs, tubing, and cable fittings that comply with requirements of UL 514B must be used for installation.
READ ALL INSTRUCTIONS before using the Timer Box.
Product Illustration

Specifications
Input: 120-277VAC 60Hz
Output: 40A Resistive 120 to 277 VAC;
30A General purpose 120 to 277 VAC;
20A Resistive, 30VDC;
1HP, 120 VAC;
2HP, 240VAC;
20A Ballasted load 120 to 277 VAC;
15A Tungsten, 120 VAC;
5A Tungsten, 250VAC;
800VA, Pilot Duty, 120VAC;
720VA, Pilot Duty, 240 VAC;
TV-5, 120VAC Raintight
Installation Instructions
- Read Important Safety Information below before beginning installation.
- Open the outer cover by pressing the clip.
- Remove the interior protective cover by removing the screw holding the cover in place (Figure 1).
- Select the knockouts to be used. If you use the 1/2″ knockout, carefully cut off the inner ring of the rubber plug with a knife (Figure 2). If you use the 3/4″ knockout, please remove the entire rubber plug (Figure 3).
- Place the Timer Box in the desired mounting location and mark it. Install a screw at the mark and drive partially in place. Attach Timer Box by placing keyhole over screw; then tighten the screw firmly.
- Press the upper clip to remove the motherboard (Figure 4).
- Use copper wire AWG 8-18 suitable for 90°C(194°F). WIRING TO COMPLY WITH ALL LOCAL AND NATIONAL ELECTRICAL CODES. Bonding between conduit connections is not automatic and must be provided as part of the installation. Minimum 10.6 lb. in. torque required at the terminals to ensure proper connections, strip the supply, and load wires to 1/2″.
- Grounding: Terminate all ground wires to the grounding lug at the bottom of the enclosure.
- Assemble the motherboard and interior protective cover. 1
- Close outer cover.




Important Safety Information
WARNING: Risk of Fire or Electric Shock. Read instructions thoroughly before installation and preserve them for future reference. Disconnect power at circuit breaker and test that power is off before installing (or servicing) the Timer Box (more than one circuit breaker or Wiring must be in accordance with all national and local electrical code requirements. Inspect all terminals and wires with a voltage meter before disconnect switch may be required to fully disconnect power). touching. The maximum total load to be controlled must not exceed Timer Box capacity. The Timer Box enclosure does not provide grounding between conduit connectors. When a metallic conduit is used, you must also install grounding-type bushings and jumper wires in accordance with National Electrical Code (NEC) requirements.
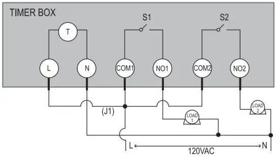
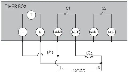
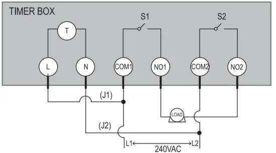
TIMER BOX TERMINAL DESIGNATIONS

L = Line I N = Neutral I NO = Normally Open ICOM = Common Terminal J = Jumper Wire I T = Timer
TIMER BOX TYPICAL APPLICATION WIRING DIAGRAMS
Note: Timer Box is capable of being configured for 120 VAC, 240VAC or 277VAC.
*J1 & J2 are 16 AWG jumper wire for the timer power supply. 120VAC Application Controlling One 120VAC Load
120VAC Application Controlling Two 120VAC Loads

240VAC Application Controlling One 240VAC Load
277VAC Application Controlling Two 277VAC Loads
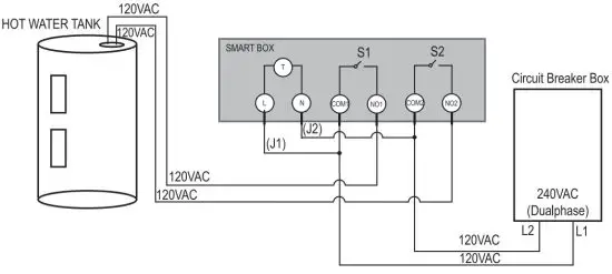
HOT WATER HEATER TYPICAL WIRING DIAGRAM

Operating Instruction
- Reset
Before programming, all settings should be reset. The reset hole which is identified by “R” is just located below the “R/RECALL” button. Use a paper clip or ballpoint pen to stick it. See Figure 1.
- Set the Current Time
a. Keep the “CLOCK” button pressed the entire setting operation.
b. Press the “HOUR” button to set hours.
c. Press the “MIN” button to set minutes.
d. Press the “WEEK” button to select the correct day of the week.
e. Release the “CLOCK” button. The time will be set. - ON/OFF Program Setting
a. Press the “PROG” button once , Figure 2 will appear. There are a total of 20 ON/OFF settings.
b. Press the “HOUR” or “MIN” buttons to set ON time.
c. Press the “WEEK” button to select the day(s).
• MO,TU,WE,TH,FR,SA,SU
• MO
• TU
• WE
• TH
• FR
• SA
• SU
• MO,TU,WE,TH,FR
• SA, SU
• MO,TU,WE,TH,FR,SA
• MO, WE,FR
• TU, TH, SA
• MO, TU, WE
• TH, FR, SA
d. Press the “PROG” button to save and proceed to the “1 OFF ” setting. See Figure 3
e. Repeat steps a-e to set ON/OFF times. Press the “PROG” button again will advance to the other 19 ON/OFF settings.
Note: Timer should operate in the “AUTO ON” or “AUTO OFF” mode. See the “Switching Mode Indication” section. - Clear Function
a. Press the “PROG” button to select the ON/OFF setting that needs to be changed.
b. Press the ” R/RECALL” button to clear the current ON/OFF setting (See Figure 4) without having to scroll through all the hours.
- Switching Mode Indication
The actual mode is shown on the display as “ON”, “AUTO ON”, “OFF”, or “AUTO OFF” together with the time of day. Press the “ON/AUTO/OFF” button to adjust to the desired setting mode. - Manual Override Setting As independent programming, it is possible at any given time to advance to the next switching command by constantly pressing the “MANUAL” button, as shown below:
ON = Always ON; OFF = Always OFF; AUTO ON = Timer is ON currently and ON/OFF program is activated. AUTO OFF = Timer is OFF currently and ON/OFF program is activated. - Daylight Saving Time (DST)
Press and hold the “CLOCK” button for 3 seconds to advance to the current time of 1 hour, “+1h” icon will appear on the display. Press and hold the “CLOCK” button for 3 seconds again to decrease 1 hour and the “+1 h” icon will disappear. See Figure 8.
- Power Back-up Feature In the event of a power failure, the timer will retain its settings for an estimated 3 months if the power backup is fully charged.
One Year Limited Warranty DEWENWILS warrants this product to be free from defects in material and workmanship for a period of one year from the date of purchase. Warranty is void if the damage is caused by misuse or improper installation. Email: [email protected]. Our dedicated customer service team will get back to you within 24 hours.

b. Press the “HOUR” or “MIN” buttons to set ON time.
ON = Always ON; OFF = Always OFF; AUTO ON = Timer is ON currently and ON/OFF program is activated. AUTO OFF = Timer is OFF currently and ON/OFF program is activated.





