dewenwils HOMT01A Outdoor Mechanical Timer Box

Warning: This timer should be installed by a licensed electrician. Turnpower off at main panel before servicing this switch or the equipment it controls.
IMPORTANT: For outdoor use. Rain-tight or wet location conduit, hubs, tubing, and cable fittings that comply with requirements of UL 514B mustbe used for installation.
Product Illustration

Specifications
- Input: 120-277VAC 60Hz
- Output: 40A Resistive 120 to 277 VAC;
- 30A General purpose 120 to 277 VAC; 20A Resistive, 30VDC;
- 1HP, 120 VAC;
- 2HP, 240VAC;
- 20A Ballasted load 120 to 277 VAC;
- 15A Tungsten, 120 VAC;
- 5A Tungsten, 250VAC;
- 800VA, Pilot Duty, 120VAC;
- 720VA, Pilot Duty, 240 VAC; TV -5, 120VAC
Installation Instructions
- Read Important Safety Information below before beginning installation.
- Open outer cover by pressing the clip.
- Remove the interior protective cover by removing the screw holding the cover in place

- Select the knockouts to be used. If you use the 1/2″ knockout, carefully cut off the inner ring of the rubber plug with a knife . If you use the 3/4″ knockout, please remove the entire rubber plug


- Place the Timer Box in the desired mounting location and mark it. Install a screw at mark and drive partially in place. Attach Timer Box by placing keyhole over screw; then tighten screw firmly.
- Press the upper clip to remove the motherboard

- Use copper wire AWG 8-18 suitable for 90°C(194°F). WIRING TO COMPLY WITH ALL LOCAL AND NATIONAL ELECTRICAL CODES. Bonding between conduit connection is not automatic and must be provided part of the installation. Minimum 10.6 lb. in. torque required at the terminals to ensure proper connections, strip the supply and load wires to 1/2”.
- Grounding: Terminate all ground wires to grounding lug at the bottom of enclosure.
- Assemble the motherboard and interior protective cover.
- Close outer cover.
Important Safety Information
WARNING: Risk of Fire or Electric Shock. Read instructions thoroughly before installation and preserve for future reference. Disconnect power at circuit breaker and test that power is off before installing (or servicing) the Timer Box (more than one circuit breaker or Wiring must be in accordance with all national and local electrical code requirements. Inspect all terminals and wires with voltage meter before disconnect switch may be required to fully disconnect power). touching. The maximum total load to be controlled must not exceed Timer Box capacity. The Timer Box enclosure does not provide grounding between conduit connectors. When metallic conduit is used, you must also install grounding type bushings and jumper wires in accordance with National Electrical Code (NEC) requirements.
TIMER BOX TERMINAL DESIGNATIONS

L = Line | N = Neutral | NO = Normally Open |COM = Common Terminal | J = Jumper Wire | T = Timer
TIMER BOX TYPICAL APPLICATION WIRING DIAGRAMS
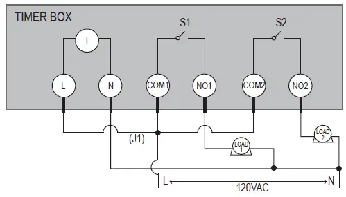
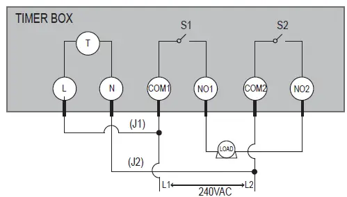
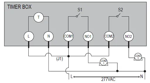
Note: Timer Box is capable of being configured for 120 VAC, 240VAC or 277VAC. *J1 & J2 are 16 AWG jumper wire for the timer power supply. 120VAC Application Controlling One 120VAC Load

120VAC Application Controlling Two 120VAC Loads

240VAC Application Controlling One 240VAC Load

277VAC Application Controlling Two 277VAC Loads

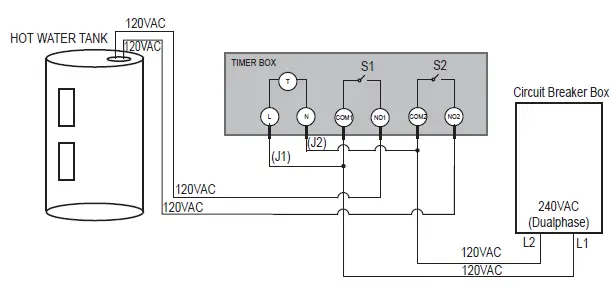
HOT WATER HEATER TYPICAL WIRING DIAGRAM

Operating Instruction
- Set the current time: Turning dial clockwise until the arrow indicates to current time.
- Begin with all pins inner ring. Push the pins out for the periods of time you want the timer to be ON. Pins in outer ring represents ON and inner ring represents OFF.
Note: Pins indicated by the arrow can not be push out, rotate the dial to make it work. - Push the manual override switch to “ ” position. You may override operation of the timer by setting the switch to “I” position, the power supply will always be ON. You may override operation of the timer by setting the switch to “O” position, the power supply will always be OFF. Be sure to set switch back to the “ ” for proper timer function.
- Make sure the electrical device is in ON state so the timer box can control it to work properly.
- If blackout, reset the present time as indicated above.
One Year Limited Warranty
DEWENWILS warrants this product to be free from defects in material and workmanship for a period of one year from the date of purchase. Warranty is void if damage is caused by misuse or improper installation. Email: [email protected]. Our dedicated customer service team will get back to you within 24 hours.
Email: [email protected] Please attach your Order ID so that we can serve you better.












