
CONTROL UNIT
HPCU360iCMP
FOR HEAT PUMPS

* Devices are not included in the standard equipment of the control unit.
![]()
Technical manual for control unit
ISSUE: 1.2_EN
01-2023
HPCU360iCMP Heat Pumps
ELECTRIC DEVICE UNDER VOLTAGE!
Before any action related to the power supply (cables connection, device installation etc.) check if the control unit is not connected to the power mains!
Installation should be done by a person with appropriate electrical qualifications. Improper cables connection could result in the control unit damage.
The control unit can’t be used in steam condensation conditions and can’t be exposed to water.
Recommendations regarding safety
Requirements concerning safety are listed in particular sections of this instruction. Apart from them it in necessary to fulfill the following requirements.
The control unit can be assembled only by qualified installer and in accordance with currently valid standards and regulations.- Prior to starting the assembly, repairs or maintenance and during the execution of any connection works, it is necessary to switch off the mains supply and make sure that no terminals no electrical wires are under voltage.
- After turning off the control unit terminals of the control unit can be under a dangerous level of voltage.
- The control unit can be utilized only in accordance with its intended use.
- Additional automatics should be used in order to protect central heating and DHW system against the results of control unit failure or software errors. Particularly control automatics which reduce DHW temperature in order to protect users against burns.
- Values of programmed parameters must be set in accordance with a particular building and hydraulic system.
- The control unit is not an intrinsically safe device. It means that in case of failure it can be a source of sparks or high temperature which surrounded by ashes or flammable gases can cause fire or explosion.
- Modification of the programmed parameters should be made only by a person who read this manual.
- Use only in heat and cooling system made in accordance with currently valid regulations.
- Electrical system including the control unit should be 3-wired and protected with fuse selected in accordance with used loads.
- The control unit cannot be used with damaged housing.
- Never make any modifications in control unit structure.
- The control unit consists of two components: control panel and main module. Replaced component must be compatible.
- Keep children away from the control unit.
General information
The HPCU360iCMP control unit is intended for a heat pump control and for controlling of space heating and cooling, and for domestic hot water (DHW) preparation as well.
Information about documentation
The control unit manual is divided into two parts: for user and serviceman. Yet, both parts contain important information, significant for safety issues, hence the user should read both parts of the manual.
Device producer is not responsible for any damages caused by failure to observe these instructions.
Storage of documentation
This assembly and operation manual, as well as any other applicable documentation, should be stored diligently, so that it was available at any time. In the case of removal or sale of the device, the attached documentation should be handed over to the new user.
Applied symbols
In this manual the following symbols are used:
– useful information and tips,
– important information, failure to observe these can cause damage of property, threat for human and household animal health and life.
Caution: the symbols indicate important information, in order to make the manual more lucid. Yet, this does not exempt the user from the obligation to comply with requirements which are not marked with symbol.
Directive WEEE 2012/19/UE
Purchased product is designed and made of materials of highest quality. The product meets the requirements of the Directive 2012/19/EU of 4 July 2012 on waste electrical and electronic equipment (WEEE), according to which it is marked by the symbol of crossed-out wheeled bin (like below), meaning that product is subjected to separate collection.
![]()
Responsibilities after finishing a period of using product:
- dispose of the packaging and product at the end of their period of use in an appropriate recycling facility,
- do not dispose of the product with other unsorted waste,
- do not burn the product.
By adhering obligations of waste electrical and electronic equipment controlled disposal mentioned above, you avoid harmful.
USER SETTINGS
HPCU360iCMP
The control unit description
The control unit control
The control unit is operated using a touch screen. Parameters are edited by touching the selected symbol on the control panel screen.

Main symbols meaning:
– information about heat pump and buffer, and heating/cooling circuits settings;
– DHW tank settings;
– time schedules for heating/cooling circuits and DHW tank;
– User settings menu and Service settings menu;
– turning the control unit on and off. Additional symbols meaning:
– currently selected screen and available screens;
– set preset temperature value of heating/cooling circuit and DHW tank;
– heating/cooling circuit pump operation;
– percentage opening of the heating/cooling circuit mixer valve;
– list of active alarms;
– Silent mode.
The control unit operation
Heat pump
The control unit controls the operation of the a heat pump according to demand for space heating or cooling.
Domestic hot water
The control unit controls the operation of DHW pump loading a DHW tank up to a user defined temperature. Preparation of DHW can be programmed in time intervals. The control unit also controls a DHW circulating pump which enables quick transportation of DHW to a bathroom or kitchen located far away.
Heating/cooling circuit
The control unit controls the operation of one direct heating/cooling circuit and two adjustable heating/cooling circuits. Water temperature in circuits is set by weather, i.e. water temperature in the heating/cooling circuit is calculated in accordance with a temperature from the outdoor temperature sensor. Due to this, despite of varying outside temperature, a room temperature in heated rooms is kept on a set level.
– Dependent heating/cooling circuits – the one control panel can be a common room thermostat for many circuits. For example, room temperature readings on a control panel installed in the living room affect operation of both radiator and floor circuit. – Independent heating/cooling circuit – there is a possibility of connecting room panels or room thermostats measuring room temperature independently and affecting assigned circuits. It is the way to obtain independency of the circuits, e.g. in case when one part of the building is used for the whole year and the second part is used periodically, e.g. for rent.
Preset temperature settings
The preset temperature of the heating/cooling circuit and the domestic hot water is set by pressing the screen with a view of the heating/cooling circuit and the DHW tank.


Tip: color change means if the heating/cooling circuit is in heating (red) or cooling (blue) mode.

Heating/cooling circuit settings
Pressing the
symbol displays the parameters:
- Circuit name – own name of the circuit, e.g. “Living room”.
- Hysteresis – the circuit will be charged to the preset temperature. After the water temperature in the circuit drops by the value of Hysteresis, the heating/cooling circuit will be switched on again. It is recommended to set the hysteresis in the range of 0.3…0.5 K.
- Preset comfort temperature – circuit temperature for comfort mode.
- Preset economical temperature – circuit temperature for economy mode.
DHW settings
Pressing the
symbol displays the parameter:
- DHW hysteresis – DHW tank will be loaded up to the preset temperature. When temperature of water inside the DHW tank drops by DHW hysteresis value, pump loading will be enabled and the DHW tank will be loaded again.
DHW tank charging is only active after connecting the DHW tank temperature sensor.
Time schedules
The control unit includes a function of programming time schedules. In the situation when user is out of the home or at night, the control unit can decrease the amount of supplied heat energy what affects fuel consumption. Time schedules are defined separately for heating/cooling circuits, DHW tank and circulation pump.
Time schedules can be set separately for each day of the week.

The symbols meaning:
,
– weekday selection and time period selection. The 24-hour interval is set every 30 minutes.
– copying the currently set time period to any day of the week.
– the preset room temperature is set to the value Preset economical temperature for heating/cooling circuits. The DHW tank and circulation pump are switched off.
– the preset room temperature is set to the value Preset comfort temperature for heating/cooling circuits. The DHW tank is loaded to the Preset DHW temperature. The DHW circulation pump is turned on for Circulation operation time and turned off for Circulation pause time.
Operating modes settings
Main operating mode of the heating/cooling circuit is selected by the symbol
on the screen.
The main operating modes:
– auto mode – automatically switches on or off the heating or cooling mode, depending on the outdoor (weather) temperature. Automatic switch to Auto mode is possible only with connected outdoor temperature sensor and when its operation is enabled.
– heating mode – the circuit performs the heating function.
– cooling mode – the adjustable circuit performs the cooling function. No cooling mode in case of direct circuit. Possibility to turn on cooling for mixers circuit. Cooling mode available if a fan-coil unit is selected for direct circuit.
Additional operating mode of the heating/cooling circuit and the DHW tank, which will suit the user’s preferences, is selected by the
symbol and the
symbol on the screen in the place where the preset temperature of the heating/cooling circuit and the DHW tank is changed. Operating mode can be selected separately for each heating/cooling circuit and DHW tank. In case when many heating/cooling circuits are assigned to a mutual control panel, operating mode change is global and
applies to all circuits simultaneously. The operating modes:
– comfort mode – the preset room temperature is constant and corresponds to the entered Preset comfort temperature value. DHW tank maintains constant preset temperature.
– auto-comfort mode – the preset room temperature is maintained at the same set time periods as the Preset comfort temperature. The heating/cooling circuit is switched off outside the set time periods. This mode cannot be selected for the DHW tank.
– economy mode – the preset room temperature is constant and corresponds to the entered Preset economical temperature value. This mode cannot be selected for the DHW tank.
– auto-economic mode – the preset room temperature is maintained at the set time periods as the Preset economical temperature. The heating/cooling circuit is switched off outside the set time periods. This mode can’t be selected for the DHW tank.
– off mode – the control unit switches the heating/cooling circuit or DHW tank off.
– schedule mode – the preset room temperature is switched between Preset comfort temperature and Preset economical temperature depending on clock indications and defined time programs for particular days of the week. The DHW tank is loaded during a period corresponding to Preset comfort temperature value. For time programs to Preset economical temperature, the DHW tank is off.
– DHW mode is On.
– DHW mode is Off.
– enables a single DHW load in situation when DHW tank heat energy saving mode is active. User can select main mode for DHW tank as
and, if necessary, activate an additional
mode in order to save heat energy resulting from stoppage losses of DHW tank. The silent operation mode for heat pump is selected with the symbol
only in the main screen with the heat pump view. Can choose from: Off, On-1, On-2. The description of the silent mode is available in the manual of the heat pump.
User settings
The control unit settings, according to user preference.
Pressing the
symbol displays the parameters:
- Hour – setting time. Time synchronization function with other connected room panels was applied.
Time synchronization will occur at the time difference between the room panel and the control unit min. 10 sec. - Date – setting date. Day of the week will be set automatically after setting date.
- Address – enables setting individual address of room panel in case of connecting more room panels to the control unit.
To make system work properly each room panel has to have subsequent addresses set, chosen from pool 100…132. - Language – menu language selection.
- Parental control – settings of parental control. The lock activates automatically after 5 minutes of inactivity. Unlocking the screen is possible after pressing the screen (about 4 sec., open padlock animation).
- Alarm list – a list of alarms reported by the control unit.
- Brightness – edit – screen brightness intensity.
- Time – screensaver – time to start the screen saver after the time of inactivity.
- Brightness – screensaver – screen brightness when the screen saver is active.
- Alarm sound – turn on or off the alarm sound.
- Key sound – turning on or off sound of keys when pressed on the screen.
Pressing the
symbol displays the parameters:
- Internet module settings – configuration of control unit Wi-Fi connection, with HPnet300CM Internet module connected. Connection of Internet module and its configuration is described in manual for this Internet module.
- Radio settings – configuration of the HPrfCM radio module connection to the control unit, in cooperation with the HPx40CM thermostat.
- Internet module status – LAN – information on the Wi-Fi and the www.econet24.com web site connection status.
- Internet module WiFi status – WiFi – information on the Wi-Fi connection status.
Pressing the
symbol displays information about the control unit, e.g. firmware version, serial number, etc. Pressing the
symbol allows to update the control unit’s firmware in accordance with section 16.
Cooperation with room panel and room thermostat
The control unit may operate with additional HPxTouchCM room panel and HPx40CM wireless room thermostat. Main functions of room panel/thermostat are: room thermostat function, control panel function, alarms signalization.
Cooperation with the Internet module
The HPnet300CM Internet module enables remote maintenance of the heat pump via Wi-Fi or LAN network through www.econet24.com Website. By using computer or mobile device with installed internet browser, user can remotely monitor and modify operation parameters of the control unit.
INSTALLATION AND SERVICE SETTINGS
HPCU360iCMP
![]()
Hydraulic schemes

Scheme with hydraulic crossover and DHW tank 1 : 1 – heat pump, 2 – control unit, 3 – Internet module, 4 – the 3-way valve, 5 – DHW tank temp. sensor, 6 – DHW tank, 7 – circulation pump, 8 – hydraulic crossover temp. sensor, 9 – hydraulic crossover, 10 – panel control with room panel function, 11 – outdoor temp. sensor, 12 – circuit 1 pump, 13 – wireless room thermostat, 14 – circuit 3 temp. sensor, 15 – circuit 3 pump, 16 – circuit 3 mixer, 17 – circuit 2 mixer, 18 – circuit 2 pump, 19 – circuit 2 temp. sensor, 20 – DHW heater.
PROPOSED SETTINGS:
| Circuit | Parameter | Settings | Service settings |
| Hydraulic scheme | Scheme 2 | Installation control → Hydraulic scheme | |
| Control unit sensor support | YES | Installation control → Outdoor sensor | |
| Circuit enable | YES | Installation control → Circuit 1 | |
| Circuit type | Radiator | Installation control → Circuit 1 | |
| Regulation method | Outdoor | Installation control → Circuit 1 | |
| Circuit enable | YES | Installation control → Circuit 2 | |
| Circuit type | Floor heating | Installation control → Circuit 2 | |
| Regulation method | Outdoor | Installation control → Circuit 2 | |
| Thermostat type | Thermostat T2 | Installation control → Circuit 2 | |
| Maximum temperature | 55°C | Installation control → Circuit 2 | |
| Circuit enable | YES | Installation control → Circuit 3 | |
| Circuit type | Fan coil | Installation control → Circuit 3 | |
| Regulation method | Outdoor | Installation control → Circuit 3 | |
| Thermostat type | Thermostat T3 | Installation control → Circuit 3 | |
| DHW support | YES | Installation control → DHW settings | |
| Circulation support | YES | Installation control → DHW settings → DHW settings |
1 Shown hydraulic scheme does not replace the central heating system and can only be used for demonstrative purposes!

Scheme with buffer and DHW tank 2 : 1 – heat pump, 2 – control unit, 3 – Internet module, 4 – the 3way valve, 5 – DHW tank temp. sensor, 6 – DHW tank, 7 – circulation pump, 8 – lower buffer temp. sensor, 9 –upper buffer temp. sensor, 10 – buffer, 11 – panel control with room panel function, 12 – outdoor temp. sensor, 13 – circuit 1 pump, 14 – wireless room thermostat, 15 – circuit 3 temp. sensor, 16 – circuit 3 pump, 17 – circuit 3 mixer, 18 – circuit 2 mixer, 19 – circuit 2 pump, 20 – circuit 2 temp. sensor, 21 – DHW heater.
PROPOSED SETTINGS:
| Circuit | Parameter | Settings | Service settings |
| Hydraulic scheme | Scheme 3 | Installation control → Hydraulic scheme | |
| Control unit sensor support | YES | Installation control → Outdoor sensor | |
| Buffer support | YES | Installation control → Buffer settings | |
| Circuit enable | YES | Installation control → Circuit 1 | |
| Circuit type | Radiator | Installation control → Circuit 1 | |
| Regulation method | Outdoor | Installation control → Circuit 1 | |
| Circuit enable | YES | Installation control → Circuit 2 | |
| Circuit type | Floor heating | Installation control → Circuit 2 | |
| Regulation method | Outdoor | Installation control → Circuit 2 | |
| Thermostat type | Thermostat T2 | Installation control → Circuit 2 | |
| Maximum temperature | 55°C | Installation control → Circuit 2 | |
| Circuit enable | YES | Installation control → Circuit 3 | |
| Circuit type | Floor heating | Installation control → Circuit 3 | |
| Regulation method | Outdoor | Installation control → Circuit 3 | |
| Thermostat type | Thermostat T3 | Installation control → Circuit 3 | |
| Maximum temperature | 55°C | Installation control → Circuit 3 | |
| DHW support | YES | Installation control → DHW settings | |
| Circulation support | YES | Installation control → DHW settings → DHW settings |
2 Shown hydraulic scheme does not replace the central heating system and can only be used for demonstrative purposes!
Technical data
Control unit
| Power supply. | 230 VAC, 50 Hz |
| Current consumption. | 0,4 A 3 |
| Maximum rated current. | 6 (6) A |
| Protection class. | IP 20 4 |
| Ambient temperature. | 0…50°C |
| Storage temperature. | 0…65°C |
| Relative humidity. | 5…85%, without water vapor condensation. |
| The CT-10 sensor temperature measurement range. | -40…+110°C |
| The CT10-P sensor temperature measurement range. | -40…+40°C |
| Temp. measurement accuracy CT-10, CT10-P. | ±2°C |
| Connectors. | Screw terminals at supply voltage side: 0.75-2.5 mm 2. Screw terminals at control voltage side: 0.14-1.0 mm 2. |
| Display. | Touch screen, graphical 480×272 pix. |
| External dimensions. | 234x225x64 mm |
| Weight. | 1.2 Kg |
| Standards. | EN 60730-2-9 EN 60730-1 |
| Software class. | A, acc. to EN 60730-1 |
| Protection class. | I class |
| Pollution degree. | 2nd pollution degree acc to PN-EN 60730-29 |
| Installation method. | On the wall. |
Control panel
| Power supply | 12 VDC |
| Current consumption | 0.15 A (12 VDC) |
| Display | Touch screen, graphical 480×272 pix. |
| Protection class | IP 20 |
| Ambient temperature | 0..50°C |
| Storage temperature | 0..65°C |
| Relative humidity | 5…85%, without water vapor condensation. |
| Connectors | Screw terminals at supply voltage side: 0,15…1,5 mm 2 |
| Dimensions | 144x97x20 mm |
| Weight | 0.2 Kg |
| Standards | EN 60730-2-9 EN 60730-1 |
| Software class | A, acc. to EN 60730-1 |
| Installation method | On the wall or stand |
Conditions of storage and transport
The control unit cannot be exposed to direct effects of weather, i.e. rain and sunlight.
During transport, the device cannot be
3 It is a current consumed only by the control unit. Overall current consumption depends on number of devices connected to the control unit.
4 After installing all cable clamps.
exposed to vibrations greater than typical for normal road transport.
The control unit installation
Installation requirements
The control unit should be installed by a qualified and authorized installer, in accordance with the applicable norms and regulations. The manufacturer bears no responsibility for damages caused by failure to follow this manual. The control unit cannot be used as a stand-alone device. The temperature of the ambient and the fitting surface cannot exceed the range of 0…50°C.
Installation of control panel
The control panel is designed for mounting on the wall, inside the room. It cannot be used under steam condensation conditions, must be protected against water. The control panel should be mounted at a height allowing comfortable operation, typically 1.5 m above the floor.

To reduce measurement disturbances avoid locations exposed to strong sunlight, with poor air circulation, near heating equipment, and directly at the door and windows, typically 0.2 m from the edge of the door.
When selecting the cable connecting panel with the control unit the following rule must be applied: use a cable where single wire has a resistance lower than 8 Ω and the total length of the cable does not exceed 100 m. The control panel installation should be done according to the following guidelines: Disconnect the mounting frame (1) from the back of control panel housing (2). The frame is attached to the panel housing with latches. Use a flat screwdriver to detach the frame.

Using sharp tool cut out holes in four places of the cover (3) for the screw terminals.

Connect transmission cable, connecting panel with the control unit, to the screw terminal (4), as described on the plate (5). The cable connecting panel with the control unit can be recessed in the wall or it can run over its surface – in this case the cable should be additionally placed in the cable channel (6). The connection cable cannot be conducted along with the cables of the building mains. The cable should not be routed near devices emitting strong electromagnetic field.

Drill holes in the wall and use screws to fix the mounting frame in the chosen place of the wall, maintaining its proper position (UP).
Then attach the panel to the mounting frame using latches.
Installation of module
The control unit should be located closest to the electrical devices included in the central heating system.
The control unit must not be used as a free-standing device.
The control unit should be screwed on to the flat surface, e.g. wall. To screw on the control unit use mounting holes and proper screws. Location and spacing of mounting holes is shown in the figure below.

After installation make sure that the device is properly mounted and it is impossible to detach it from the mounting surface.
Temperature sensors installation
The control unit works only with CT-10 and CT10-P temperature sensors. Using other sensor types is prohibited. Connecting the wrong sensor type will cause the control unit malfunction. At least one heating/cooling circuit temperature sensor is necessary to activate the control unit.
Circuit temperature sensors.
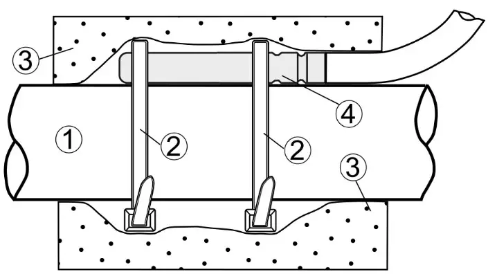
Direct circuit temperature sensor type CT-10 should be installed to a supplying pipe coming out from the heat source.
Temperature sensor of the adjustable circuit type CT-10 should be installed on a pipe behind the circuit pump. Insulate the sensors affixed to the external surface of the pipe with using thermal insulation covering the sensor together with the pipe.

Mounting temperature sensor: 1 – pipe, 2 – clamps, 3 – thermal insulation, 4 – temperature sensor.
Outdoor temperature sensor.
The control unit cooperates only with outdoor temperature sensor type CT10-P.
Temperature sensor should be fixed to a coldest wall in the building. Usually it is a north wall under the roof. Sensor should not be exposed to direct solar radiation or rain.
Sensor should be fixed on a minimum height of 2 m above the ground and in a distance of at least 1.5m from windows, chimneys and other heat sources which could interrupt the temperature measurement. Use a connecting cable with a cross section of at least 0.5 mm 2 and length of 25 m. Polarity of wires is not important. Fix the sensor to the wall with the screws. Holes containing fixing screws can be accessed by unscrewing a sensor cover.

Temperature sensors check
Temperature sensors can be checked by measuring their resistance in a given temperature. In case of significant differences between measured resistance value and values in table below, the sensor should be replaced with a new one.
| CT-10, CT10-P (NTC10K) | |
| Ambient temp. [°C] | Rated [Ω] |
| -30 | 175200 |
| -20 | 96358 |
| -10 | 55046 |
| 0 | 32554 |
| 10 | 19872 |
| 20 | 12488 |
| 30 | 8059 |
| 40 | 5330 |
| 50 | 3605 |
| 60 | 2490 |
| 70 | 1753 |
| 80 | 1256 |
| 90 | 915.4 |
| 100 | 677,3 |
| 110 | 508,30 |
| 120 | 386,60 |
Connecting pumps
Make electrical connections of the circuit pumps to the control unit according to the electric scheme.
Connection of heat pump cascade
All (maximum 5 heat pumps) heat pumps in a cascade must be connected to the controller M-BUS socket, according to the electric scheme. Cascade support must be enabled in the service menu.
For heat pumps, set subsequent addresses from 1 to 5 in the Heat pump settings in the service menu, which will allow the correct operation of these pumps in the cascade system.
The cable cross-section for connecting heat pumps to the controller should be at least 0.5 mm 2 and the cable length should not exceed 30 m. The cable should be shielded.
Connecting mixer servo
Electrical servo is installed only when there is an adjustable circuit. The control unit cooperates only with servos of valves equipped with limit switches. Using other switches is forbidden. Used servos must be characterized with a full revolution time of 1 sec. to 255 sec.
Mixer servo description.
- Disconnect electrical supply.
- Connect the circuit temperature sensor.
- Connect electrical cables of the adjustable circuit pump.
- Make electrical connections with the control unit and documentation of the valve servo.
- Read valve full opening time from a servo housing, e.g. 140 sec. It is usually located on a servo nameplate and oscillates in a range of 90…180 sec.
- Connect electrical supply and activate the control unit. Enter read time to Service settings menu: Installation control → Circuit 2 , 3 → Valve opening time.
- Go to the Manual test menu in the control unit and start the pump for the controlled circuit.
- Check all electrical cables affecting the direction of closing and opening of the valve. Switch to Manual test and open valve. In case of increasing temperature of the pipe located behind the circuit pump, electrical connection of the servo can be considered as correct.
- Set the appropriate function of the mixing valve in Service settings menu: Installation control → Circuit 2, 3 → Circuit type.
- Set a proper circuit Maximum temperature in control unit settings.
Output test
Switch to Manual control and execute tests concerning operation of all electrical receivers such as pumps or servos.
Connection of room panel or room thermostat
In order to stabilize room temperature, settings concerning room thermostat or room panel should be made. Room thermostat or room panel complements weather control and corrects water temperature in the heating/cooling circuit in case room temperature is still improper. It is recommended to use the control panel as a room thermostat. Room thermostat or room panel should be assigned to each heating/cooling circuit.
The control panel can operate as a room panel.
Wireless connection.
Connection of the HPx40CM room thermostat requires connection to the G1 socket of the HPrfCM radio module control unit and pairing between this module and thermostat. To do
this, enter the menu: User settings → Radio settings → Connect to therm. and confirm with Yes to activate pairing function.

Description of HPx40CM thermostat operation is included in device manual.
Wired connection.
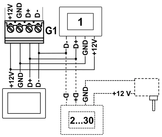
Attention: Directly to the G1 control unit socket only one control panel can be connected. Connecting the additional HPxTouchCM room panels (max. 32 room panels) to the control unit requires the use of an external power supply 12 VDC with a min. current = number of room panels x 0.15 A. The control unit can support maximum up to 30 room panels type HPxTouchCM.

Cross-section area of wires used to connect room panel should be 0.5 mm 2 .
Max. length of wires should not exceed 30 m. This length may be longer if the wires used have cross-section exceeding 0.5 mm 2.
Connecting the Internet module
The HPnet300CM Internet module should be connected using the interface to Internet module socket of the control unit. Then enter the menu: User settings → Internet module settings and configure the module connection to the Wi-Fi network by entering the network SSID, password and choosing the type of security. The connection status of the module to the Wi-Fi network and econet24 server can be checked in the information: Internet module status – LAN, Internet module status – Wi-Fi.

Description of HPnet300CM Internet module operation and web site www.econet24.com is included in device manual.
Weather control settings
Room temperature maintained in the heated rooms depends on the temperature of water in heating/cooling circuit. Water temperature in heating/cooling circuit is set depending on the temperature outside the building. The colder is outside, the higher heating/cooling circuit temperature. This dependence is expressed in the control unit in a form of a heating curve.
Make weather control settings in order to stabilize room temperature. Weather control should be enabled separately for each heating/cooling circuit in service settings.
Weather control is affected by the heating curve setting and heating curve shift setting. Preset temperature of water in heating/cooling circuit is calculated automatically depending on the outside temperature value. Due to this, proper selection of a heating curve will guarantee room temperature stability – independently of the outside temperature. This is why proper selection of a heating curve is very important. Heating curve can be changed and it reflects thermal characteristics of the building. The less heated building the higher heating curve should be. Heating curve should be selected experimentally by changing it in several day intervals.

Outdoor temperature [ºC] Heating curves.
Guidelines for proper setting of a heating curve:
- floor heating: 0.2…0.8
- low temperature heating: 0.8…1.6 Guidelines for selecting a proper heating curve:
- if at dropping outside temperature, room temperature increases, the selected heating curve is too high,
- if at dropping outside temperature, room temperature also drops, the selected heating curve is too low,
- if during frost, room temperature is proper and too low when the weather is warmer, it is recommended to increase Heating curve shift and decrease the heating curve,
- if during frost, room temperature is too low and too high when the weather is warmer, it is recommended to decrease Heating curve shift and increase the heating curve.
Poorly warmed buildings require setting higher heating curves, whereas well heating buildings require lower value of heating curve.
Preset temperature calculated from a heating curve can be decreased or increased by the control unit outside maximum or minimum temperature range for a particular object.
Stabilization of room temperature
Stability of maintaining room temperature depends on selection of weather control settings and room thermostat settings.
Connecting electrical system
The control unit is designed to be fed with 230 VAC, 50 Hz voltage. The electrical system should be:
- three core, with protective wire PE,
- in accordance with applicable regulations.
- equipped with a residual current protection device (RCD) with inrush current IΔn≤30 mA, protecting against the effects of electric shock and limiting damage to the control unit, including protection against fire.
After the control unit is turned off, dangerous voltage on terminals might occur. Before starting any assembly works, disconnect the mains supply and make sure that there is no dangerous voltage on terminals and the leads.
All peripherals may be connected only by qualified persons in accordance with applicable regulations. Keep safety precautions to prevent electrocution. The control unit should be equipped with a set of pins connected to the 230 VAC mains.
For safety reasons, the control unit must be absolutely connected to the 230 VAC power grid, with the sequence of connecting the phase (L) and neutral (N) wires. Make sure that the L and N conductors are not replaced within the building’s electrical system, e.g. in an electrical socket or in an electrical socket junction box.
Connecting the wires
Before connecting the wires, remove the terminal cover from the control unit’s housing.
Disconnect power supply before unscrewing the terminal cover of the control unit.

Cables should be connected to screw terminals of the (5 and 6) connector. The wires should be secured against pulling out using cable clamps (1). Tighten the cable clamp screws (2) with a force to prevent tearing or loosening wires from terminals due to mechanical stress. Protection lead of the power supply cable and protection leads of connected devices should be connected to the (7) protective strip placed inside the control unit’s housing.

Connecting wires to the control unit: 1 – cable clamps, 2 – cable clamp screws, 3 – voltage cables (mains 230 VAC), 4 – safe voltage cables (signal, below 15 VDC), 5 – mains cable connector 230 VAC, 6 – signal wires connector, 7 – protective wires connector.
Due to protection class IP20, all cable clamps (1) must be fitted, even if not all clamps are needed.
When the cables connection is done place the connectors back in place. Before screwing the control unit terminal cover, arrange the wires to prevent damaging the insulation by cutting it with cover edges or screws securing the cover. The maximum length of the external tire insulation cannot exceed 50 mm. Connection cables should not have contact with surfaces temperature of which exceeds cables nominal operating temperature.
The connectors cover should always be screwed on to the control unit’s housing.
Electrical scheme

Scheme of electrical connections to the control unit.
L N PE – power supply 230 VAC,
F1 – main fuse installed inside the control unit,
C2-M – circuit 2 mixing valve motor actuator,
C3-M – circuit 3 mixing valve motor actuator,
3WV – 3-way switching valve for heat buffer/DHW tank (must be protected by external fuse F4 – max. value 3,15 A),
DHWH – DHW tank heater,
C2-P – circuit 3 water pump,
C3-P – circuit 3 water pump,
AHS – additional heat source (must be protected by external fuse F2 – max. value 3,15 A),
CP – DHW circulation pump (must be protected by external fuse F3 – max. value 3,15 A),
C2-S – water temperature sensor of adjustable 2 circuit type CT-10,
C3-S – water temperature sensor of adjustable 3 circuit type CT-10,
DHW-S – DHW temperature sensor type CT-10,
BH – upper buffer temperature sensor type CT10,
BL – lower buffer/hydraulic crossover temperature sensor type CT-10,
CP-S – outdoor temperature sensor type CT10-P,
PS1 – switch (On-Off type) of adjustable 2 circuit,
PS2 – switch (On-Off type) of adjustable 3 circuit,
RT1 – control panel with room panel function,
RT2 – HPx40CM wireless room thermostat (ISM HPrfCM radio module),
H-BUS – the CN30 contact of the heat pump (HomeBus communication with heat pump),
M-BUS – connection of the heat pump cascade (ModBus communication with first heat pump in cascade),
IM – HPnet300CM Internet module (optional).
Terminals 1-22 are designed to connect devices supplied by the mains 230 VAC voltage.
Terminals 23–50 are designed to work with low-voltage devices (max. 15 VDC). Connection of the 230 VAC mains voltage to terminals 23-50 or to terminals G1, G2, H-BUS results in the regulator damage and poses a threat of electrocution.
Entering the menu requires entering the service password.
Service settings
Installation controller
Alarm list
Save/Load setup to/from SD card
Save Data Scan to SD card
Firmware update
Installation controller
Manual test
Heat pump settings
Information
Heat pump diagram
Hydraulic scheme
Outdoor sensor
Heat pump
Buffer settings
Hydraulic crossover settings*
DHW settings
Circuit 1-3
AHS
Default settings
Additional modules
Transmission protocol
Heat pump settings
Pump pause time in cooling
Cooling hysteresis
IBH support settings
Max. outdoor temp. allowing cooling
Min. outdoor temp. allowing cooling
Pump pause time in heating
Heating hysteresis
Max. outdoor temp. allowing heating
Min. outdoor temp. allowing heating
Test run
Outdoor sensor
Controller sensor support
SUMMER mode activation temperature
WINTER mode activation temperature
Heat pump
Cooling support
DHW temp. correction
Buffer temp. correction
Cooling temp. correction
Heating/cooling switching time
Buffer settings
Buffer cooling
Min. preset temperature
Preset temperature hysteresis
Heating installation start temp. hyst.
Cooling installation start temp.*
Cool water temperature*
Cool water temp. hysteresis*
Buffer operation type
Hydraulic crossover
Hydraulic crossover cooling
Min. preset temperature
Preset temperature hysteresis
Heating installation start temp. hyst.
Cooling installation start temp.
Cool water temperature*
Cool water temp. hysteresis*
DHW settings
DHW enable
DHW circulation
DHW electrical heater enable
Temp. sensor source
Circuit 1
Circuit enable
Circuit name
Circuit type
Circuit heating
Circuit cooling
Fixed preset water temp. – cooling*
Regulation method
Operation mode
Fixed preset water temperature
Decreasing fixed water temperature
Heating curve*
Heating curve shift*
Thermostat
Thermostat type*
Panel thermostat address*
Select wireless thermostat*
Thermostat pump blockade*
Circuit 2-3
Circuit enable
Circuit name
Circuit type
Circuit heating
Circuit cooling
Fixed preset water temp. – cooling*
Regulation method
Operation mode
Fixed preset water temperature
Decreasing fixed water temperature
Heating curve*
Heating curve shift*
Min. temperature
Max. temperature
Thermostat
Thermostat type*
Panel thermostat address*
Select wireless thermostat*
Thermostat pump blockade*
Valve opening time
Contact thermostat
Mixer support
Inverted thermostat logic
AHS
AHS enable
AHS enable condition
Temp. turn on support
Temp. turn off support
Time to detect no rising temp.
Switch to AHS temp.
Set temp. during AHS operation
Set temp. during AHS operation hyst.
Min. AHS stop time
*item unavailable if no appropriate sensor is connected or another parameter setting has hidden this item.
Description of service parameters
| Parameters | Description |
| Installation control | |
| • Manual test | Menu enables turning on particular heating system elements separately and conducting operation correctness tests of selected device. Turning on or off particular selected device is done by pressing the symbol on the screen. Note: the control unit does not check automation elements protection logics, so this menu should be used prudently and with awareness of starting outputs in order to avoid damaging the control unit and devices connected to its terminals. Long and uncontrolled operation of devices e.g. pumps, may result in damage. |
| • Heat pump settings | Heater pump settings according to the heat pump manufacturer’s manual. • Heat pump pause time in cooling – pause time of the heat pump after switching to the cooling function of the circuits. • Cooling hysteresis – the heat pump will be switched on again in the cooling function when the temperature of the upper source rises above the preset temperature of the upper source by the value of the Cooling hysteresis. • Max. outdoor temp. allowing cooling – maximum outdoor temperature above which the cooling function of the circuits will not be allowed. • Min. outdoor temp. allowing cooling – minimum outdoor temperature below which the circuit cooling function will not be allowed. • Heat pump pause time in heating – heat pump pause time while heating of the circuits. • Heating hysteresis – after the temperature of the upper source drops by the Heating hysteresis value, the heat pump switches to the heating function. • Max. outdoor temp. allowing heating – maximum outdoor temperature above which the heating function of the circuits will not be allowed. • Min. outdoor temp. allowing heating – minimum outdoor temperature below which the circuit heating function will not be allowed. • Test run – None/air purge/water pump/cooling/heating test function of heat pump. |
| • IBH support settings | Flow heater settings for supporting the heat pump heating. • IBH support enable – enabling or disabling support for the flow heater. • Outdoor temp. for enable IBH – below the value of this parameter, the flow heater will be turned on in order to heat up the heating/cooling circuit. • Temp. outlet diff. for enable IBH – delta of the set and current supply temperature of the upper source above which the flow heater will be activated. Parameters: IBH1 time delay, IBH1-2 time delay should be set in accordance with the recommendations of the heat pump manufacturer. |
| • Information | The menu contains information about the control unit operating parameters. |
| • Heat pump diagram | Information in the form of a hydraulic scheme about the heat pump’s operating status. |
| • Hydraulic scheme | Hydraulic scheme selection: • Hydr. crossover – support for DHW tank, hydraulic crossover and heating/cooling circuits. • Bufferss – support buffer and heating/cooling circuits. |
| • Outdoor sensor | The menu contains settings for outdoor temp. sensor. • Controller sensor support – activation or deactivation of the outdoor temperature sensor support. • SUMMER mode activation temperature – the outdoor temperature at which summer mode is activated. • WINTER mode activation temperature – the outdoor temperature at which summer mode is deactivated. |
| • Heat pump | The menu contains settings related to the heat pump. • Cooling support – activating the circuit cooling function by a heat pump. • DHW temp. correction – increasing the preset source set temperature in relation to the preset DHW set temperature. • Buffer temp. correction – increasing the preset buffer set temperature in relation to the preset set temperature of circuit 1 and increasing the upper source set temp. in relation to the preset calculated set temperature of buffer. • Cooling temp. correction – decreasing the upper source set temp. in relation to the preset buffer set temp. |
| • Buffer settings | The menu contains settings for the heat buffer. • Buffer cooling – activating cooling function for buffer. • Min. preset temperature – min. preset buffer temperature value. • Preset temperature hysteresis – hysteresis of buffer set temp. • Heating installation start temp.hyst. – It’s used to calculate the preset temperature of the heating system start from the highest preset temperature of the heating circuit in the hydraulic system. The heating system will turn on above the calculated installation start temperature. • Cooling installation start temp. – the heating/cooling circuit pumps will be switched on when the buffer temperature drops below this parameter in order to cooling the circuits • Cool water temperature – preset cool water temperature generating in the buffer. Parameter available only with circuit cooling function on. • Cool water temp. hysteresis – if the cool water temperature exceeds the Cool water temperature by the Cool water temp. hysteresis value, the heat pump will stop generating cool water in the buffer. Parameter available only with circuit cooling function on. • Buffer operation type – Buffer option with one or two temperature sensors |
| • Hydraulic crossover | The menu contains settings related to the hydraulic crossover when choosing Scheme 2. Tip: the crossover is operated as a buffer with one temperature sensor. • Hydraulic crossover cooling– activating cooling function for hydraulic crossover. • Min. preset temperature – The minimum set temperature to be set. • Preset temperature hysteresis – hysteresis of the preset temperature of the hydraulic crossover. • Heating installation start temp. hyst. – It’s used to calculate the preset temperature of the heating system start from the highest preset temperature of the heating circuit in the hydraulic system. The heating system will turn on above the calculated installation start temperature. • Cooling installation start temp. – Installation start temperature in cooling, below which the heating installation will be switched on. • Cool water temperature – preset cool water temperature. Parameter available only with circuit cooling function on. • Cool water temp. hysteresis – if the cool water temperature exceeds the Cool water temperature by the Cool water temp. hysteresis value, the heat pump will stop generating cool water. Parameter available only with circuit cooling function on. |
| • DHW settings | The menu contains settings related to the support of the DHW tank. • DHW enable – enable/disable DHW tank support. • Preset temperature – DHW set temp. • DHW hysteresis – hysteresis of DHW set temp. • Temp. sensor source – DHW temperature sensor source setting. |
| ► Disinfection settings | Settings related to the DHW tank disinfection function. • Disinfection support – choice: OFF/AHS/DHW • Preset temperature – preset DHW tank temperature during disinfection. • Starting hour – time at which disinfection function will activate. • Disinfection start day – day of the week to activate the disinfection function. • Only AHS – option available after selecting AHS. Anti-legionella carried out only with AHS. Note: it is necessary to inform the household members that the function has been enabled, because there is a risk of scalding with hot utility water. |
| • DHW circulation | The menu contains parameters related to the operation of the circulation pump. • DHW circulation enable – turn on/off circulation support. • DHW circulation schedule – activating schedule for DHW. • DHW circulation operation time – the DHW circulation pump operation time. It determines the working time after a break in the circulation pump operation. The DHW circulation pump operates periodically. • DHW circulation pause time – the DHW circulation pump pause time. Defines the time interval between activations of the circulation pump. The DHW circulation pump operates periodically. • Start from temperature – activation or deactivation of the circulation pump operation depending on the DHW tank temperature. • Pump start temperature – to save electricity, the circulation pump will be turned off when the DHW tank temperature is lower than the Pump start temperature. |
| • DHW electrical heater enable | DHW heater setting. • DHW heater time delay – time to starting DHW heater. |
| • Circuit 1 | Menu related to operating a direct heating/cooling circuit. The direct circuit 1 preset temperature will be automatically increased in order to guarantee heat for 2 and 3 adjustable circuits. • Circuit enable – turn on or off circuit support. • Circuit name – name of the circuit set by user. • Circuit heating – activates circuit heating in Winter mode. • Circuit cooling – activates circuit cooling in Summer mode. • Fixed preset water temp. – cooling – when Regulation method = Fixed and Circuit cooling = ON main heat source is disabled when Fixed preset water temperature – cooling is reached. Parameter is not available if Regulation method = Outdoor. • Fixed preset water temperature – when Regulation method = Fixed main heat source is disabled when Fixed preset water temperature is reached. Parameter is not available if Regulation method = Outdoor. • Decreasing fixed water temperature – when Regulation method = Fixed, then a constant set temperature of water in the circuit is decreased for operation modes: Comfort, Eco, Auto. • Heating curve – shows heat characteristic of building, the higher curve the higher water temperature in heat circuit. The parameter applies when Regulation method = Outdoor. • Heating curve shift – this parameter enables adjusting the heating curve. If room temp. is correct during cold weather and too low during warmer weather then it is recommended to turn up curve shift parallel and cut heat curve, similarly in otherwise. The parameter applies when Regulation method = Outdoor. • Thermostat – activation or deactivation of the room thermostat influence on the heating/cooling circuit operation. • Thermostat type – selecting the room thermostat for heating/cooling circuit: room panel or wireless room thermostat. • Panel thermostat address – enables setting individual room panel address in case of connecting more room panels to the control unit. Note: to make system work properly each room panel has to have set subsequent addresses set from pool 100…132. • Select wireless thermostat – selecting the room thermostat for heating/cooling circuit that will affect the operation of the heating/cooling circuit: T1, T2, T3 (if a maximum of three room thermostats are connected to the control unit). |
| ► Circuit type | Selecting the type of a direct heating/cooling circuit. To choose are: • Radiator – the circuit is on and loading radiator heating. • Floor heating – the circuit is on and loading floor heating. For this setting, the control unit ensures that the limit temperature in the floor circuit is not exceeded. High temperatures in the floor circuit can damage the floor structure and burn users. • Fan-coil – the circuit is on and performing a cooling or heating function using a fan-coil unit. Note: setting the circuit as a Fan-coil, when the cooling mode is active, means that the second circuit will never be heated – cooling has higher priority. |
| ► Circuit type | Selecting the type of a direct heating/cooling circuit. To choose are: • Radiator – the circuit is on and loading radiator heating. • Floor heating – the circuit is on and loading floor heating. For this setting, the control unit ensures that the limit temperature in the floor circuit is not exceeded. High temperatures in the floor circuit can damage the floor structure and burn users. • Fan-coil – the circuit is on and performing a cooling or heating function using a fan-coil unit. Note: setting the circuit as a Fan-coil, when the cooling mode is active, means that the second circuit will never be heated – cooling has higher priority. |
| ► Regulation method | Selecting the control method for direct heating/cooling circuit. • Fixed – constant set temperature of water in the direct heating/cooling circuit is maintained. • Outdoor – water temperature is relate to outside temperature sensor. The parameter is invisible when no outside temperature sensor is connected. |
| ► Operation mode | Selecting the circuit operation mode. • OFF – heating/cooling circuit is off. • Comfort – setting higher preset heating/cooling circuit temperature. • Eco – setting lower preset heating/cooling circuit temperature. • Auto – Comfort or Eco mode is set depending on the time schedule. |
| ► Thermostat pump blockade | The heating/cooling circuit pump is blocked when the room thermostat is active for the heating/cooling circuit. Available selection: • OFF – when the preset temperature in the room is exceeded, the heating/cooling circuit pump is not blocked. • ON – when the preset room temperature is exceeded, the heating/cooling circuit pump is blocked. |
| • Circuit 2 | Menu related to operating an adjustable heating/cooling circuit. Note: description is the same as for heating/cooling circuit 1 – additionally: • Minimum temperature – minimum preset water temperature in the adjustable heating/cooling circuit. • Maximum temperature – maximum preset water temperature in the adjustable heating/cooling circuit. If set the e.g. Maximum temperature > 55°C and Circuit type = Floor heating, the control unit will take 55°C as a maximum value in order to avoid the risk of scalding. • Valve opening time – enter total valve opening time. Usually the time value is on the nameplate on mixing valve servo cover. • Mixer support – enabling mixer support. • Contact thermostat – enabling contact thermostat support. • Inverted thermostat logic – thermostat logic inverted. |
| • Circuit 3 | Menu related to the operation of an adjustable circuit. Settings for the regulated Circuit 3 are analogous to those for Circuit 2. |
| • AHS | The menu contains settings related to the operation of an Additional Heat Source. • AHS enable – enable or disable the operation of the additional heat source. • AHS enable condition – additional heat source operation mode. The options are: Time, Delta, Outdoor temp. • Temp. turn on support – outdoor temperature below which the additional heat source will be turned on in order to heat up the circuit. The parameter is visible when selecting AHS enable condition = Time or Delta and requires that the external sensor support be switched on. • Temp. turn off support – outdoor temperature above which the additional source will be turned off. The parameter is visible when selecting AHS enable condition = Time or Delta and requires that the external sensor support be switched on. • Time to turn on support – the time until the additional heat source turns on the heating support. The parameter is visible when selecting AHS enable condition = Time or Delta. • Time to detect no rising temp.- it is the time of detecting the increase in the supply temperature of the upper source by at least 1°C. In other words: if during this time the supply temperature of the upper source does not increase by at least 1°C, the AHS contact will be activated. If the rise is greater than 1°C, the AHS will not be activated. The parameter is visible when selecting AHS enable condition = Delta. • Switch to AHS temp.- the outdoor temperature below which the AHS algorithm will be unlocked. The parameter is visible when selecting AHS enable condition = Outdoor temp. · Set temp. during AHS operation – the set temp. of the buffer / low loss header after the AHS is activated. The parameter is visible when selecting AHS enable condition = Outdoor temp. • Set temp. during AHS operation hyst. – the hysteresis of the set temperature of the buffer / hydraulic clutch (hysteresis of re-activating the AHS heating). The parameter is visible when selecting AHS enable condition = Outdoor temp. • Min. AHS stop time – minimum AHS stop time in case there is a new heat demand. In other words: if heating is finished and after some time there is another demand for heating the tank, and the AHS blocking time has not ended, then the AHS will not be switched on again – the AHS blocking time must be counted. The parameter is visible when selecting AHS enable condition = Outdoor temp. |
| • Transmission protocol | Protocol type selection: Homebus / Modbus. |
| • Default settings | Setting Restore default settings to Yes removes all changes introduced to parameter values in the control unit panel or control unit module, and restores default (factory) settings. |
| • Additional modules | Enabling module B or C support. |
| Save/Load setup to/fromSD card | Saving and loading the control unit parameters configuration on and from the microSD HC memory card. Description in section 16. |
| Firmware update | Description in section 16. |
| Heat pumps cascade | Attention: parameters available only in the manufacturer’s menu. Settings related to the operation of a cascade of heat pumps. • Cascade support – enable or disable support for the heat pump cascade (support for maximum 5 heat pumps in a cascade). Parameters visible after enabling the operation of the cascade of heat pumps. • Number of controllers – number of controllers in the cascade. • Deleting pumps working time – deleting counters / operating states of the heat pump. • Heat pumps group – setting of heat pump groups where can enable or disable the heat pump operation in the selected group 1, 2 or 3. Operation in a cascade has the main parameters deciding on the priority of starting the heat pump: pump group, pump operation time, number of pump starts, however priority is given to the pump group (group 1 always starts first), then the number of pump starts and finally the pump operation time. If an alarm is issued on any of the pumps, that pump is excluded from the cascade algorithm and will be skipped. • Heat pumps for DHW – number of heat pumps for DHW support. • Heat – pump 2 start delay – heat pump 2 starts with a time delay after heat pump 1 set in this parameter. • Buffer pump 2 start delay – for buffer heating, pump 2 starts with a time delay after pump 1 set in this parameter. • Buffer pump 3 start delay – for buffer heating, pump 3 starts with a time delay after pump 2 set in this parameter. • Buffer pump 4 start delay – for buffer heating, pump 4 starts with a time delay after pump 3 set in this parameter. • Buffer pump 5 start delay – for buffer heating, pump 5 starts with a time delay after pump 4 set in this parameter. • DHW pump 2 start delay – for DHW tank heating, pump 2 starts with a time delay after pump 1 set in this parameter. • DHW pump 3 start delay – for DHW tank heating, pump 3 starts with a time delay after pump 2 set in this parameter. • DHW pump 4 start delay – for DHW tank heating, pump 4 starts with a time delay after pump 3 set in this parameter. • DHW pump 5 start delay – for DHW tank heating, pump 5 starts with a time delay after pump 4 set in this parameter. • Simultaneous off – simultaneous switch off all heat pumps in the cascade after reaching the preset circuit temperature. |
Replacing components
Mains fuse replacement
The fuse is located under the control unit cover, next to the terminals at high-voltage side. Use 230 VAC fuses, anti-surge, made of porcelain: 5 mm x 20 mm. Output circuit fuses should be selected depending on the load. Standard current for the fuse is 6.3 A. A smaller fuse is allowed if the total load on the circuits is lower. A spare fuse is located under the cover of the control unit housing, at the low-voltage terminals.

In order to remove fuse lift fuse holder with flat-blade screwdriver and pull out the fuse.
Control panel replacement
When replacing the control panel make sure that its software is compatible with software in control unit’s module. The compatibility is kept if the first number of software in the control panel and module is the same.
Incompatibility between the software in panel and control unit may cause unexpected errors. The Manufacturer is not responsible for malfunctions caused as a result of using incompatible software by the end-user.
Executive module replacement
Requirements are analogous to the control panel.
Firmware update
Firmware update can be performed using only microSD HC memory card (FAT32 format files, 32 GB max.). In order to make firmware update the control unit’s power supply must be disconnected.
Before starting firmware update all peripheral devices operating with the central must be disconnected from electric power supply.
Insert memory card into the indicated socket.

The memory card should contain new firmware in *.pfc format for the panel and *.pfi format for the control unit module. New firmware should be placed directly on memory card with no folders or sub-folders. Next, connect the electric power supply to the control unit, then enter into user menu and install new firmware, first in the control unit module and next in the control panel.
Changes record:
The manufacturer reserves a right to make improvements and modifications of the products.
V1.1 – 12-2022 – ASH description and cascade parameters added.
V1.2 – 01-2023 – mobile app description removed.
![]()

Centrometal d.o.o.
Glavna 12
40306 MACINEC, CROATIA
[email protected]
www.centrometal.hr
















