EUROSTER 11-11C Central Heating Pump Controller User Manual
INTRODUCTION
Carefully study this user manual to learn how to correctly operate the EUROSTER 11/11C central heating (CH) pump controller.
FIELD OF APPLICATION
EUROSTER 11/11C is an electronic controller used to automatically turn ON/OFF CH system circulation pump depending on CH system water temperature. The pump may circulate water through a system heated by a coal- or gas-fired boiler. Water temperature is sensed by a sensor located at the CH system inlet.
The controller will also turn the pump OFF as soon as coal-fired boiler flame is put out. Water should not be circulated unless it is heated by the boiler since chimney air draft cools down the boiler water much faster than the radiator water.
Controller is equipped with a knob used to preset optimum CH system water temperature (most often around 40ºC). If the controller cooperates with a gas-fired boiler, its set point MUST BE LOWER than the boiler thermostat set point. Set the controller set point higher than the dew point in order to prevent boiler sweat during the process of heating the water up.
The EUROSTER 11/11C controller features the ANTY STOP function that prevents idle pump rotors and valves against seizing. Once the heating season is over, every 14 days the function automatically turns ON the pumps and the valves for 30 seconds. To that end the controller must be left powered up.
VISIBLE CONTROLLER ELEMENTS

- Mains switch
- 230 VAC~ mains input
- 230 VAC~ power supply to pump
- Input for the boiler temperature sensor cable
- Temperature preset knob
- Controller turned on green LED
- Pump turned on red LED
- Continuous operation switch
INSTALLATION
Hazardous voltages may be present inside the controller and on its cables.
Therefore it is expressly forbidden to install the device prior to disconnecting its mains power supply. Only qualified technicians may install the controller.
Do not install any devices showing signs of any mechanical damage.
The procedure:
- a) Mount the controller:
- using a pair of supplied nylon nail-it fasteners (anchors) mount the controller box on a wall (or any other suitable supporting structure)
- using fasteners fix controller cables to the wall.
- b) Install temperature sensor:
- do not immerse sensor in liquids nor install it within stream of flue gases
- install the CH system inlet temperature sensor at the boiler point specially designed for that purpose or on an unshielded boiler outlet pipe (as close to the boiler as possible)
- using hose clips tighten the sensor to the pipe.
- c) Hook up pump power supply cable:
- connect yellow (or yellow-green) PE wire with the terminal
- connect blue wire with the N terminal
- connect brown wire with the L terminal.
- d) Verify the connections:
- check up all cable connections and tighten terminal box lids.
- e) Hook up the controller:
- make sure controller cables are protected against incidental cut off
- plug the controller power supply cable into a 230V/50Hz mains socket equipped with a grounding pin.
The controller must not be installed in a place where the ambient temperature may exceed 40ºC.
TURNING THE CONTROLLER ON
- Turn the controller mains switch (1 in section 3) into the “I” position.
- Green LED (6 in section 3) goes ON
- In case of the E11C controller model its ANTY STOP function turns the pump on for about 30 seconds (red LED goes ON)
- Using the knob set the desired temperature.
AUTOMATIC OPERATION
The EUROSTER E11/11C controller engages/disengages CH system circulation pump depending on sensor temperature in relation to the knob-preset temperature set point. The pump is turned ON as soon as sensor temperature exceeds the set point, and is turned OFF as soon as it drops below the set point.
MANUAL OPERATION
Manual pump switch of the EUROSTER E11/11C controller may be useful e.g. to help deaerate the system or in case of a failure of the temperature sensor.
- Turn the continuous operation switch (8 in section 3) into the “I” position (red LED goes ON).
- The pump will be engaged regardless of the actual sensor temperature in relation to the controller set point.
TROUBLESHOOTING
- a) Device is dead (green LED does not go ON)
Burnt mains fuse or ROM failure. Replace the fuse or have the controller serviced. - b) Pump does not operate
Use manual operation switch (8) to turn the pump ON. If the red LED (7) goes ON but the pump does not operate, check if pump operates when connected directly to a mains socket. If so, have the controller serviced.
Turn the knob all the way towards minimum temperature and heat temperature sensor. If the red LED (7) does not go ON, have the controller serviced. - c) Pump continuously engaged
Make sure that manual operation switch (8.) is not turned ON. Turn the knob all the way towards maximum temperature. If the red LED (7) is still ON, have the controller serviced. Otherwise (the LED goes OFF but the pump does not stop) check the connections.
COMPATIBILITY WITH STANDARDS/CERTIFICATES
The EUROSTER 11/11C controller meets all requirements of the EMC and the LVD EU Directives. The CE Conformity Declaration is available on the http://www.euroster.com.pl Internet webpage.
SPECIFICATIONS
- Mains 230 V 50Hz
- Output rated load 3 A
- Hysteresis 5°C
- Length of cables 1.5 m
- Dimensions (width x height x depth) 150 x 90 x 52 mm
KIT CONTENTS
- controller box with temperature sensor
- sensor hose clip
- box fasteners/anchors
- this Installation & Operation Manual
- Template to drill holes for fasteners/anchors
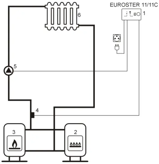
CONNECTION DIAGRAMS
Diagram presented below is simplified (not every element necessary to correctly operate the system is shown).
- EUROSTER 11/11C controller
- CH boiler (secondary)
- CH boiler (primary)
- Temperature sensor
- CH pump
- Heat load (radiator)
ELECTRONIC WASTE MANAGEMENT INFORMATION
We made every effort to get as a long controller lifetime as possible.
However, the device is subject to natural tear and wear. We ask you to have a controller that will not meet your requirements any more brought in to an electronic waste management facility. Electronic waste is collected free of charge by local distributors of electronic equipment.
Inappropriate management of electronic waste may lead to an unnecessary environment pollution.
Cardboard boxes should be disposed of at a paper recycling facility.
GUARANTEE CERTIFICATE
Warranty terms:
- Warranty is valid for 24 months from the controller sale date.
- Claimed controller together with this warranty certificate must be supplied to the seller.
- Warranty claims shall be processed within 14 business days from the date the manufacturer has received the claimed device.
- Controller may be repaired exclusively by the manufacturer or by other party clearly authorized by the manufacturer.
- Warranty becomes invalidated in case of any mechanical damage, incorrect operation and/or making any repairs by unauthorized persons.
- This consumer warranty does not exclude, restrict nor suspend any right of the Buyer ensuing if the product would not meet any of the sale contract terms.
Business entity that issued this warranty certificate:
P.H.P.U. AS Agnieszka Szymańska-Kaczyńska, Chumiętki 4, 63-840 Krobia, Poland

















