ACTIVE TWIST
Installation and service manual
Instruction Manual
Active Twist Kitchen Faucet
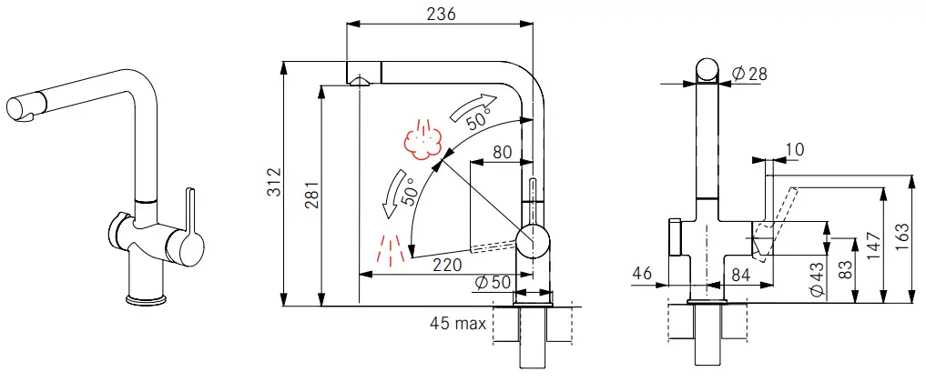
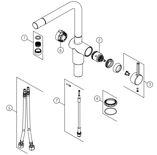
A Swivel spout L shape ACTIVE TWIST

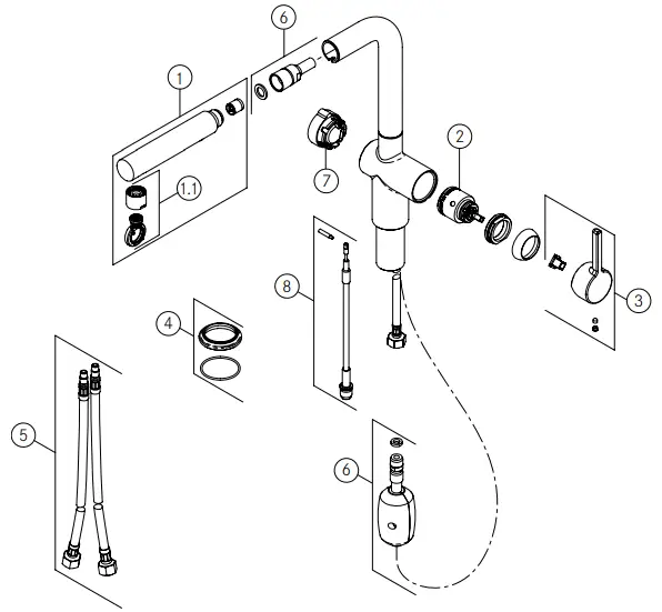
B Pull – out L shape 2 jets ACTIVE TWIST










Periodic checks
- Check connection and shower hoses periodically for the following:
– Watertightness
– Corrosion
– Mechanical damage - Use original spare parts only.
- Replace damp or dripping hoses.
- Replace hoses with rusty or oxidized surfaces.
- Replace hoses that show signs of mechanical damage.
Replacement of the flexibles
- Don‘t use a wrench or other items to mount the flexibles on the tap side.
Mount these only by hand. - Flush all pipes thoroughly before installation.
![]()
| Operating data | Value | ||
| Operating pressure (ideal) | 3 bar | 45 PSI | 300 kPa |
| Operating pressure (max.)* | 5 bar | 70 PSI | 500 kPa |
| Operating pressure (min.)* | 1 bar | 14.5 PSI | 100 kPa |
| Water temperature (ideal) | 60 °C | 140 °F | |
| Water temperature (max.) | 70 °C | 158 °F |
A Swivel spout L shape ACTIVE TWIST

B Pull – out L shape 2 jets ACTIVE TWIST

| Industrias Spar San Luis S.A. Buenos Aires 1008 Phone +54 11 4311 7655 Australia Franke Aus. Pty. Ltd. (PR Kitchen Systems) Melbourne 3175 Phone +61 3 9700 9100 Belgium Franke N.V. 9400 Ninove Phone +32 54 310 111 Brazil Franke Sistemas de Cozinhas do Brasil Ltda. 89219-512 Joinville, SC Phone +55 47 3431 0501 Canada Franke Kindred Canada Ltd. Midland, ON L4R 4K9 Phone +1 866 687 7465 China Franke (China) Kitchen Systems Co., Ltd. Heshan, Guangdong, 529700 Hotline 400 882 9898 Czech Republic Franke s.r.o. 190 00 Praha 9 Phone +420 281 090 411 Denmark Franke KS Denmark 8520 Lystrup Phone +45 8624 9024 Egypt Franke Kitchen Systems Egypt S.A.E. 6th of October City Hotline 16828 Finland Franke Finland Oy 76850 Naarajärvi Phone +358 15 341 11 France Franke France S.A.S. 60230 Chambly Phone +33 130 289 400 | Germany Franke GmbH 79713 Bad Säckingen Phone +49 7761 52 0 Greece Franke Hellas S.A. 19003 Markopoulo Attikis (Athens) Phone +30 22991 500 00 Hong Kong SAR Franke Asia Hong Kong Causeway Bay Phone +852 3184 1900 India Franke Faber India Pvt Ltd. Aurangabad – 431 136 Phone 1800 209 3484 Italy Franke S.p.A. 37019 Peschiera del Garda Numero Verde 800 359 359 Kazakhstan Franke Kazakhstan Ltd. 040918 Almaty City Phone +7 727 297 3812 Morocco Franke Kitchen System SARL 21 000 Casablanca Phone +212 522 674 200 Norway Franke KS Norway 8520 Lystrup, Denmark Phone +47 35 566 450 Poland Franke Polska Sp. z o.o. 05-090 Raszyn Phone +48 22 711 6700 Portugal Franke Portugal S.A. 2735-531 Cacém Phone +351 21 426 9670 Romania Franke Romania SRL Pantelimon 077145 Phone +40 21 350 1550 Russia Franke Russia GmbH 199106 St. Petersburg Phone +7 812 703 1540 | Slovak Republic Franke Slovakia s.r.o. 010 01 Žilina Phone +421 41 733 6200 South Africa Franke South Africa Durban 4052 Phone +27 31 450 6300 Spain Franke España S.A.U. 08174 Sant Cugat del Vallès Phone +34 93 565 3535 Sweden Franke Futurum AB 930 47 Byske Phone +46 912 405 00 Switzerland Franke Küchentechnik AG 4663 Aarburg Phone +41 800 583 243 Thailand Franke (Thailand) Co., Ltd. Bangkok 10110 Phone +66 2 013 7900 The Netherlands Franke Nederland B.V. 5700 AD Helmond Phone +31 492 585 111 Turkey Franke Mutfak ve Banyo Sistemleri Sanayi ve Ticaret A.S. 41400 Gebze Kocaeli Phone +90 262 644 6595 Ukraine Franke Ukraina LLC 02081 Kyiv Phone +38 044 492 0015 United Arab Emirates Franke LLC Ras Al Khaimah Phone +971 7 203 4700 United Kingdom Franke UK Ltd. Manchester M22 5WB Phone +44 161 436 6280 USA Franke Kitchen Systems LLC Smyrna, TN 37167 Phone 800 626 5771 |




















