ROBB SMARRT ROB_200-011-0 Smart ZigBee Micro Smart Dimmer

Important: Read All Instructions Prior to Installation
Function introduction

Product Data
| Input Voltage | Output Voltage | Output Current | Size(LxWxH) |
| 100-240VAC | 100-240VAC | 1.8A max | 45.5x45x20.3mm |
| Compatible Load Types | |||
| Load Symbol | Load Type | Maximum Load | Remarks |
![]() | Dimmable LED lamps | 200W @ 230V 100W @ 110V | Due to variety of LED lamp designs, maximum number of LED lamps is further dependent on power factor result when connected to dimmer. |
![]() | Dimmable LED drivers | 200W @ 230V 100W @ 110V | Maximum permitted number of drivers is 200W divided by driver nameplate power rating. |
![]() | Incandescent lighting, HV Halogen lamps | 400W @ 230V 200W @ 110V | |
![]() | Low voltage halogen lighting with electronic transformers | 200W @ 230V 100W @ 110V | |
ZigBee Clusters the device supports are as follows:
- Input Clusters
- 0x0000: Basic
- 0x0003: Identify
- 0x0004: Groups
- 0x0005: Scenes
- 0x0006: On/off
- 0x0702: Simple Metering
- 0x0008: Level Control
- 0x0b04: Electrical Measurement
- 0x0b05: Diagnostics
- Output Clusters
- 0x0019: OTA
- ZigBee AC phase cut dimmer based on latest ZigBee 3.0 protocol
- 100-240VAC Wide Input and Output Voltage
- Supports resistive loads, capacitive loads or inductive loads
- 1 Channel Output, Up to 400W
- Input and Output with Screw Terminals, Safe and Reliable
- Both leading edge version and trailing edge versions are available for choosing, preset by factory setting
- Enables to control ON/OFF and light intensity of connected light source
- ZigBee end device that supports Touchlink commissioning
- Can directly pair to a compatible ZigBee remote via Touchlink without coordinator
- Supports self-forming zigbee network without coordinator and add other devices to the network
- Supports find and bind mode to bind a ZigBee remote
- Supports zigbee green power and can bind max. 20 zigbee green power remotes
- Compatible with universal ZigBee gateway products
- Mini Size, Easy to be Installed into a standard 86*86mm wall box
- Radio Frequency : 2.4GHz
- Waterproof grade: IP20
- Main Features:
- Can operate under two-wire connection with no neutral lead or three-wire connection with neutral lead
- Advanced microprocessor control
- Implemented algorithm of smart light source detection
- Active power and energy metering functionality
- Soft start function
- Innovative minimum dimming level setting function
- Works with various types of switches – momentary, toggle, three-way, etc.
- Active element: semiconductor electronic switch
- To be installed in wall switch boxes of dimensions allowing for installation, conforming to provisions of applicable regulations
- The Bypass is an extension unit
As a dimmer it operates under the following loads:
- Conventional incandescent and HV halogen light sources
- ELV halogen lamps and dimmable LED bulbs (with electronic transformers)
- MLV halogen lamps (with ferromagnetic transformers)
- Dimmable LED bulbs
- Dimmable compact fluorescent CFL tube lamps
- Supported dimmable light sources (power factor > 0.5) with minimal power of 5VA using the Bypass (depending on the type of load)
Trailing edge or leading edge dimming mode can be preset by factory setting to control following types of loads:
- “Trailing edge” for resistive loads
- “Trailing edge” for capacitive loads
- “Leading edge” for inductive loads
Safety & Warnings
- DO NOT install with power applied to device.
- DO NOT expose the device to moisture.
Operation
- Do wiring according to connection diagram correctly.
- This ZigBee device is a wireless receiver that communicates with a variety of ZigBee compatible systems. This receiver receives and is controlled by wireless radio signals from the compatible ZigBee system.
- Zigbee Network Pairing through Coordinator or Hub (Added to a Zigbee Network)

- Step 1: Remove the device from previous zigbee network if it has already been added to, otherwise pairing will fail. Please refer to the part “Factory Reset Manually”.
- Step 2: From your ZigBee Controller or hub interface, choose to add lighting device and enter Pairing mode as
instructed by the controller. - Step 3: Re-power on the device to set it into network pairing mode (connected light flashes twice slowly), 15 seconds timeout, repeat the operation.
- Step 4: Connected light will blink 5 times and then stay solid on, then the device will appear in your controller’s menu and can be controlled through controller or hub interface.
- TouchLink to a Zigbee Remote

- Step 1: Method 1: Short press “Reset” button (or re-power on the device) 4 times to start Touchlink commissioning immediately, 180S timeout, repeat the operation. Method 2: Re-power on the device, Touchlink commissioning will start after 15S if it’s not added to a zigbee network, 165S timeout. Or start immediately if it’s already added to a network, 180S timeout. Once timeout, repeat the operation.
- Step 2: Bring the remote or touch panel within 10cm of the lighting device.
- Step 3: Set the remote or touch panel into Touchlink commissioning, please refer to corresponding remote or touch panel manual to learn how.
- Step 4: There shall be indication on the remote for successful link and connected light will flash twice.
Note:- Directly TouchLink (both not added to a ZigBee network), each device can link with 1 remote.
- TouchLink after both added to a ZigBee network, each device can link with max. 30 remotes.
- For Hue Bridge & Amazon Echo Plus, add remote and device to network first then TouchLink.
- After TouchLink, the device can be controlled by the linked remotes.
- Removed from a Zigbee Network through Coordinator or Hub Interface

- From your ZigBee controller or hub interface, choose to delete or reset the lighting device as instructed. The connected light blinks 3 times to indicate successful reset.
- Factory Reset Manually

- Step 1: Short press “Reset.” key for 5 times continuously or re-power on the device for 5 times continuously if the “Prog.” key is not accessible.
- Step 2: Connected light will blink 3 times to indicate successful reset.
Note:- If the device is already at factory default setting, there is no indication when factory reset again .
- All configuration parameters will be reset after the device is reset or removed from the network.
- Factory Reset through a Zigbee Remote (Touch Reset)
Note: Make sure the device already added to a network, the remote added to the same one or not added to any
network.- Step 1: Re-power on the device to start TouchLink Commissioning, 180 seconds timeout, repeat operation.
- Step 2: Bring the remote or touch panel within 10cm of the lighting device.
- Step 3: Set the remote or touch panel into Touch Reset procedure to reset the device, please refer to corresponding remote or touch panel manual to learn how.
- Step 4: There shall be indication on the remote and connected light flashes 3 times for successful reset
- Find and Bind Mode
Note: Make sure the device and remote already added to the same zigbee network.- Step 1: Short press “Reset.” button 3 times (Or re-power on the device (initiator node) 3 times) to start Find and Bind mode (connected light flashes slowly) to find and bind target node, 180 seconds timeout, repeat the operation.
- Step 2: Set the remote or touch panel (target node) into find and bind mode, and enable it to find and bind initiator, please refer to corresponding remote or touch panel manual.
- Step 3: There shall be indication on the remote or touch panel that it bind the device successfully and can control it then.to learn how.

- Learning to a Zigbee Green Power Remote
- Step 1: Short press “Reset.” button 4 times (Or re-power on the device 4 times) to start Learning mode (connected light flashes twice), 180 seconds timeout, repeat the operation.
- Step 2: Set the green power remote into Learning mode, please refer to its manual.
- Step 3: Connected light will flash twice to indicate successful learning. Then the remote can control the device.
Note: Each device can learn to max. 20 zigbee green power remotes.
- Delete Learning to a Zigbee Green Power Remote
- Step 1: Short press “Reset.” button 3 times (Or re-power on the device 3 times) to start delete Learning mode (connected light flashes slowly), 180 seconds timeout, repeat the operation.
- Step 2: Set the paired green power remote into Learning mode, please refer to its manual.
- Step 3: Connected light will flash 4 times to indicate successful deleting.

- Setup a Zigbee Network & Add Other Devices to the Network (No Coordinator Required)
- Step 1: Short press “Reset.” button 4 times (Or re-power on the device 4 times) to enable the device to setup a zigbee network (connected light flashes twice) to discover and add other devices, 180 seconds timeout, repeat the operation.
- Step 2: Set another device or remote or touch panel into network pairing mode and pair to the network, refer to their manuals.
- Step 3: Pair more devices and remotes to the network as you would like, refer to their manuals.
- Step 4: Bind the added devices and remotes through Touchlink so that the devices can be controlled by the remotes, refer to their manuals.

- OTA
The device supports firmware updating through OTA, and will acquire new firmware from zigbee controller or hub every 10 minutes automatically. - Setting minimum brightness:
Adjust brightness to a desired level from zigbee hub or controller interface or a remote, then short press “Min. Set ” key, then the connected load can only be dimmable between this minimum brightness and 100% brightness.
The dimming range of this dimmer is 1%-100%, but some load types may flicker when dimmed to 1%, thus a minimum brightness shall be set higher than 1% to avoid flickering during dimming process. - Delete the minimum brightness:
Adjust the brightness to 100% from zigbee hub or controller interface or a remote, then press and hold down the “Min. Set” key on the dimmer for over 3s to delete the minimum brightness. - Controlled by a push switch:
Once connected with a push switch, click the push switch to switch ON/OFF, press and hold down it to increase/decrease light intensity.
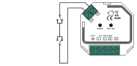
Wiring Diagram
Notes for the diagrams:
- L – terminal for live lead
- N – terminal for neutral lead
- Out – output terminal of the dimmer (controlling connected light source)
- S1 – terminal for switch
- COM – terminal for grounding to the switch connected to the dimmer
Compatible load types and recommended values of power for supported loads:
| Supported load types | 100-240V~ | ||
| Resistive loads Conventional incandescent and halogen light sources | 20-400W @ 230V 20-200W @ 110V | ||
![]() | Capacitive loads Fluorescent tube lamp (compact / with electronic ballast), electronic transformer, LED | Using Bypass: 3-200W @ 230V 3-100W @ 110V | No Bypass Used: 20-200W @ 230V 20-100W @ 110V |
![]() | Inductive loads Ferromagnetic transformers | 20-200W @ 230V 20-100W @ 110V | |
(1) 2-Wire Connection With No Neutral Lead

NOTE: Switch connected to the S1 terminal activates the basic functionality of the dimmer (turning the light on/off, dimming).
The Bypass is a device designed to work with the micro smart dimmer. It should be used in case of connecting LED bulbs or energy saving compact fluorescent lamps. The Bypass prevents flickering of the LED lights and glowing of the turned off compact fluorescent lamps. In the case of 2-wire connection, the Bypass allows to reduce minimum power of load required by the dimmer for correct operation. The Bypass provides powering of the dimmer in case of controlling the low loads of minimum power down to 3W (for cosφ>0.5).
(2) 3-Wire Connection With Neutral Lead

NOTE: Switch connected to the S1 terminal activates the basic functionality of the dimmer (turning the light on/off, dimming).
(3) 3-Way Switch Connection

(4) Momentary Wall Switch Connection
This phase dimmer adopts leading edge dimming (forward phase control) or trailing edge dimming (reverse phase control), two versions are available for choosing. Please make sure the connected loads support the control type you choose. Please refer to the user manual of the load or consult the supplier of the load.









Note: Make sure the device already added to a network, the remote added to the same one or not added to any




















