Nordtronic 98425031 Box Dimmer Zigbee

Overview

- Input voltage 100-240VAC
- Output voltage 100-240VAC
- Output Current Max. 1.5A
- DO NOT install with power applied to device.
- DO NOT expose the device to moisture.
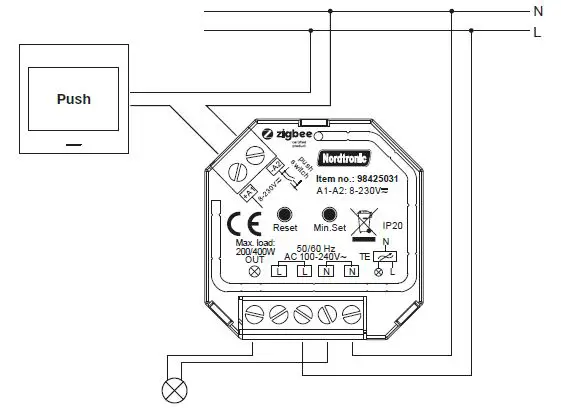
- Do wiring according to connection diagram correctly.
- This Zigbee device is a wireless receiver that communicates with a variety of Zigbee compatible systems. This receiver receives and is controlled by wireless radio signals from the compatible Zigbee system or push switch input.
- Zigbee network pairing through coordinator or hub (added to a Zigbee network)
Step 1: Remove the device from previous Zigbee network if it has already been added to, otherwise pairing will fail. Please refer to the part “Factory Reset Manually”.
Step 2: From your Zigbee controller or hub interface, choose to add lighting device and enter Pairing mode as instructed by the controller.
Step 3: Power on the device, it will be set into network pairing mode (connected light flashes twice slowly), the network pairing mode will last until the device is added to a Zigbee network.
Step 4: Connected light will blink 5 times and then stay solid on, then the device will appear in your controller’s menu as BoxDIMZ 98425031 and can be controlled through controller or hub interface.
Setting minimum brightness
Adjust brightness to a desired level from Zigbee hub or switch input, then press and hold down “Min. Set” key until connected light flashes, the minimum dimming level is set successfully, then the connected load can only be dimmable between this minimum brightness and 100% brightness. The dimming range of this dimmer is 1%-100%, but some load types may flicker when dimmed to 1%, thus a minimum brightness shall be set higher than 1% to avoid flickering during dimming process.
Delete the minimum brightness
Adjust the brightness to 100% from Zigbee hub or controller interface or a remote, then press and hold down the “Min. Set” key on the dimmer until connected light flashes, which means minimum brightness is deleted successfully.
Controlled by a push switch
Once connected with a push switch, click the push switch to switch ON/OFF, press and hold down it to increase/decrease light intensity.
Reset factory settings manually
Note 1: All configuration parameters will be reset after the device is reset or removed from the network.
Step 1: Short press “Reset.” key for 5 times continuously or re-power on the device for 5 times continuously if the “Prog.” key is not accessible.
Step 2: Connected light will blink 3 times to indicate successful reset.
Find the updated manual on our website – www.nordtronic.com
With reservation for typing errors
Nordtronic A/S | Flade Engvej 4 | DK – 9900 Frederikshavn | Denmark | CVR: 29808708 | Tel: +45 70209531 | www.nordtronic.com




















