SUNRICHER SR-ZG2835RAC ZigBee Knob Smart Dimmer
Important: Read All Instructions Prior to Installation.
Function introduction

Front side

Product Data
| Input Voltage | Output Voltage | Output Current | Size(LxWxH) |
| 100-240VAC | 100-240VAC | 2.8A max | 83.8×83.8×52.4mm |

ZigBee Clusters the device supports are as follows:
Input Clusters
- 0x0000: Basic
- 0x0003: Identify
- 0x0004: Groups
- 0x0005: Scenes
- 0x0006: On/off
- 0x0702: Simple Metering
- 0x0b05: Diagnostics
Output Clusters
- 0x0019: OTA
- ZigBee knob smart dimmer based on latest ZigBee 3.0 protocol
- 100-240VAC wide input and output voltage, can work under no neutral wiring and with neutral wiring, self-adaptive
- Supports resistive loads, capacitive loads or inductive loads
- Enables to set minimum brightness and startup brightness
- 1 channel output, up to 600W
- Both leading edge version and trailing edge versions are available for choosing, preset by factory setting
- Enables to control ON/OFF and light intensity of connected light source
- ZigBee end device that supports Touchlink commissioning
- Can be controlled by zigbee gateway, zigbee remote and local rotary knob
- Can directly pair to a compatible ZigBee remote via Touchlink without coordinator
- Supports self-forming zigbee network without coordinator and add other devices to the network
- Supports find and bind mode to bind a ZigBee remote
- Supports zigbee green power and can bind max. 20 zigbee green power remotes
- Compatible with universal ZigBee gateway products
- With push switch input, can be controlled by universal AC push switches
- Standard size, can be compatible with existing EU standard frames, and installed into standard size wall box
- Radio Frequency : 2.4GHz
- Waterproof grade: Ip20
Main Features:
- Can operate under two-wire connection with no neutral lead or three-wire connection with neutral lead
- Advanced microprocessor control
- Implemented algorithm of smart light source detection
- Active power and energy metering functionality
- Soft start function
- Innovative minimum dimming level and startup brightness setting functions
- The Bypass is an extension unit
As a dimmer it operates under the following loads:
- Conventional incandescent and HV halogen light sources
- ELV halogen lamps and dimmable LED bulbs (with electronic transformers)
- MLV halogen lamps (with ferromagnetic transformers)
- Dimmable LED bulbs
- Dimmable compact fluorescent CFL tube lamps
- Supported dimmable light sources (power factor > 0.5) with minimal power of 3VA using the Bypass (depending on the type of load)
Trailing edge or leading edge dimming mode can be preset by factory setting to control following types of loads:
- “Trailing edge” for resistive loads
- “Trailing edge” for capacitive loads
- “Leading edge” for inductive loads
Note: factory default version is trailing edge.
Safety & Warnings
- DO NOT install with power applied to device.
- DO NOT expose the device to moisture.
Operation
- Do wiring according to connection diagram correctly.
- This ZigBee device is a wireless receiver that communicates with a variety of ZigBee compatible systems. This receiver receives and is controlled by wireless radio signals from the compatible ZigBee system.
- Zigbee Network Pairing through Coordinator or Hub (Added to a Zigbee Network)
Step 1: Remove the device from previous zigbee network if it has already been added to, otherwise pairing will fail. Please refer to the part “Factory Reset Manually”.
Step 2: From your ZigBee Controller or hub interface, choose to add lighting device and enter Pairing mode as instructed by the controller.
Touch Link to a Zigbee Remote
Step 1:
Method 1: Short press “Reset” button 4 times (or reset power of the device 4 times from master breaker) to start Touchlink commissioning immediately under any circumstances, 180S timeout, repeat this step.
Method 2: Reset power of the device from master breaker, Touchlink commissioning will start after 15S if it’s not added to a zigbee network, 165S timeout. Or start immediately if it’s already added to a network, 180S timeout. Once timeout, repeat this step.
Step 2: Bring the remote or touch panel within 10cm of the lighting device.
Step 3: Set the remote or touch panel into Touchlink commissioning, please refer to corresponding remote or touch panel manual to learn how.
Step 4: There shall be indication on the remote for successful link and connected light will flash twice.
Note:
- Directly TouchLink (both not added to a ZigBee network), each device can link with 1 remote.
- TouchLink after both added to a ZigBee network, each device can link with max. 30 remotes.
- Control with both gateway and remote, add remote and device to network first then TouchLink.
- After TouchLink, the device can be controlled by the linked remotes.
- Removed from a Zigbee Network through Coordinator or Hub Interface
From your ZigBee controller or hub interface, choose to delete or reset the lighting device as instructed. The connected light blinks 3 times to indicate successful reset.
Factory Reset Manually
Factory Reset through a Zigbee Remote (Touch Reset)
Note: Make sure the device already added to a network, the remote added to the same one or not added to any network.
Find and Bind Mode
Note: Make sure the device and remote already added to the same zigbee network.
Step 1: Short press “Reset.” button 3 times (Or reset power of the device (initiator node) 3 times from master breaker) to start Find and Bind mode (connected light flashes slowly) to find and bind target node, 180 seconds timeout, repeat this step.
Step 2: Set the remote or touch panel (target node) into find and bind mode, and enable it to find and bind initiator, please refer to corresponding remote or touch panel manual.
Step 3: There shall be indication on the remote or touch panel that it bind the device successfully and can control it then.
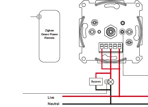
Learning to a Zigbee Green Power Remote
Step 1: Short press “Reset.” button 4 times (Or reset power of the device 4 times from master breaker) to start Learning mode (connected light flashes twice), 180 seconds timeout, repeat this step.
Step 2: Set the green power remote into Learning mode, please refer to its manual.
Step 3: Connected light will flash twice to indicate successful learning. Then the remote can control the device.
Note: Each device can learn to max. 20 zigbee green power remotes.
Delete Learning to a Zigbee Green Power Remote
Step 1: Short press “Reset.” button 3 times (Or reset power of the device 3 times from master breaker) to start delete Learning mode (connected light flashes slowly), 180 seconds timeout, repeat this step.
Step 2: Set the paired green power remote into Learning mode, please refer to its manual.
Step 3: Connected light will flash 4 times to indicate successful deleting.
Setup a Zigbee Network & Add Other Devices to the Network (No Coordinator Required)

Step 1: Short press “Reset.” button 4 times (Or reset power of the device 4 times from master breaker) to enable the device to setup a zigbee network (connected light flashes twice) to discover and add other devices, 180 seconds timeout, repeat this step.
Step 2: Set another device or remote or touch panel into network pairing mode and pair to the network, refer to their manuals.
Step 3: Pair more devices and remotes to the network as you would like, refer to their manuals.
Step 4: Bind the added devices and remotes through Touchlink so that the devices can be controlled by the remotes, refer to their manuals.
Note:
- Each added device can link and be controlled by max. 30 added remotes.
- Each added remote can link and control max. 30 added devices.
OTA
The device supports firmware updating through OTA, and will acquire new firmware from zigbee controller or hub every 10 minutes automatically.
Minimum Brightness Setting
Set Minimum Brightness
Step 1: adjust the brightness of connected load to a desired level between 1%-50%.
Step 2: press and hold down “Min. set” key for 3 seconds until connected load blinks to set the brightness adjusted in step 1 as minimum brightness, then the load can not be dimmed below this level.
Delete Minimum Brightness
Step 1: adjust the brightness of connected load to 100%.
Step 2: press and hold down “Min. set” key for 3 seconds until connected load blinks to delete the previously set minimum brightness.
Startup Brightness Setting
Set Startup Brightness
Step 1: adjust the brightness of connected load to a desired level between 1%-50%
Step 2: double click “Min. set” key to set the brightness adjusted in step 1 as startup brightness, then the load will first go to startup brightness when turned on every time, then drop down to the brightness before last time turned off.
Note: startup brightness setting function is to avoid the phenomenon that some dimmable LED drivers can not be turned on after turned off at a very low brightness level. Once setting a startup brightness, if the startup brightness is higher than the brightness before turned off, the driver will first go to the startup brightness after turned on then drop down to the level before turned off. If the startup brightness is lower than the brightness before tured off, the driver will directly go to the brightness before turned off.
Delete Startup Brightness
Step 1: adjust the brightness of connected load to 0%.
Step 2: double click “Min. set” key to delete the previously set startup brightness.
Controlled by a push switch:
Once connected with a push switch, click the push switch to switch ON/OFF, press and hold down it to increase/decrease light intensity between 1% to 100%.
Wiring Diagram
Notes for the diagrams:
L – terminal for live lead
N – terminal for neutral lead
– output terminal of the dimmer (controlling connected light source)
S – terminal for push switch.
Compatible load types and recommended values of power for supported loads:
This phase dimmer adopts leading edge dimming (forward phase control) or trailing edge dimming (reverse phase control), two versions are available for choosing, factory default version is trailing edge. Please make sure the connected loads support the control type you choose. Please refer to the user manual of the load or consult the supplier of the load.
2-Wire Connection With No Neutral Lead

The Bypass is a device designed to work with the knob smart dimmer. It should be used in case of connecting LED bulbs or energy saving compact fluorescent lamps. The Bypass prevents flickering of the LED lights and glowing of the turned off compact fluorescent lamps. In the case of 2-wire connection, the Bypass allows to reduce minimum power of load required by the dimmer for correct operation. The Bypass provides powering of the dimmer in case of controlling the low loads of minimum power down to 3W (for cosφ>0.5).
3-Wire Connection With Neutral Lead
Installation





















