onninen CX1104CXW Harvia Xenio Combi WiFi Control Unit

WARNINGS AND NOTES
This user manual is intended for the owner or the person in charge of the product, as well as for the electrician in charge of the electrical installation of the product. After completing the installation, the person in charge of the installation should give these instructions to the owner of the product or to the person in charge of its operation. Please read more instructions for installation, use and recycling from www.harvia.com. (Original user manual from manufacturer).
READ THE WARNINGS AND MANUAL CAREFULLY BEFORE USING THE PRODUCT!
- The sauna heater is designed for the heating of a sauna room to bathing temperature. It is not to be used for any other purpose!
- The control unit is meant for controlling the functions of sauna and a sauna heater. It is not to be used for any other purpose!
This device is allowed to use by 8 years old or older children and persons with reduced physical, sensory or mental capabilities, or persons with lack of experience and knowledge, if they are supervised or they have been instructed to use the device safely and if they are aware of the dangers involved. Children should not play with the device. Children should not clean or do operations to the device without supervision.
INSTALLATION AND MAINTENANCE
- The electrical device may only be connected to the electrical network in accordance with the current regulations by an authorised, professional electrician. After completing the installation, the person in charge of the installation should give these instructions to the owner of the sauna or to the person in charge of its operation.
- All maintenance that requires special skills must be performed by a trained professional.
- Always disconnect the device from the electricity network before carrying out any maintenance work!
- Check the device for visible damage before installing and using the device. Do not use a damaged device.
- It is absolutely necessary to install the device according to values stated in the instructions of installation and use. Neglecting them causes a risk of fire.
- If suitable accessories are installed in the device, follow the accessory-specific operating and installation instructions!
- Clean the product by using a lightly moistened cloth. Use only mild cleaning agents, never solvents or corrosive chemicals.
- This product should not be disposed of with general household waste. When recycling your product, take it to your local collection facility or contact the place of purchase.
- The device must be installed in such a way that the warning texts are easy to read after installation.
- The device must not be installed in a wall recess, unless otherwise stated in the instructions.
- Do not place the supply air vent so that the air flow cools the temperature sensor (see temperature sensor installation instructions!)
- If the supply cord is damaged, it must be replaced by the manufacturers’ service person or a similarly qualified person in order to avoid a hazard.
- Use of a PVC-insulated cable as a connection cable for the heater is prohibited due to its thermal fragility.
- Do not connect power supply to electric heater via a residual current device.
- If device is connected to water supply, there must be a floor drain on the floor of the sauna room and/or washroom in case of hose breaks or leaks.
- If device is used in public saunas without a timer, the indicator light, which tells if the device is on, must be placed in the room where the device is controlled.
INSTRUCTIONS FOR USE AND BATHING
- Always check that there are no objects on the heater or near the heater before switching it on.
- Beware of hot heater. The stones and metal parts of the heater may burn the skin.
- Do not cover!
- Sea air and a humid climate may corrode the metal surfaces of the device.
- Do not hang clothes to dry in the sauna, as this may cause a risk of fire. Excessive moisture content may also cause damage to the electrical equipment.
- Do not press the overheating protection button before the cause of the fault has been found. Only persons authorised to carry out electrical installations can reset the overheat protector, unless otherwise stated in the instructions manual.
- Always check that the heater has switched off and stopped heating after the on-time period has elapsed.
- In public saunas, where the heater is used without a timer or continuously for longer than the timer of the heater or the control unit allows with the factory settings, the device must be constantly supervised.
- The sauna room and surroundings of the heater must always be checked before the heater is switched on again or it is switched on with the remote-control system.
- The sauna room and surroundings of the heater must always be checked before
the device is brought into standby mode required by remote control or pre-timed operation. - According to the product standard IEC/EN 60335 -2-53 regulating electrical sauna heaters, the control unit can be used to remotely control the heater once the heater or sauna room door is equipped with a secure switch (safety or door switch).
INSTRUCTIONS FOR INSTALLATION
- System components 24-25
- Installing the Power Unit 26-27
- Electrical Connections 28-43
- Installing the Temperature and humidity Sensors 43-49
- Resetting the Overheat Protector 50-51
- SPARE PARTS 52
- TECHNICAL DATA 53-55
- GUARANTEE 56-58

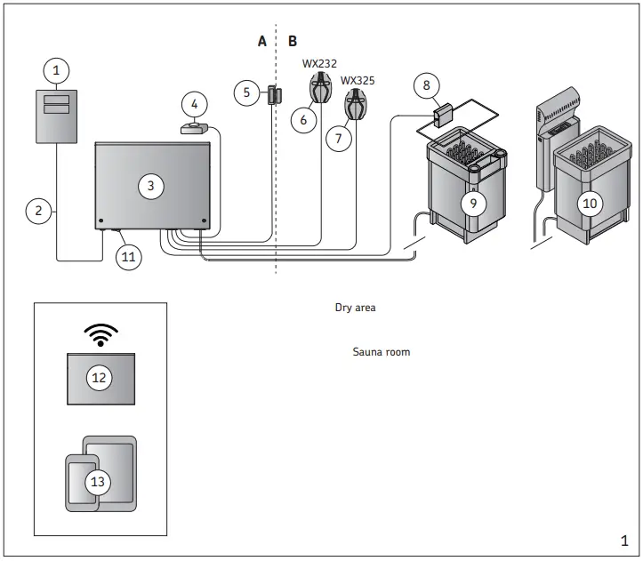
System components
- Control panel
- Data cabel
- Power unit
- Remote switch*
- Door switch*
- Temperature sensor
- Humidity sensor
- Safety switch *
- Heater / Combi-heater
- Heater and steamer
- Main switch
- WLAN router
- Mobile device + MyHarvia
- Optional accessory

Installing the Power Unit
See WARNINGS AND NOTES!
Install the power unit to a wall outside the sauna room, in a dry place with an ambient temperature of >0 ºC. Note! Do not embed the power unit into the wall, since this may cause excessive heating of the internal components of the unit and lead to damage.

Electrical Connections
See WARNINGS AND NOTES!
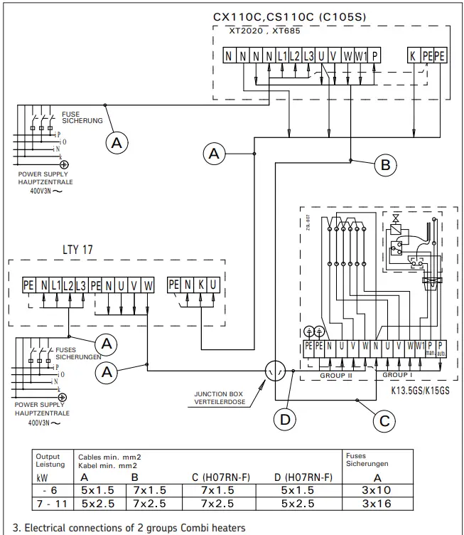
Figures 3 and 4 show the electrical connections of the power unit. Tables show the wire and fuse sizes, depending on the heater output. For more detailed installation instructions see the instructions for installation and use of the selected heater model. Maximum load from control unit to heater is 11 kW.
Power Unit Fuse Faults
Replace a blown fuse by a new one with the same value. The placement of the fuses in the power unit is shown in figure 3 and 4.
- If the fuse for the electronic card has blown, there is likely a fault in the power unit. Service is required.
- If the fuse in the line U1, U2 has blown, there is a problem with lighting or fan. Check the wiring and functioning of lighting and fan.
Power extension unit LTY17/LTY17C
The maximum load of control unit can be increased by 17 kW by using power extension unit. It is controlled using terminals K1 and K2 (figure 4). The power extension unit includes detailed instructions of installation.
Terminals for controlling electrical heating
Terminals K1 and K2 of the power unit can also be used to control e.g. electrical heating. When the heater is turned on from the control unit, voltage is generated in terminal K1. When the heating elements are engaged, voltage is generated in terminal K2. These signals can be used to guide the heating to be turned off.
Installing the Temperature and humidity Sensors
- See WARNINGS AND NOTES!
- See TECHNICAL DATA!
Note! Do not install the temperature sensor closer than 1000 mm to an omnidirectional air vent or closer than 500 mm to an air vent directed away from the sensor. See figure 7. The air flow near an air vent cools down the sensor, which gives inaccurate temperature readings to the control unit. As a result, the heater might overheat. Instructions below are general guidelines. Always check the correct location for the temperature sensor from the heater’s instructions for installation and use. Wall-mounted heaters (see figure 5)
- Fasten the temperature sensor on the wall above the heater, along the vertical centre line running parallel to the sides of the heater, at a distance of 100 mm from the ceiling.
Floor-mounted heaters
- Option 1: Fasten the temperature sensor on the wall above the heater, along the vertical centre line running parallel to the sides of the heater, at a distance of 100 mm from the ceiling.
- Option 2: Fasten the temperature sensor to the ceiling above the heater, at a distance of 200 mm from the vertical centre line of the heater’s side.
With a separate steamer SS20(A), observe that the temperature sensor must not be installed in the area affected by steam. Installing the Humidity Sensor Fasten the humidity sensor on the wall as far from the heater as possible and at a distance of 500–700 mm from the ceiling. See figures 5 och 6.
Resetting the Overheat Protector
The sensor box (WX232) contains a temperature sensor and an overheat protector. If the temperature in the sensor’s environment rises too high, the overheat protector cuts off the heater power. Resetting the overheat protector is shown in figure 8.
Note! The reason for the going off must be determined before the button is pressed.
Spare parts
- Control panel
- Temperature sensor
- Temperature sensor
- Data cable 5 m
- Data cable extension 10 m
- Circuit board (XT2020)
TECHNICAL DATA
| Technical data | Model | CX110C/CX110CXW | |
| Max. power kW | 11 | ||
| Operating voltages | 400 V / 415 V 3N~ | ||
| Frequency Hz | 50 / 60 | ||
| Fuse | (400 V / 415 V 3N~) A | max. 3 x 16 | |
| Supply cord | (400 V / 415 V 3N~) mm² | min. 5 x 2,5 | |
| Connection cable type | H07RN-F or equivalent H07RN-F oder gleichwertig | ||
| Protection class | I / IPX3 | ||
| Weight kg | 1,6 | ||
| Storage temperature °C | 0-50 | ||
| Dimensions and safety distances | Height mm | 193 | |
| Width mm | 272 | ||
| Depth mm | 80 | ||
| Product min. space requirements mm | 300 x 300 | ||
| Approved accessories | Door sensor for domestic use | ||
| Door sensor for professional use | |||
| Harvia SFE Safety switch | |||
| Spare parts | WX232, WX325, WX311, WX313, WX356, WX694 | ||
GUARANTEE
- The guarantee period for heaters, steam generators and control equipment used in saunas by families is two (2) years.
- The guarantee period for heaters, steam generators and control equipment used in saunas by building residents is one (1) year.
- The guarantee period for heaters, steam generators and control equipment used in commercial saunas facilities is three (3) months.
- The guarantee does not cover any faults resulting from failure to comply with installation, use or maintenance instructions.
- The guarantee does not cover any faults resulting from the use of stones not recommended by the heater manufacturer.
- We recommend to use only the manufacturer’s spare parts.
- +358 207 464 000
- [email protected]
- www.harvia.fi
- т: +78123258294
- [email protected]

















