FAR 1913 Normally Closed Thermoelectric Actuator

INSTALLATION AND OPERATION
The thermoelectric actuator can be installed in association with both thermostatic valves and thermoelectric manifolds. It permits automatic opening and closing of all units to which it is interconnected in response to an electrical signal. When the thermostat or control unit – to which the thermoelectric actuator is connected – transmits a signal, the inner element is electrically heated, thus fully opening the valve. The fully open position can be identified by means of the cilindrical position indicator on the actuator head.
As the actuator is of the normally closed (NC) type, without an electrical supply the valve will remain shut.
INSTALLATION
- In order to install the actuator on to the valve, remove the handle, the plastic support and screw on the adapter art. 1941.

- In order to carry out installation at the manifold, remove the handle and screw the ring direct on to the blue adapter.

- Lightly hand-tighten the ring on the thermoelectric actuator. Do NOT use plumbing wrenches or similar tools

- Take care to install the wire in such a way that it doesn’t come in direct contact with pipes, radiators, etc…
- Carry out electrical connection as per

- You can install the actuator in any position
PUTTING INTO OPERATION
- Before connecting the actuator make sure that the selected model is fully compatible with the available network voltage. All connections must to be made by qualified personnel and with respect for the overall electrical system – taking care that the electricity supply is switched off. Incorrect connection may endanger both persons and equipment.
- In order to avoid unnecessary operating time, outside the scheduled heating period switch off the actuator via the main switch.
- Use of the auxiliary micro-switch in the actuator makes it possible to shut down other equipment, such as circulating pumps, when valve closes.
- The auxiliary micro-switch is a potential-free contact connected to two black wires. It operates when the actuator opens.
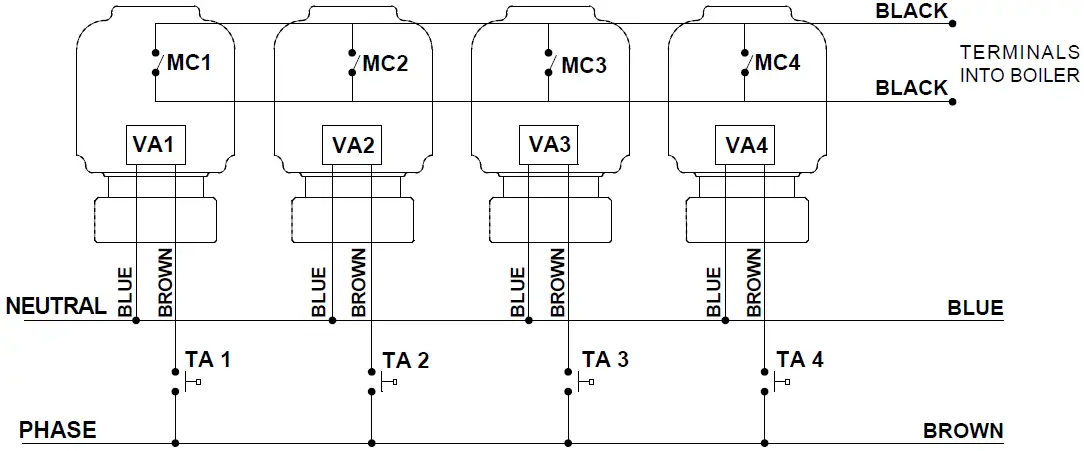
Example of connection to 4 actuators:
The thermoelectric actuator with auxiliary micro-switch is provided with 4 wires: - one BLUE wire for connection to NEUTRAL
- one BROWN wire for connection to PHASE
- two BLACK wires, connected to micro-switch, to control other uses .
- MC Auxiliary micro-switch
- VA Thermoelectric Actuator winding
- TA Thermostat
An example is shown of connection of 4 VA thermoelectric actuators, controlled by 4 TA thermostats. Once the first thermoelectric actuator is totally open, it closes the circuit of the MC micro-switch, allowing the interconnected equipment e.g. pump to operate. When the last thermoelectric actuator closes it will switch off the interconnected equipment. The illustration above shows an example of micro-switch connections to terminals at the boiler for ON/OFF operation of the pump.
TECHNICAL FEATURES
| WORKING VOLTAGE Also shown on the Actuator: Art.1913 – 1914 24 V AC Art.1923 – 1924 230 V AC | ROOM TEMPERATURE LIMITS OF THERMOELECTRIC ACTUATOR Tmin = -10°C and Tmax = 50°C |
| OPENING POWER 24 V 230 Opening power at short time: < 350 mA < 165 mA Constant power: 125 mA 12 mA Power 3 W 3 W | SUPPLIED DISCONNECTION Micro-disconnection type 1B |
| CLOSING / OPENING TIME Art. 1914 – 1924: ca. 180 s Art. 1913 – 1923: ca. 90 s | OVERVOLTAGE CLASS The equipment is designed to Class: 2 Nominal impulse voltage: 2500V |
| CERTIFIED MARK | PLASTIC ENVELOPE Subjected to a ball test, it withstands a temperature of 75°C |
| PROTECTION AS PER EN 60529 Installation in all positions: IP 54 | ACTUATOR The Actuator is type: 1.AB (voltage variations between 195 V and 250 V) |
| SPRING TENSION 130 N | POLLUTION DEGREE Class II |
| HUMIDITY from 10 up to 90% (not condensated) | CONNECTION WIRE (Brown + Blue) 2 x 0,35 mm2 |
| MICRO-SWITCH CONTACT Power intensity permitted: 1 (0,1)A | AUXILIARY MICRO-SWITCH WIRE Black 2 x 0,35 mm2 |
ATTENTION
- The supply wire of this actuator cannot be replaced: if the wire is damaged, the actuator should be rejected
- Electric connection and wiring must be carried out in accordance with all national and local regulations
DECLARATION OF CONFORMITY
FAR Rubinetterie S.p.A. declares under its responsibility that the thermoelectric actuators are in accordance with community directives: 2004/108/CE and 2006/95/CE.
TECHNICAL ASSISTANCE
In the event of a problem with the thermoelectric actuator do not tamper with it, contact:
Technical department – FAR Rubinetterie S.p.A.
Via Morena, 20 – 28024 GOZZANO (NO) tel. (0039) 0322.94722/956450 – fax (0039)0322.93952 e-mail: [email protected]


The thermoelectric actuator with auxiliary micro-switch is provided with 4 wires:

















