Rosemount™ 751 Field Signal Indicator
Reference Manual
00809-0100-4378, Rev CF
May 2022
Safety messages
NOTICE
Read this manual before working with the product. For personal and system safety, and for optimum product performance, ensure you thoroughly understand the contents before installing, using, or maintaining this product.
For equipment and service needs, contact your local Emerson representative or go to Emerson.com.
CAUTION
The products described in this document are NOT designed for nuclear-qualified applications. Using non-nuclear qualified products in applications that require nuclear-qualified hardware or products may cause inaccurate readings. For information on Rosemount nuclear-qualified products, contact your local Emerson Sales Representative.
For information on Rosemount nuclear-qualified products, contact your local Emerson Sales Representative.
Introduction
1.1 Product overview
The Rosemount 751 Field Signal Signal Indicators provide a means of displaying important process variables. These devices operate with any two-wire transmitter that measures
input variables such as pressure, flow, liquid level, or temperature. Rosemount indicators are ideal for installations where an integral meter would be difficult to view.
Rosemount 751 Indicators are designed for use in industrial environments where all-weather performance is necessary. These units are vibration- and corrosion-resistant, and
explosion-proof or intrinsically safe. An LCD display or analog meter may be ordered to meet specific application requirements.
1.2 LCD display
The LCD display requires an analog 4–20 mA dc output from a two-wire transmitter. It may be configured from a 4 mA point of –999 to 1000 and a 20 mA point of -999 to 9999. The sum of the 4 mA point and the span must not exceed 9999. The decimal point can be placed in any of three positions (X.X.X.X) or not used. Calibration adjustments are made using non-interactive zero and span buttons. The scaled meter may be labeled with the appropriate engineering units. A twenty-segment bar graph, on the bottom of the meter faceplate, represents the 4–20 mA signal directly.
The large 2¼-in. meter face has ½-inch high characters for easy readability as shown in Figure 1-1. The 4 and 20 mA points may be changed by pressing the buttons on the meter faceplate. The meter can be rotated in 90-degree increments within the enclosure for convenient viewing.
Figure 1-1: LCD Display

1.3 Service support
To expedite the return process, refer to Emerson.com and contact the nearest Emerson representative.
CAUTION
Individuals who handle products exposed to a hazardous substance can avoid injury if they are informed of and understand the hazard. Returned products must include a copy of the required Safety Data Sheet (SDS) for each substance.
Emerson representatives will explain the additional information and procedures necessary to return goods exposed to hazardous substances.
1.4 Product recycling/disposal
Consider recycling equipment and packaging. Dispose of the product and packaging in accordance with local and national legislation.
Installation
2.1 Assembly
The Rosemount 751 Field Signal Indicator is comprised of the components shown in Figures 2-1. The housing may contain an analog or liquid crystal display (LCD) display meter. Both meters are independent of component parts and are completely interchangeable. Both meters plug into the terminal screws on the housing, as shown in Figures 2-1.
The meter sub-assembly contains the components shown in Figures 2-2.
Figure 2-1: Rosemount 751 Exploded View

| A. Terminal screws B. Housing O-ring C. Field wiring terminals D. Loop protection diode E. Tapped mounting boss F. Optional mounting bracket G. Mounting bolt with washer | H. U-bolt for 2-in. pipe I. Housing J. Optional ¾- to ½-in. conduit reducing bushing (if required) K. Meter L. Bushing M. Foam spacer N. Housing cover |
Figure 2-2: Meter Exploded View

| A. Retaining straps B. Mounting screw into the housing C. Washer for retaining strap D. Mounting screws into the mounting plate E. Terminal screws (2) | F. Mounting plate G. Spacer plate H. LCD display I. Bushing J. Foam spacer K. Configuration buttons |
2.2 Wiring diagrams
Use the following wiring diagrams to wire the Rosemount 751 Field Signal Indicator, in series or in parallel, with Rosemount transmitters. Use shielded cable for best results in electrically noisy environments.
Series configuration
It is recommended that the Rosemount 751 Indicator be wired in a series configuration when the 4-20 mA transmitter does not contain a test terminal. The indicator is designed
so the analog or LCD display meter can be removed from the housing without impacting the integrity of the 4-20 mA loop. Removal of the entire device from the series configuration will disrupt the loop.
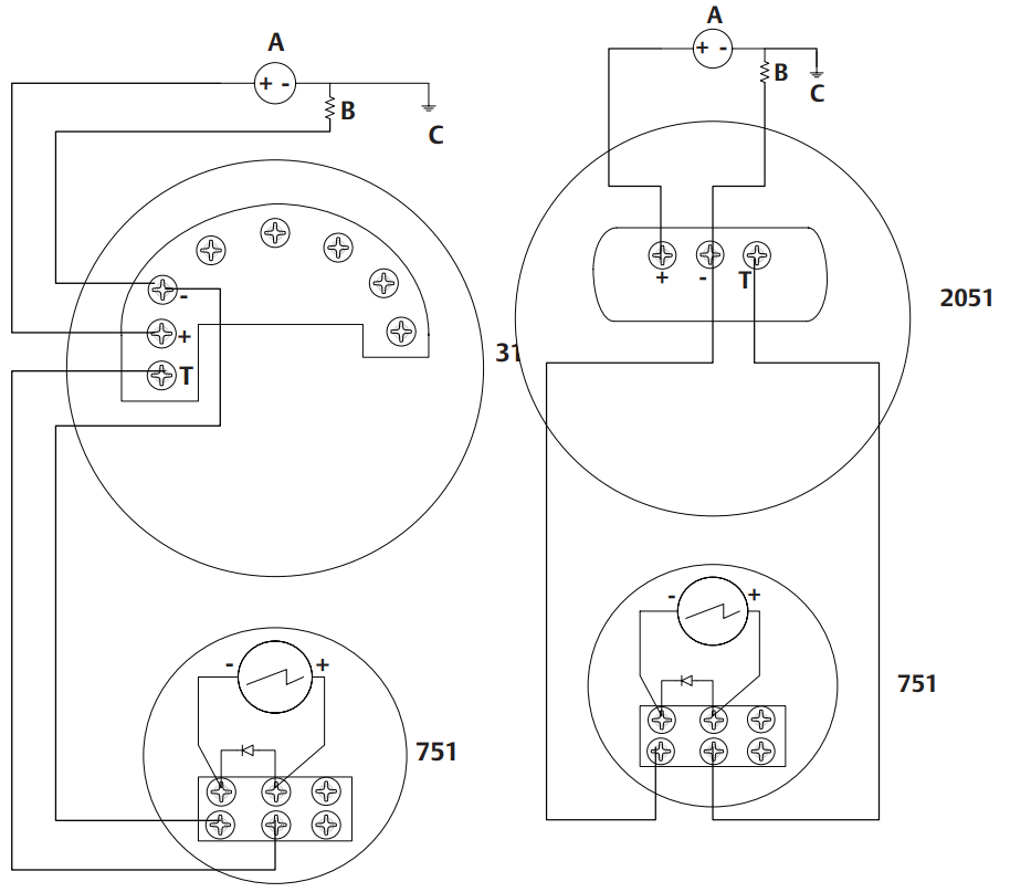
Figure 2-3: Rosemount 751 Series Wiring Diagrams for Rosemount 3144P and 2051

4–20 mA dc Input Signal for Rosemount 3144P
A. Power supply
B. Load resistor
C. Optional ground
4–20 dc Input Signal for Rosemount 2051
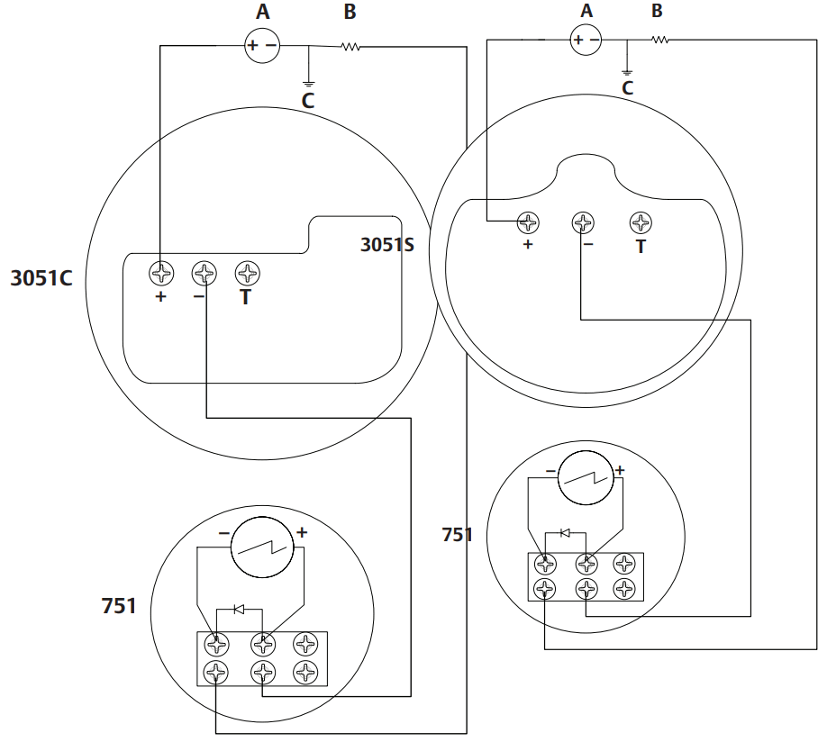
Figure 2-4: Rosemount 751 Series Wiring Diagrams for Rosemount 3051C and 3051S
| 4–20 mA dc Input Signal for Rosemount 3144P | 4–20 dc Input Signal for Rosemount 2051 |

4–20 mA dc Input Signal for Rosemount 3051C
A. Power supply
B. Load resistor
C. Optional ground
4–20 dc Input Signal for Rosemount 3051S
Parallel configuration
It is recommended that the device be wired in a parallel configuration when the 4-20 mA transmitter includes a test terminal. Utilization of the test terminal is required in a parallel configuration. Connecting the indicator across the positive and negative terminals of the 4-20 mA transmitter could impact the loop.
A parallel configuration will allow the removal of the indicator without affecting the integrity of the 4-20 mA loop. Additionally, spare indicators can be added without disrupting the loop.
Figure 2-5: Rosemount 751 Parallel Wiring Diagrams for Rosemont 3144P and 2051

4–20 mA dc Input Signal for Rosemount 3051C
A. Power supply
B. Load resistor
C. Optional ground
4–20 dc Input Signal for Rosemount 3051S
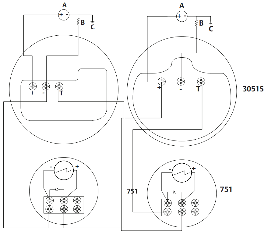
Figure 2-6: Rosemount 751 Parallel Wiring Diagrams for Rosemount 3051C and 3051S
| 4–20 mA dc Input Signal for Rosemount 3144P | 4–20 dc Input Signal for Rosemount 2051 |

4–20 mA dc Input Signal for Rosemount 3051C
A. Power supply
B. Load resistor
C. Optional ground
4–20 dc Input Signal for Rosemount 3051S
2.3 LCD display configuration
The 20-segment bar graph is factory calibrated and represents 4–20 mA directly, but the endpoints of the LCD display are user-definable. The meter requires a current between 4 and 20 mA in order to be scaled, but the actual value of the current is not significant.
2.3.1 Remove the cover
WARNING
Explosions could result in death or serious injury. Do not remove the transmitter cover in explosive atmospheres when the circuit is live.
Procedure
Unscrew and remove the transparent housing cover from the LCD display body.
Note
The LCD display time-out is approximately 16 seconds. If you do not press the configuration buttons within 16 seconds, the indicator will revert to reading the current
signal.
2.3.2 Position the decimal point and select the meter function
Procedure
- Press the left and right configuration buttons simultaneously and release them immediately.
- To move the decimal point to the desired location, press the left configuration button.
Note
The decimal point wraps around. - To scroll through the mode options, press the right configuration button repeatedly until the meter displays the desired mode (see Table 2-1).
Note
The LCD display time-out is approximately 16 seconds. If you do not press the configuration buttons within 16 seconds, the indicator will revert to reading the current signal.
Table 2-1: LCD Display Mode Options
| Options | Relationship between Input Signal and Digital Display |
| Lin | Linear |
| LinF | Linear with 5-second filter |
| Srt | Square root |
| SF | Square root with 5-second filter |
| The square root function only relates to the digital display. The bar graph output remains linear with the current signal. | |
Table 2-1: LCD Display Mode Options (continued)
| Options | Relationship between Input Signal and Digital Display |
| Square root response The digital display will be proportional to the square root of the input current where 4 mA = 0 and 20 mA = 1.0, scaled per the calibration procedure. The transition point from linear to square root is at 25 percent of full-scale flow. | |
| Filter response operates upon “present input” and “input received in the previous five-second interval” in the following manner: Display = (0.75 previous input) + (0.25 present input) This relationship is maintained provided that the previous reading minus the present reading is less than 25 percent of the full scale. | |
2.3.3 Store the information
Procedure
Press both configuration buttons simultaneously for two seconds.
Note
The meter displays “- -” for approximately 7.5 seconds while the information is being stored.
2.3.4 Set the display equivalent to a 4 mA signal
Procedure
- Press the left configuration button for two seconds.
- To decrease the display numbers, press the left configuration button. To increase the numbers, press the right configuration button. Set the numbers between –999 and 1000.
- To store the information, simultaneously press both configuration buttons for two seconds.
2.3.5 Set the display equivalent to a 20 mA signal
Procedure
- Press the right configuration button for two seconds.
- To decrease the display numbers, press the left configuration button. To increase the numbers, press the right configuration button. Set the numbers between –999 and 9999.
Note
The sum of the 4 mA point and the span must not exceed 9999. - To store the information, simultaneously press both configuration buttons for two seconds. The LCD display meter is now configured.
2.3.6 Replace the cover
Procedure
Make sure the rubber gasket is seated properly, and thread the transparent housing cover onto the LCD display meter body.
Ordering information, specifications, and drawings
To view current Rosemount 751 ordering information, specifications, and drawings, follow these steps:
Procedure
- Go to Emerson.com/Rosemount/Rosemount 751 Field Signal Indicator.
- Scroll as needed to the green menu bar and click Documents & Drawings.
- For installation drawings, click Drawings & Schematics and select the appropriate document.
- For ordering information, specifications, and dimensional drawings, click Data Sheets & Bulletins and select the appropriate Product Data Sheet.
- For the Declaration of Conformity, click Certificates & Approvals and select the most current document.
For more information: www.emerson.com
© 2022 Emerson. All rights reserved.
Emerson Terms and Conditions of Sale are available upon request. The Emerson logo is a trademark and service mark of
Emerson Electric Co. Rosemount is a mark of one of the
Emerson family of companies. All other marks are the property of their respective owners.![]()












![Emerson Alarm Clock [cks1507 W/ Radio] User Manual Emerson Alarm Clock [cks1507 W/ Radio] User Manual](https://static-data1.manualsee.com/1/img/275/8730/2020/10/Emerson-Alarm-Clock-CKS1507.png)



