Series J
Installation and Operating Manual

Pneumatic
switch mechanism
and housings

UNPACKING
Unpack the instrument carefully. Make sure all components have been removed from the foam protection. Inspect all components for damage. Report any concealed damage to the carrier within 24 hours. Check the contents of the carton/crates against the packing slip and report any discrepancies to Magnetrol. Check the nameplate model number to be sure it agrees with the packing slip and purchase order. Check and record the serial number for future reference when ordering parts.
PRINCIPLE OF OPERATION
Figure 1 shows the attraction sleeve and magnet in the position when the liquid level is such that the attraction sleeve is below the field of the magnet. In this position, the flapper has been drawn away from the nozzle by the fallout spring; and, air flows faster through the nozzle than it can be supplied through the restriction. The air pressure to the control valve then drops to zero.

Figure 1 Attraction sleeve below field of magnet
- Bleed restriction (1)
- Attraction sleeve
- Non-magnetic enclosing tube
- Reverse link position for opposite action
- Magnet (swing out position)
- Falling level
- Flapper
- Nozzle
- To control valve
Figure 2 shows the attraction sleeve when it is within the field of the magnet. When a change in the liquid level moves the attraction sleeve into the field of the magnet, it causes the magnet to pull in against the enclosing tube. In this position, the flapper is held against the nozzle, thus shutting off the bleed of air. The air pressure to the control valve builds up to supply pressure. The switch is reversible with two simple adjustments described on page 3.
NOTE: Clean, dry, regulated air should be used with the pneumatic switch.

Figure 2 Attraction sleeve in field of magnet
- Bleed restriction (1)
- Attraction sleeve
- Non-magnetic enclosing tube
- Reverse link position for opposite action
- Magnet (swing out position)
- Rising level
- Flapper
- Nozzle
- To control valve
DESCRIPTION
The series ‘J’ pneumatic switch is a single airline, bleed type valve with a magnetically actuated flapper. The movement of the magnet assembly causes the switch to change state, either moving the flapper away from the nozzle allowing the pressure in the line to vent or moving the flapper against the nozzle causing pressure to build up in the line.
(1) Bleed restrictor not sold by Magnetrol and may be required depending on operation requirements.
PNEUMATIC CONNECTION
Circuits shown are for direct-acting level switches and are reversed in side mounting float-in-tank models, which utilize a reversing float pivot. The airline adapter is provided with 1/4″ NPT-F pneumatic connection.
Reversing pilot action
All series J pneumatic switch mechanisms are shipped from the factory set-up for direct action; closed at high level. They can be field modified for the reverse (open) position by following the steps below:
- First remove the upper shoulder screw from the actuator link and move it from the direct (D) position to the reverse (R); refer to Figure 3.
- Loosen the screw that positions the spring bracket and move it from the direct (D) position to the reverse (R) position; refer to Figure 4.
- Fasten screw securely.
The switch is now setup for reverse action.

Figure 3
- Air line adapter
- Enclosing tube
- Reverse position
- Direct position
- Upper shoulder screw
- Actuator link

Figure 4
- Reverse position
- Spring position
- Direct position
- Enclosing tube
- Fall out spring
- Air line adapter
Locating air line connection
The air line connection may be rotated a full 360° for your convenience in connecting the instrument air supply. To rotate the switch and base assembly:
- Loosen both the locking screw above the enclosing tube nut and the frame screw. Refer to Figure 5.
- Rotate the entire base to the desired position.
- Tighten both the locking screw and the frame screw.
Remove complete mechanism
- Disconnect air line from air line adapter.
- Loosen both the locking screw above the enclosing tube nut, and the frame screw approximately 3 to 4 turns. Refer to Figure 5.
- Lift the entire base and switch assembly straight up and off the enclosing tube.

Figure 5
- Air line adapter
- Frame screw
- Enclosing tube
- Fall-out stop
- Magnet
- Base
- Locking screw
- Enclosing tube nut
PREVENTIVE MAINTENANCE
Nozzle cleaning
To clean the nozzle, follow the steps below:
- Unscrew and remove the adapter. Refer to Figure 6.
- The o-ring and strainer will now fall out when the switch is tipped.
- Unscrew the flapper adjustment screw with a 1/16″ Allen wrench. This will prevent damage to the flapper when performing step 4.
- Insert a 1/16″ diameter wire into the nozzle from the air line connection side. Refer to Figure 7. The wire may be moved back and forth to clean the opening of any accumulated matter.
- Reassemble the o-ring, strainer, and air line adapter; insert into nozzle. Refer to Figure 6.
- Securely tighten the air line adapter.
- Readjust the flapper to its original position; refer to Nozzle flapper readjustment.

Figure 6
- Enclosing tube
- Flapper adjustment screw
- 1/16″ Allen wrench
- Strainer
- Air line adapter
- O-ring
- Nozzle
- Flapper
Nozzle flapper readjustment
- Connect an air line to the adapter.
- Pressurize the air line.
- Adjust the flapper adjustment screw for the desired action:
Direct Action
a. Hold the magnet against the enclosing tube.
b. Adjust the flapper adjustment screw with a 1/16″ Allen wrench until the air flow stops, plus an extra one-eighth turn.
Reverse Action
a. Hold the magnet against the fall out stop. Refer to Figure 5.
b. Adjust the flapper adjustment screw with a 1/16″ Allen wrench until the air flow stops. - Manually actuate the switch under pressure to assure its correct actuation. The unit is now ready for service.

Figure 7
- Magnet (yellow or red dot)
- Enclosing tube
- Floppy adjustment screw
- 1/16″ Diament wire
- Nozzle
- Flapper
SWITCH & HOUSING MODEL CODES
Magnetrol level controls are identified by an alpha-numbering system. The last digits describe the type of switch mechanism furnished.

REPLACEMENT SWITCH MECHANISMS
Magnet strength
Switch mechanisms are provided with different strength magnets as determined by the characteristics of the level switch. A red or yellow dot is visible on each magnet. When ordering replacement switch mechanisms, be certain to determine the color dot on the magnet. For these types of switches, the tenth digit of the model number identifies the magnet used on the control. The correct magnet dot color may be chosen by finding the tenth digit of your model number at the top of the chart. Any model numbers preceded with an “X” are specially modified controls. Contact the factory for replacement part numbers.
Partn°:![]()
Digit in partn°:
X = product with a specific customer requirement
Serial n°:![]()
See nameplate, always provide complete partn° and serial n° when ordering spares.
J series pneumatic switch
Replacement parts for J series pneumatic switch mechanisms are available as an assembly only. This assembly contains also the housing base and base lock screw. When ordering an assembly, be certain to specify:
1. The model number of the level control in which the switch was installed, for example B75-AB20-JDG.
2. The serial number of the level control in which the switch was installed. Refer to nameplate attached to control.
| 8, 9 & 10 th digit | Part number |
| JDG, JGH | 089-7501-027 |
| JEG, JHH | 089-7501-029 |
| JFG, JJH | 089-7501-031 |
| JDE, JGF | 089-7501-026 |
| JEE, JHF | 089-7501-028 |
| JFE, JJF | 089-7501-030 |
| JKE, JNF | 089-7501-032 |
| JLE, JPF | 089-7501-033 |
| JME, JRF | 089-7501-034 |
REPLACEMENT SWITCH HOUSINGS
Aluminium / Carbon steel housings
Carbon steel IP53 (NEMA 3R) switch housings are available for general purpose and weatherproof installations. The housing base is cast from aluminum while the cover is made from cold rolled steel. The housings are finished with a baked-on polyester powder coat paint.

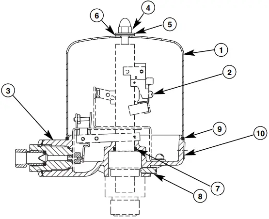
Figure 8 Standard aluminium /carbon steel housing (short and tall)
1. Housing cover
2 & 3. Switch mechanism & housing base assembly
4. Acorn nut
5. Washer
6. Seal washer
7. Base O-ring
8. Base lock screw
9. Cover O-ring
10. Nameplate
Replacement housing kits
The housing base (3) and the base lock screw (8) are included in the assembly that contains the pneumatic switch mechanism (2). Refer to page 5 for replacement part numbers.
| Description | Kit contains part(s) | Replacement part |
| Cover kit for short (102 mm (4”)) housing | 1, 4, 5, 6, 7, 9 | 189-6509-001 |
| Cover kit for tall (152 mm (6”)) housing | 1, 4, 5, 6, 7, 9 | 189-6510-001 |
| Washer + ‘O’-ring kit | 4, 5, 6, 7, 9 | 189-6508-001 |
| Cover ‘O’-ring | 9 | 012-1318-001 |
| Base ‘O’-ring | 7 | 012-2201-116 |
Assemble / Disassemble instructions
- Disconnect air line from air line adapter.
- Loosen acorn nut (4) or cover screw (model F10 & F50) and remove washers (5) & (6). Lift housing cover straight upwards to avoid damaging the inside switch mechanism.
- Replacement of base O-ring (7).
3.1 First remove housing cover (1) – see 1-2.
3.2 Loosen base lock screw (8).
3.3 Remove entire switch mechanism & housing base
assembly (see page 3).
3.4 O-ring (7) can be accessed/replaced. - Replace part and mount in opposite order.
- Replace housing cover (1), reinstall washers (6) & (5) and fix with acorn nut (4) or cover screw (model F10 & F50).
Notes
IMPORTANT
SERVICE POLICY
Owners of Magnetrol products may request the return of a control; or, any part of a control for complete rebuilding or replacement. They will be rebuilt or replaced promptly. Magnetrol International will repair or replace the control, at no cost to the purchaser, (or owner) other than transportation cost if:
a. Returned within the warranty period; and,
b. The factory inspection finds the cause of the malfunction to be defective material or workmanship.
If the trouble is the result of conditions beyond our control; or, is NOT covered by the warranty, there will be charges for labour and the parts required to rebuild or replace the equipment.
In some cases, it may be expedient to ship replacement parts; or, in extreme cases a complete new control, to replace the original equipment before it is returned. If this is desired, notify the factory of both the model and serial numbers of the control to be replaced. In such cases, credit for the materials returned, will be determined on the basis of the applicability of our warranty.
No claims for misapplication, labour, direct or consequential damage will be allowed.
RETURNED MATERIAL PROCEDURE
So that we may efficiently process any materials that are returned, it is essential that a “Return Material Authorisation” (RMA) form will be obtained from the factory.It is mandatory that this form will be attached to each material returned. This form is available through Magnetrol’s local representative or by contacting the factory. Please supply the following information:
- Purchaser Name
- Description of Material
- Serial Number and Ref Number
- Desired Action
- Reason for Return
- Process details
Any unit that was used in a process must be properly cleaned in accordance with the proper health and safety standards applicable by the owner, before it is returned to the factory.
A material Safety Data Sheet (MSDS) must be attached at the outside of the transport crate or box.
All shipments returned to the factory must be by prepaid transportation.Magnetrol will not accept collect shipments. All replacements will be shipped Ex Works.
BULLETIN N°: BE 42-685.3
EFFECTIVE: July 2021
SUPERSEDES: September 2014
UNDER RESERVE OF MODIFICATIONS
European Headquarters & Manufacturing Facility
Heikensstraat 6
9240 Zele, Belgium
Tel: +32-(0)52-45.11.11
e-mail: [email protected]



















