omsemi BR262PMEVK Prototyping Module Evaluation Board

The BelaSigna R262 Prototyping Module
The BelaSigna R262 prototyping module is a miniature, self-contained unit that can be integrated into a product or prototype to evaluate the performance of BelaSigna R262 “in-form-factor”.
Key Features
The module is shown in Figure 1 and features:
- A Miniature Size of only 22 mm 6mm
- The 30-ball WLCSP Version of BelaSigna R262 (BR262W30A103E1G)
- Two MEMS Microphones Spaced 10 mm Apart
(Knowles Part Number SPU0410HR5H−PB) - Through-hole Test Points for External Connections
- Configured to Boot Directly to the ROM Application Using the Internal Clock
- I2C and GPIO Signals Available on Test Points
- An Onboard I2C EEPROM for Optional Custom Application

Default Configuration
The prototyping module configures BelaSigna R262 to run off its internal oscillator and to boot directly into the ROM-based noise reduction algorithm. The module is pre-configured to simultaneously output two different algorithm turnings: a pure close-talk output on AO0, and an output that is close-talk mixed 60% towards far-talk on AO1. All that is required is to supply the module with 1.8 to 3.3 VDC (requires approximately 20 mA), and to connect the analog outputs to your in-form-factor design. Power is connected to VBAT (+) and GND (−). The prototyping module configures the ROM application as summarized in Table 1 when power is applied.
A description of all test points and a complete schematic and layout is available in Appendix A.
BR262PMEVK
Table 1. BelaSigna R262 PROTOTYPING MODULE LSAD CONFIGURATION
| Pin Name | Preset | Description |
| CLOCK_SEL (SPI_CLK/GPIO0) | 7 | Internal Clock |
| BOOT_SEL (SPI_CS/GPIO1) | 4 | Active Mode Talk Distance Selectable between Close-talk and Far-talk (5 cm – 500 cm) |
| CHAN_SEL (SPI_SERO/GPIO2) | 3 | Dual Output Noise Reduction (Two Single-ended Analog Outputs) Channel 0 as per BOOT_SEL “Start of Range” (Close-talk) Channel 1 as per BOOT_SEL and ALPHA_SEL |
| ALPHA_SEL (SPI_SERI/GPIO3) | 4 | Mixer set 60% between Start and End of Range |
Connecting the Prototyping Module
The analog output signals are available on AO0 (6), AO1 (7), and GNDA (−). An optional momentary push-button control can be connected between GP5 (5) and GNDD (−) that can be used to swap the two processed outputs between AO0 and AO1. The pinout for the module, along with typical connections are illustrated in Figure 2. The analog outputs of the device can be connected to your system’s analog inputs as single-ended signals using AO0 and GNDA and/or AO1 and GNDA. If the module is re-configured to output a mono, differential analog output by changing the CHAN_SEL resistors R4 and R5, via I2C commands, or by loading a custom application, you can a high-impedance (line-level) input, not speakers nor headphones directly. Refer to the BelaSigna R262 datasheet for more information on output stage characteristics.a high-impedance (line-level) input, not speakers nor headphones directly. Refer to the BelaSigna R262 datasheet for more information on output stage characteristics.
You can also use the prototyping module as a digital microphone replacement outputting a stereo DMIC signal on test point GP4 (4), provided you supply an appropriate DMIC clock signal on the CLK (8) test point and re-configure the module’s CLOCK_SEL resistive divider to match the provided clock frequency. Refer to the BelaSigna R262 datasheet for more information.

Operating the Prototyping Module
The default configuration of the prototyping module provides the widest noise reduction adjustment range (close-talk to far-talk) by selecting preset 4 on the BOOT_SEL input, and is pre-configured to simultaneously output two different algorithm tunings: a pure close-talk output on AO0, and an output that is close-talk mixed 60%towards far-talk on AO1. The processed outputs from these two algorithm tunings are available as single-ended analog outputs on AO0 – GNDA, and AO1 – GNDA. The application will swap the output channels when GP5 is momentarily pulled low. If a momentary push-button is connected between GP5 and GNDD, pressing and releasing this button will swap the two processed outputs between AO0 and AO1.
Close-Talk
Close-talk mode aggressively filters noise and manages gain to pick up speech within 5 to 10 cm from the microphone array, effectively attenuating both speech and noise that is farther away. This mode is suitable for mobile handsets and radios where the speech source is very close to the microphones and the noise level can be quite high; up to 90 dB SPL. Noise reduction performance in this mode ranges from 20 to 30 dB SNR improvement (SNR−I), depending on the type of noise.
BR262PMEVK
Close-Talk Mixed 60% Towards Far-Talk
The second, mixed mode of close-talk mixed 60%towards far-talk is similar to the core near-talk mode and features excellent noise reduction in applications where the speech source is located slightly further away from the microphones; typically 50 to 100 cm. This mode is suitable for handsfree devices and performs well in noise levels up to 70 dB SPL. Expected noise reduction performance in this mode is 10 to 20 dB SNR−I, depending on the type of noise.
Refer to the AND9109/D − BelaSigna R262 Getting Started Guide for details on the different algorithm modes and performance metrics.
Module Positioning
The speech source can come from any direction (normally in front of the microphones), as long as it is within the “working sphere” of the current algorithm mode. For close-talk mode, the mouth reference point (MRP) should be located between 5 and 10 cm from the microphones.
For close-talk mixed 60% towards far-talk, the MRP should be located between 50 and 100 cm from the microphones.
Acoustic Design
If the prototyping module is replacing an existing microphone, the old microphone should be removed and the module should be mounted as close as possible to the original microphone location.
The device casing should be modified or manufactured such that there is an appropriate acoustic path to the two microphones on the module. Two holes roughly 0.5 to 1 mm in diameter should be drilled in the casing 10 mm apart above the sound ports of the onboard microphones. If possible a rubber or foam isolation gasket should be installed between the microphones and the device casing.
Electrical Considerations
The analog output(s) of the module can be connected directly to any existing microphone input but keep in mind that it may be necessary to lower any existing microphone pre-amplification.
Care should be taken to properly shield the module and the analog outputs if your product involves radio frequencies. Use coaxial or shielded cable when connecting the analog outputs of the module, and if necessary, wrap the module with foil tape.
Customizing the Prototyping Module
If you would prefer to have the default tunings to be something other than close-talk and close-talk mixed 60%towards far-talk, you can change the values of the resistive dividers on the BOOT_SEL (R3 and R4) and ALPHA_SEL (R7 and R8) inputs. A component placement diagram showing the locations of the various resistors is illustrated in Figure 3. Refer to the BelaSigna R262 datasheet for more information on BOOT_SEL and
ALPHA_SEL inputs, and the resistive divider values required to achieve specific presets.
If you would like to re-configure the module to use the DMIC interface, you must supply an appropriate DMIC clock signal on the CLK test point and re-configure the module’s CLOCK_SEL resistive divider (R1 and R2) to match the provided clock frequency. A stereo DMIC signal will be output on test point GP4. Refer to the BelaSigna R262 datasheet for more information on the supported DMIC clock frequencies, and the resistive divider values required to select them.
If you would like to re-configure the module to output a differential analog signal, you must adjust the resistive dividers on the CHAN_SEL input (R5 and R6) to select preset 0 or preset 5. Refer to the BelaSigna R262 datasheet for more information on the CHAN_SEL input and the resistive divider values required to achieve specific presets.
If you would like to re-configure the module to load a custom application from the EEPROM, you must load a valid custom application onto the EEPROM and remove resistor R4 to have the module boot from EEPROM. Refer to the BelaSigna R262 datasheet for more information on the BOOT_SEL input and the resistive divider values required to achieve specific presets. Contact your local ON Semiconductor support representative for more information about custom applications.
BR262PMEVK
APPENDIX A
For your convenience, the prototyping module has many test points. Signals that are intended to be interfaced to external devices are provided on through-hole test points. All of the available test points are summarized in Table 2.
Table 2. BelaSigna R262 PROTOTYPING MODULE TEST POINT DESCRIPTIONS
| Test Point Name | Designator | Description |
| VBAT | + | Main Module Power Supply (1.8 to 3.3 VDC, 20 mA) |
| SCL | 2 | I2C Clock |
| SDA | 1 | I2C Data |
| GND | − | Main Module Ground |
| AO1 | 7 | Channel 1 Analog Output |
| AO0 | 6 | Channel 0 Analog Output |
| GNDA | − | Analog Ground (Internally Connected to GND) |
| VDDA | Internal 2.0 V Power Supply | |
| VDDD | Digital Power Supply (Internally Generated) | |
| GNDD | − | Digital Ground (Internally Connected to GND) |
| CLK | 8 | Optional Input Clock |
| TP2 | Microphone 1 Test Point | |
| VREG | Internal 1.0 V Power Supply | |
| TP1 | Microphone 0 Test Point | |
| GP5 | 5 | Optional GPIO Input (SWAP_CHAN) |
| GP4 | 4 | Optional DMIC Output |
| TP3 | 3 | Reset |
BR262PMEVK
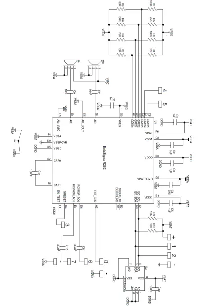
Figure 4. BelaSigna R262 Prototyping Module Schematic
BR262PMEVK
Company or Product Inquiries
For more information about ON Semiconductor products or services visit our Web site at www.onsemi.com
Technical Contact Information
For technical support, email: [email protected]
BELASIGNA is a registered trademark of Semiconductor Components Industries, LLC (SCILLC).
ON Semiconductor and are registered trademarks of Semiconductor Components Industries, LLC (SCILLC). SCILLC owns the rights to a number of patents, trademarks, copyrights, trade secrets, and other intellectual property. A listing of SCILLC’s product/patent coverage may be accessed at www.onsemi.com/site/pdf/Patent−Marking.pdf. SCILLC reserves the right to make changes without further notice to any products herein. SCILLC makes no warranty, representation or guarantee regarding the suitability of its products for any particular purpose, nor does SCILLC assume any liability arising out of the application or use of any product or circuit, and specifically disclaims any and all liability, including without limitation special, consequential or incidental damages. “Typical” parameters which may be provided in SCILLC data sheets and/or specifications can and do vary in different applications and actual performance may vary over time. All operating parameters, including “Typicals” must be validated for each customer application by customer’s technical experts. SCILLC does not convey any license under its patent rights nor the rights of others. SCILLC products are not designed, intended, or authorized for use as components in systems intended for surgical implant into the body, or other applications intended to support or sustain life, or for any other application in which the failure of the SCILLC product could create a situation where personal injury or death may occur. Should Buyer purchase or use SCILLC products for any such unintended or unauthorized application, Buyer shall indemnify and hold SCILLC and its officers, employees, subsidiaries, affiliates, and distributors harmless against all claims, costs, damages, and expenses, and reasonable attorney fees arising out of, directly or indirectly, any claim of personal injury or death associated with such unintended or unauthorized use, even if such claim alleges that SCILLC was negligent regarding the design or manufacture of the part. SCILLC is an Equal Opportunity/Affirmative Action Employer. This literature is subject to all applicable copyright laws and is not for resale in any manner.
PUBLICATION ORDERING INFORMATION
LITERATURE FULFILLMENT:
Literature Distribution Center for ON Semiconductor
P.O. Box 5163, Denver, Colorado 80217 USA
Phone: 303−675−2175 or 800−344−3860 Toll Free USA/Canada Fax: 303−675−2176 or 800−344−3867 Toll Free USA/Canada Email: [email protected]
ON Semiconductor Website: www.onsemi.com
omsemi BR262PMEVK Prototyping Module Evaluation Board

















