WG01 ALD Barometers Measuring Transducers for
Atmospheric Pressure Calibratable
Instruction Manual

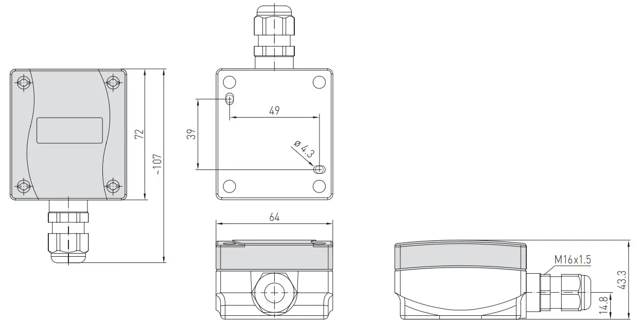
Dimensional drawing


PREMASGARD® ALD
Calibratable barometer PREMASGARD® ALD with active output (U/I switchable) and 4 measuring ranges (max. 600…1100 hPa, switchable), in a compact plastic housing with quick-locking screws, optionally with/without display. The pressure sensor is used for measuring atmospheric air pressure in clean air (non-precipitating) or other non- aggressive, non-combustible gases. It is used in various applications such as ventilation and air conditioning technology, in meteorological measurement stations and air- pressure-dependent control systems. The piezoresistive measuring element is temperature-compensated and guarantees a high degree of reliability and accuracy. The sensor is factory-calibrated; an environmental precision adjustment by an expert is possible.
TECHNICAL DATA
| Power supply: | 24V AC/DC (± 10%) |
| Working resistance: | Re (Ohm) = 25 …450 Ohm for I-output |
| Load resistance: | AL > 25 kOhm for U-output |
| Power consumption: | < 1W at 24V DC; < 2 VA at 24 V AC |
| Current consumption: | < 45 mA |
| Measuring ranges: | multi-range switching with 4 switchable measuring ranges (see table) |
| Output: | switchable 0 -10 V / 4…20 mA (via DIP switches) |
| Connection type: | 3-wire connection |
| Ambient temperature: | storage —35…+85°C; operation —30…+75°C, non-precipitating |
| Type of pressure: | atmospheric air pressure/absolute pressure |
| Medium: | clean air and non-aggressive, non-combustible gases |
| Accuracy: | typically ± 0.4 kPa compared to calibrated reference device |
| Zero point offset: | ± 50 hPa |
| Positive pressure: | 200 kPa |
| Signal filtering: | switchable 1s / 10s (via DIP switches) |
| Temperature drift: | ± 0.1 % of final value per °C |
| Housing: | plastic, UV-resistant, polyamide material, 30% glass-globe reinforced, with quick-locking screws (slotted/Phillips head combination), colour traffic white (similar to PAL 9016), housing cover for display is transparent! |
| Housing dimensions: | 72 x 64 x 37.8 mm (Tyr 1 without display) 72 x 64 x 43.3 mm (Tyr 1 with display) |
| Cable connection: | cable gland, plastic (M 16x 1.5; with strain relief, exchangeable, inner diameter 10.4mm) or M12 plug-in connector (flush-type connector, 5-pin, A-coding) according to DIN EN 61076-2-101 (optional, available upon request) |
| Electrical connection: | 0.14 – 1.5mm2, via screw terminals |
| Air humidity: | <95% r. H., non-precipitating air |
| Protection class: | III (according to EN 60730) |
| Protection type: | 1P67 (according to EN 60529) housing tested, TON/ SOD, report no. 713139052 (Tyr 1) |
| Standards: | CE conformity, electromagnetic compatibility according to EN 61 326, EMC Directive 2014/ 30/EU |
| Equipment: | display, one-line, cutout approx.36 x15 mm (Wx HI, for displaying the atmospheric air pressure/absolute pressure |
| ACCESSOIRES | |
| WS-04 | weather and sun protection hood, 130x 180 x135mm, stainless steel V2A (1.4301) |
PREMASGARD® ALD Measuring transducer for atmospheric pressure
| Pressure range (adjustable) | Type/WG01 | Output (switchable) | Display Item no. |
| 600…1100 hPa 700…1100 hPa 800…1100 hPa 900…1100 hPa | ALD | 0-10V / 4…20mA | 1301-1157-0130-200 |
| ALD LCD | 0-10V / 4…20mA | 1301-1157-2130-200 | |
| Multi-range switching: | The pressure ranges can be set via DIP switches. | ||
| Output: | 0-10V or 4…20mA (selectable via DIP switches) | ||
| Optional: | Cable connection with M12 connector according to DIN EN 61076-2-101 (on request) | ||
Conversion table for pressure values:
| Unit = | bar | mbar | Pa | kPa | mH2O |
| 1 Pa | 0.00001 bar | 0.01 mbar | 1 Pa | 0.001 kPa | 0.000101971 mH2O |
| 1 kPa | 0.01 bar | 10 mbar | 1000 Pa | 1 kPa | 0.101971 mH2O |
| 1 bar | 1 bar | 1000 mbar | 100000 Pa | 100 kPa | 10.1971 mH2O |
| 1 mbar | 0.001 bar | 1 mbar | 100 Pa | 0.1 kPa | 0.0101971 mH2O |
| 1 mH2O | 0.0980665 bar | 98.0665 mbar | 9806.65 Pa | 9.80665 kPa | 1 mH2O |
DIP switches for pressure range setting, output attenuation and zero compensation :
| Pressure range (adjustable) | DIP 1 | DIP 2 |
| 600…1100 hPa | OFF | OFF |
| 700…1100 hPa | ON | OFF |
| 800…1100 hPa | OFF | ON |
| 900…1100 hPa (default) | ON | ON |
| Measurement signal filtering (selectable time interval) | DIP 5 |
| 10 s (default) | OFF |
| 1 s | O N |
| Output (selectable) | DIP 6 |
| Voltage 0 -10 V (default) | OFF |
| Current 4… 20 mA | O N |
M12 connector (optional on request)
The following configurations can be preset via DIP switches.
The DIP switch sliding blocks can be moved without using tools.
DIP switch 3 and 4 are not assigned.
Pressure ranges
In each case four different pressure ranges depending on the type of device can be preset via DIP switches DIP 1 and DIP 2.
Measurement signal filtering
In order to stabilize the pressure measurement signal and the output voltage, the measurement signal is filtered. The time interval for such averaging can be preset via DIP switch DIP 5 to 1 or 10 seconds. By a longer filtering interval, the settling time of the sensor is automatically extended.
Manual offset adjustment
Offset adjustment is done at a potentiometer on the circuit board within an adjustment range of ± 50 hPa of the device’s pressure range.
Ex-factory this potentiometer is in center position and is lacquer sealed.
Offset adjustment is carried out using a tool called “screwdriver 2.5” (blade with in mm).
Readout in the display
In the 1st line of the display, the ACTUAL pressure up to the measuring range limit is displayed.
hP = Hektopascal
I – Output
(MB: xx…+1100 hPa)
Output voltage at central position of the offset controller 20 mA at 1100 hPa
Output voltage 4…20 mA lower value to final value
U – Output
(MB: xx…+1100 hPa)
Output voltage at central position of the offset controller 10 V at 1100 hPa
Output voltage 0 …10 V lower value to final value
Important notes
The voltage output is short-circuit proof. Applying overvoltage at the voltage output will destroy this device. Pressure ranges are indicated on the device label. Applying measuring pressures beyond that range will cause mismeasurements and increased deviations or may destroy the device.
- Recommended installation position: cable supply points downwards.
- Attention – when leading in a cable, make sure, it does not pass under the circuit board. This can damage the electronics!
- The voltage output is short-circuit proof. Applying overvoltage at the voltage output will destroy this device.
- At an adjusting element, the output signal can be shifted by ±50 hPa. In this way, possible ageing or drift effects can be compensated.
- By changing the offset at the adjusting element, factory-calibration is lost!
- If this device is operated beyond the specified range, all warranty claims are forfeited.
Our “General Terms and Conditions for Business“ together with the “General Conditions for the Supply of Products and Services of the Electrical and Electronics Industry“ (ZVEI conditions) including supplementary clause “Extended Retention of Title“ apply as the exclusive terms and conditions.
In addition, the following points are to be observed:
- These instructions must be read before installation and putting in operation and all notes provided therein are to be regarded!
- A suitable weather and sun protection hood must be used when installed outdoors.
- Devices must only be connected to safety extra-low voltage and under dead-voltage condition. To avoid damages and errors at the device (e.g. by voltage induction) shielded cables are to be used, laying parallel with current-carrying lines is to be avoided, and EMC directives are to be observed.
- This device shall only be used for its intended purpose. Respective safety regulations issued by the VDE, the states, their control authorities, the TÜV and the local energy supply company must be observed. The purchaser has to adhere to the building and safety regulations and has to prevent perils of any kind.
- No warranties or liabilities will be assumed for defects and damages arising from improper use of this device.
- Consequential damages caused by a fault in this device are excluded from warranty or liability.
- These devices must be installed and commissioned by authorised specialists.
- The technical data and connecting conditions of the mounting and operating instructions delivered together with the device are exclusively valid. Deviations
from the catalogue representation are not explicitly mentioned and are possible in terms of technical progress and continuous improvement of our products. - In case of any modifications made by the user, all warranty claims are forfeited.
- This device must not be installed close to heat sources (e.g. radiators) or be exposed to their heat flow.
Direct sun irradiation or heat irradiation by similar sources (powerful lamps, halogen spotlights) must absolutely be avoided. - Operating this device close to other devices that do not comply with EMC directives may influence functionality.
- This device must not be used for monitoring applications, which serve the purpose of protecting persons against hazards or injury, or as an EMERGENCY STOP switch for systems or machinery, or for any other similar safety-relevant purposes.
- Dimensions of enclosures or enclosure accessories may show slight tolerances on the specifications provided in these instructions.
- Modifications of these records are not permitted.
- In case of a complaint, only complete devices returned in original packing will be accepted.
Notes on commissioning:
This device was calibrated, adjusted and tested under standardised conditions. When operating under deviating conditions, we recommend performing an initial manual adjustment on-site during commissioning and subsequently at regular intervals.
Commissioning is mandatory and may only be performed by qualified personnel!
These instructions must be read before installation and commissioning and all notes provided therein are to be regarded!
SUPPLY VOLTAGE:
For operating voltage reverse polarity protection, a one-way rectifier or reverse polarity protection diode is integrated in this device variant.
This internal one-way rectifier also allows operating devices on AC supply voltage.
The output signal is to be tapped by a measuring instrument. Output voltage is measured her against zero potential (O V) of the input voltage!
When several devices are supplied by one 24 V AC voltage supply, it is to be ensured that all ”positive“ operating voltage input terminals (+) of the field devices are connected with each other and all ”negative“ operating voltage input terminals (–) (= reference potential) are connected together (in-phase connection of field devices). All outputs of field devices must be referenced to the same potential!
In case of reversed polarity at one field device, a supply voltage short-circuit would be caused by that device. The consequential short-circuit current flowing through this field device may cause damage to it.
Therefore, pay attention to correct wiring!

© Copyright by S+S Regeltechnik GmbH
Nachdruck, auch auszugsweise, nur mit Genehmigung der S+S Regeltechnik GmbH.
Reprint in full or in parts requires permission from S+S Regeltechnik GmbH.
Subject to errors and technical changes. All statements and data herein represent our best knowledge at date of publication. They are only meant to inform about our products and their application potential, but do not imply any warranty as to certain product characteristics. Since the devices are used under a wide range of different conditions and loads beyond our control, their particular suitability must be verified by each customer and/or end user themselves. Existing property rights must be observed. We warrant the faultless quality of our products as stated in our General Terms and Conditions.


S+S REGELTECHNIK GMBH
THURN-UND-TAXIS-STR. 22
90411 NÜRNBERG ⁄ GERMANY
FON +49 (0) 911 ⁄ 5 19 47-0
[email protected]
www.SplusS.de![]()

















