sauermann KIMO CP 116 Atmospheric Pressure Sensor

Atmospheric pressure transmitter
- Measuring range from 800 to 1100 hPa
- Indication of the pressure in mbar, mmHG or hPa
Features
- 0-10 V or 4-20 mA output, active, power supply 24 Vac/Vdc (3-4 wires) or 4-20 mA output, passive loop, power supply from 16 to 30 Vdc (2 wires)
- ABS V0 housing, IP65, with or without display
- turn system mounting with wall-mount plate
- Housing with simplified mounting system
General features

Features of the housing
| Material | ABS V0 as per UL94 |
| Protection | IP65 |
| Display | LCD 10 digits. Dimensions: 50 x 17 mm Height of digits: values: 10 mm; units: 5 mm |
| Connections | Ribbed, Ø 6.2 mm |
| Cable gland | For cables Ø 8 mm maximum |
| Weight | 143 g |

Symbols used
For your safety and in order to avoid any damage of the device, please follow the procedure described in this document and read carefully the notes preceded by the following symbol: The following symbol will also be used in this document, please read carefully the information notes indicated after this symbol:
Connections

- Inactive switch
- Active switch
- Pressure connection
- LCC-S connection
- Output terminal block
- Power supply terminal block
- Cable gland
Electrical connections as per NFC15-100 standard
This connection must be made by a qualified and trained technician. To make the connection, the transmitter must not be energized.
For CP116-AO and CP116-AN models with 0-10 V or 4-20 mA output – active, 4 wires:

- To make a 3-wire connection, before powering up the transmitter, please connect the output ground to the input ground. See drawing below.

For CP116-PO and CP116-PN models with 4-20 mA output – passive
Settings and use of the transmitter
Configuration
To configure the transmitter, it must not be energized. Then, you can make the settings required, with the DIP switches (as shown on the drawing below). When the transmitter is configured, you can power it up. To configure the transmitter, unscrew the 4 screws from the housing then open it. DIP switches allowing the different settings are then accessible.
- Please follow carefully the combinations beside with the DIP switch. If the combination is wrongly done, the following message will appear on the display of the transmitter “CONF ERROR”. In that case, you will have to unplug the transmitter, place the DIP switches correctly, and then power the transmitter up.
Output setting – active switch
To set the type of analogue output, please put the on-off switch of the output as shown beside.
Units setting – active switch
To set a measurement unit, put the on-off switches 2, 3 and 4 of the units as shown in the table below.
Configuration via LCC-S software (option)
An easy and friendly configuration with the software! To access the configuration via software:
- Set the DIP switches as shown beside. Nota: the on-off switch 1 of the active DIP switch can be in any position (selection of the analogue output 0-10 V or 4-20 mA).
- Connect the cable of the LCC-S to the connection of the transmitter.
Caution: the configuration of the parameters can be done either with the DIP switch or via software (you can not combine both solutions).
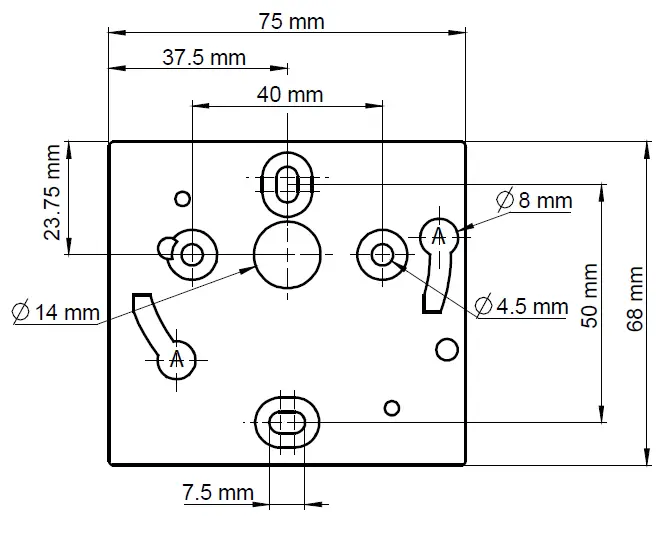
Mounting
To mount the transmitter, mount the ABS plate on the wall (drilling: Ø 6 mm, screws and pins are supplied). Insert the transmitter on the fixing plate (see A on the drawing beside). Rotate the housing in clockwise direction until you hear a “click” which confirms that the transmitter is correctly installed.
Accessories
Please refer to the data sheet to get more information about available accessories.
- Maintenance: please avoid any aggressive solvent. Please protect the transmitter and its probes from any cleaning product containing formalin, that may be used for cleaning rooms or ducts.
- Precautions for use: please always use the device in accordance with its intended use and within the parameters described in the technical features in order not to compromise the protection ensured by the device.
- Download the LCC-S software user manual Télécharger la notice d’utilisation du logiciel LCC-S

- Download the CP 116 data sheet Télécharger la fiche technique du CP 116

QSG – CP 116 – 05/08/22 – Non-contractual document – We reserve the right to modify the characteristics of our products without prior notice
Customer service portal / Portail service clients
- Utilisez notre Portail service clients pour nous contacter Use our Customer service portal to contact us
- https://sauermann-en.custhelp.com
- www.sauermanngroup.com





















