sauermann HM 110 Humidity Sensor

Quick Start Guide
Humidity transmitter


Operating temperature, protection of the instruments and information about storage
Conditions of use (°C/%RH/m): from 0 to +50 °C; in non-condensing conditions. From 0 to 2000 m. Protection: IP65 (remote and duct models); IP20 (ambient model)
Storage temperature: from -10 to +70 °C.
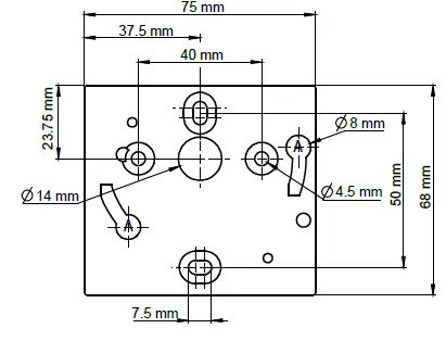
Dimensions
- Duct model
- Ambient model
- Remote model


Used symbols
For your safety and in order to avoid any damage of the device, please follow the procedure described in this document and read carefully the notes preceded by the following symbol:
The following symbol will also be used in this document, please read carefully the information notes indicated after this symbol:
Connections
- Active switch (S1)
- Inactive switch
- LCC-S software connection
- Output terminal block
- Power supply terminal block
- Cable gland


- Inside the front housing
- Removable front face
- Fixed back housing
Electrical connections as per NFC15-100 standard
This connection must be made by a qualified and trained technician. To make the connection, the transmitter must not be energized.
2 wires

3 wires
4 wires
Configuration via LCC-S software (option)
An easy and friendly configuration with the software!
It is possible to configure the device.
For example, the instrument could be configured from 30 to 50% RH.
In order to compensate a possible drift of the transmitter, it is possible to add an offset to the displayed value by the HM110 instrument: it shows 48% RH, a standard instrument shows 45% RH. It is then possible, through the software, to integrate an offset of -3 to the displayed value by the HM 110 instrument
To access the configuration via software:
Connect the cable of the LCC-S to the connection of the transmitter.
PC configuration
- Please refer to the
- optional LCC-S
- software to make the
- configuration.
Active switch (S1)
Mounting
To mount the transmitter, mount the ABS plate on the wall (drilling: 6 mm, screws and pins are supplied).
Insert the transmitter on the fixing plate (see A on the drawing beside). Rotate the housing in clockwise direction until you hear a “click” which confirms that the transmitter is correctly installed. 
The model with ambient probe does not have any mounting plate. 4 fixing holes are present inside the back housing. Use them to install the transmitter on the required location.
- Maintenance: Please avoid any aggressive solvent. Please protect the transmitter and its probes from any cleaning product containing formalin, that may be used for cleaning rooms or ducts.
- Precautions for use: please always use the device in accordance with its intended use and within parameters described in the technical features in order not to compromise the protection ensured by the device.
Customer service portal / Portail service clients Portal de servicio al cliente / Portale servizio clienti Use our Customer service portal to contact us Utilisez notre Portail service clients pour nous contacter
https://sauermann-en.custhelp.com






















