FIBARO FGRGBW-442 RGBW Controller 2 Instructions
INTRODUCTION
FIBARO RGBW Controller 2 is a universal, Z-Wave Plus compatible RGB/RGBW controller.
The device uses PWM signal to control LED strips (single colour, RGB, RGBW), LED lamps, halogen lamps and other resistive loads. It can also measure active power and energy consumed by the load. Controlled devices may be powered by 12 or 24V DC.
Inputs support momentary/toggle switches and 0-10V analog sensors, like temperature sensors, humidity sensors, light sensors etc.
For full instruction manual and technical specification please visit our website: manuals.fibaro.com/en/rgbw-2
Read the manual before attempting to install the device!
Warnings
The device is powered with a secure voltage. Nevertheless, the user should be careful or should commission the installation to a qualified person.
Connect only in accordance with one of the diagrams presented in the manual. Incorrect connection may cause risk to health, life or material damage.
FIBARO RGBW Controller 2 and the load connected to its output must be powered by 12VDC or 24VDC stabilized power supply with short circuit protection. Connecting higher voltage or voltage not matching the load’s voltage may cause damage to the device.
Connecting long RGBW/RGB/LED strips may cause voltage drops, resulting in lower light brightness further from
R/G/B/W outputs. To eliminate this effect it is recommended to connect few shorter strips in parallel connection instead of one long strip connected serially.
The device is designed for installation in a wall switch box of depth not less than 60mm. The switch box and electrical connectors must be compliant with the relevant national safety standards.
Do not expose this product to moisture, water or other liquids.
This product is designed for indoor use only. Do not use outside!
This product is not a toy. Keep away from children and animals!
Basic activation of the device
- Switch off the power supply.
- Open the wall switch box.
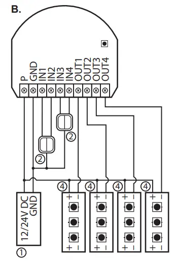
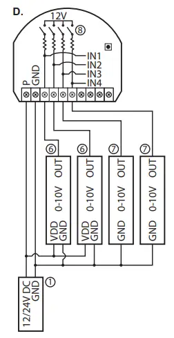
- Connect the device in accordance with one of the diagrams:
A – Example connection with RGBW LED strip
B – Example connection with one-color LED strips
C – Example connection with halogen lights
D – Example connection with 0-10V analog sensors or potentiometers
- 12/24V DC power supply,
- switch,
- RGBW LED strip,
- one-color LED strip,
- halogen light,
- 3-wire 0-10V analog sensor,
- 2-wire 0-10V analog sensor,
- configurable pull-up resistor, B – service button
- Switch on the power supply.
- Set the main Z-Wave controller into adding mode.
- Quickly, three times click the B-button.
- Wait for the device to be added into the system.
- Successful adding will be confirmed by the controller.
- Close the wall switch box.
Default operation
1 x click – restore last state / set to 0%
2 x click – set to 100%
Hold – brighten/dimm colour
Specifications
- Power supply: 12V/24V DC ±10%
- Rated load current: 6A for channel, 12A total for all outputs
- Power output: 144W combined for 12V
288W combined for 24V - Inputs: 4, 0-10V (configurable pull up) or binary
- Outputs: 4, PWM
- PWM frequency: 244Hz
- Maximum length of wires: 2m
- Radio frequency band: 868.0–868.6MHz (EU)
869.7–870.0MHz (EU) - Max. transmit power: +2dBm (EU)
- Operating temperature: 0–40°C
- Dimensions (L x W x H): 42 x 37 x 18 mm
Warranty
- FIBAR GROUP S.A. with its registered office in Wysogotowo, ul. Serdeczna 3, 62-081 Wysogotowo, entered into the Register of Entrepreneurs of the National Court Register maintained by the District Court for Poznań-Nowe Miasto and Wilda in Poznań, VIII Commercial Division of the National Court Register (KRS) under number: 553265, NIP 7811858097, REGON: 301595664, share capital PLN 1,182,100 paid in full, other contact information is available at: www.fibaro.com (hereinafter: “the Manufacturer”) guarantees that the device sold (hereinafter: “the Device”) is free from material and manufacturing defects.
- The Manufacturer shall be responsible for malfunctioning of the Device resulting from physical defects inherent in the Device that cause its operation to be incompatible with the specifications within the period of: – 24 months from the date of purchase by the consumer, – 12 months from the date of purchase by a business customer (the consumer and business customer are further collectively referred to as “Customer”).
- The Manufacturer shall remove any defects revealed during the guarantee period, free of charge, by repairing or replacing (at the sole discretion of the Manufacturer) the defective components of the Device with new or regenerated components. The manufacturer reserves the right to replace the entire Device with a new or regenerated device. The Manufacturer shall not refund money paid for the device.
- Under special circumstances, the Manufacturer may replace the Device with a different device most similar in technical characteristics.
- Only the holder of a valid guaranty document shall be entitled to make claims under guarantee.
- Before making a complaint, the Manufacturer recommends using the telephone or online support available at https://www.fibaro.com/support/.
- In order to make a complaint, the Customer should contact the Manufacturer via the email address given at https://www.fibaro.com/support/.
- After the complaint has been properly filed, the Customer will receive contact details for the Authorized Guarantee Service (“AGS”). The customer should contact and deliver the Device to AGS. Upon receipt of the Device, the manufacturer shall inform the Customer of the return merchandise authorization number (RMA).
- Defects shall be removed within 30 days from the date of delivering the Device to AGS. The guarantee period shall be extended by the time in which the Device was kept by AGS.
- The faulty device shall be provided by the Customer with complete standard equipment and documents proving its purchase.
- The cost of transporting the Device in the territory of the Republic of Poland shall be covered by the Manufacturer. The costs of the Device transport from other countries shall be covered by the Customer.
For unjustified complaints, AGS may charge the Customer with costs related to the case. - AGS shall not accept a complaint claim when:
- the Device was misused or the manual was not observed,
- the Device was provided by the Customer incomplete, without accessories or nameplate,
- it was determined that the fault was caused by other reasons than a material or manufacturing defect of the Device
- the guarantee document is not valid or there is no proof of purchase,
- The guarantee shall not cover:
- mechanical damages (cracks, fractures, cuts, abrasions, physical deformations caused by impact, falling or dropping the device or other object, improper use or not observing the operating manual);
- damages resulting from external causes, e.g.: flood, storm, fire, lightning, natural disasters, earthquakes, war, civil disturbance, force majeure, unforeseen accidents, theft, water damage, liquid leakage, battery spill, weather conditions, sunlight, sand, moisture, high or low temperature, air pollution;
- damages caused by malfunctioning software, attack of a computer virus, or by failure to update the software as recommended by the Manufacturer;
- damages resulting from: surges in the power and/or telecommunication network, improper connection to the grid in a manner inconsistent with the operating manual, or from connecting other devices not recommended by the Manufacturer.
- damages caused by operating or storing the device in extremely adverse conditions, i.e. high humidity, dust, too low (freezing) or too high ambient temperature. Detailed permissible conditions for operating the Device are defined in the operating manual;
- damages caused by using accessories not recommended by the Manufacturer
- damages caused by faulty electrical installation of the Customer, including the use of incorrect fuses;
- damages caused by Customer’s failure to provide maintenance and servicing activities defined in the operating manual;
- damages resulting from the use of spurious spare parts or accessories improper for given model, repairing and introducing alterations by unauthorized persons;
- defects caused by operating faulty Device or accessories.
- The guarantee shall not cover natural wear and tear of the Device and its components listed in the operating manual and in technical documentation as such elements have a defined operational life.
- The Device Guarantee shall not exclude, limit or suspend the Customer’s warranty rights.
- The Manufacturer shall not be liable for damages to property caused by defective device. The Guarantor shall not be liable for indirect, incidental, special, consequential or punitive damages, or for any damages, including, inter alia, loss of profits, savings, data, loss of benefits, claims by third parties and any other damages arising from or related to the use of the Device.
Simplified EU declaration of conformity:
Hereby, Fibar Group S.A. declares that the device is in compliance with Directives 2014/53/EU and 2011/65/ EU, 2015/863. The full text of the EU declaration of conformity is available at the following internet address: www.manuals.fibaro.com
WEEE Directive Compliance: Device labelled with this symbol should not be disposed with other household wastes. It shall be handed over to the applicable collection point for the recycling of waste electrical and electronic equipment.
Legal notices – Americas
This device complies with Part 15 of the FCC Rules
Operation is subject to the following two conditions:
1. This device may not cause harmful interference
2. This device must accept any interference received, including interference that may cause undesired operation. This equipment has bee tested and found to comply with the limits for a Class B digital device, pursuant to part 15 of the FCC Rules. These limits are designed to pro- vide reasonable protection against harmful interference in a residential installation. This equipment generates, uses and can radiate radio frequency energy and, if not installed and used in accordance with the instructions, may cause harmful interference to radio communications. However, there is no guarantee that interference will not occur in a particular installation. If this equipment does cause harmful interference to radio or television reception, which can be determined by turning the equipment off and on, the user is encouraged to try to correct the interference by one or more of the following measures
- Reorient or relocate the receiving antenna.
- Increase the separation between the equipment and receiver.
- Connect the equipment into an outlet on a circuit different from that to which the receiver is connected.
- Consult the dealer or an experienced radio/TV technician for help. Changes and modifications not expressly approved by the manufacturer or registrant of this equipment can void your authority to operate this equipment under Federal Communications Commission’s rules.
Industry Canada (IC) Compliance Notice
This device complies with Industry Canada license-exempt RSSs. Operation is subject to the following two conditions: (1) this device may not cause interference, and (2) this device must accept any interference, including interference that may cause undesired operation of the device.
Legal Notices
All information, including, but not limited to, information regarding the features, functionality, and/or other product specification are subject to change without notice. Fibaro reserves all rights to revise or update its products, software, or documentation without any obligation to notify any individual or entity.
Fibaro and Fibar Group logo are trademarks of Fibar Group S.A. All other brands and product names referred to herein are trademarks of their respective holders
Disclaimer
The information contained herein is provided in connection with Fibaro products. No license, expressed or implied by estoppel or otherwise, to any intellectual property rights is granted by this documents. This documentation may contain references to third-party sources of information, hardware or software, products or services (“collectively the “Third-Party Products or Services”). Fibaro does not control the Third-Party Products or Services and is not responsible for any Third-Party Products or Services
Except as provided above or except to the extent prohibited by applicable law, Fibaro shall not be liable for any incidental or consequential damages caused by the breach of any express or implied warranty. Fibaro assumes no liability whatsoever, and Fibaro disclaims any express or implied warranty, relating to the sale and/or use of the Fibaro products, including, but to limited to, liabilities and/or warranties relating to fitness for a particular purpose, merchantability, and/or infringement of any patent, copyright and/or other intellectual property right.
Except to the extent prohibited by applicable law, Fibaro’s liability shall not exceed the price paid for the Fibaro products from direct, indirect, special, incidental or consequential damages resulting from the sue of the products, its accompanying software, or product specifications, manuals, installation guides and/or any other documentation. Some states, provinces or jurisdictions do not allow the exclusion or limitation of incidental or consequential damages or other limitations on warranties, so the above limitations or exclusion may not apply to you. You may also have other rights that vary from state to state or province to province.
Limited warranty – United States
This limited warranty is provided by Fibar USA, LLC (the “Company”), 1245 Milwaukee Ave, Suite 102, Glenview, Illinois 60025, as the sole and exclusive remedy offered to a purchaser (the “Customer”) of the products (the “Products”) for any alleged defects in any of the Products. The warranty is subject to all terms sets forth below.
LIMITED WARRANTY:
Subject to the limitations of section 2, the company warrants that the products sold by the company to the customer will be free from defects in material and workmanship under normal use and regular service and maintenance for a period of one (1) year from the date of purchase of the products. The one-year period may be referred to as the “limited warranty period”.
This is the sole and exclusive warranty given by the company with respect to the products and is in lieu of and excludes all other warranties, express or implied, arising by operation of law or otherwise, including without limitation, any implied warranties of merchantability, fitness for a particular purpose, non-infringement and the implied condition of satisfactory quality.
The product is not, is not intended to function or be used as, should not be used as, and shall not be deemed to be, an alarm system or home security system. The product’s intended use shall not include use as an alarm system or home security system.
This limited warranty does not extend to any losses or damages due in whole or in part to misuse, accident, abuse, neglect, normal wear and tear, negligence (other than the Company’s), unauthorized modification or alteration, use beyond rated capacity, unsuitable power sources or environmental conditions, improper installation, repair, handling, maintenance or application, third party actions or omissions (whether as an agent or apparent agent of the Company), criminal acts, or any other cause not the direct fault of the Company.
LIMITATION OF REMEDY:
If within the limited warranty period, the Customer discovers any covered warranty defects and notifies the Company within thirty (30) days of such discovery, pursuant to the Claims Procedure in Section 4 below, the Company shall, at its option and as the Customer’s exclusive remedy, repair or replace F.O.B. point of manufacture.
The remedies set forth in this limited warranty are exclusive. The sole and exclusive remedy for breach of any warranty hereunder shall be limited to repair or replacement of the products.
In the event that the product cannot be repaired or replaced, the company reserves the right to substitute a product of similar technical parameters.
The company will not refund the purchase price of the original product.
Failure by the Customer to give such written notice within the thirty (30) day time period shall be deemed an absolute and unconditional waiver of the Customer’s claim for such covered defects. All costs and expenses of dismantling, reinstallation and freight, including the time of the Company’s personnel and representatives for site travel and diagnosis under this limited warranty, shall be borne by the Customer unless accepted in writing by the Company. Products repaired or replaced during the limited warranty period shall be covered by the foregoing limited warranty for the remainder of the limited warranty period.
The Customer assumes all other responsibility for any loss, damage, or injury to persons or property arising out of, connected with, or resulting from the use of Products, either alone or in combination with other products/components.
LIMITATION OF LIABILITY:
In no event, regardless of the form of the claim or cause of action (whether based in contract, infringement, negligence, strict liability, other tort or otherwise), shall the company’s liability to the customer or any third party exceed the price paid by the customer for the specific products giving rise to the claim or cause of action.
To the maximum extent permitted by applicable law, the company shall not be liable to the customer or any third party for any general, direct, indirect, incidental, special, consequential, or punitive damages, including, but not limited to, loss of profits or anticipated profits, business interruption, loss of use, revenue, reputation and data, costs incurred, loss or damage to property or equipment, bodily injury, or death, arising from any claim or cause of action relating to the product, whether such is based on warranty, contract, tort (including negligence and strict liability.
These limitations shall apply notwithstanding any failure of essential purpose of any remedy. Some states and/or jurisdictions do not allow the exclusion or limitation of incidental or consequential damages so the above exclusions may not apply to certain customers.
The Customer assumes all other responsibility for any loss, damage, or injury to persons or property arising out of, connected with, or resulting from the use of Products, either alone or in combination with other products/components.
CLAIMS PROCEDURE:
The Customer shall make a claim by written notice to the Company through the contact information listed on its website at www.fibaro.com or by contacting the Company through the telephone number listed on the website. Any telephone conversations will be recorded. The Company will issue a designated claim number for each claim made.
The Customer may be contacted by an authorized warranty service representative to arrange a date for an inspection of the Product. This inspection shall be in the presence of the Customer. The Product that is the subject of the claim shall be made available by the Customer together with complete standard equipment and the documents confirming the Product’s purchase. Covered defects (as determined by the Company or its authorized service representative) found during the limited warranty period shall be remedied within thirty (30) days from the date of inspection or the date the Product is delivered to the Company or its authorized service representative, whichever is later.
The limited warranty period shall be extended by the time that the Product is in the possession of the authorized service representative or the Company.
Remember: before you submit a warranty claim, contact our technical support using telephone or e-mail. More than 50% of operational problems is resolved remotely, saving time and money spent to initiating claim procedure.
GOVERNING LAW AND BINDING ARBITRATION:
Please read this section carefully. It affects customers’ rights and will have a substantial impact on how claims the company and the customer have against each other are resolved. This limited warranty contains a binding arbitration provision which may be enforced by the parties.
The Company and the Customer agree that any claim or dispute at law or equity that has arisen or may arise between them relating in any way to or arising out of this limited warranty or the Products will be resolved in accordance with the provisions set forth in this Section.
- Applicable Law. The Customer and the Company agree that, except to the extent inconsistent with or preempted by federal law, the laws of the State of Illinois, without regard to principles of conflict of laws, will govern the limited warranty and Products and any claim or dispute that has arisen or may arise between the Company and the Customer, except as otherwise stated herein. The Federal Arbitration Act governs the interpretation and enforcement of this Section 5. The U.N. Convention on Contracts for the International Sales of Goods shall not apply.
- Agreement to Arbitrate. The Company and the Customer each agree that any and all disputes or claims that have arisen or may arise between them relating to or arising out of this limited warranty or the
Products shall be resolved exclusively through final and binding arbi- tration, rather than in a court proceeding. Alternatively, the Customer
may assert his/her claims in small claims court, if the claims qualify
and so long as the matter remains in such court and advances only on
an individual (non-class, non-representative) basis.
The Company and the Customer agree that each of them may bring
claims against the other only on an individual basis and not as a plaintiff or class member in any purported class or representative action or proceeding. Unless both the Company and the Customer agree, the
arbitration may not consolidate or join more than one person’s claims
and many not otherwise preside over any form of a consolidated, representative, or class proceeding. - Opt-Out. The Customer may opt-out of this agreement to arbitrate by sending the Company a written opt-out notice, via certified mail and postmarked no later than 30 days after the date of purchase of the Product. The opt-out notice must include the Customer’s name and address, the serial number of the Product purchased, and the date and location of the purchase. All other parts of this limited warranty will still apply.
- Procedures. The arbitration shall be administered by JAMS pursuant to its Comprehensive Arbitration Rules and Procedures or pursuant to JAMS’ Streamlined Arbitration Rules and Procedures, whichever as applicable. JAMS’ rules are available at www.jamsadr.com. The use of the word “arbitrator” in this provision shall not be construed to prohibit more than one arbitrator from presiding over the arbitration; rather, the JAMS’ rules will govern the number of arbitrators that may preside over an arbitration. The Customer will have a reasonable opportunity to participate in the selection of the arbitrator.
A Customer who intends to seek arbitration must first make a written claim against the Company pursuant to Section 4. If the Customer and the Company are unable to resolve the claim within thirty (30) days from the date of the notice, the Company or the Customer may initiate arbitration proceedings. A form for initiating arbitration proceedings is available on JAMS’ website. In addition to filing the form with JAMS, the party initiating the arbitration must mail a copy of the completed form to the other party. In the event the Company initiates arbitration against a Customer, it will send a copy of the completed form to the physical address the Company has on file for the Customer.
The arbitration hearing shall be held in the county in which the Customer resides or at another mutually agreed location.
Arbitration uses a neutral arbitrator instead of a judge or jury. Disco- very or the exchange of non-privileged information will be allowed pursuant to JAMS’ rules. The arbitrator will decide the substance of all claims in accordance with applicable law, including recognized principles of equity, and will honor all claims of privilege recognized by law.
An arbitrator can award the same damages and relief on an individual basis that a court can award to an individual. The arbitrator’s award shall be final and binding and judgment on the award rendered by the arbitrator may be entered in any court having jurisdiction thereof. An award will consist of a written statement stating the disposition of each claim, and will include a concise written statement of the essential findings and conclusions on which the award is based.
Payment of all filing, administration and arbitrator fees is governed by JAMS; provided, however, that when a Customer initiates arbitration against the Company, the fee required to be paid by the Customer is that amount designated by JAMS for consumer arbitrations. All other costs will be paid by the Company.
If an arbitrator or court decides that any part of this limited warranty is invalid or unenforceable, the other parts of the limited warranty shall still apply to the extent applicable. In the event that this agreement to arbitrate is wholly inapplicable, the Customers agree that any claim or dispute that has arisen or may arise between the Customer and the Company must be resolved exclusively by a state or federal court located in Cook County, Illinois. The Customer agrees to submit to the personal jurisdiction of the courts located within Cook County, Illinois, for the purpose of litigating all such claims or disputes.
THE MANUFACTURER IS NOT RESPONSIBLE FOR ANY RADIO OR TV INTERFERENCE CAUSED BY UNAUTHORIZED MODIFICATIONS TO THIS EQUIPMENT. SUCH MODIFICATIONS COULD VOID THE USER’S AUTHORITY TO OPERATE THE EQUIPMENT.
Warranty terms – Canada
- FIBAR GROUP S.A. with its registered office in Wysogotowo, ul. Serdeczna 3, 62-081 Wysogotowo, entered into the Register of Entrepreneurs of the National Court Register maintained by the District Court for Poznań-Nowe Miasto and Wilda in Poznań, VIII Commercial Division of the National Court Register (KRS) under number: 553265, NIP 7811858097, REGON: 301595664, share capital PLN 1,182,100 paid in full, other contact information is available at: www.fibaro.com (hereinafter “the Manufacturer”) guarantees that the device sold (hereinafter: “the Device” is free from material and manufacturing defects.
- The Manufacturer shall be responsible for malfunctioning of the Device resulting from physical defects inherent in the Device that cause its operation to be incompatible with the specifications within the period of:
- 24 months from the date of purchase by the consumer,
- 12 months from the date of purchase by a business customer (the consumer and business customer are further collectively referred to as “Customer”).
- The Manufacturer shall remove any defects revealed during the guarantee period, free of charge, by repairing or replacing (at the sole discretion of the Manufacturer) the defective components of the Device with new or regenerated components. The manufacturer reserves the right to replace the entire Device with a new or regenerated device.
The Manufacturer shall not refund money paid for the device. - Under special circumstances, the Manufacturer may replace the Device with a different device most similar in technical characteristics.
- Only the holder of a valid guaranty document shall be entitled to make claims under guarantee.
- Before making a complaint, the Manufacturer recommends using the telephone or online support available at https://www.fibaro.com/support/.
- In order to make a complaint, the Customer should contact the
Manufacturer via the email address given at https://www.fibaro.com/support/. - After the complaint has been properly filed, the Customer will receive contact details for the Authorized Guarantee Service (“AGS”).
The customer should contact and deliver the Device to AGS. Upon receipt of the Device, the manufacturer shall inform the Customer of the return merchandise authorization number (RMA). - Defects shall be removed within 30 days from the date of delivering the Device to AGS. The guarantee period shall be extended by the time in which the Device was kept by AGS.
- The faulty device shall be provided by the Customer with complete standard equipment and documents proving its purchase.
- The cost of transporting the Device in the territory of the Republic of Poland shall be covered by the Manufacturer. The costs of the Device transport from other countries shall be covered by the Customer.
For unjustified complaints, AGS may charge the Customer with costs
related to the case. - AGS shall not accept a complaint claim when:
- the Device was misused or the manual was not observed,
- the Device was provided by the Customer incomplete, without
accessories or nameplate, - it was determined that the fault was caused by other reasons than a
material or manufacturing defect of the Device - the guarantee document is not valid or there is no proof of purchase,
- The guarantee shall not cover:
- mechanical damages (cracks, fractures, cuts, abrasions, physical deformations caused by impact, falling or dropping the device or other object, improper use or not observing the operating manual);
- damages resulting from external causes, e.g.: flood, storm, fire, lightning, natural disasters, earthquakes, war, civil disturbance, force majeure, unforeseen accidents, theft, water damage, liquid leakage, battery spill, weather conditions, sunlight, sand, moisture, high or low temperature, air pollution;
- damages caused by malfunctioning software, attack of a computer virus, or by failure to update the software as recommended by the Manufacturer;
- damages resulting from: surges in the power and/or telecommunication network, improper connection to the grid in a manner inconsistent with the operating manual, or from connecting other devices not recommended by the Manufacturer.
- damages caused by operating or storing the device in extremely adverse conditions, i.e. high humidity, dust, too low (freezing) or too high ambient temperature. Detailed permissible conditions for opera- ting the Device are defined in the operating manual;
- damages caused by using accessories not recommended by the Manufacturer
- damages caused by faulty electrical installation of the Customer, including the use of incorrect fuses;
- damages caused by Customer’s failure to provide maintenance and servicing activities defined in the operating manual;
- damages resulting from the use of spurious spare parts or accessories improper for given model, repairing and introducing alterations by unauthorized persons;
- defects caused by operating faulty Device or accessories.
- The guarantee shall not cover natural wear and tear of the Device and its components listed in the operating manual and in technical documentation as such elements have a defined operational life.
- The Device Guarantee shall not exclude, limit or suspend the Customer’s warranty rights.
- The Manufacturer shall not be liable for damages to property caused by defective device. The Guarantor shall not be liable for indirect, incidental, special, consequential or punitive damages, or for any damages, including, inter alia, loss of profits, savings, data, loss of benefits, claims by third parties and any other damages arising from or related to the use of the Device.
- This guarantee can be transferred.
- This guarantee shall be governed by and construed according to the laws of the Province of Quebec and the laws of Canada applicable therein.
References
Home Automation - Smart Home | FIBARO
FIBARO Manuals | Smart home automation devices
RGBW Controller 2 | FIBARO Manuals
RGBW Controller 2 | FIBARO Manuals
RGBW Controller 2 | FIBARO Manuals
RGBW Controller 2 | FIBARO Manuals
RGBW Controller 2 | FIBARO Manuals
RGBW Controller 2 | FIBARO Manuals
RGBW Controller 2 | FIBARO Manuals
RGBW Controller 2 | FIBARO Manuals
RGBW Controller 2 | FIBARO Manuals
RGBW Controller 2 | FIBARO Manuals
RGBW Controller 2 | FIBARO Manuals
Home Automation - Smart Home | FIBARO
Home Automation - Smart Home | FIBARO
Home Automation - Smart Home | FIBARO
JAMS: Mediation, Arbitration and ADR Services
FIBARO Manuals | Smart home automation devices
Home Automation - Smart Home | FIBARO
Home Automation - Smart Home | FIBARO























