
Fibaro
RGBW Controller 2
SKU: FIBEFGRGBW-442

Quickstart
This is a
secure
Multilevel Switch – Color Tunable Multilevel
for
Europe.
To run this device please connect it to your mains power supply.
To add this device to your network execute the following action:
- Power the device.
- Set the main controller in (Security/non-Security Mode) add mode (see the controller manual).
- Quickly, three times click the button.
- If you are adding in Security S2 Authenticated, input the underlined part of the DSK (label on the box).
- LED will start blinking yellow, wait for the adding process to end.
- Adding result will be confirmed by the Z-Wave controller message and the LED:
– Green – successful (non-secure, S0, S2 Unauthenticated),
– Magenta – successful (Security S2 Authenticated),
– Red – not successful
To add the device to the Z-Wave network” using Smart Start:
- To use SmartStart your controller needs to support Security S2 (see the controller manual).
- Enter the full DSK string code to your controller. If your controller is capable of QR scanning, scan the QR code placed on the label on the box.
- Power the device.
- Wait for the adding process to start (up to few minutes), which is signaled with yellow LED blinking.
- Adding result will be confirmed by the Z-Wave controller message and the LED:
– Green – successful (non-secure, S0, S2 Unauthenticated),
– Magenta – successful (Security S2 Authenticated),
– Red – not successful.
Note: In case of problems with adding the device, please reset the device and repeat the adding procedure.
Important safety information
Please read this manual carefully. Failure to follow the recommendations in this manual may be dangerous or may violate the law.
The manufacturer, importer, distributor and seller shall not be liable for any loss or damage resulting from failure to comply with the instructions in this manual or any other material.
Use this equipment only for its intended purpose. Follow the disposal instructions.
Do not dispose of electronic equipment or batteries in a fire or near open heat sources.
What is Z-Wave?
Z-Wave is the international wireless protocol for communication in the Smart Home. This
device is suited for use in the region mentioned in the Quickstart section.
Z-Wave ensures a reliable communication by reconfirming every message (two-way
communication) and every mains powered node can act as a repeater for other nodes
(meshed network) in case the receiver is not in direct wireless range of the
transmitter.
This device and every other certified Z-Wave device can be used together with any other
certified Z-Wave device regardless of brand and origin as long as both are suited for the
same frequency range.
If a device supports secure communication it will communicate with other devices
secure as long as this device provides the same or a higher level of security.
Otherwise it will automatically turn into a lower level of security to maintain
backward compatibility.
For more information about Z-Wave technology, devices, white papers etc. please refer
to www.z-wave.info.
Product Description
FIBARO RGBW Controller 2 is a universal, Z-Wave Plus compatible RGB/RGBW controller. FIBARO RGBW Controller 2 uses PWM output signal, allowing it to control LED, RGB, RGBW strips, halogen lights and other resistive loads. It can also measure active power and energy consumed by the load. Controlled devices may be powered by 12 or 24V DC. Inputs support momentary/toggle switches and 0-10V analog sensors, like temperature sensors, humidity sensors, light sensors etc. Main features of FIBARO RGBW Controller: Compatible with any certified Z-Wave or Z-Wave Plus controller. Supports Z-Wave network Security Modes: S0 with AES-128 encryption and S2 Authenticated with PRNG-based encryption. Works as a Z-Wave signal repeater. Allows for controlling:RGB/RGBW LED strip, one-color LED strips,halogen lights,other compliant resistive loads.Allows for connecting to inputs:switches/buttons, 0-10V analog sensors or potentiometers.Active power and energy metering.
Prepare for Installation / Reset
Please read the user manual before installing the product.
In order to include (add) a Z-Wave device to a network it must be in factory default
state. Please make sure to reset the device into factory default. You can do this by
performing an Exclusion operation as described below in the manual. Every Z-Wave
controller is able to perform this operation however it is recommended to use the primary
controller of the previous network to make sure the very device is excluded properly
from this network.
Reset to factory default
This device also allows to be reset without any involvement of a Z-Wave controller. This
procedure should only be used when the primary controller is inoperable.
- Press and hold the service button to enter the menu.
- Release service button when the device glows yellow.
- Quickly click the service button to confirm.
- After few seconds the device will be restarted, which is signaled with the red color.
Safety Warning for Mains Powered Devices
ATTENTION: only authorized technicians under consideration of the country-specific
installation guidelines/norms may do works with mains power. Prior to the assembly of
the product, the voltage network has to be switched off and ensured against re-switching.
Installation

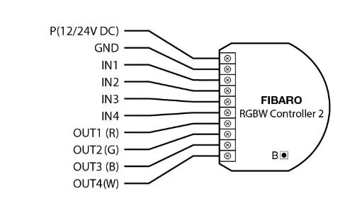
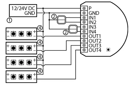
Notes for diagrams:
P – 12/24V DC power supply connector
GND – ground connector
IN1 – input connector for controlling OUT1 output
IN2 – input connector for controlling OUT2 output
IN3 – input connector for controlling OUT3 output
IN4 – input connector for controlling OUT4 output
OUT1 – output connector controlled by IN1 input (red LED color recommended)
OUT2 – output connector controlled by IN2 input (green LED color recommended)
OUT3 – output connector controlled by IN3 input (blue LED color recommended)
OUT4 – output connector controlled by IN4 input (white LED color recommended)
B – service button (used to add/remove the device)
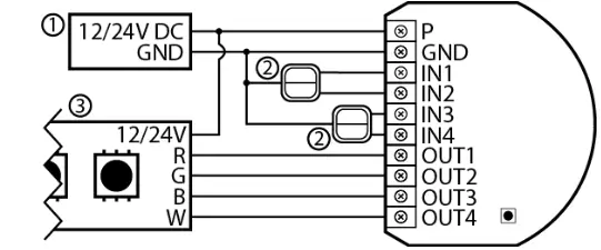
Connection with RGB/RGBW Strip
We recommend connecting LED strip channels in the same order as on the diagram (R – OUT1, G – OUT2, B – OUT3, W – OUT4).
If you want to connect RGB strip, use the same diagram, but do not connect OUT4 channel.
- Disconnect the power.
- Connect with the diagram below:

Diagram 1: Example connection with RGBW LED strip (1 – power supply, 2 – switch, 3 – RGBW LED strip)- Verify correctness of connection.
- Power the device.
- Add the device to the Z-Wave network.
Note: The device works in RGBW mode by default, to enable HSB mode change parameter 150 to 1.
Connection with one-color LED Strip
- isconnect the power.
- Connect with the diagram below:
”Diagram 3: Example connection with 4 one-color LED strips
(1 – power supply, 2 – switch, 4 – one-color LED strip)- Verify correctness of connection.
- Power the device.
- Add the device to the Z-Wave network.
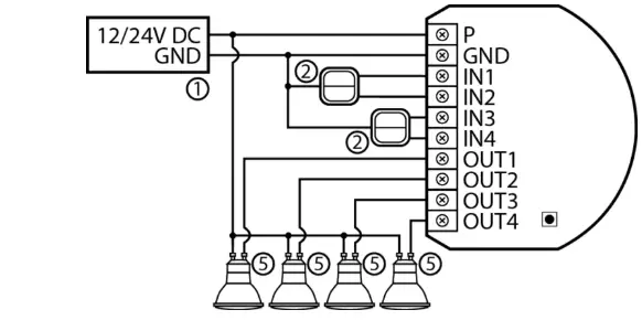
Connection with halogen lights LED Strip
- Disconnect the power.
- Connect with the diagram below:
Diagram 4: Example connection with 4 halogen lights
(1 – power supply, 2 – switch, 5 – halogen light)- Verify correctness of connection.
- Power the device.
- Add the device to the Z-Wave network.
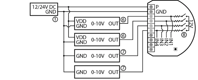
Connection with 0-10V analog sensors
The 2-wire analog sensor requires a pull-up resistor.
You can connect up to 4 analog sensors to IN1/IN2/IN3/IN4 terminals.
- Disconnect power.
- Connect with the diagram below:

Diagram 5: Example connection with 4 0-10V analog sensors
(1 – power supply, 6 – 3-wire 0-10V analog sensor, 7 – 2-wire 0-10V analog sensor, 8 – configurable pull-up resistors)- Verify correctness of connection.
- Power the device.
- Add the device to the Z-Wave network.
- Change values of parameters:
- Connected to IN1:
- Does not require pull-up: change parameter 20 to 0
- Requires pull-up: change parameter 20 to 1
- Connected to IN2:
- Does not require pull-up: change parameter 21 to 0
- Requires pull-up: change parameter 21 to 1
- Connected to IN3:
- Does not require pull-up: change parameter 22 to 0
- Requires pull-up: change parameter 22 to 1
- Connected to IN4:
- Does not require pull-up: change parameter 23 to 0
- Requires pull-up: change parameter 23 to 1
- Connected to IN1:
Inclusion/Exclusion
On factory default the device does not belong to any Z-Wave network. The device needs
to be added to an existing wireless network to communicate with the devices of this network.
This process is called Inclusion.
Devices can also be removed from a network. This process is called Exclusion.
Both processes are initiated by the primary controller of the Z-Wave network. This
controller is turned into exclusion respective inclusion mode. Inclusion and Exclusion is
then performed doing a special manual action right on the device.
Inclusion
- Power the device.
- Set the main controller in (Security/non-Security Mode) add mode (see the controller manual).
- Quickly, three times click the button.
- If you are adding in Security S2 Authenticated, input the underlined part of the DSK (label on the box).
- LED will start blinking yellow, wait for the adding process to end.
- Adding result will be confirmed by the Z-Wave controller message and the LED:
– Green – successful (non-secure, S0, S2 Unauthenticated),
– Magenta – successful (Security S2 Authenticated),
– Red – not successful
To add the device to the Z-Wave network” using Smart Start:
- To use SmartStart your controller needs to support Security S2 (see the controller manual).
- Enter the full DSK string code to your controller. If your controller is capable of QR scanning, scan the QR code placed on the label on the box.
- Power the device.
- Wait for the adding process to start (up to few minutes), which is signaled with yellow LED blinking.
- Adding result will be confirmed by the Z-Wave controller message and the LED:
– Green – successful (non-secure, S0, S2 Unauthenticated),
– Magenta – successful (Security S2 Authenticated),
– Red – not successful.
Note: In case of problems with adding the device, please reset the device and repeat the adding procedure.
Exclusion
- Power the device.
- Set the main controller into remove mode (see the controller”’s manual).
- Quickly, three times click the service button.
- LED will start blinking yellow, wait for the removing process to end.
- Successful removing will be confirmed by the Z-Wave controller”’s message and red LED color.
Product Usage
Operating the device using switches
Controlling connected loads in RGBW mode (default)
Input can control output only with the same number (e.g. switch connected to IN1 controls load connected to output OUT1). Perform following actions on inputs to change state of the connected load:
- 1xclick – change to the opposite one (ON/OFF)
Note: A single click switches between the OFF state and the last non-OFF state. It means it may set the colour back, but the light may not light up as it doesn”’t change the brightness.
- 2xclick – set the colour to 100%
- hold/release “– dimm/brighten colour
- “
Controlling connected loads in HSB mode
”
HSB mode is enabled by setting parameter 150 to 1. Inputs correspond to different components in HSB colour space: IN1 – Hue, IN2 – Saturation, IN3 – Brightness and IN4 input controls OUT4 output. Perform following actions on inputs to change values of the components:
- 1xclick when value is 0 – restore last set value
- 1xclick when value is not 0 – set value to 0
- 2xclick – set value to max
- hold/release – increase/decrease value
When you hold the button connected to IN1, you revolve around the cone on the H (Hue) axis.
When you hold the button connected to IN2, you change the saturation (S).
When you hold the button connected to the IN3, you change the brightness (B).
”
Note: Remember that if the saturation is too low, you may not notice any changes while holding IN1.
Other actions
1,2,3xclick/hold/release – activate scene in the controller for specific action (requires prior configuration)
Visual indications
The built-in LED light shows current device status.
After powering the device:
- Green – device added to a Z-Wave network (without Security S2 Authenticated)
- Magenta – device added to a Z-Wave network (with Security S2 Authenticated)
- Red – device not added to a Z-Wave network
Update:
- Blinking cyan – update in progress
- Green – update successful
- Red – update not successful
Menu:
- Blinking green – entering the menu (added without Security S2 Authenticated)
- Blinking magenta – entering the menu (added with Security S2 Authenticated)
- Blinking red – entering the menu (not added to a Z-Wave network)
- Green – reset energy consumption memory
- Yellow – reset to factory defaults
Menu” allows to perform Z-Wave network actions. In order to use the menu:
- Press and hold the service button to enter the menu, device blinks to signal adding status (see: Visual indications).
- Release the service button when device signals desired position with colour:
- GREEN -” reset energy consumption memory
- YELLOW -” reset to factory defaults
- Quickly click the service button to select, 2 blinks of the same colour will confirm the selection.
Activating scenes
The device can activate scenes in the Z-Wave controller by sending scene ID and attribute of a specific action using Central Scene Command Class.
In order for this functionality to work, connect momentary or toggle switch to the IN1-IN4 inputs and set parameters 20-23 to 2, 3 or 4 (depending on type of switch). By default scenes are not activated, set parameters 40-43 to enable scene activation for selected inputs and actions.
Scene IDs for inputs
Input | Scene ID |
IN1 | 1 |
IN2 | 2 |
IN3 | 3 |
IN4 | 4 |
“
Attributes for actions
Action | Attribute |
Switch clicked once | Key Pressed 1 time |
Switch clicked twice | Key Pressed 2 times |
Switch clicked thrice | Key Pressed 3 times |
Switch held* | Key Held Down |
Switch released* | Key Released |
Quick trouble shooting
Here are a few hints for network installation if things dont work as expected.
- Make sure a device is in factory reset state before including. In doubt exclude before include.
- If inclusion still fails, check if both devices use the same frequency.
- Remove all dead devices from associations. Otherwise you will see severe delays.
- Never use sleeping battery devices without a central controller.
- Dont poll FLIRS devices.
- Make sure to have enough mains powered device to benefit from the meshing
Association – one device controls an other device
Z-Wave devices control other Z-Wave devices. The relationship between one device
controlling another device is called association. In order to control a different
device, the controlling device needs to maintain a list of devices that will receive
controlling commands. These lists are called association groups and they are always
related to certain events (e.g. button pressed, sensor triggers, …). In case
the event happens all devices stored in the respective association group will
receive the same wireless command wireless command, typically a ‘Basic Set’ Command.
Association Groups:
Group NumberMaximum NodesDescription
| 1 | 1 | Lifeline reports the device status and allows for assigning single device only (main controller by default). |
| 2 | 5 | RGBW Sync allows to synchronize state of other FIBARO RGBW Controller 2 devices (do not use with other devices). |
| 3 | 5 | On/Off (IN1) is used to turn the associated devices on/off reflecting IN1 operation. |
| 4 | 5 | Dimmer (IN1) is used to change level of associated devices reflecting IN1 operation. |
| 5 | 5 | On/Off (IN2) is used to turn the associated devices on/off reflecting IN2 operation. |
| 6 | 5 | Dimmer (IN2) is used to change level of associated devices reflecting IN2 operation. |
| 7 | 5 | On/Off (IN3) is used to turn the associated devices on/off reflecting IN3 operation. |
| 8 | 5 | Dimmer (IN3) is used to change level of associated devices reflecting IN3 operation. |
| 9 | 5 | On/Off (IN4) is used to turn the associated devices on/off reflecting IN4 operation. |
| 10 | 5 | Dimmer (IN4) is used to change level of associated devices reflecting IN4 operation. |
Configuration Parameters
Z-Wave products are supposed to work out of the box after inclusion, however
certain configuration can adapt the function better to user needs or unlock further
enhanced features.
IMPORTANT: Controllers may only allow configuring
signed values. In order to set values in the range 128 … 255 the value sent in
the application shall be the desired value minus 256. For example: To set a
parameter to 200 it may be needed to set a value of 200 minus 256 = minus 56.
In case of a two byte value the same logic applies: Values greater than 32768 may
needed to be given as negative values too.
Parameter 1: Remember device status before the power failure
This parameter determines how the device will react in the event of power supply failure (e.g. power outage or taking out from the electrical outlet).After the power supply is back on, the device can be restored to previous state or remain switched off.
Size: 1 Byte, Default Value: 0
SettingDescription
| 0 | device remains switched off |
| 1 | device restores the state from before the power failure |
Parameter 20: Input 1 – operating mode
This parameter allows to choose mode of 1st input (IN1). Change it depending on connected device.
Size: 1 Byte, Default Value: 2
SettingDescription
| 0 | Analog input without internal pull-up (Sensor Multilevel) |
| 1 | Analog input with internal pull-up (Sensor Multilevel) |
| 2 | Momentary switch (Central Scene) |
| 3 | Toggle switch: switch state on every input change (Central Scene) |
| 4 | Toggle switch: contact closedON, contact openedOFF (Central Scene) |
Parameter 21: Input 2 – operating mode
This parameter allows to choose mode of 2nd input (IN2). Change it depending on connected device.
Size: 1 Byte, Default Value: 2
SettingDescription
| 0 | Analog input without internal pull-up (Sensor Multilevel) |
| 1 | Analog input with internal pull-up (Sensor Multilevel) |
| 2 | Momentary switch (Central Scene) |
| 3 | Toggle switch: switch state on every input change (Central Scene) |
| 4 | Toggle switch: contact closedON, contact openedOFF (Central Scene) |
Parameter 22: Input 3 – operating mode
This parameter allows to choose mode of 3rd input (IN3). Change it depending on connected device.
Size: 1 Byte, Default Value: 2
SettingDescription
| 0 | Analog input without internal pull-up (Sensor Multilevel) |
| 1 | Analog input with internal pull-up (Sensor Multilevel) |
| 2 | Momentary switch (Central Scene) |
| 3 | Toggle switch: switch state on every input change (Central Scene) |
| 4 | Toggle switch: contact closedON, contact openedOFF (Central Scene) |
Parameter 23: Input 4 – operating mode
This parameter allows to choose mode of 4th input (IN4). Change it depending on connected device.
Size: 1 Byte, Default Value: 2
SettingDescription
| 0 | Analog input without internal pull-up (Sensor Multilevel) |
| 1 | Analog input with internal pull-up (Sensor Multilevel) |
| 2 | Momentary switch (Central Scene) |
| 3 | Toggle switch: switch state on every input change (Central Scene) |
| 4 | Toggle switch: contact closedON, contact openedOFF (Central Scene) |
Parameter 30: Alarm configuration – 1st slot
This parameter determines to which alarm frames and how the device should react. The parameters consist of 4 bytes, three most significant bytes are set according to the official Z-Wave protocol specification.Xchannels summarized: 1/2/3/4 channel are equal to values 1/2/4/8.Ysequence number: 1-10 (parameter 157).
Size: 4 Byte, Default Value: 0
SettingDescription
| 1 | [MSB]Notification Type |
| 2 | Notification Status |
| 3 | Event/State Parameters |
| 4 | [LSB]action: 0x00no reaction, 0x0Xturn off selected channel, 0x1Xturn on selected channel, 0x2Xblink selected channel, 0x3Yactivate alarm sequence |
Parameter 31: Alarm configuration – 2nd slot
This parameter determines to which alarm frames and how the device should react. The parameters consist of 4 bytes, three most significant bytes are set according to the official Z-Wave protocol specification.Xchannels summarized: 1/2/3/4 channel are equal to values 1/2/4/8. Ysequence number: 1-10 (parameter 157).
Size: 4 Byte, Default Value: 0
SettingDescription
| 1 | [MSB]Notification Type |
| 2 | Notification Status |
| 3 | Event/State Parameters |
| 4 | [LSB]action: 0x00no reaction, 0x0Xturn off selected channel, 0x1Xturn on selected channel, 0x2Xblink selected channel, 0x3Yactivate alarm sequence |
Parameter 32: Alarm configuration – 3rd slot
his parameter determines to which alarm frames and how the device should react. The parameters consist of 4 bytes, three most significant bytes are set according to the official Z-Wave protocol specification.Xchannels summarized: 1/2/3/4 channel are equal to values 1/2/4/8. Ysequence number: 1-10 (parameter 157).
Size: 4 Byte, Default Value: 0
SettingDescription
| 1 | [MSB]Notification Type |
| 2 | Notification Status |
| 3 | Event/State Parameters |
| 4 | [LSB]action: 0x00no reaction, 0x0Xturn off selected channel, 0x1Xturn on selected channel, 0x2Xblink selected channel, 0x3Yactivate alarm sequence |
Parameter 33: Alarm configuration – 4th slot
This parameter determines to which alarm frames and how the device should react. The parameters consist of 4 bytes, three most significant bytes are set according to the official Z-Wave protocol specification.Xchannels summarized: 1/2/3/4 channel are equal to values 1/2/4/8. Ysequence number: 1-10 (parameter 157).
Size: 4 Byte, Default Value: 0
SettingDescription
| 1 | [MSB]Notification Type |
| 2 | Notification Status |
| 3 | Event/State Parameters |
| 4 | [LSB]action: 0x00no reaction, 0x0Xturn off selected channel, 0x1Xturn on selected channel, 0x2Xblink selected channel, 0x3Yactivate alarm sequence |
Parameter 34: Alarm configuration – 5th slot
This parameter determines to which alarm frames and how the device should react. The parameters consist of 4 bytes, three most significant bytes are set according to the official Z-Wave protocol specification.Xchannels summarized: 1/2/3/4 channel are equal to values 1/2/4/8. Ysequence number: 1-10 (parameter 157).
Size: 4 Byte, Default Value: 0
SettingDescription
| 1 | [MSB]Notification Type |
| 2 | Notification Status |
| 3 | Event/State Parameters |
| 4 | [LSB]action: 0x00no reaction, 0x0Xturn off selected channel, 0x1Xturn on selected channel, 0x2Xblink selected channel, 0x3Yactivate alarm sequence |
Parameter 35: Duration of alarm signalization
This parameter determines duration of alarm signalization.
Size: 2 Byte, Default Value: 600
SettingDescription
| 0 | infinite signalization |
| 1 – 32400 | (1s-9h, 1s step) |
Parameter 40: Input 1 – sent scenes
This parameter defines which actions result in sending scene ID and attribute assigned to them. Parameter is relevant only if parameter 20 is set to 2, 3 or 4.
Size: 1 Byte, Default Value: 0
SettingDescription
| 0 | Key pressed 1 time |
| 2 | Key pressed 2 times |
| 4 | Key pressed 3 times |
| 8 | Key hold down and key released |
Parameter 41: Input 2 – sent scenes
This parameter defines which actions result in sending scene ID and attribute assigned to them. Parameter is relevant only if parameter 21 is set to 2, 3 or 4.
Size: 1 Byte, Default Value: 0
SettingDescription
| 1 | Key pressed 1 time |
| 2 | Key pressed 2 times |
| 4 | Key pressed 3 times |
| 8 | Key hold down and key released |
Parameter 42: Input 3 – sent scenes
This parameter defines which actions result in sending scene ID and attribute assigned to them. Parameter is relevant only if parameter 22 is set to 2, 3 or 4.
Size: 1 Byte, Default Value: 0
SettingDescription
| 1 | Key pressed 1 time |
| 2 | Key pressed 2 times |
| 4 | Key pressed 3 times |
| 8 | Key hold down and key released |
Parameter 43: Input 4 – sent scenes
This parameter defines which actions result in sending scene ID and attribute assigned to them. Parameter is relevant only if parameter 23 is set to 2, 3 or 4.
Size: 1 Byte, Default Value: 0
SettingDescription
| 1 | Key pressed 1 time |
| 2 | Key pressed 2 times |
| 4 | Key pressed 3 times |
| 8 | Key hold down and key released |
Parameter 61: Power reports – on change
This parameter determines the minimum change in consumed power that will result in sending new power report to the main controller. For loads under 10W the parameter is not relevant and reports are sent every 2W change. Power reports are sent no oft enthan every 30 seconds.
Size: 2 Byte, Default Value: 15
SettingDescription
| 0 | reports are disabled |
| 1 – 500 | (1-500%) – change in power |
Parameter 62: Power reports – periodic
This parameter determines in what time intervals the periodic power reports are sent to the main controller. Periodic reports do not depend of power change (parameter 61).
Size: 2 Byte, Default Value: 3600
SettingDescription
| 0 | periodic reports are disabled |
| 30 – 32400 | (30-32400s) – report interval |
Parameter 63: Analog inputs reports – on change
This parameter defines minimal change (from the last reported) of analog input voltage that results in sending new report. Parameter is relevant only for analog inputs (parameter 20, 21, 22 or 23 set to 0 or 1). Analog inputs reports (Sensor Multilevel) are sent no often than every 30 seconds.
Size: 2 Byte, Default Value: 5
SettingDescription
| 0 | reporting on change disabled |
| 1 – 100 | (0.1-10V, 0.1V step) |
Parameter 64: Analog inputs reports – periodic
This parameter defines reporting period of analog inputs value.Periodical reports are independent from changes in value (parameter 63).Parameter is relevant only for analog inputs (parameter 20, 21, 22 or 23 set to 0 or 1).
Size: 2 Byte, Default Value: 0
SettingDescription
| 0 | periodical reports disabled |
| 30 – 32400 | (30-32400s, 1s step) |
Parameter 65: Energy reports – on change
This parameter determines the minimum change in consumed energy that will result in sending new energy report to the main controller. Energy reports are sent no often than every 30 seconds.
Size: 2 Byte, Default Value: 10
SettingDescription
| 0 | reports are disabled |
| 1 – 500 | (0.01 – 5 kWh) – change in energy |
Parameter 66: Energy reports – periodic
This parameter determines in what time intervals the periodic energy reports are sent to the main controller. Periodic reports do not depend of energy change (parameter 65)
Size: 2 Byte, Default Value: 3600
SettingDescription
| 0 | periodic reports are disabled |
| 30 – 32400 | (30-32400s) – report interval |
Parameter 150: Inputs – LED colour control mode
This parameter determines how connected switches control LED strips.
Size: 1 Byte, Default Value: 0
SettingDescription
| 0 | RGBW mode (every input controls output with the same number, IN1OUT1, IN2OUT2, IN3OUT3, IN4OUT4) |
| 1 | HSB and White mode (inputs works in HSB color model, IN1H (Hue), IN2S (Saturation), IN3B (Brightness), IN4White (OUT4) |
Parameter 151: Local control – transition time
This parameter determines time of smooth transition between 0% and 100% when controlling with connected switches.
Size: 2 Byte, Default Value: 3
SettingDescription
| 0 | instantly |
| 1 – 127 | (1s-127s, 1s step) |
| 128 – 254 | (1min-127min, 1min step) |
Parameter 152: Remote control – transition time
This parameter determines time of smooth transition between initial and target state when controlling via Z-Wave network.
Size: 2 Byte, Default Value: 3
SettingDescription
| 0 | instantly |
| 1 – 127 | (1s-127s, 1s step) |
| 128 – 254 | (1min-127min, 1min step) |
Parameter 153: Active reports
This parameter allows to select which reports are sent to Lifeline group. Values can be combined. Value 0 means none of the listed reports will be sent.
Size: 2 Byte, Default Value: 1023
SettingDescription
| 1 | Root/EP1 Switch Color Report (RGBW) |
| 2 | Root/EP1 Central Scene Report |
| 4 | EP2 Switch Multilevel Report (Red) |
| 8 | EP3 Switch Multilevel Report (Green) |
| 16 | EP4 Switch Multilevel Report (Blue) |
| 32 | EP5 Switch Multilevel Report (White) |
| 64 | EP6 Sensor Multilevel Report (analog input 1) |
| 128 | EP7 Sensor Multilevel Report (analog input 2) |
| 256 | EP8 Sensor Multilevel Report (analog input 3) |
| 512 | EP9 Sensor Multilevel Report (analog input 4) |
Parameter 154: ON frame value for single click
This parameter defines value sent to devices in association groups. The parameters consist of 4 bytes, each byte reserved for separate channel, from least significant (IN1) to most significant (IN4).
Size: 4 Byte, Default Value: 0
SettingDescription
| 0 – 99 | value sent to devices |
| 255 | value sent to devices |
Parameter 155: OFF frame value for single click
This parameter defines value sent to devices in association groups.The parameters consist of 4 bytes, each byte reserved for separate channel, from least significant (IN1) to most significant (IN4).
Size: 4 Byte, Default Value: 0
SettingDescription
| 0 – 99 | value sent to devices |
| 255 | value sent to devices |
Parameter 156: ON frame value for double click
This parameter defines value sent to devices in association groups.The parameters consist of 4 bytes, each byte reserved for separate channel, from least significant (IN1) to most significant (IN4).
Size: 4 Byte, Default Value: 0
SettingDescription
| 0 – 99 | value sent to devices |
| 255 | value sent to devices |
Parameter 157: Start programmed sequence
Setting this parameter will start programmed sequence with selected number. User can define own sequences via controller.
Size: 1 Byte, Default Value: 0
SettingDescription
| 0 | sequence inactive |
| 1 – 5 | user-defined sequence |
| 6 | Fireplace sequence |
| 7 | Storm sequence |
| 8 | Rainbow sequence |
| 9 | Aurora sequence |
| 10 | Police (red-white-blue) sequence |
Technical Data
| Dimensions | 38 x 42 x 18 mm |
| Weight | 17 gr |
| Hardware Platform | ZM5101 |
| EAN | 5902701701581 |
| IP Class | IP 20 |
| Voltage | 12V 24V DC |
| Load | 6A |
| Device Type | Multilevel Switch – Color Tunable Multilevel |
| Network Operation | Always On Slave |
| Z-Wave Version | 6.81.03 |
| Certification ID | ZC10-19086715 |
| Z-Wave Product Id | 0x010F.0x0902.0x1000 |
| Supported Notification Types | Power ManagementSystem |
| Color | Black |
| Electric Load Type | Dimmable LEDLED |
| Sensors | Open/Closed (Binary)Power |
| Supported Meter Type | Electric Energy |
| Frequency | Europe – 868,4 Mhz |
| Maximum transmission power | 5 mW |
Supported Command Classes
- Application Status
- Association Grp Info V2
- Association V2
- Central Scene V3
- Configuration
- Crc 16 Encap
- Device Reset Locally
- Firmware Update Md V4
- Manufacturer Specific V2
- Meter V3
- Multi Channel Association V3
- Multi Channel V4
- Notification V8
- Powerlevel
- Protection V2
- Security
- Security 2
- Sensor Multilevel V11
- Supervision
- Switch Color V3
- Transport Service V2
- Version V2
- Zwaveplus Info V2
Controlled Command Classes
- Switch Color V3
Explanation of Z-Wave specific terms
- Controller — is a Z-Wave device with capabilities to manage the network.
Controllers are typically Gateways,Remote Controls or battery operated wall controllers. - Slave — is a Z-Wave device without capabilities to manage the network.
Slaves can be sensors, actuators and even remote controls. - Primary Controller — is the central organizer of the network. It must be
a controller. There can be only one primary controller in a Z-Wave network. - Inclusion — is the process of adding new Z-Wave devices into a network.
- Exclusion — is the process of removing Z-Wave devices from the network.
- Association — is a control relationship between a controlling device and
a controlled device. - Wakeup Notification — is a special wireless message issued by a Z-Wave
device to announces that is able to communicate. - Node Information Frame — is a special wireless message issued by a
Z-Wave device to announce its capabilities and functions.




”
Diagram 4: Example connection with 4 halogen lights


















