FIBARO FGRGBW-442 Z-Wave Plus RGBW 2 LED Micro Controller
WARNINGS AND GENERAL PRECAUTIONS
- CAUTION! – This manual contains important instructions and warnings for personal safety. Carefully read all parts of this manual. If in doubt, suspend installation immediately and contact Nice Technical Assistance.
- CAUTION! – Important instructions: keep this manual in a safe place to enable future product maintenance and disposal procedures.
- CAUTION! – All installation and connection operations must be performed exclusively by suitably qualified and skilled personnel with the unit disconnected from the mains power supply.
- CAUTION! – Any use other than that specified herein or in environmental conditions other than those stated in this manual is to be considered improper and is strictly forbidden!
- The product’s packaging materials must be disposed of in full compliance with local regulations.
- Never apply modifications to any part of the device. Operations other than those specified may only cause malfunctions. The manufacturer declines all liability for damage caused by makeshift modifications to the product.
- Never place the device near to sources of heat and never expose to naked flames. These actions may damage the product and cause malfunctions.
- This product is not intended for use by people (including children) with reduced physical, sensory or mental capabilities or who lack experience and knowledge unless they have been given supervision or instruction concerning the use of the product by a person responsible for their safety.
- The device is powered with a secure voltage. Nevertheless, the user should be careful or should commission the installation to a qualified person.
- Connect only in accordance with one of the diagrams presented in the manual. Incorrect connection may cause risk to health, life or material damage.
- RGBW-Control and the load connected to its output must be powered by 12VDC or 24VDC stabilized power supply with short circuit protection. Connecting higher voltage or voltage not matching the load’s voltage may cause damage to the device.
- Connecting long RGBW/RGB/LED strips may cause voltage drops, resulting in lower light brightness further from R/G/B/W outputs. To eliminate this effect it is recommended to connect few shorter strips in parallel connection instead of one long strip connected serially.
- The device is designed for installation in a wall switch box of depth not less than 60mm. The switch box and electrical connectors must be compliant with the relevant national safety standards.
- Do not expose this product to moisture, water or other liquids.
- This product is designed for indoor use only. Do not use outside!
- This product is not a toy. Keep away from children and animals!
PRODUCT DESCRIPTION
RGBW-Control is a universal, Z-Wave PlusTM compatible RGB/RGBW controller.
The device uses PWM output signal, allowing it to control LED, RGB, RGBW strips, halogen lights and other resistive loads. It can also mea-sure active power and energy consumed by the load. Controlled devices may be powered by 12 or 24V DC. Inputs support momentary/toggle switches and 0-10V analog sensors, like temperature sensors, humidity sensors, light sensors etc.
Main features
- Compatible with any certified Z-WaveTM or Z-Wave PlusTM controller.
- Allows for controlling:
- RGB/RGBW LED strip,
- one-color LED strips,
- halogen lights,
- other compliant resistive loads.
- Allows for connecting to inputs:
- switches/buttons,
- 0-10V analog sensors or potentiometers.
- Provides active power and energy metering.3
RGBW-Control is a fully compatible Z-Wave Plus device.
This device may be used with all devices certified with the Z-Wave Plus certificate and should be compatible with such devices produced by other manufacturers. All non-battery operated devices within the network will act as repeaters to increase reliability of the network. The device is a Security Enabled Z-Wave Plus product and a Security Enabled Z-Wave Controller must be used in order to fully utilize the product. The device supports Z-Wave network Security Modes: S0 with AES-128 encryption and S2 Authenticated with PRNG-based encryption.
INSTALLATION
Connecting the device in a manner inconsistent with this manual may cause risk to health, life or material damage.
- The purpose of control is operating control (lighting control) for LED, RGB, RGBW strips, halogen lights and other resistive loads.
- The construction of control: independently mounted control for flush mounting.
- Connect only in accordance with one of the diagrams.
- The device is powered with secure voltage; nevertheless, the user should be extra careful or should commission the installation to a quali-fied person.
- Do not connect devices which are not compliant with the specification.
- Every connected device should be compliant with the relevant safety standards.
- RGBW-Control and the load connected to its output must be powered by 12VDC or 24VDC stabilized power supply (SELV) with short circuit protection. Connecting higher voltage or voltage not matching the load’s voltage may cause damage to the device.
- Connecting long RGBW/RGB/LED strips may cause voltage drops, resulting in lower light brightness further from R/G/B/W outputs. To eliminate this effect it is recommended to connect few shorter strips in parallel connection instead of one long strip connected serially.
- RGBW-Control has 0-10V inputs. There is no 0-10V output. Output is controlled by PWM at 244Hz.
- We recommend using momentary switches for comfortable light control.
- Field-installed conductors must be separated from uninsulated or bare live parts of a different circuit.
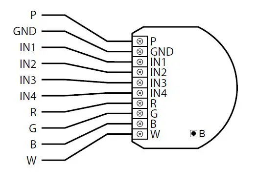
Notes for the diagrams
- P – 12/24V DC power supply connector
- GND – ground connector
- IN1 – input connector for controlling OUT1 output
- IN2 – input connector for controlling OUT2 output
- IN3 – input connector for controlling OUT3 output
- IN4 – input connector for controlling OUT4 output
- OUT1 – output connector controlled by IN1 input (red LED color recommended) OUT2 – output connector controlled by IN2 input (green LED color recommended) OUT3 – output connector controlled by IN3 input (blue
- LED color recommended) OUT4 – output connector controlled by IN4 input (white LED color recommended) B – service button (used to add/remove the device)
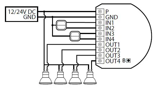
Connection with RGBW/RGB LED strip
- We recommend connecting LED strip channels in the same order as on the diagram (R – OUT1, G – OUT2, B – OUT3, W – OUT4).
- If you want to connect RGB strip, use the same diagram, but do not connect OUT4 channel.
- Disconnect the power.
- Connect with the diagram on the right.
- Verify the correctness of the connection.
- Power the device.
- Add the device to the Z-Wave network.
Note. The device works in RGBW mode by default, to enable HSB mode change parameter 150 to 1.
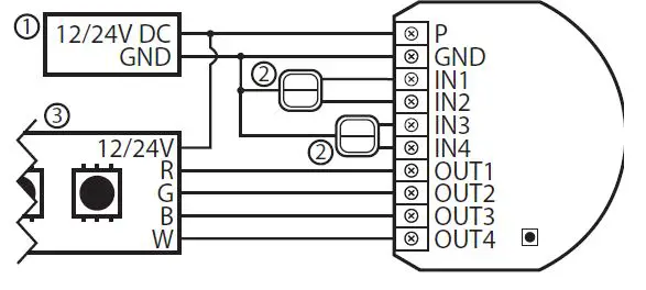
Connection with one-color LED strips
- Disconnect the power.
- Connect with the diagram on the right.
- Verify the correctness of the connection.
- Power the device.
- Add the device to the Z-Wave network.
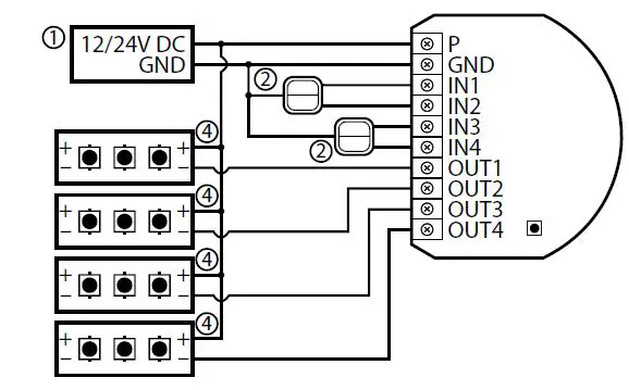
Connection with halogen lights
- Disconnect the power.
- Connect with the diagram on the right.
- Verify correctness of connection.
- Power the device.
- Add the device to the Z-Wave network.3
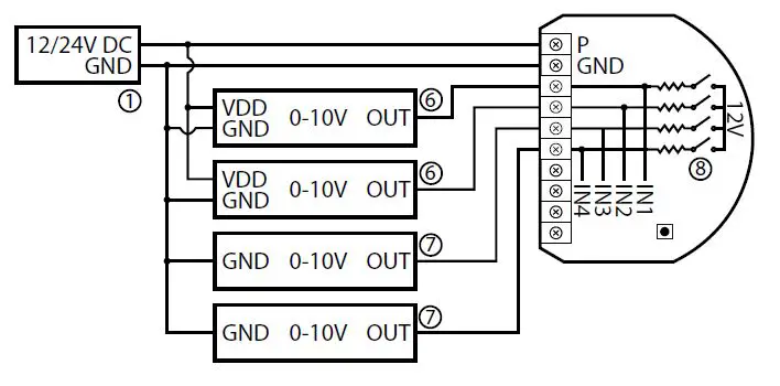
Connection with 0-10V analog sensors
The 2-wire analog sensor requires pull-up resistor.
You can connect up to 4 analog sensors to IN1/IN2/IN3/IN4 terminals.
- Disconnect power.
- Connect with the diagram on the right.
- Verify correctness of connection.
- Power the device.
- Add the device to the Z-Wave network.
- Change values of parameters:
- Connected to IN1:
- Does not require pull-up: change parameter 20 to 0
- Requires pull-up: change parameter 20 to 1
- Connected to IN2:
- Does not require pull-up: change parameter 21 to 0
- Requires pull-up: change parameter 21 to 1
- Connected to IN3:
- Does not require pull-up: change parameter 22 to 0
- Requires pull-up: change parameter 22 to 1
- Connected to IN4:
- Does not require pull-up: change parameter 23 to 0
- Requires pull-up: change parameter 23 to 1
ADDING THE DEVICE
- Full DSK code is present only on the box, make sure to keep it or copy the code.
- In case of problems with adding the device, please reset the device and repeat the adding procedure.
Adding (Inclusion) – Z-Wave device learning mode, allowing to add the device to existing Z-Wave network. 4.1 – Adding manually
To add the device to the Z-Wave network manually
- Power the device.
- Set the main controller in (Security/non-Security Mode) add mode (see the controller’s manual).
- Quickly, three times click the service button.
- If you are adding in Security S2 Authenticated, input the underlined part of the DSK (label on the box).
- LED will start blinking yellow, wait for the adding process to end.
- Adding result will be confirmed by the Z-Wave controller’s message and the LED:
- Green – successful (non-secure, S0, S2 Unauthenticated),
- Magenta – successful (Security S2 Authenticated),
- Red – not successful.
Adding using SmartStart
SmartStart enabled products can be added into a Z-Wave network by scanning the Z-Wave QR Code present on the product with a controller providing SmartStart inclusion. SmartStart product will be added automatically within 10 minutes of being switched on in the network range.
To add the device to the Z-Wave network using SmartStart
- To use SmartStart your controller needs to support Security S2 (see the controller’s manual).
- Enter the full DSK string code to your controller. If your controller is capable of QR scanning, scan the QR code placed on the label on the box.
- Power the device.
- Wait for the adding process to start (up to few minutes), which is signalled with yellow LED blinking.
- Adding result will be confirmed by the Z-Wave controller’s message and the LED:
- Green – successful (non-secure, S0, S2 Unauthenticated),
- Magenta – successful (Security S2 Authenticated),
- Red – not successful.
REMOVING THE DEVICE
Removing (Exclusion)
Z-Wave device learning mode, allowing to remove the device from existing Z-Wave network. Removing the device restores all the default parameters of the device, but does not reset power metering data.
To remove the device from the Z-Wave network:
- Power the device.
- Set the main controller into remove mode (see the controller’s manual).
- Quickly, three times click the service button.
- LED will start blinking yellow, wait for the removing process to end.
- Successful removing will be confirmed by the Z-Wave controller’s message and red LED colour.
Note. Removing RGBW-Control from the Z-Wave network restores all the default parameters of the device, but does not reset power meter-ing data.
OPERATING THE DEVICE
Operating the device using switches
Controlling connected loads in RGBW mode (default)
Input can control output only with the same number (e.g. switch connected to IN1 controls load connected to output OUT1). Perform following actions on inputs to change state of the connected load:
- 1xclick – change to the opposite one (ON/OFF)
- 2xclick – set colour to 100%
- hold/release – dimm/brighten colour
Note. A single click switches between the OFF state and the last non-OFF state. It means it may set the colour back, but the light may not light up as it doesn’t change the brigthness.
Controlling connected loads in HSB mode
HSB mode is enabled by setting parameter 150 to 1. Inputs correspond to different components in HSB colour space: IN1 – Hue, IN2 – Satu-ration, IN3 – Brightness and IN4 input controls OUT4 output. Perform following actions on inputs to change values of the components:
- 1x click when value is 0 – restore last set value
- 1x click when value is not 0 – set value to 0
- 2x click – set value to max
- hold/release – increase/decrease value
- When you hold the button connected to IN1, you revolve around the cone on the H (Hue) axis.
- When you hold the button connected to IN2, you change the saturation (S).
- When you hold the button connected to the IN3, you change the brightness (B).
Note. Remember that if the saturation is too low, you may not notice any changes while holding IN1.
Other actions
- 1,2,3xclick/hold/release – activate scene in the controller for specific action (requires prior configuration)
Visual indications
The built-in LED light shows current device status. After powering the device:
- Green – device added to a Z-Wave network (without Security S2 Authenticated)
- Magenta – device added to a Z-Wave network (with Security S2 Authenticated)
- Red – device not added to a Z-Wave network
- Update
- Blinking cyan – update in progress
- Green – update successful
- Red – update not successful
- Menu
- Blinking green – entering the menu (added without Security S2 Authenticated)
- Blinking magenta – entering the menu (added with Security S2 Authenticated)
- Blinking red – entering the menu (not added to a Z-Wave network)
- Green – reset energy consumption memory
- Yellow – reset to factory defaults
Menu
Menu allows to perform Z-Wave network actions. In order to use the menu:
- Press and hold the service button to enter the menu, device blinks to signal adding status (see 7.2: Visual indications).
- Release the service button when device signals desired position with colour:
- GREEN – reset energy consumption memory,
- YELLOW – reset to factory defaults.
- Quickly click the service button to select, 2 blinks of the same colour will confirm the selection.
Resetting to factory defaults
The reset procedure allows restoring the device back to its factory settings, which means all information about the Z-Wave controller and user configuration will be deleted. Resetting to factory defaults does not reset energy consumption memory.
- Press and hold the service button to enter the menu.
- Release service button when the device glows yellow.
- Quickly click the service button to confirm.
- After few seconds the device will be restarted, which is signaled with the red color.
Note. Resetting the device is not the recommended way of removing the device from the Z-Wave network. Use reset procedure only if the primary controller is missing or inoperable. Certain device removal can be achieved by the procedure of removing described.
ACTIVATING SCENES
The device can activate scenes in the Z-Wave controller by sending the scene ID and attribute of a specific action using Central Scene Command Class. In order for this functionality to work, connect momentary or toggle switch to the IN1-IN4 inputs and set parameters 20-23 to 2, 3 or 4 (depending on type of switch).
| Table A1 – Scene IDs for inputs | |
| Input | Scene ID |
| IN1 | 1 |
| IN2 | 2 |
| IN3 | 3 |
| IN4 | 4 |
| Table A2 – Attributes for actions | |
| Action | Attribute |
| Switch clicked once | Key Pressed 1 time |
| Switch clicked twice | Key Pressed 2 times |
| Switch clicked thrice | Key Pressed 3 times |
| Switch held* | Key Held Down |
| Switch released* | Key Released |
- Not available for toggle switches.
ASSOCIATIONS
Association (linking devices)
direct control of other devices within the Z-Wave system network. Associations allow:
- reporting the device status to the Z-Wave controller (using Lifeline group),
- creating simple automation by controlling other devices without the participation of the main controller (using groups assigned to actions on the device).
Note. Commands send to 2nd–10th association groups reflect inputs operation according to device configuration, e.g. turning the first channel on using input will send frame responsible for the same action.
The device provides the association of 10 groups
- 1st association group – “Lifeline” reports the device status and allows for assigning single device only (main controller by default).
- 2nd association group – “RGBW Sync” allows synchronizing state of other RGBW-Control devices.
- 3rd association group – “On/Off (IN1)” is used to turn the associated devices on/off reflecting IN1 operation.
- 4th association group – “Dimmer (IN1)” is used to change the level of associated devices reflecting IN1 operation.
- 5th association group – “On/Off (IN2)” is used to turn the associated devices on/off reflecting IN2 operation.
- 6th association group – “Dimmer (IN2)” is used to change the level of associated devices reflecting IN2 operation.
- 7th association group – “On/Off (IN3)” is used to turn the associated devices on/off reflecting IN3 operation.
- 8th association group – “Dimmer (IN3)” is used to change the level of associated devices reflecting IN3 operation.
- 9th association group – “On/Off (IN4)” is used to turn the associated devices on/off reflecting IN4 operation.
- 10th association group – “Dimmer (IN4)” is used to change the level of associated devices reflecting IN4 operation.
Note. Association groups 2-10 can be triggered only from buttons connected to IN1-IN4 and will not work for 0-10V sensors.
The device allows to control 5 regular or multichannel devices per an association group, with the exception of “Lifeline” which is reserved solely for the controller, and hence only 1 node can be assigned.
| Table A3 – Assocation groups mapping | ||
| Root | Endpoint | Association group in endpoint |
| Association Group 1 | Endpoint 1-9* | Association Group 1 |
| Association Group 2 | Endpoint 1 | Association Group 2 |
| Association Group 3 | Endpoint 2 | Association Group 2 |
| Association Group 4 | Endpoint 2 | Association Group 3 |
| Association Group 5 | Endpoint 3 | Association Group 2 |
| Association Group 6 | Endpoint 3 | Association Group 3 |
| Association Group 7 | Endpoint 4 | Association Group 2 |
| Association Group 8 | Endpoint 4 | Association Group 3 |
| Association Group 9 | Endpoint 5 | Association Group 2 |
| Association Group 10 | Endpoint 5 | Association Group 3 |
max nodes supported: 0
| Table A4 – Basic commands mapping | |||
| Command | Root | Endpoints | |
| 1-5 | 6-9 | ||
| Basic Set | = EP1 | Switch Multilevel Set | – |
| Basic Get | = EP1 | Switch Multilevel Get | Sensor Multilevel Get |
| Basic Report | = EP1 | Switch Multilevel Report | Sensor Multilevel Report |
| Table A5 – RGBW mode: commands sent to association groups for parameter 150 set to 0 | |||
| Input | 1 and 2 click | Hold | Release |
| Input 1 | Basic Set: 3rd, Multilevel Set: 4th, Switch Color Set: 2nd | Multilevel Start Level Change: 4th | Multilevel Stop Level Change: 4th, Switch Color Set: 2nd |
| Input 2 | Basic Set: 5th, Multilevel Set: 6th, Switch Color Set: 2nd | Multilevel Start Level Change: 6th | Multilevel Stop Level Change: 6th, Switch Color Set: 2nd |
| Input 3 | Basic Set: 7th, Multilevel Set: 8th, Switch Color Set: 2nd | Multilevel Start Level Change: 8th | Multilevel Stop Level Change: 8th, Switch Color Set: 2nd |
| Input 4 | Basic Set: 9th, Multilevel Set: 10th, Switch Color Set: 2nd | Multilevel Start Level Change: 10th | Multilevel Stop Level Change: 10th, Switch Color Set: 2nd |
| Table A6 – HSB mode: commands sent to association groups for parameter 150 set to 1 | |||
| Input | 1 and 2 click | Hold | Release |
| Input 1, 2, 3 | Switch Color Set: 2nd | – | Switch Color Set: 2nd |
| Input 4 | Basic Set: 9th, Multilevel Set: 10th, Switch Color Set: 2nd | Multilevel Start Level Change: 10th | Multilevel Stop Level Change: 10th, Switch Color Set: 2nd |
ADVANCED PARAMETERS
The device allows customizing its operation to the user’s needs using configurable parameters. The settings can be adjusted via the Z-Wave controller to which the device is added. The way of adjusting them might differ depending on the controller.
| Table A3 – RGBW-Control – Available parameters | |||
| Parameter: | 1. Remember device status before the power failure | ||
| Description: | This parameter determines how the device will react in the event of power supply failure (e.g. power outage or taking out from the electrical outlet). After the power supply is back on, the device can be restored to previous state or remain switched off. The se- quence is not remembered after the power returns. After power failure, the last color set before the sequence will be restored. | ||
| Available settings: | 0 – device remains switched off 1 – device restores the state from before the power failure | ||
| Default setting: | 0 | Parameter size: | 1 [byte] |
| Parameter: | 20. Input 1 – operating mode | ||
| Description: | This parameter allows to choose mode of 1st input (IN1). Change it depending on connected device. | ||
| Available settings: | 0 – Analog input without internal pull-up (Sensor Multilevel) 1 – Analog input with internal pull-up (Sensor Multilevel) 2 – Momentary switch (Central Scene) 3 – Toggle switch: switch state on every input change (Central Scene) 4 – Toggle switch: contact closed – ON, contact opened – OFF (Central Scene) | ||
| Default setting: | 2 (momentary switch) | Parameter size: | 1 [byte] |
| Parameter: | 21. Input 2 – operating mode | ||
| Description: | This parameter allows to choose mode of 2nd input (IN2). Change it depending on connected device. | ||
| Available settings: | 0 – Analog input without internal pull-up (Sensor Multilevel) 1 – Analog input with internal pull-up (Sensor Multilevel) 2 – Momentary switch (Central Scene) 3 – Toggle switch: switch state on every input change (Central Scene) 4 – Toggle switch: contact closed – ON, contact opened – OFF (Central Scene) | ||
| Default setting: | 2 (momentary switch) | Parameter size: | 1 [byte] |
| Parameter: | 22. Input 3 – operating mode | ||
| Description: | This parameter allows to choose mode of 3rd input (IN3). Change it depending on connected device. | ||
| Available settings: | 0 – Analog input without internal pull-up (Sensor Multilevel) 1 – Analog input with internal pull-up (Sensor Multilevel) 2 – Momentary switch (Central Scene) 3 – Toggle switch: switch state on every input change (Central Scene) 4 – Toggle switch: contact closed – ON, contact opened – OFF (Central Scene) | ||
| Default setting: | 2 (momentary switch) | Parameter size: | 1 [byte] |
| Parameter: | 23. Input 4 – operating mode | ||
| Description: | This parameter allows to choose mode of 4th input (IN4). Change it depending on connected device. | ||
| Available settings: | 0 – Analog input without internal pull-up (Sensor Multilevel) 1 – Analog input with internal pull-up (Sensor Multilevel) 2 – Momentary switch (Central Scene) 3 – Toggle switch: switch state on every input change (Central Scene) 4 – Toggle switch: contact closed – ON, contact opened – OFF (Central Scene) | ||
| Default setting: | 2 | Parameter size: | 1 [byte] |
| Parameter: | 30. Alarm configuration – 1st slot | ||
| Description: | This parameter determines to which alarm frames and how the device should react. The parameters consist of 4 bytes, three most significant bytes are set according to the official Z-Wave protocol specification. X – channels summarized: 1/2/3/4 channel are equal to values 1/2/4/8. Y – sequence number: 1-10 (parameter 157). | ||
| Available settings: | 1B [MSB] – Notification Type 2B – Notification Status 3B – Event/State Parameters 4B [LSB] – action: 0x00 – no reaction, 0x0X – turn off selected channel, 0x1X – turn on selected channel, 0x2X – blink selected channel, 0x3Y – activate alarm sequence | ||
| Default setting: | [0x00, 0x00, 0x00, 0x00] (disabled) | Parameter size: | 4 [bytes] |
| Parameter: | 31. Alarm configuration – 2nd slot | ||
| Description: | This parameter determines to which alarm frames and how the device should react. The parameters consist of 4 bytes, three most significant bytes are set according to the official Z-Wave protocol specification. X – channels summarized: 1/2/3/4 channel are equal to values 1/2/4/8. Y – sequence number: 1-10 (parameter 157). | ||
| Available settings: | 1B [MSB] – Notification Type 2B – Notification Status 3B – Event/State Parameters 4B [LSB] – action: 0x00 – no reaction, 0x0X – turn off selected channel, 0x1X – turn on selected channel, 0x2X – blink selected channel, 0x3Y – activate alarm sequence | ||
| Default setting: | [0x05, 0xFF, 0x00, 0x00] (Water Alarm, any notification, no action) | Parameter size: | 4 [bytes] |
| Parameter: | 32. Alarm configuration – 3rd slot | ||
| Description: | This parameter determines to which alarm frames and how the device should react. The parameters consist of 4 bytes, three most significant bytes are set according to the official Z-Wave protocol specification. X – channels summarized: 1/2/3/4 channel are equal to values 1/2/4/8. Y – sequence number: 1-10 (parameter 157). | ||
| Available settings: | 1B [MSB] – Notification Type 2B – Notification Status 3B – Event/State Parameters 4B [LSB] – action: 0x00 – no reaction, 0x0X – turn off selected channel, 0x1X – turn on selected channel, 0x2X – blink selected channel, 0x3Y – activate alarm sequence | ||
| Default setting: | [0x01, 0xFF, 0x00, 0x00] (Smoke Alarm, any notification, no action) | Parameter size: | 4 [bytes] |
| Parameter: | 33. Alarm configuration – 4th slot | ||
| Description: | This parameter determines to which alarm frames and how the device should react. The parameters consist of 4 bytes, three most significant bytes are set according to the official Z-Wave protocol specification. X – channels summarized: 1/2/3/4 channel are equal to values 1/2/4/8. Y – sequence number: 1-10 (parameter 157). | ||
| Available settings: | 1B [MSB] – Notification Type 2B – Notification Status 3B – Event/State Parameters 4B [LSB] – action: 0x00 – no reaction, 0x0X – turn off selected channel, 0x1X – turn on selected channel, 0x2X – blink selected channel, 0x3Y – activate alarm sequence | ||
| Default setting: | [0x02, 0xFF, 0x00, 0x00] (CO Alarm, any notification, no action) | Parameter size: | 4 [bytes] |
| Parameter: | 34. Alarm configuration – 5th slot | ||
| Description: | This parameter determines to which alarm frames and how the device should react. The parameters consist of 4 bytes, three most significant bytes are set according to the official Z-Wave protocol specification. X – channels summarized: 1/2/3/4 channel are equal to values 1/2/4/8. Y – sequence number: 1-10 (parameter 157). | ||
| Available settings: | 1B [MSB] – Notification Type 2B – Notification Status 3B – Event/State Parameters 4B [LSB] – action: 0x00 – no reaction, 0x0X – turn off selected channel, 0x1X – turn on selected channel, 0x2X – blink selected channel, 0x3Y – activate alarm sequence | ||
| Default setting: | [0x04, 0xFF, 0x00, 0x00] (Heat Alarm, any notification, no action) | Parameter size: | 4 [bytes] |
| Parameter: | 35. Duration of alarm signalization | ||
| Description: | This parameter determines the duration of alarm signaling (flashing mode and/or alarm sequence). | ||
| Available settings: | 0 – infinite signalization 1-32400 (1s-9h, 1s step) | ||
| Default setting: | 600 (10min) | Parameter size: | 2 [bytes] |
| Parameter: | 40. Input 1 – sent scenes | ||
| Description: | This parameter defines which actions result in sending scene ID and attribute assigned to them. Parameter is relevant only if parameter 20 is set to 2, 3 or 4. Actions can be summed up, e.g. 1+2+4+8=15 and entered as a value for the parameter. | ||
| Available settings: | 1 – Key pressed 1 time 2 – Key pressed 2 times 4 – Key pressed 3 times 8 – Key hold down and key released | ||
| Default setting: | 15 | Parameter size: | 1 [byte] |
| Parameter: | 41. Input 2 – sent scenes | ||
| Description: | This parameter defines which actions result in sending scene ID and attribute assigned to them. Parameter is relevant only if parameter 21 is set to 2, 3 or 4. Actions can be summed up, e.g. 1+2+4+8=15 and entered as a value for the parameter. | ||
| Available settings: | 1 – Key pressed 1 time 2 – Key pressed 2 times 4 – Key pressed 3 times 8 – Key hold down and key released | ||
| Default setting: | 15 | Parameter size: | 1 [byte] |
| Parameter: | 42. Input 3 – sent scenes | ||
| Description: | This parameter defines which actions result in sending scene ID and attribute assigned to them. Parameter is relevant only if parameter 22 is set to 2, 3 or 4. Actions can be summed up, e.g. 1+2+4+8=15 and entered as a value for the parameter. | ||
| Available settings: | 1 – Key pressed 1 time 2 – Key pressed 2 times 4 – Key pressed 3 times 8 – Key hold down and key released | ||
| Default setting: | 15 | Parameter size: | 1 [byte] |
| Parameter: | 43. Input 4 – sent scenes | ||
| Description: | This parameter defines which actions result in sending scene ID and attribute assigned to them. Parameter is relevant only if parameter 23 is set to 2, 3 or 4. Actions can be summed up, e.g. 1+2+4+8=15 and entered as a value for the parameter. | ||
| Available settings: | 1 – Key pressed 1 time 2 – Key pressed 2 times 4 – Key pressed 3 times 8 – Key hold down and key released | ||
| Default setting: | 15 | Parameter size: | 1 [byte] |
| Parameter: | 62. Power reports – periodic | ||
| Description: | This parameter determines in what time intervals the periodic power reports are sent to the main controller. Peri- odic reports do not depend of power change (parameter 61). | ||
| Available settings: | 0 – periodic reports are disabled 30-32400 (30-32400s) – report interval | ||
| Default setting: | 3600 (1h) | Parameter size: | 2 [bytes] |
| Parameter: | 63. Analog inputs reports and output change on input change | ||
| Description: | This parameter defines minimal change (from the last reported) of analog input voltage that results in sending new report and change in the output value. Parameter is relevant only for analog inputs (parameter 20, 21, 22 or 23 set to 0 or 1). | ||
| Available settings: | 0 – reporting on change disabled 1-100 (0.1-10V, 0.1V step) | ||
| Default setting: | 5 (0.5V) | Parameter size: | 2 [bytes] |
| Parameter: | 64. Analog inputs reports – periodic | ||
| Description: | This parameter defines reporting period of analog inputs value. Periodical reports are independent from changes in value (parameter 63). Parameter is relevant only for analog inputs (parameter 20, 21, 22 or 23 set to 0 or 1). | ||
| Available settings: | 0 – periodical reports disabled 30-32400 (30-32400s, 1s step) | ||
| Default setting: | 0 (periodical reports disabled) | Parameter size: | 2 [bytes] |
| Parameter: | 65. Energy reports – on change | ||
| Description: | This parameter determines the minimum change in consumed energy that will result in sending new energy report to the main controller. Energy reports are sent no often than every 30 seconds. | ||
| Available settings: | 0 – reports are disabled 1-500 (0.01 – 5 kWh) – change in energy | ||
| Default setting: | 10 (0.1 kWh) | Parameter size: | 2 [bytes] |
| Parameter: | 66. Energy reports – periodic | ||
| Description: | This parameter determines in what time intervals the periodic energy reports are sent to the main controller. Peri- odic reports do not depend of energy change (parameter 65) | ||
| Available settings: | 0 – periodic reports are disabled 30-32400 (30-32400s) – report interval | ||
| Default setting: | 3600 (1h) | Parameter size: | 2 [bytes] |
| Parameter: | 150. Inputs – LED colour control mode | ||
| Description: | This parameter determines how connected switches control LED strips. | ||
| Available settings: | 0 – RGBW mode (every input controls output with the same number, IN1-OUT1, IN2-OUT2, IN3-OUT3, IN4-OUT4) 1 – HSB and White mode (inputs works in HSB color model, IN1-H (Hue), IN2-S (Saturation), IN3-B (Brightness), IN4-White (OUT4) | ||
| Default setting: | 0 (RGBW mode) | Parameter size: | 1 [byte] |
| Parameter: | 151. Local control – transition time | ||
| Description: | This parameter determines time of smooth transition between 0% and 100% when controlling with connected switches. | ||
| Available settings: | 0 – instantly 1-127 (1s-127s, 1s step) 128-254 (1min-127min, 1min step) | ||
| Default setting: | 3 (3s) | Parameter size: | 2 [bytes] |
| Parameter: | 152. Remote control – transition time | ||
| Description: | This parameter determines time needed to change the state between current and target values when controlling via Z-Wave network. | ||
| Available settings: | 0 – instantly 1-127 (1s-127s, 1s step) 128-254 (1min-127min, 1min step) | ||
| Default setting: | 3 (3s) | Parameter size: | 2 [bytes] |
| Parameter: | 154. ON frame value for single click | ||
| Description: | This parameter defines value sent to devices in association groups. The parameters consist of 4 bytes, each byte reserved for separate channel, from least significant (IN1) to most significant (IN4). Applicable for Basic Set and Switch Multilevel Set commands. | ||
| Available settings: | For every byte: 0-99, 255 | ||
| Default setting: | 4294967295 (0xFF FF FF FF – 255 for all channels) | Parameter size: | 4 [bytes] |
| Parameter: | 155. OFF frame value for single click | ||
| Description: | This parameter defines value sent to devices in association groups. The parameters consist of 4 bytes, each byte reserved for separate channel, from least significant (IN1) to most significant (IN4). Applicable for Basic Set and Switch Multilevel Set commands. | ||
| Available settings: | For every byte: 0-99, 255 | ||
| Default setting: | 0 (0x00 00 00 00 – 0 for all channels) | Parameter size: | 4 [bytes] |
| Parameter: | 156. ON frame value for double click | ||
| Description: | This parameter defines value sent to devices in association groups. The parameters consist of 4 bytes, each byte reserved for separate channel, from least significant (IN1) to most significant (IN4). Applicable for Basic Set and Switch Multilevel Set commands. | ||
| Available settings: | For every byte: 0-99, 255 | ||
| Default setting: | 0 (0x63 63 63 63 – 99 for all channels) | Parameter size: | 4 [bytes] |
| Parameter: | 157. Start programmed sequence | ||
| Description: | Setting this parameter will start programmed sequence with selected number. User can define own sequences via controller. While the sequence is active, the menu is unavailable. | ||
| Available settings: | 0 – sequence inactive 1-5 – user-defined sequence 6 – Fireplace sequence 7 – Storm sequence 8 – Rainbow sequence 9 – Aurora sequence 10 – Police siren sequence (red-white-blue) | ||
| Default setting: | 0 (sequence inactive) | Parameter size: | 1 [byte] |
Z-WAVE SPECIFICATION
Supported Command Classes
| Command Class | Version | Secure | |
| 1. | COMMAND_CLASS_ZWAVEPLUS_INFO [0x5E] | V2 | |
| 2. | COMMAND_CLASS_SWITCH_MULTILEVEL [0x26] | V4 | YES |
| 3. | COMMAND_CLASS_ASSOCIATION [0x85] | V2 | YES |
| 4. | COMMAND_CLASS_MULTI_CHANNEL_ASSOCIATION [0x8E] | V3 | YES |
| 5. | COMMAND_CLASS_ASSOCIATION_GRP_INFO [0x59] | V2 | YES |
| 6. | COMMAND_CLASS_VERSION [0x86] | V2 | YES |
| 7. | COMMAND_CLASS_MANUFACTURER_SPECIFIC [0x72] | V2 | YES |
| 8. | COMMAND_CLASS_MULTI_CHANNEL [0x60] | V4 | YES |
| 9. | COMMAND_CLASS_TRANSPORT_SERVICE [0x55] | V2 | |
| 10. | COMMAND_CLASS_CRC_16_ENCAP [0x56] | V1 | |
| 11. | COMMAND_CLASS_SUPERVISION [0x6C] | V1 | |
| 12. | COMMAND_CLASS_SECURITY [0x98] | V1 | |
| 13. | COMMAND_CLASS_SECURITY_2 [0x9F] | V1 | |
| 14. | COMMAND_CLASS_DEVICE_RESET_LOCALLY [0x5A] | V1 | YES |
| 15. | COMMAND_CLASS_APPLICATION_STATUS [0x22] | V1 | |
| 16. | COMMAND_CLASS_POWERLEVEL [0x73] | V1 | YES |
| 17. | COMMAND_CLASS_FIRMWARE_UPDATE_MD [0x7A] | V4 | YES |
| 18. | COMMAND_CLASS_CONFIGURATION [0x70] | V1 | YES |
| 19. | COMMAND_CLASS_PROTECTION [0x75] | V2 | YES |
| 20. | COMMAND_CLASS_NOTIFICATION [0x71] | V8 | YES |
| 21. | COMMAND_CLASS_COLOR_SWITCH [0x33] | V3 | YES |
| 22 | COMMAND_CLASS_METER [0x32] | V3 | YES |
| 23. | COMMAND_CLASS_CENTRAL_SCENE [0x5B] | V3 | YES |
| 24. | COMMAND_CLASS_SENSOR_MULTILEVEL [0x31] | V11 | YES |
| 25. | COMMAND_CLASS_BASIC [0x20] | V1 | YES |
Multichannel Command Class
| MULTICHANNEL CC | |
| ROOT (Endpoint 1) | |
| Generic Device Class | GENERIC_TYPE_SWITCH_MULTILEVEL |
| Specific Device Class | SPECIFIC_TYPE_COLOR_TUNABLE_MULTILEVEL |
|
Command Classes | COMMAND_CLASS_ZWAVEPLUS_INFO [0x5E] |
| COMMAND_CLASS_SWITCH_MULTILEVEL [0x26] | |
| COMMAND_CLASS_ASSOCIATION [0x85] | |
| COMMAND_CLASS_MULTI_CHANNEL_ASSOCIATION [0x8E] | |
| COMMAND_CLASS_ASSOCIATION_GRP_INFO [0x59] | |
| COMMAND_CLASS_SUPERVISION [0x6C] | |
| COMMAND_CLASS_SECURITY [0x98] | |
| COMMAND_CLASS_SECURITY_2 [0x9F] | |
| COMMAND_CLASS_APPLICATION_STATUS [0x22] | |
| COMMAND_CLASS_PROTECTION [0x75] | |
| COMMAND_CLASS_NOTIFICATION [0x71] | |
| COMMAND_CLASS_COLOR_CONTROL [0x33] | |
| COMMAND_CLASS_METER [0x32] | |
| Description | Color Controller |
| Endpoint 2, 3 ,4 and 5 | |
| Generic Device Class | GENERIC_TYPE_SWITCH_MULTILEVEL |
| Specific Device Class | SPECIFIC_TYPE_POWER_SWITCH_MULTILEVEL |
|
Command Classes | COMMAND_CLASS_ZWAVEPLUS_INFO [0x5E] |
| COMMAND_CLASS_SWITCH_MULTILEVEL [0x26] | |
| COMMAND_CLASS_ASSOCIATION [0x85] | |
| COMMAND_CLASS_MULTI_CHANNEL_ASSOCIATION [0x8E] | |
| COMMAND_CLASS_ASSOCIATION_GRP_INFO [0x59] | |
| COMMAND_CLASS_SUPERVISION [0x6C] | |
| COMMAND_CLASS_SECURITY [0x98] | |
| COMMAND_CLASS_SECURITY_2 [0x9F] | |
| COMMAND_CLASS_APPLICATION_STATUS [0x22] | |
| Description | EP2 controlls directly Output 1 [Red] EP3 controlls directly Output 2 [Green] EP4 controlls directly Output 3 [Blue] EP5 controlls directly Output 4 [White] |
| Endpoint 6, 7, 8 and 9 | |
| Generic Device Class | GENERIC_TYPE_SENSOR_MULTILEVEL |
| Specific Device Class | SPECIFIC_TYPE_ROUTING_SENSOR_MULTILEVEL |
|
Command Classes | COMMAND_CLASS_ZWAVEPLUS_INFO [0x5E] |
| COMMAND_CLASS_ASSOCIATION [0x85] | |
| COMMAND_CLASS_MULTI_CHANNEL_ASSOCIATION [0x8E] | |
| COMMAND_CLASS_ASSOCIATION_GRP_INFO [0x59] | |
| COMMAND_CLASS_SUPERVISION [0x6C] | |
| COMMAND_CLASS_SECURITY [0x98] | |
| COMMAND_CLASS_SECURITY_2 [0x9F] | |
| COMMAND_CLASS_SENSOR_MULTILEVEL [0x31] | |
| COMMAND_CLASS_APPLICATION_STATUS [0x22] | |
| Description | EP6 reports the Voltage measured on Input 1 EP7 reports the Voltage measured on Input 2 EP8 reports the Voltage measured on Input 3 EP9 reports the Voltage measured on Input 4 |
Notification Command Class
| ROOT (Endpoint 1) | |||
| Notification Type | Event | Status | Parameter |
| Power Management [0x08] | Over-current detected [0x06/V3] | 0xFF – enable (non-changeable) | — |
| System [0x09] | System hardware failure with manufacturer proprietary failure code [0x03] | 0xFF – enable (non-changeable) | Device Overheat [0x01] |
The device uses Notification Command Class to report different events to the controller (“Lifeline” group).
Protection CC
Protection Command Class allows to prevent local (via inputs) or remote control of the outputs.
| Type | State | Description | |
| Local | 0 | Unprotected – The device is not protected, and may be operated normally via the user interface. | Inputs connected with outputs. |
| Local | 2* | No operation possible – state of outputs cannot be changed by any of the Inputs | Inputs disconnected from outputs. |
| RF | 0 | Unprotected – The device accept and respond to all RF Commands. | Outputs can be controlled via Z-Wave. |
|
RF |
1 | No RF control – command class Basic, Switch Mul- tilevel and Color Switch are rejected, every other command class will be handled |
Outputs cannot be con- trolled via Z-Wave. |
only Central Scene Notifications can be triggered in this state.
Meter CC
| Meter Type | Scale | Rate Type | Precision | Size |
| ROOT (Endpoint 1) | ||||
| Electric [0x01] | Electric_kWh [0x00] (default) | Import [0x01] | 2 | 4B |
| Electric [0x01] | Electric_W [0x02] | Import [0x01] | 1 | 2B |
Sensor Multilevel CC
| Endpoint 6, 7, 8 and 9 | ||||
| Sensor Type | Scale | Precision | Size | Description |
| VOLTAGE | V | 1 | 2B | Analog input 1-4 |
Lifeline reports
| ROOT |
| COMMAND_CLASS_DEVICE_RESET_LOCALLY [0x5A] |
| DEVICE_RESET_LOCALLY_NOTIFICATION [0x01] |
| COMMAND_CLASS_SWITCH_MULTILEVEL [0x26] |
| SWITCH_MULTILEVEL_REPORT [0x03] |
| COMMAND_CLASS_COLOR_SWITCH [0x33] |
| COLOR_SWITCH_REPORT [0x04] |
| COMMAND_CLASS_CENTRAL_SCENE [0x5B] |
| CENTRAL_SCENE_NOTIFICATION [0x03] |
| COMMAND_CLASS_METER [0x32] |
| METER_REPORT [0x02] |
| COMMAND_CLASS_NOTIFICATION [0x71] |
| NOTIFICATION_REPORT [0x05] |
| COMMAND_CLASS_CONFIGURATION [0x70] |
| CONFIGURATION_REPORT [0x06] |
| Endpoint 1 |
| COMMAND_CLASS_SWITCH_MULTILEVEL [0x26] |
| SWITCH_MULTILEVEL_REPORT [0x03] |
| COMMAND_CLASS_METER [0x32] |
| METER_REPORT [0x02] |
| COMMAND_CLASS_NOTIFICATION [0x71] |
| NOTIFICATION_REPORT [0x05] |
| COMMAND_CLASS_COLOR_SWITCH [0x33] |
| COLOR_SWITCH_REPORT [0x04] |
| Endpoints 2–5 |
| COMMAND_CLASS_SWITCH_MULTILEVEL [0x26] |
| SWITCH_MULTILEVEL_REPORT [0x03] |
| Endpoints 6–9 |
| COMMAND_CLASS_SENSOR_MULTILEVEL [0x31] |
| SENSOR_MULTILEVEL_REPORT [0x05] |
TECHNICAL SPECIFICATIONS
The product RGBW-Control is produced by Nice S.p.A. (TV). Warnings: – All technical specifications stated in this section refer to an ambient temperature of 20 °C (± 5 °C) – Nice S.p.A. reserves the right to apply modifications to the product at any time when deemed necessary while maintaining the same functionalities and intended use.
| RGBW-Control | |
| Power supply | 12V/24V DC ±10% |
| Rated load current | 6A for channel, 12A total for all outputs |
| Power output | 144W combined for 12V, 288W combined for 24V |
| Inputs | 4 inputs, 0-10V (configurable pull-up) or binary |
| Outputs | 4 outputs, PWM |
| PWM frequency | 244Hz |
| Overvoltage category | OVC I |
| Rated impulse voltage | 330V |
| Maximum length of wires | 2m |
| Operating temperature | 0–40°C (32–104°F) |
| Shipping and storage temperature | -40–60°C (-40–140°F) |
| Recommended wire cross-section area | 0.2–2.0mm2 (24–14 AWG), depending on load current |
| Dimensions (Length x Width x Height) | 42.35 x 36.90 x 17.5 mm (1.67” x 1.5” x 0.69”) |
| Device type | Type 1.C Action |
| Pollution degree | 2 |
| Software class | Class A |
| Maximum phase to ground voltage of the supply source | Supplied by external SELV source up to 24V DC |
| Protection against electric shock class | Class III control |
| Classification of installation and use | Independently, Flush Mounted operating control (lighting control) |
| Supply Connection | Permanent connection |
The Radiofrequency of individual device must be same as your Z-Wave controller. Check information on the box or consult your dealer if you are not sure.
| Radio transceiver | |
| Radio protocol | Z-Wave (500 series chip) |
| Frequency band | 868.4 or 869.8 MHz EU 921.4 or 919.8 MHz ANZ |
| Transceiver range | up to 50m outdoors up to 40m indoors (depending on terrain and building structure) |
| Max. transmit power | EIRP up to 5 dBm |
The transceiver range is strongly influenced by other devices operating at the same frequency with the continuous transmissions, such as alarms and radio headphones which interfere with the control unit transceiver.
PRODUCT DISPOSAL
This product is an integral part of the automation and therefore must be disposed of together with the latter.
As in installation, also at the end of the product lifetime, the disassembly and scrapping operations must be performed by qualified personnel. This product is made of various types of material, some of which can be recycled while others must be scrapped. Seek information on the recycling and disposal systems envisaged by the local regulations in your area for this product category. Caution! – some parts of the product may contain pollutants or hazardous substances which, if disposed of into the environment, may cause serious damage to the environment or physical health.
As indicated by the symbol alongside, disposal of this product in domestic waste is strictly prohibited. Separate the waste into categories for disposal, according to the methods envisaged by current legislation in your area, or return the product to the retailer when purchasing a new version.
Caution! local legislation may envisage serious fines in the event of abusive disposal of this product.
DECLARATION OF CONFORMITY
Hereby, Nice S.p.A., declares that the radio equipment type RGBW-Control is in compliance with Directive 2014/53/EU.
The full text of the EU declaration of conformity is available at the following internet address: http://www.niceforyou.com/en/support




















