
iFLabel IR24VDA Wireless Bio-Radar Sensor for Human Presence Detection Instruction Manual

Specification

R.1513, Zhongnan Building Block A, NO.18 Zhonghua W. Rd, Ganjingzi Dist, Dalian
Tel: +86-411-84619565
Email: [email protected]
Site: www.iflabel.com
Characteristics
- Detection of Stationary Human Body
- Detection of Vital Signs
- 24GHz mmWave Radar Sensor
- Personnel Perception within Radar Scanning Coverage Based on Doppler Radar Technology
- Synchronous Perception of Personnel Both Active and Stationary
- Max Distance of Motion Perception:≤13 m
- Max Distance of Slight Motion Perception:≤5 m
- Max Distance of Human Body Perception:≤3 m
- Width of Antenna Beam:
- IR24VDA:Horizontal 90°/Vertical 60°Fan-shaped Beam
- Scene-recognition Including Somebody/Nobody, Personnel State and Output of Object Motion Parameter
- Immune from Factors Like temperature, humidity, noise, airflow, dust and light, well adapt to extreme conditions
- Low Output Power, Harmless to Human Body Even After Long Time Use
- Detection Time from Nobody to Somebody:Within 0.5 s
- Detection Time from Somebody to Nobody:Over 1 min
Part Number
- IR24VDA – Narrow Beam Radar Sensor for Falling Detection 90 °/60° Fan-shaped Beam(High Accuracy, recommended using within 6 meters)
Application
Application of Human Presence:
- Health care
- Smart Appliances(TV, bath heater, security etc)
- Energy-saving Office(Air-conditioner, lighting)
- Security at home
- Auto-door, elevator, escalator
Packaging
Volume:≤35MM×30MM×5MM
Interface:PITCH 2.0MM interface,double-row pins
1. Overview
IR24VDA radar module detector adopts millimeter wave radar technology to realize perception of human body movement and human bio-perception.
Based on enhanced Doppler radar signal processing mechanism and technology of synchronous perception of human body movement and biological parameters.
This radar sensor is capable of wireless perception and report of personnel state .
This module has two array metantenna forms: wide beam radar module, which is mainly applicable to the top installation mode to realize radar detection in a large angle range; If it is used for horizontal or inclined installation, it is necessary to pay attention to the occlusion of the actual scene in order to realize the radar detection function in a longer range.
This radar sensor has following operating characteristics:
- Synchronous perception of personnel in both active and stationary state
- Continuous perception of static personnel to realize real-time output
- Quick output of Approaching/Leaving state o f distance between the object and radar
- Detect all kinds of movement amplitude and output real-time value state
- Limit detecting object to biological things(active or stationary) and eliminate the interference from non-living things in the same environment
- This radar module can also detect non-living objects besides living things
- Support second time development to adapt to more application scenarios
- UART communication interface and general protocols available
- Preserve 4 I\O for user definition or simple interface simulation
- Low output power, harmless to human body
- Not affected by temperature, light, dust and other factors, with high sensitivity for wide application
2. Electrical Characteristics and Parameters
2.1. Detecting Angle and Distance

2.2. Electrical Characteristics

2.3. RF Performance

3. External Dimension and Pin Definition
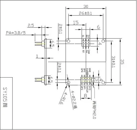
3.1.External Dimension

Figure 1. Diagram of Radar Module Structure
3.2.Pin Definition

Note:
- S1 Output:High Level-Somebody, Low-Level-Nobody;
- S2 Output:High Level-Active, Low-Level-Stationary;
- GP1~GP4 are control end for parameter selection and can be re-defined depending on user needs;
- 3.3V level is for all output signals from this interface
3.3. Wiring Diagram

Figure 2. Wiring Diagram of Radar Module and Peripheral Device
4. Main Functions and Performance
4.1. Operating Range
Beam coverage of radar module IR24VDA is shown as figure 4 with a stereo fan-shaped area, 90 degrees horizontal and 60 degree vertical.

Affected by the radar beam characteristics, the radar operates far in the normal direction of the antenna plane, but the operating distance deviates from the normal direction of the antenna will become shorter.
When the radar is installed on the top or obliquely, the radar action range will be reduced due to the influence of the radar beam range and effective radiation space, which should be paid attention to during use.
4.2. Functions and Performance
Main functions of the radar module include:
A. Motion Detection
(1) Max Detection Distance:≤13m(adult);
(2) Sensitivity of Detection:≤0.2m/s;
(3) Response Time:≤100ms;
B. Slight Motion Detection:
(4) Max Detection Distance:≤5m;
(5) Response Time:≤1s;
C. Environmental Status Assessment
D. Early Warning Design
5. Installation and Operating Mode
5.1. Installation
It is recommended to install the radar module in horizontal-mounted, inclined-mounted and top-mounted.
5.1.1. Horizontal-mounted
As shown in Figure 4, it is a horizontal installation mode. This installation mode is mainly aimed at human body detection in standing or sitting posture, such as living room, home appliance application and other occasions.
The radar installation height is recommended to be 1m ~ 1.5. The radar is installed horizontally and forward, the installation inclination is ≤± 5°, and there is no obvious shelter and cover in front.
The normal direction of the radar is aligned with the main detection position to ensure that the main beam of the radar antenna covers the detection area and the radar beam covers the airspace of human activities.
In this installation mode, the maximum detection distance of moving human body is L3 ≤ 13m, the maximum detection distance of human sitting / slight motion is L2 ≤ 5m.
Limited by the beam range of the radar antenna, the effective range will be reduced if it deviates from the normal direction of the radar. Millimeter wave band electromagnetic wave has certain penetration characteristics for non-metallic materials, can penetrate common glass, wood, screen and thin partition wall, and can detect moving objects behind the shelter; However, it cannot penetrate thick bearing walls and metal doors.

Figure 4. Horizontal-mounted
5.1.2. Inclined-mounted
As shown in Figure 5, it is installed obliquely. The installation method mainly detects the movement of people in the room, which is suitable for hotels, halls and other places.
The recommended installation height of radar is 2-2.75m; The downward looking tilt angle range of the radar is 10 ° ~ 30 °, and there is no obvious shelter and cover in front of the radar.
The normal direction of the radar is aligned with the main detection position to ensure that the main beam of the radar antenna covers the detection area and the radar beam covers the airspace of human activities.
In this installation mode, the maximum detection distance of moving human body is L3 ≈ 7m; The maximum distance of human sitting /slight motion detection is L2 ≈ 4m.
In this mode, there may be a surveillance blind area directly below the radar and adjacent areas. With the increase of downward viewing angle, the detection distance of stationary human body will be significantly compressed.
Affected by the radiation characteristics of radar antenna, the effective range of radar will be reduced if it deviates from the normal direction of radar.

Figure 5. Inclined-mounted
5.1.3. Top-mounted
As shown in Figure 4, it is installed on the top. This installation method is mainly aimed at slippery areas where there is a risk of falling (e.g. toilet, kitchen, etc.) human body monitoring under peaceful lying state (e.g. bedroom, nursing place, hospital bed, etc.).
The radar shall be installed vertically, and the horizontal deviation angle shall be ≤ 3 °, so as to ensure that the main beam of the radar covers the detection area; The recommended installation height of radar is ≤ 2.75m; There is no obvious shelter or cover in front of the radar.
Affected by the radar installation height and radar beam range, in this installation mode, the maximum detection distance of active human body is L3 ≈ 6.5m; The maximum distance of human sitting / slight motion detection is L2 ≈ 3M.

Note:
A. For the above different installation methods, the main radar beam needs to cover the main activity area of the human body and face the normal direction as far as possible;
B. When installed obliquely, the horizontal action distance will be reduced due to the change of horizontal projection of the coverage area;
C. When the module is working, the module surface should not be covered by metal objects;
D. Affected by the transmission characteristics of electromagnetic wave, the radar range is related to the target RCS, the material and thickness of the target cover. The effective range of radar will change to a certain extent;
E. Corresponding to human body detection in stationary state, different body positions will affect the radar range, and the radar does not guarantee that all states reach the maximum range.
5.2. Operating Mode
After statistical analysis and processing, the radar module comprehensively evaluates the personnel status in the current detection area, and the user can directly use the results.
State Modes
In this mode, the radar module periodically gives the existence status and movement status of personnel in the current radar detection area. The main states include:
- Nobody;
- Somebody, stationary;
- Somebody, active;
In the state operation mode, in order to judge the accuracy of environmental state, logic discrimination is carried out inside the radar module.
The state output logic of the radar module is as follows:
A. Only when the radar equipment detects the state change can the radar have the corresponding state output; On the contrary, the radar remains silent;
B. When the radar make quick switches from nobody state to somebody state, shift Time≤1s;
C. When the radar switches from somebody state to nobody state, it needs to be confirmed for many times, and the switching time is ≥ 1 minute;
6. Typical Application Mode
This module is mainly used in home, home appliances, energy-saving light control, health care and other scenarios. The application modes of typical scenarios are described below.
6.1. Application in Smart Appliances
The radar is installed inside the home appliance equipment and monitors the personnel status of the home appliance equipment working face in real time. The equipment adjusts the equipment working mode (working, low power consumption, standby, shutdown, etc.) in real time or quasi real time according to the personnel status of the working face (manned / unmanned, active /stationary, close / far away), so as to realize the intellectualization of household appliances.
In this application scenario, the radar is installed on the equipment radar. According to the conventional nature of the equipment, the radar is installed horizontally or obliquely to ensure that the radar beam can cover the main working area of the equipment.
Regular Home Appliances include:
- Smart TV
- Smart Voice Box
- Smart Air-conditioner
- Other smart home appliances
6.2. Application in Smart Home
For homes, hotels, offices, toilets and other places, it is necessary to detect whether there are people entering or moving in the place in real time, so as to realize methods such as security, electrical control and personnel monitoring, and effectively avoid privacy problems. The radar is installed in the room and can monitor whether there are moving targets, personnel movement direction and personnel in the room in real time. And through the Internet of things transmission methods and means, combined with the relevant Internet of things support platform, to realize the effective application of relevant places.
This radar can be applied into following scenarios:
- Security at Home
- Hotel Management and Monitoring
- Healthcare Monitoring of Personnel in Community
- Office Monitoring
6.3. Application in Bedroom
For specific applications, real-time information about bedridden personnel, such as people / nobody, movement information, etc., and then give relevant information to realize specific applications. In this mode, the radar needs to be installed on top.
This radar can be applied into following scenarios:
- Elderly Monitoring
- Healthcare Monitoring
- Hotel Application
- Health at Home
6.4. Application in Energy-saving Control
Based on the moving target detection and biometric detection of the radar, the radar can be well applied in energy-saving control. The main application modes are as follows:
- Energy-saving Control of Household Appliances
- Energy-saving Control of Office Appliances
- Energy-saving Control of Street Lamps
7. Precautions
7.1. Start Time
When the module starts to work when it is initially powered on, it is necessary to completely reset the internal circuit of the module and fully evaluate the environmental noise to ensure the normal operation of the module. Therefore, when the module is initially powered on, it needs a startup stability time of ≥30s to ensure the validity of subsequent output parameters.
7.2. Effective Detection Range
The detection range of the radar module is greatly related to the target RCS and environmental factors. The effective detection range may change with changes in the environment and the target. This module does not have a ranging function for the time being, so it is normal for the effective detection range to fluctuate within a certain range.
7.3. Radar Biological Detection Performance
Because human biological characteristics belong to ultra-low frequency band weak reflection characteristic signals, radar processing requires a relatively long cumulative processing. During the cumulative process, many factors may affect the radar parameters, so occasional detection failure is normal.
7.4. Power Supply
The radar module requires higher power quality than conventional low frequency circuits. When powering the module, it is required that the power supply has no threshold glitches or ripples and that it effectively shields the power supply noise caused by accessory equipment.
The radar module needs to be well grounded. Due to the ground noise brought by other circuits, the performance of the radar module may even be reduced or even work abnormally; the most common cause is a shorter detection distance or an increased false alarm rate.
In order to ensure the normal operation of the VCO circuit inside the module, the power supply requirement for this module is + 5V- + 6V power supply, voltage ripple≤50mV.
The external power supply must provide sufficient current output capability and transient response capability
8. FAQ
Interference factors: Radar is an electromagnetic wave detection sensor, and active non-living objects will cause false alarms. The movement of metals and liquids can cause misjudgments. Usually, electric fans, pets close to the radar, and the shaking of metal curtains will cause misjudgments. Radar needs to be planned from the perspective of installation.
Non-interference factors: Radar electromagnetic waves can penetrate human clothing, curtains, veneer, and glass. It is necessary to determine the installation angle and performance of the radar according to the application.
Semi-interference factor: The radar judges the presence of a human body and is not suitable for directly facing the air conditioner. The motor inside the air conditioner can cause the radar to misjudge. Radar products can not directly face the air conditioner. It can be the same direction as the air conditioner.
9. Disclaimer
Our company will try to be as accurate as possible in the description of the documents when publishing. However, considering the technical complexity of the product and the differences in the working environment, it is still difficult to rule out individual inaccurate or incomplete descriptions, so this document is only for user’s reference. Our company reserves the right to make changes to the product without notifying the user. Our company does not make any legal commitments and guarantees. Customers are encouraged to comment on updates to products and support tools.
10. Copyright
The components and devices mentioned in this document are references to materials published by their copyright holding companies, and their rights to modify and publish belong to their copyright holding companies. Please confirm the update and the errata of the information through appropriate channels when applying, Our company does not have any rights and obligations for these documents.
Read More About This Manual & Download PDF:



















